A Fast and Accurate Method for dq Impedance Modeling of Power Electronics Systems Based on Finite Differences
Abstract
1. Introduction
2. Description of the Finite-Difference-Impedance Method
- It is assumed that the system under study can be divided into two subsystems, where the interaction between them occurs at a single point (referred to as the interaction point or the point of common coupling, PCC). However, this assumption is not unique to our proposal; it is also applied in the other two methods, as it is a general consideration in impedance modeling.
- The coupling between both subsystems is determined solely by the PCC voltage and the current through the PCC node.
- The system is modeled in the DQ framework using the average model, allowing for the assumption of an invariant steady-state point.
- The model of all system components is known, meaning this approach is not intended as a black-box method.
- The dynamic model of the entire system under study is represented by a set of ordinary differential equations (ODEs) with no redundant states.
- The steady-state is computed by solving the nonlinear algebraic set of equations derived from the dynamic model.
3. Validation of the Proposal
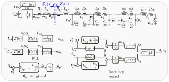
3.1. Test Case 1
3.1.1. Nonlinear Average Model
3.1.2. Impedance Model Computation
3.1.3. Assessment of the Stability
3.2. Test Case 2
3.2.1. Nonlinear Average Model
3.2.2. Impedance Model Computation
4. Conclusions
Author Contributions
Funding
Data Availability Statement
Conflicts of Interest
Nomenclature
| State variables of the whole system. | |
| Reference control variables of the whole system. | |
| Vector field in the dynamical model of the whole system. | |
| State variables of the source subsystem. | |
| Steady-state value of . | |
| Small-signal component of . | |
| in the frequency domain. | |
| State variables of the load subsystem. | |
| Steady-state value of . | |
| Small-signal component of . | |
| in the frequency domain. | |
| Reference control variable of the source subsystem. | |
| Steady-state value of . | |
| Small-signal component of . | |
| in the frequency domain. | |
| Reference control variable of load subsystem. | |
| Steady-state value of . | |
| Small-signal component of . | |
| in the frequency domain. | |
| Vector field in the dynamical model of the source subsystem. | |
| Vector field in the dynamical model of the load subsystem. | |
| Vector field in the dynamical model of the interface between the load and source subsystems. | |
| , | Rewrite of in the proposed formulation. |
| Current throughout the interface. | |
| Steady-state value of . | |
| Small-signal component of . | |
| in the frequency domain. | |
| Voltage in the interface. | |
| Steady-state value of . | |
| Small-signal component of . | |
| in the frequency domain. | |
| Perturbation parameter in the FDIM. | |
| column of an identify matrix of size n. | |
| Submatrices of the small-signal model. | |
| Submatrices of the small-signal model. | |
| Submatrices of the small-signal model. | |
| Impedance of the source subsystem. | |
| Impedance of the load subsystem. | |
| Analytically computed impedance. | |
| Numerically computed impedance. | |
| Error matrix between analytical and any other approach. | |
| Open loop gain. | |
| Park transform with argument . | |
| Rotation matrix to change between two reference frames in domain with argument . | |
| Asymmetric matrix to model coupling in . | |
| Phase angle of the voltage . | |
| Base angular frequency in rad/s. | |
| Angular frequency per unit. | |
| Time delay related with the modulation. | |
| Time constant of a low-pass filter. |
Appendix A. Formulation of the FDIM
References
- Sancha, J.; Perez-Arriaga, I. Selective modal analysis of power system oscillatory instability. IEEE Trans. Power Syst. 1988, 3, 429–438. [Google Scholar] [CrossRef]
- Pogaku, N.; Prodanovic, M.; Green, T.C. Modeling, Analysis and Testing of Autonomous Operation of an Inverter-Based Microgrid. IEEE Trans. Power Electron. 2007, 22, 613–625. [Google Scholar] [CrossRef]
- Yu, J.; Yang, Z.; Kurths, J.; Zhan, M. Small-Signal Stability of Multi-Converter Infeed Power Grids with Symmetry. Symmetry 2021, 13, 157. [Google Scholar] [CrossRef]
- Harnefors, L.; Bongiorno, M.; Lundberg, S. Input-Admittance Calculation and Shaping for Controlled Voltage-Source Converters. IEEE Trans. Ind. Electron. 2007, 54, 3323–3334. [Google Scholar] [CrossRef]
- Middlebrook, R. Input Filter Considerations in Design and Application of Switching Regulators. IEEE Ind. Appl. Soc. Annu. Meet. 1976, 15, 366–382. [Google Scholar]
- Chou, S.F.; Wang, X.; Blaabjerg, F. Reflection Coefficient Stability Criterion for Multi-Bus Multi-VSC Power Systems. IEEE Access 2020, 8, 111186–111199. [Google Scholar] [CrossRef]
- Cao, W.; Ma, Y.; Yang, L.; Wang, F.; Tolbert, L.M. D–Q Impedance Based Stability Analysis and Parameter Design of Three-Phase Inverter-Based AC Power Systems. IEEE Trans. Ind. Electron. 2017, 64, 6017–6028. [Google Scholar] [CrossRef]
- Golestan, S.; Ebrahimzadeh, E.; Wen, B.; Guerrero, J.M.; Vasquez, J.C. dq-Frame Impedance Modeling of Three-Phase Grid-Tied Voltage Source Converters Equipped With Advanced PLLs. IEEE Trans. Power Electron. 2021, 36, 3524–3539. [Google Scholar] [CrossRef]
- Wen, B.; Dong, D.; Boroyevich, D.; Burgos, R.; Mattavelli, P.; Shen, Z. Impedance-Based Analysis of Grid-Synchronization Stability for Three-Phase Paralleled Converters. IEEE Trans. Power Electron. 2016, 31, 26–38. [Google Scholar] [CrossRef]
- Fang, J.; Li, X.; Li, H.; Tang, Y. Stability Improvement for Three-Phase Grid-Connected Converters Through Impedance Reshaping in Quadrature-Axis. IEEE Trans. Power Electron. 2018, 33, 8365–8375. [Google Scholar] [CrossRef]
- Zhan, Y.; Xie, X.; Wang, Y. Impedance Network Model Based Modal Observability and Controllability Analysis for Renewable Integrated Power Systems. IEEE Trans. Power Deliv. 2021, 36, 2025–2034. [Google Scholar] [CrossRef]
- Wen, B.; Boroyevich, D.; Burgos, R.; Mattavelli, P.; Shen, Z. Small-Signal Stability Analysis of Three-Phase AC Systems in the Presence of Constant Power Loads Based on Measured d-q Frame Impedances. IEEE Trans. Power Electron. 2015, 30, 5952–5963. [Google Scholar] [CrossRef]
- Lin, H.; Chung, H.S.H.; Shen, R.; Xiang, Y. Enhancing Stability of DC Cascaded Systems with CPLs Using MPC Combined with NI and Accounting for Parameter Uncertainties. IEEE Trans. Power Electron. 2024, 39, 5225–5238. [Google Scholar] [CrossRef]
- Wang, Y.; Wang, X.; Chen, Z.; Blaabjerg, F. Small-Signal Stability Analysis of Inverter-Fed Power Systems Using Component Connection Method. IEEE Trans. Smart Grid 2018, 9, 5301–5310. [Google Scholar] [CrossRef]
- Samanes, J.; Gubia, E.; Lopez, J.; Burgos, R. Sub-Synchronous Resonance Damping Control Strategy for DFIG Wind Turbines. IEEE Access 2020, 8, 223359–223372. [Google Scholar] [CrossRef]
- Tao, S.; Zhao, L.; Liu, Y.; Liao, K. Impedance Network Model of D-PMSG Based Wind Power Generation System Considering Wind Speed Variation for Sub-Synchronous Oscillation Analysis. IEEE Access 2020, 8, 114784–114794. [Google Scholar] [CrossRef]
- Liu, H.; Xie, X. Impedance Network Modeling and Quantitative Stability Analysis of Sub-/Super-Synchronous Oscillations for Large-Scale Wind Power Systems. IEEE Access 2018, 6, 34431–34438. [Google Scholar] [CrossRef]
- Amin, M.; Molinas, M.; Lyu, J.; Cai, X. Impact of Power Flow Direction on the Stability of VSC-HVDC Seen From the Impedance Nyquist Plot. IEEE Trans. Power Electron. 2017, 32, 8204–8217. [Google Scholar] [CrossRef]
- Song, Y.; Breitholtz, C. Nyquist Stability Analysis of an AC-Grid Connected VSC-HVDC System Using a Distributed Parameter DC Cable Model. IEEE Trans. Power Deliv. 2016, 31, 898–907. [Google Scholar] [CrossRef]
- Amin, M.; Molinas, M. Small-Signal Stability Assessment of Power Electronics Based Power Systems: A Discussion of Impedance- and Eigenvalue-Based Methods. IEEE Trans. Ind. Appl. 2017, 53, 5014–5030. [Google Scholar] [CrossRef]
- Xu, L.; Fan, L. Impedance-Based Resonance Analysis in a VSC-HVDC System. IEEE Trans. Power Deliv. 2013, 28, 2209–2216. [Google Scholar] [CrossRef]
- Rygg, A.; Molinas, M.; Unamuno, E.; Zhang, C.; Cai, X. A simple method for shifting local dq impedance models to a global reference frame for stability analysis. arXiv 2017, arXiv:1706.08313. [Google Scholar]
- Meng, X.; Zhang, Q.; Liu, Z.; Hu, G.; Liu, F.; Zhang, G. Multiple Vehicles and Traction Network Interaction System Stability Analysis and Oscillation Responsibility Identification. IEEE Trans. Power Electron. 2024, 39, 6148–6162. [Google Scholar] [CrossRef]
- Cespedes, M.; Sun, J. Impedance Modeling and Analysis of Grid-Connected Voltage-Source Converters. IEEE Trans. Power Electron. 2014, 29, 1254–1261. [Google Scholar] [CrossRef]
- Wang, H.; Chen, Y.; Wu, W.; Liao, S.; Wang, Z.; Li, G.; Xie, Z.; Guo, J. Impedance Reshaping Control Strategy for Improving Resonance Suppression Performance of a Series-Compensated Grid-Connected System. Energies 2021, 14, 2844. [Google Scholar] [CrossRef]
- Liu, B.; Li, Z.; Dong, X.; Yu, S.S.; Chen, X.; Oo, A.M.T.; Lian, X.; Shan, Z.; Liu, X. Impedance Modeling and Controllers Shaping Effect Analysis of PMSG Wind Turbines. IEEE J. Emerg. Sel. Top. Power Electron. 2021, 9, 1465–1478. [Google Scholar] [CrossRef]
- Zhang, Y.; Chen, X.; Sun, J. Sequence Impedance Modeling and Analysis of MMC in Single-Star Configuration. IEEE Trans. Power Electron. 2020, 35, 334–346. [Google Scholar] [CrossRef]
- Liu, H.; Sun, J. Voltage Stability and Control of Offshore Wind Farms With AC Collection and HVDC Transmission. IEEE J. Emerg. Sel. Top. Power Electron. 2014, 2, 1181–1189. [Google Scholar] [CrossRef]
- Wu, W.; Zhou, L.; Chen, Y.; Luo, A.; Dong, Y.; Zhou, X.; Xu, Q.; Yang, L.; Guerrero, J.M. Sequence-Impedance-Based Stability Comparison Between VSGs and Traditional Grid-Connected Inverters. IEEE Trans. Power Electron. 2019, 34, 46–52. [Google Scholar] [CrossRef]
- Cao, W.; Ma, Y.; Wang, F. Sequence-Impedance-Based Harmonic Stability Analysis and Controller Parameter Design of Three-Phase Inverter-Based Multibus AC Power Systems. IEEE Trans. Power Electron. 2017, 32, 7674–7693. [Google Scholar] [CrossRef]
- Bakhshizadeh, M.K.; Wang, X.; Blaabjerg, F.; Hjerrild, J.; Kocewiak, L.; Bak, C.L.; Hesselbæk, B. Couplings in Phase Domain Impedance Modeling of Grid-Connected Converters. IEEE Trans. Power Electron. 2016, 31, 6792–6796. [Google Scholar] [CrossRef]
- Lyu, J.; Zhang, X.; Cai, X.; Molinas, M. Harmonic State-Space Based Small-Signal Impedance Modeling of a Modular Multilevel Converter With Consideration of Internal Harmonic Dynamics. IEEE Trans. Power Electron. 2019, 34, 2134–2148. [Google Scholar] [CrossRef]
- Zong, H.; Zhang, C.; Lyu, J.; Cai, X.; Molinas, M.; Rao, F. Generalized MIMO Sequence Impedance Modeling and Stability Analysis of MMC-HVDC With Wind Farm Considering Frequency Couplings. IEEE Access 2020, 8, 55602–55618. [Google Scholar] [CrossRef]
- Xu, Z.; Li, B.; Han, L.; Hu, J.; Wang, S.; Zhang, S.; Xu, D. A Complete HSS-Based Impedance Model of MMC Considering Grid Impedance Coupling. IEEE Trans. Power Electron. 2020, 35, 12929–12948. [Google Scholar] [CrossRef]
- Ji, K.; Tang, G.; Pang, H.; Yang, J. Impedance Modeling and Analysis of MMC-HVDC for Offshore Wind Farm Integration. IEEE Trans. Power Deliv. 2020, 35, 1488–1501. [Google Scholar] [CrossRef]
- Rygg, A.; Molinas, M. Apparent Impedance Analysis: A Small-Signal Method for Stability Analysis of Power Electronic-Based Systems. IEEE J. Emerg. Sel. Top. Power Electron. 2017, 5, 1474–1486. [Google Scholar] [CrossRef]
- Gong, H.; Wang, X.; Yang, D. DQ-Frame Impedance Measurement of Three-Phase Converters Using Time-Domain MIMO Parametric Identification. IEEE Trans. Power Electron. 2021, 36, 2131–2142. [Google Scholar] [CrossRef]
- Bakhshizadeh, M.K.; Blaabjerg, F.; Hjerrild, J.; Kocewiak, L.; Bak, C.L. Improving the Impedance-Based Stability Criterion by Using the Vector Fitting Method. IEEE Trans. Energy Convers. 2018, 33, 1739–1747. [Google Scholar] [CrossRef]
- Fan, L.; Miao, Z. Time-Domain Measurement-Based DQ-Frame Admittance Model Identification for Inverter-Based Resources. IEEE Trans. Power Syst. 2021, 36, 2211–2221. [Google Scholar] [CrossRef]
- Meng, X.; Hu, G.; Liu, Z.; Wang, H.; Zhang, G.; Lin, H.; Sadabadi, M.S. Neural Network-Based Impedance Identification and Stability Analysis for Double-Sided Feeding Railway Systems. IEEE Trans. Transp. Electrif. 2024, 17, 1. [Google Scholar] [CrossRef]
- Chang, M.; Jung, Y.; Kang, S.; Jang, G. Physics-Informed Neural Network-Based VSC Back-to-Back HVDC Impedance Model and Grid Stability Estimation. Electronics 2024, 13, 2590. [Google Scholar] [CrossRef]
- Zhang, M.; Xu, Q.; Wang, X. Physics-Informed Neural Network Based Online Impedance Identification of Voltage Source Converters. IEEE Trans. Ind. Electron. 2023, 70, 3717–3728. [Google Scholar] [CrossRef]
- Zhang, C.; Mardani, M.M.; Dragičević, T. Adaptive Multi-Parameter-Tuning for Online Stabilization Control of Grid-Tied VSC: An Artificial Neural Network-Based Method. IEEE Trans. Power Deliv. 2022, 37, 3428–3431. [Google Scholar] [CrossRef]
- Li, C.; Molinas, M.; Fosso, O.B.; Qin, N.; Zhu, L. A Data-driven Approach to Grid Impedance Identification for Impedance-based Stability Analysis under Different Frequency Ranges. In Proceedings of the 2019 IEEE Milan PowerTech, Milano, Italy, 23–27 June 2019; pp. 1–6. [Google Scholar] [CrossRef]
- Xu, Y.; Zhang, M.; Fan, L.; Miao, Z. Small-Signal Stability Analysis of Type-4 Wind in Series-Compensated Networks. IEEE Trans. Energy Convers. 2020, 35, 529–538. [Google Scholar] [CrossRef]
- Wang, L.; Peng, J.; You, Y.; Ma, H. Iterative approach to impedance model for small-signal stability analysis. IET Renew. Power Gener. 2019, 13, 78–85. [Google Scholar] [CrossRef]
- Segundo-Ramírez, J.; Hernández-Ramírez, J.; Visairo-Cruz, N.; Guitiérrez, C.A.N. Finite-Difference-Impedance Method for Time-Delay Systems. IEEE Access 2022, 10, 105758–105769. [Google Scholar] [CrossRef]
- Nocedal, J.; Wright, S.J. Numerical Optimization; Springer: New York, NY, USA, 2006. [Google Scholar]
- Macfarlane, A.G.J. Multivariable Nyquist-Bode and multivariable Root-Locus techniques. In Proceedings of the 1976 IEEE Conference on Decision and Control including the 15th Symposium on Adaptive Processes, Clearwater, FL, USA, 1–3 December 1976; pp. 342–347. [Google Scholar] [CrossRef]




) and perturbation (∘) methods.
) and perturbation (∘) methods.





| Parameter | Value | Parameter | Value |
|---|---|---|---|
| 0.01 p.u. | 0.12 p.u. | ||
| 0.005 p.u. | 0.07 p.u. | ||
| 0.05 p.u. | 0.28 p.u. | ||
| 0.0016032 p.u. | 0.02088 p.u. | ||
| 0.79441 p.u. | n | 10 | |
| 1.25 p.u. | 140 p.u./s | ||
| s | s | ||
| 0.3183 p.u. | 10 p.u./s | ||
| 0.3183 p.u. | 10 p.u./s | ||
| 0.8 p.u. | 0.1 p.u. | ||
| s | 1.4 p.u. |
| FDIM | Analytic | Perturbation | |
|---|---|---|---|
| Time (s) | 0.07 | 38.12 | 4590 |
| Forward | Backward | Central | |
|---|---|---|---|
| Forward | Backward | Central | |
|---|---|---|---|
| Parameter | Value | Parameter | Value |
|---|---|---|---|
| 1.02∠15° p.u. | 1.01∠10° p.u. | ||
| 0.012 p.u. | 0.0125 p.u. | ||
| 0.22 p.u. | 0.2412 p.u. | ||
| 0.01 p.u. | 0.008 p.u. | ||
| 0.16 p.u. | 0.12 p.u. | ||
| 0.15 p.u. | 0.17 p.u. | ||
| 0.012 p.u. | 0.015 p.u. | ||
| 0.22 p.u. | 0.22 p.u. | ||
| 0.435 p.u. | 130 p.u./s | ||
| −0.435 p.u. | −130 p.u. | ||
| 1.0079 p.u. | 22 p.u./s | ||
| −2.7 p.u. | −67.5 p.u./s | ||
| −0.135 p.u. | −130 p.u./s | ||
| 0.901878 p.u. | 23 p.u./s | ||
| 0.70633 p.u./s | 126.78 p.u./s | ||
| 1 p.u. | 0 p.u. | ||
| 1.4 p.u. | 0.1 p.u. | ||
| 4 p.u. | 4 p.u. | ||
| 0.005 p.u. | 0.32 p.u. |
Disclaimer/Publisher’s Note: The statements, opinions and data contained in all publications are solely those of the individual author(s) and contributor(s) and not of MDPI and/or the editor(s). MDPI and/or the editor(s) disclaim responsibility for any injury to people or property resulting from any ideas, methods, instructions or products referred to in the content. |
© 2024 by the authors. Licensee MDPI, Basel, Switzerland. This article is an open access article distributed under the terms and conditions of the Creative Commons Attribution (CC BY) license (https://creativecommons.org/licenses/by/4.0/).
Share and Cite
Hernández-Ramírez, J.; Segundo-Ramírez, J.; Visairo-Cruz, N.; Guitiérrez, C.A.N. A Fast and Accurate Method for dq Impedance Modeling of Power Electronics Systems Based on Finite Differences. Modelling 2024, 5, 1905-1923. https://doi.org/10.3390/modelling5040099
Hernández-Ramírez J, Segundo-Ramírez J, Visairo-Cruz N, Guitiérrez CAN. A Fast and Accurate Method for dq Impedance Modeling of Power Electronics Systems Based on Finite Differences. Modelling. 2024; 5(4):1905-1923. https://doi.org/10.3390/modelling5040099
Chicago/Turabian StyleHernández-Ramírez, Julio, Juan Segundo-Ramírez, Nancy Visairo-Cruz, and C. Alberto Núñez Guitiérrez. 2024. "A Fast and Accurate Method for dq Impedance Modeling of Power Electronics Systems Based on Finite Differences" Modelling 5, no. 4: 1905-1923. https://doi.org/10.3390/modelling5040099
APA StyleHernández-Ramírez, J., Segundo-Ramírez, J., Visairo-Cruz, N., & Guitiérrez, C. A. N. (2024). A Fast and Accurate Method for dq Impedance Modeling of Power Electronics Systems Based on Finite Differences. Modelling, 5(4), 1905-1923. https://doi.org/10.3390/modelling5040099

