Transversal Vortex-Induced Vibration of a Circular Cylinder in Tandem with a Stationary Square Structure
Abstract
1. Introduction
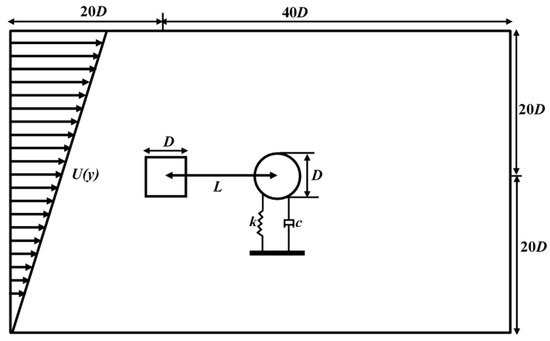
2. Materials and Methods
3. Results and Discussion
3.1. Analysis of Lock-In Peak
3.2. Analysis of Displacement and Lift Force Signals
3.3. Vortex Shedding Analysis
4. Conclusions
Author Contributions
Funding
Institutional Review Board Statement
Informed Consent Statement
Data Availability Statement
Acknowledgments
Conflicts of Interest
Nomenclature
| C | Slope of velocity profile (dimensionless) |
| CD | Drag coefficient (dimensionless) |
| CDES | Calibration constant (dimensionless) |
| CD,mean | Mean drag coefficient (dimensionless) |
| CL | Lift coefficient (dimensionless) |
| CL,RMS | Root mean square value of lift coefficient (dimensionless) |
| CM | Added mass coefficient (dimensionless) |
| D | Diameter of circular cylinder and side of square cylinder (m) |
| FDES | Blending function of DES model (dimensionless) |
| FSST | Function of SST model (dimensionless) |
| F1, F2 | Mixed functions of SST model (dimensionless) |
| f | Vibration frequency (Hz) |
| fn | Natural frequency of structure (Hz) |
| i | Index of Cartesian component |
| j | Index of Cartesian component |
| K | Shear parameter (dimensionless) |
| k | Fluctuation of turbulent kinetic energy (m2/s2) |
| ks | Stiffness coefficient of spring (N/m) |
| L | Distance between centers of upstream square cylinder and downstream circular cylinder (m) |
| Lt | Turbulent length scale (m) |
| m | Mass of structure in water (kg/m) |
| md | Mass of displaced fluid (kg/m) |
| mstr | Mass of structure (kg/m) |
| m* | Mass ratio (dimensionless) |
| p | Pressure (Pa) |
| Re | Reynolds number (dimensionless) |
| t | Time (s) |
| U | Flow velocity (m/s) |
| Centerline velocity of flow (m/s) | |
| Reduced velocity (dimensionless) | |
| Cartesian components of velocity vector (m/s) | |
| x | Horizontal coordinate (m) |
| Y | Transverse displacement of circular cylinder (m) |
| YK | Diffusion term of DES model (kg/m×s3) |
| y | Vertical coordinate (m) |
| Constant of SST model (dimensionless) | |
| Δ | Local grid map (m) |
| ζ | Damping ratio (dimensionless) |
| μ | Dynamic viscosity of fluid (Pa·s) |
| υ | Kinematic viscosity of fluid (m2/s) |
| Fluid density (kg/m3) | |
| Viscous stress vector component (Pa) | |
| ω | Specific energy dissipation rate (s−1) |
| ωn | Natural frequency of structure (rad/s) |
Appendix A









References
- Williamson, C.H.; Roshko, A. Vortex formation in the wake of an oscillating cylinder. J. Fluids Struct. 1988, 2, 355–381. [Google Scholar] [CrossRef]
- Sparks, C. Fundamentals of Marine Riser Mechanics: Basic Principles and Simplified Analyses; PennWell Books, LLC.: Tulsa, OK, USA, 2018. [Google Scholar]
- Blevins, R.D. Flow-Induced Vibration; Elsevier: New York, NY, USA, 1977. [Google Scholar]
- Stappenbelt, B.; Lalji, F.; Tan, G. Low Mass Ratio Vortex-Induced Motion; The University of Queensland: Brisbane, Australia, 2007. [Google Scholar]
- Stappenbelt, B.; Lalji, F. Vortex-induced vibration super-upper response branch boundaries. Int. J. Offshore Polar Eng. 2008, 18, ISOPE-08-18-2-099. [Google Scholar]
- Postnikov, A.; Pavlovskaia, E.; Wiercigroch, M. 2DOF CFD calibrated wake oscillator model to investigate vortex-induced vibrations. Int. J. Mech. Sci. 2017, 127, 176–190. [Google Scholar] [CrossRef]
- Griffin, O.M.; Skop, R.A.; Koopmann, G.H. The vortex-excited resonant vibrations of circular cylinders. J. Sound Vib. 1973, 31, 235-IN3. [Google Scholar] [CrossRef]
- Skop, R.A.; Griffin, O.M. On a theory for the vortex-excited oscillations of flexible cylindrical structures. J. Sound Vib. 1975, 41, 263–274. [Google Scholar] [CrossRef]
- Skop, R.A.; Luo, G. An inverse-direct method for predicting the vortex-induced vibrations of cylinders in uniform and nonuniform flows. J. Fluids Struct. 2001, 15, 867–884. [Google Scholar] [CrossRef]
- Blevins, R.D.; Coughran, C.S. Experimental investigation of vortex-induced vibration in one and two dimensions with variable mass, damping, and Reynolds number. J. Fluids Eng. 2009, 131, 101202. [Google Scholar] [CrossRef]
- Kurushina, V.; Postnikov, A.; Franzini, G.R.; Pavlovskaia, E. Optimization of the wake oscillator for transversal VIV. J. Mar. Sci. Eng. 2022, 10, 293. [Google Scholar] [CrossRef]
- Franzini, G.R.; Fujarra, A.L.C.; Meneghini, J.R.; Korkischko, I.; Franciss, R. Experimental investigation of vortex-induced vibration on rigid, smooth and inclined cylinders. J. Fluids Struct. 2009, 25, 742–750. [Google Scholar] [CrossRef]
- Gonçalves, R.T.; Rosetti, G.F.; Franzini, G.R.; Meneghini, J.R.; Fujarra, A.L.C. Two-degree-of-freedom vortex-induced vibration of circular cylinders with very low aspect ratio and small mass ratio. J. Fluids Struct. 2013, 39, 237–257. [Google Scholar] [CrossRef]
- Fan, X.; Wang, Y.; Tan, W. Aerodynamic wake oscillator for modeling flow-induced vibration of tandem cylinders with short spans. Int. J. Mech. Sci. 2021, 204, 106548. [Google Scholar] [CrossRef]
- Prasanth, T.K.; Mittal, S. Vortex-induced vibration of two circular cylinders at low Reynolds number. J. Fluids Struct. 2009, 25, 731–741. [Google Scholar] [CrossRef]
- Sumner, D. Two circular cylinders in cross-flow: A review. J. Fluids Struct. 2010, 26, 849–899. [Google Scholar] [CrossRef]
- Assi, G.R. Wake-induced vibration of tandem cylinders of different diameters. J. Fluids Struct. 2014, 50, 329–339. [Google Scholar] [CrossRef]
- Assi, G.D.S.; Meneghini, J.R.; Aranha, J.A.P.; Bearman, P.W.; Casaprima, E. Experimental investigation of flow-induced vibration interference between two circular cylinders. J. Fluids Struct. 2006, 22, 819–827. [Google Scholar] [CrossRef]
- Assi, G.R. Wake-induced vibration of tandem and staggered cylinders with two degrees of freedom. J. Fluids Struct. 2014, 50, 340–357. [Google Scholar] [CrossRef]
- Carmo, B.S.; Assi, G.R.; Meneghini, J.R. Computational simulation of the flow-induced vibration of a circular cylinder subjected to wake interference. J. Fluids Struct. 2013, 41, 99–108. [Google Scholar] [CrossRef]
- Guo, X.; Luo, Q.; Stoesser, T.; Hajaali, A.; Liu, X. Evolution of high-density submarine turbidity current and its interaction with a pair of parallel suspended pipes. Phys. Fluids 2023, 35, 086608. [Google Scholar] [CrossRef]
- Singh, S.P.; Biswas, G. Vortex induced vibrations of a square cylinder at subcritical Reynolds numbers. J. Fluids Struct. 2013, 41, 146–155. [Google Scholar] [CrossRef]
- Singh, S.P.; Mittal, S. Vortex-induced oscillations at low Reynolds numbers: Hysteresis and vortex-shedding modes. J. Fluids Struct. 2005, 20, 1085–1104. [Google Scholar] [CrossRef]
- Zhao, M.; Cheng, L.; Zhou, T. Numerical simulation of vortex-induced vibration of a square cylinder at a low Reynolds number. Phys. Fluids 2013, 25, 023603. [Google Scholar] [CrossRef]
- Zhang, C.; Tang, G.; Lu, L.; Jin, Y.; An, H.; Cheng, L. Flow-induced vibration of two tandem square cylinders at low Reynolds number: Transitions among vortex-induced vibration, biased oscillation and galloping. J. Fluid Mech. 2024, 986, A10. [Google Scholar] [CrossRef]
- Zhang, B.; Song, B.; Mao, Z.; Tian, W.; Li, B. Numerical investigation on VIV energy harvesting of bluff bodies with different cross sections in tandem arrangement. Energy 2017, 133, 723–736. [Google Scholar] [CrossRef]
- Tamimi, V.; Naeeni, S.T.O.; Zeinoddini, M. Flow induced vibrations of a sharp edge square cylinder in the wake of a circular cylinder. Appl. Ocean Res. 2017, 66, 117–130. [Google Scholar] [CrossRef]
- Annapeh, H.F.; Kurushina, V. Numerical simulation of flow-induced forces on subsea structures in a group under uniform and sheared flow. In Recent Trends in Wave Mechanics and Vibrations; Springer International Publishing: Cham, Switzerland, 2022; pp. 512–522. [Google Scholar]
- Annapeh, H.F.; Kurushina, V. Linear Sheared Flow Effects in Vortex-Induced Forces on Three Tandem Subsea Structures in Proximity to Larger Objects. In Advances in Nonlinear Dynamics, Volume I; Springer Nature: Cham, Switzerland, 2023; pp. 15–25. [Google Scholar]
- Annapeh, H.F.; Kurushina, V. Flow-Induced Forces for a Group of One Large and Several Small Structures in the Sheared Turbulent Flow. Fluids 2023, 8, 158. [Google Scholar] [CrossRef]
- Xu, W.H.; Ma, Y.X. A review on vibration control of multiple cylinders subjected to flow-induced vibrations. China Ocean Eng. 2024, 38, 183–197. [Google Scholar] [CrossRef]
- Qiu, T.; Xu, Q.; Du, X.; Zhao, Y.; Lin, W. VIV of twin square cylinders in various configurations at a low Reynolds number. Ocean Eng. 2022, 260, 112067. [Google Scholar] [CrossRef]
- Tu, J.; Zhou, D.; Bao, Y.; Ma, J.; Lu, J.; Han, Z. Flow-induced vibrations of two circular cylinders in tandem with shear flow at low Reynolds number. J. Fluids Struct. 2015, 59, 224–251. [Google Scholar] [CrossRef]
- Zhao, M.; Cheng, L. Vortex-induced vibration of a circular cylinder of finite length. Phys. Fluids 2014, 26, 015111. [Google Scholar] [CrossRef]
- Chandran, V.; Janardhanan, S.; Menon, V. Numerical study on the influence of mass and stiffness ratios on the vortex induced motion of an elastically mounted cylinder for harnessing power. Energies 2018, 11, 2580. [Google Scholar] [CrossRef]
- Narendran, K.; Murali, K.; Sundar, V. Vortex-induced vibrations of elastically mounted circular cylinder at Re of the O (105). J. Fluids Struct. 2015, 54, 503–521. [Google Scholar] [CrossRef]
- Lourenco, L.M. Characteristics of the Plane Turbulent Near Wake of a Circular Cylinder. A Particle Image Velocimetry Study. 1993. Available online: https://api.semanticscholar.org/CorpusID:210618974 (accessed on 20 September 2024).
- Wornom, S.; Ouvrard, H.; Salvetti, M.V.; Koobus, B.; Dervieux, A. Variational multiscale large-eddy simulations of the flow past a circular cylinder: Reynolds number effects. Comput. Fluids 2011, 47, 44–50. [Google Scholar] [CrossRef]
- Beaudan, P.B. Numerical Experiments on the Flow Past a Circular Cylinder at Sub-Critical Reynolds Number; Stanford University: Stanford, CA, USA, 1995. [Google Scholar]












| Grid | Re | m* | Elements | Ymax/D | CD,mean | |
|---|---|---|---|---|---|---|
| Case 1 | ||||||
| Grid 1 | 3.8 × 104 | 2.45 | 8 | 36,887 | 1.31 | |
| Grid 2 | 49,538 | 1.23 | ||||
| Grid 3 | 62,917 | 1.20 | ||||
| [35] | 3.8 × 104 | 2.45 | 8 | 70,857 | 1.219 | |
| [36] | 0.3–2.4 × 105 | 2.45 | 8 | - | 1.160 | |
| Case 2 | ||||||
| Grid 3 | 300 | 2 | 6 | 62,917 | 0.636 | |
| [34] | 300 | 2 | 6 | - | 0.650 | |
| Case 3 | ||||||
| Grid 3 | 3900 | 62,917 | 0.955 | |||
| [37] | 3900 | - | 0.985 | |||
| [38] | 3900 | - | 0.990 | |||
| [39] | 3900 | - | 0.920 |
Disclaimer/Publisher’s Note: The statements, opinions and data contained in all publications are solely those of the individual author(s) and contributor(s) and not of MDPI and/or the editor(s). MDPI and/or the editor(s) disclaim responsibility for any injury to people or property resulting from any ideas, methods, instructions or products referred to in the content. |
© 2024 by the authors. Licensee MDPI, Basel, Switzerland. This article is an open access article distributed under the terms and conditions of the Creative Commons Attribution (CC BY) license (https://creativecommons.org/licenses/by/4.0/).
Share and Cite
Annapeh, H.F.; Kurushina, V. Transversal Vortex-Induced Vibration of a Circular Cylinder in Tandem with a Stationary Square Structure. Appl. Mech. 2024, 5, 978-996. https://doi.org/10.3390/applmech5040054
Annapeh HF, Kurushina V. Transversal Vortex-Induced Vibration of a Circular Cylinder in Tandem with a Stationary Square Structure. Applied Mechanics. 2024; 5(4):978-996. https://doi.org/10.3390/applmech5040054
Chicago/Turabian StyleAnnapeh, Henry Francis, and Victoria Kurushina. 2024. "Transversal Vortex-Induced Vibration of a Circular Cylinder in Tandem with a Stationary Square Structure" Applied Mechanics 5, no. 4: 978-996. https://doi.org/10.3390/applmech5040054
APA StyleAnnapeh, H. F., & Kurushina, V. (2024). Transversal Vortex-Induced Vibration of a Circular Cylinder in Tandem with a Stationary Square Structure. Applied Mechanics, 5(4), 978-996. https://doi.org/10.3390/applmech5040054
