Cost-Efficient Pipelined Modular Polynomial Multiplier for Post-Quantum Cryptography Saber
Abstract
1. Introduction
- (1)
- Serial input and serial output (SISO): The coefficients of two polynomials are input serially. One coefficient of the multiplicand and one coefficient of the multiplier are input simultaneously by one clock cycle. The coefficient of the product is output serially. The first coefficient of the product will be generated and output after 256 clock cycles (n = 256). The input pins and output pins are reduced dramatically with SISO.
- (2)
- Simple process element (PE) design: Each PE only includes two arithmetic operations: modular addition and modular multiplication, except the first PE, which only performs modular multiplication. In total, 256 simple PEs are required in the architecture. The PEs are repeatedly used to calculate the partial product to save hardware cost.
- (3)
- Pipelined architecture: The product coefficient will be generated through the pipelined architecture. In total, 256 clock cycles are needed to generate all the product coefficients.
- (4)
- Cost-efficient design: The proposed architecture has been synthesized with the target on a Virtex UltraScale + xcu200-fsgd2104-2-e board. It only costs 11,499 LUTs, 7034 FFs and 32 IOs. The number of equivalent slices and the product of area and latency have been reduced dramatically compared to the previous designs.
2. Cost-Efficient Pipelined Architecture for Modular Polynomial Multiplication
| Algorithm 1 Serial-input serial-output pipelined modular polynomial multiplier |
| Input: s[255:0] 4 bit array, a[255:0] 13 bit array, clock, reset Output: p[255:0] p = a(x) s(x) mod (x256 + 1) // SR[256:0] Shifter Registers, R[255:0] Register, PR[255:0] Pipeline Registers If Reset SR[256:0] = 0, R[255:0] = 0; Else At each clock cycle, do {Input one coefficient of s(x) (beginning from MSB) to SR[0]; Input one coefficient of a(x) (beginning from LSB) to the specified location of R; Shift SR to right by 4 bits; If (clock counter > 256) m_output = −SR[256]; // change the sign of SR[256] Else m_output = SR[0]; PE[0] = m_output * R[0] mod q; PR[0] = PE[0]; For (i = 1; i < 256; i++) { PE[i] = (m_output * R[i] + PE[i − 1]) mod q; PR[i] = PE[i] } } Output p[j] = PR[255] serially after 256 clock cycles (j is from 255 to 0, MSB of p(x) output first) |
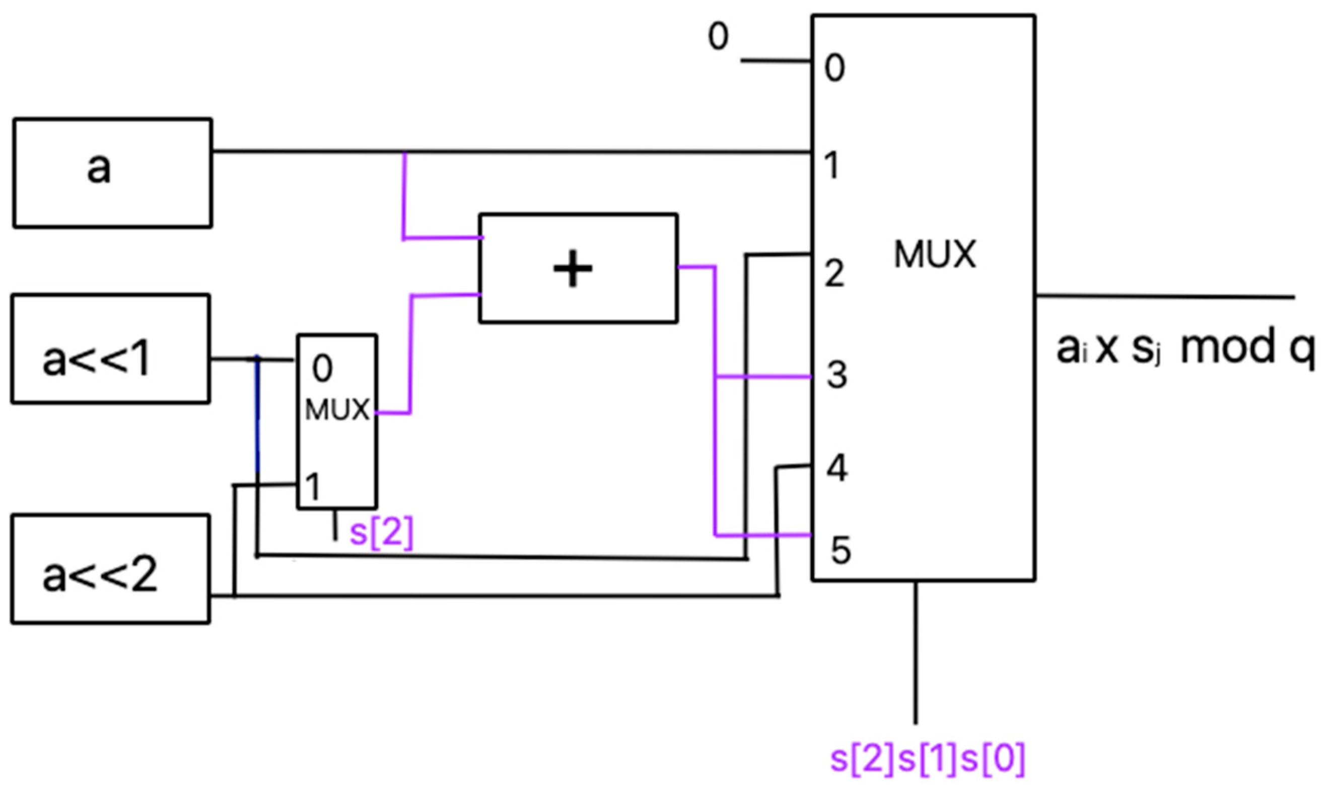
| Algorithm 2 Modular multiplier [20] |
| Input: a: 13 bit number, s: 4 bit sign-magnitude number with s[3] as the sign bit and the following bits as the absolute value of s Output: a · s modulo q, s[3]. r0 = 0 r1 = a, r2 = a << 1, r3 = a + r2, r4 = r2 << 1 r5 = a + r2 reurn r_k and s[3], where k = s[2]s[1]s[0] |
3. Performance and Comparison
4. Conclusions
Funding
Data Availability Statement
Conflicts of Interest
References
- Gibney, E. Quantum gold rush: The private funding pouring into quantum start-ups. Nature 2019, 574, 22–24. [Google Scholar] [CrossRef]
- Kim, Y.; Eddins, A.; Anand, S.; Wei, K.X.; Berg, E.v.D.; Rosenblatt, S.; Nayfeh, H.; Wu, Y.; Zaletel, M.; Temme, K.; et al. Evidence for the utility of quantum computing before fault tolerance. Nature 2023, 618, 500–505. [Google Scholar] [CrossRef]
- Ryan, M.; Davis, R.; Janechek, J.; Letzter, R. You Need 100 Qubits to Accelerate Discovery with Quantum. October 2023. Available online: https://www.ibm.com/quantum/blog/100-qubit-utility (accessed on 17 February 2025).
- Ryan, M. A New Paper from IBM and UC Berkeley Shows a Path Toward Useful Quantum Computing. June 2023. Available online: https://www.ibm.com/quantum/blog/utility-toward-useful-quantum (accessed on 17 February 2025).
- Morvan, A.; Villalonga, B.; Mi, X.; Mandrà, S.; Bengtsson, A.; Klimov, P.V.; Chen, Z.; Hong, S.; Erickson, C.; Drozdov, I.K.; et al. Phase transitions in random circuit sampling. Nature 2024, 634, 328–333. [Google Scholar] [CrossRef] [PubMed]
- Garisto, D. Google Uncovers How Quantum Computers Can Beat Today’s Best Supercomputers. October 2024. Available online: https://www.nature.com/articles/d41586-024-03288-3 (accessed on 17 February 2025).
- National Institute of Standards and Technology. Module-Lattice-Based Key-Encapsulation Mechanism Standard. FIPS 203. August 2024. Available online: https://nvlpubs.nist.gov/nistpubs/FIPS/NIST.FIPS.203.pdf (accessed on 17 February 2025).
- National Institute of Standards and Technology. Module-Lattice-Based Digital Signature Standard. FIPS 204. August 2024. Available online: https://nvlpubs.nist.gov/nistpubs/FIPS/NIST.FIPS.204.pdf (accessed on 17 February 2025).
- National Institute of Standards and Technology. Stateless Hash-Based Digital Signature Standard. FIPS 205. August 2024. Available online: https://nvlpubs.nist.gov/nistpubs/FIPS/NIST.FIPS.205.pdf (accessed on 17 February 2025).
- Avanzi, R.; Bos, J.; Ducas, L.; Kiltz, E.; Lepoint, T.; Lyubashevsky, V.; Schanck, J.; Schwabe, P.; Seiler, G.; Damien Stehlé, D. CRYSTALS-Kyber Algorithm Specifications. August 2021. Available online: https://pq-crystals.org/kyber/data/kyber-specification-round3-20210804.pdf (accessed on 17 February 2025).
- Basso, A.; Mera, J.; D’Anvers, J.-P.; Karmakar, A.; Roy, S.; Beirendonck, M.; Vercauteren, F. SABER: Mod-LWR Based KEM. June 2021. Available online: https://www.esat.kuleuven.be/cosic/pqcrypto/saber/files/saberspecround3.pdf (accessed on 17 February 2025).
- Feng, X.; Li, S.; Xu, S. RLWE-Oriented High-Speed Polynomial Multiplier Utilizing Multi-Lane Stockham NTT Algorithm. IEEE Trans. Circuits Syst. II Express Briefs 2020, 67, 556–559. [Google Scholar] [CrossRef]
- Li, M.; Tian, J.; Hu, X.; Wang, Z. Reconfigurable and High-Efficiency Polynomial Multiplication Accelerator for CRYSTALS-Kyber. IEEE Trans. Comput.-Aided Des. Integr. Circuits Syst. 2023, 42, 2540–2551. [Google Scholar] [CrossRef]
- Mert, A.C.; Ozturk, E.; Savas, E. Design and Implementation of a Fast and Scalable NTT-Based Polynomial Multiplier Architecture. In Proceedings of the 2019 22nd Euromicro Conference on Digital System Design (DSD), Kallithea, Greece, 28–30 August 2019; pp. 253–260. [Google Scholar] [CrossRef]
- Tan, W.; Wang, A.; Zhang, X.; Lao, Y.; Parhi, K.K. High-Speed VLSI Architectures for Modular Polynomial Multiplication via Fast Filtering and Applications to Lattice-Based Cryptography. IEEE Trans. Comput. 2023, 72, 2454–2466. [Google Scholar] [CrossRef]
- Wang, J.; Yang, C.; Zhang, F.; Hou, J.; Meng, Y.; Xiang, S.; Su, Y. A High-Throughput and Scalable Schoolbook Polynomial Multiplier for Accelerating Saber on FPGA Using a Novel Winograd-Based Architecture. IEEE Trans. Circuits Syst. II Express Briefs 2024, 71, 2344–2348. [Google Scholar] [CrossRef]
- Zhu, Y.; Zhu, M.; Yang, B.; Zhu, W.; Deng, C.; Chen, C.; Wei, S.; Liu, L. LWRpro: An energy-efficient configurable crypto-processor for Module-LWR. IEEE Trans. Circuits Syst. I Regul. Pap. 2021, 68, 1146–1159. [Google Scholar] [CrossRef]
- Mera, J.M.B.; Turan, F.; Karmakar, A.; Roy, S.S.; Verbauwhede, I. Compact domain-specific co-processor for accelerating module lattice based KEM. In Proceedings of the 57th ACM/IEEE Design Automation Conference (DAC), San Francisco, CA, USA, 20–24 July 2020; pp. 1–6. [Google Scholar]
- Wong, Z.-Y.; Wong, D.C.-K.; Lee, W.-K.; Mok, K.-M.; Yap, W.-S.; Khalid, A. KaratSaber: New Speed Records for Saber Polynomial Multiplication Using Efficient Karatsuba FPGA Architecture. IEEE Trans. Comput. 2023, 72, 1830–1842. [Google Scholar] [CrossRef]
- Roy, S.S.; Basso, A. High-speed Instruction-set Coprocessor for Lattice-based Key Encapsulation Mechanism: Saber in Hardware. IACR Trans. Cryptogr. Hardw. Embed. Syst. 2020, 2020, 443–466. [Google Scholar]
- Alkim, E.; Bos, J.; Ducas, L.; Longa, P.; Mironov, I.; Naehrig, M.; Nikolaenko, V.; Peikert, C.; Raghunathan, A.; Stebila, D. FrodoKEM Learning with Errors Key Encapsulation. June 2021. Available online: https://frodokem.org/files/FrodoKEM-specification-20210604.pdf (accessed on 17 February 2025).
- Albrecht, M.; Cid, C.; Paterson, K.; Tjhai, C.; Tomlinson, M. NTS-KEM. November 2019. Available online: https://drive.google.com/file/d/1N3rv4HKCt9yU4xn6wuepsBUrfQW8cuFy/view (accessed on 17 February 2025).
- Alkim, E.; Avanzi, R.; Bos, J.; Ducas, L.; Piedra, A.; Pöppelmann, T.; Schwabe, P.; Stebila, D. NewHope Algorithm Specifications. April 2020. Available online: https://newhopecrypto.org/data/NewHope_2020_04_10.pdf (accessed on 17 February 2025).
- Chen, C.; Danba, O.; Hoffstein, J.; Hülsing, A.; Rijneveld, J.; Schanck, J.; Schwabe, P.; Whyte, W.; Zhang, A. NTRU Algorithm Specifications. March 2019. Available online: https://ntru.org/f/ntru-20190330.pdf (accessed on 17 February 2025).



| x14 | x13 | x12 | x11 | x10 | x9 | x8 | x7 | x6 | x5 | x4 | x3 | x2 | x | 1 |
|---|---|---|---|---|---|---|---|---|---|---|---|---|---|---|
| a7s7 | a6s7 | a5s7 | a4s7 | a3s7 | a2s7 | a1s7 | a0s7 | |||||||
| a7s6 | a6s6 | a5s6 | a4s6 | a3s6 | a2s6 | a1s6 | a0s6 | |||||||
| a7s5 | a6s5 | a5s5 | a4s5 | a3s5 | a2s5 | a1s5 | a0s5 | |||||||
| a7s4 | a6s4 | a5s4 | a4s4 | a3s4 | a2s4 | a1s4 | a0s4 | |||||||
| a7s3 | a6s3 | a5s3 | a4s3 | a3s3 | a2s3 | a1s3 | a0s3 | |||||||
| a7s2 | a6s2 | a5s2 | a4s2 | a3s2 | a2s2 | a1s2 | a0s2 | |||||||
| a7s1 | a6s1 | a5s1 | a4s1 | a3s1 | a2s1 | a1s1 | a0s1 | |||||||
| a7s0 | a6s0 | a5s0 | a4s0 | a3s0 | a2s0 | a1s0 | a0s0 |
| Clock | x7 | x6 | x5 | x4 | x3 | x2 | x | 1 |
|---|---|---|---|---|---|---|---|---|
| 0 | a0s7 | |||||||
| 1 | a1s6 | a0s6 | ||||||
| 2 | a2s5 | a1s5 | a0s5 | |||||
| 3 | a3s4 | a2s4 | a1s4 | a0s4 | ||||
| 4 | a4s3 | a3s3 | a2s3 | a1s3 | a0s3 | |||
| 5 | a5s2 | a4s2 | a3s2 | a2s2 | a1s2 | a0s2 | ||
| 6 | a6s1 | a5s1 | a4s1 | a3s1 | a2s1 | a1s1 | a0s1 | |
| 7 | a7s0 | a6s0 | a5s0 | a4s0 | a3s0 | a2s0 | a1s0 | a0s0 |
| 8 | −a7s7 | −a6s7 | −a5s7 | −a4s7 | −a3s7 | −a2s7 | −a1s7 | |
| 9 | −a7s6 | −a6s6 | −a5s6 | −a4s6 | −a3s6 | −a2s6 | ||
| 10 | −a7s5 | −a6s5 | −a5s5 | −a4s5 | −a3s5 | |||
| 11 | −a7s4 | −a6s4 | −a5s4 | −a4s4 | ||||
| 12 | −a7s3 | −a6s3 | −a5s3 | |||||
| 13 | −a7s2 | −a6s2 | ||||||
| 14 | −a7s1 |
| Device | LUT | FF | DSP | BRAM | Latency | Equivalent Slice | ATP | |
|---|---|---|---|---|---|---|---|---|
| This work | UltraScale+ | 11,499.00 | 7034.00 | 0 | 0 | 1.02 | 1820.69 | 1.86 |
| Tan [15] | UltraScale+ | 16,917.00 | 8755.00 | 0 | 0 | 2.04 | 2588.51 | 5.28 |
| Roy [20] | UltraScale+ | 17,406.00 | 5083.00 | 0 | 0 | 1.02 | 2418.63 | 2.47 |
| Zhu [17] | UltraScale+ | 13,954.00 | 3943.00 | 85 | 0 | 0.81 | 10,634.97 | 8.61 |
| Mera [18] | Artix-7 | 7400.00 | 7331.00 | 38 | 2 | 10.3 | 5624.89 | 57.94 |
| Wong [19] | UltraScale+ | 87,642.00 | 59,170.00 | 0 | 0 | 0.25 | 14,213.77 | 3.55 |
Disclaimer/Publisher’s Note: The statements, opinions and data contained in all publications are solely those of the individual author(s) and contributor(s) and not of MDPI and/or the editor(s). MDPI and/or the editor(s) disclaim responsibility for any injury to people or property resulting from any ideas, methods, instructions or products referred to in the content. |
© 2025 by the author. Licensee MDPI, Basel, Switzerland. This article is an open access article distributed under the terms and conditions of the Creative Commons Attribution (CC BY) license (https://creativecommons.org/licenses/by/4.0/).
Share and Cite
Li, H. Cost-Efficient Pipelined Modular Polynomial Multiplier for Post-Quantum Cryptography Saber. Quantum Rep. 2025, 7, 10. https://doi.org/10.3390/quantum7010010
Li H. Cost-Efficient Pipelined Modular Polynomial Multiplier for Post-Quantum Cryptography Saber. Quantum Reports. 2025; 7(1):10. https://doi.org/10.3390/quantum7010010
Chicago/Turabian StyleLi, Hua. 2025. "Cost-Efficient Pipelined Modular Polynomial Multiplier for Post-Quantum Cryptography Saber" Quantum Reports 7, no. 1: 10. https://doi.org/10.3390/quantum7010010
APA StyleLi, H. (2025). Cost-Efficient Pipelined Modular Polynomial Multiplier for Post-Quantum Cryptography Saber. Quantum Reports, 7(1), 10. https://doi.org/10.3390/quantum7010010
