Grinding and Mixing Uniformity in a Feed Preparation Device with Four-Sided Jagged Hammers and Impact-Mixing Mechanisms
Abstract
1. Introduction
2. Materials and Methods
3. Results and Discussion
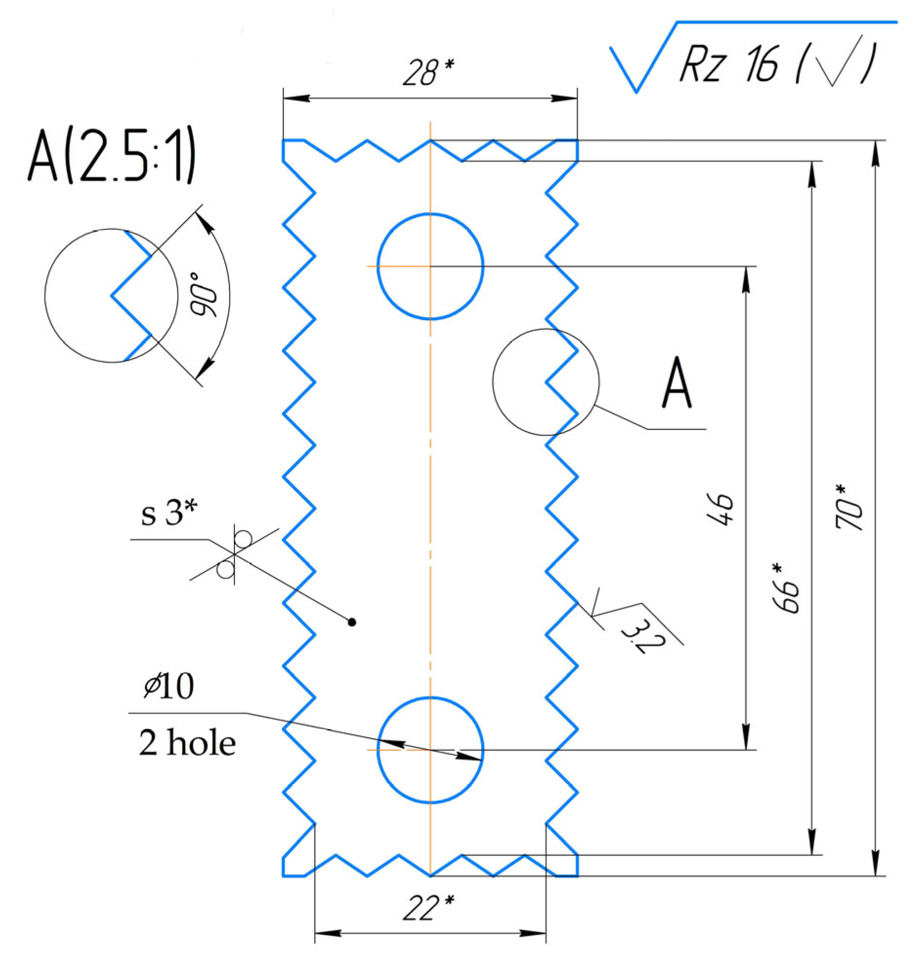
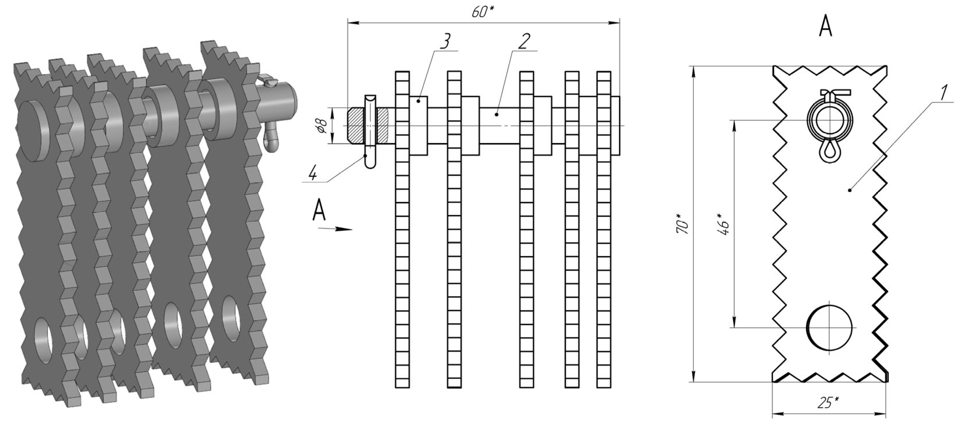
3.1. Theoretical Research on the Development of Four-Sided Serrated Hammers of the Hammer Mill of the Feed Preparation Device
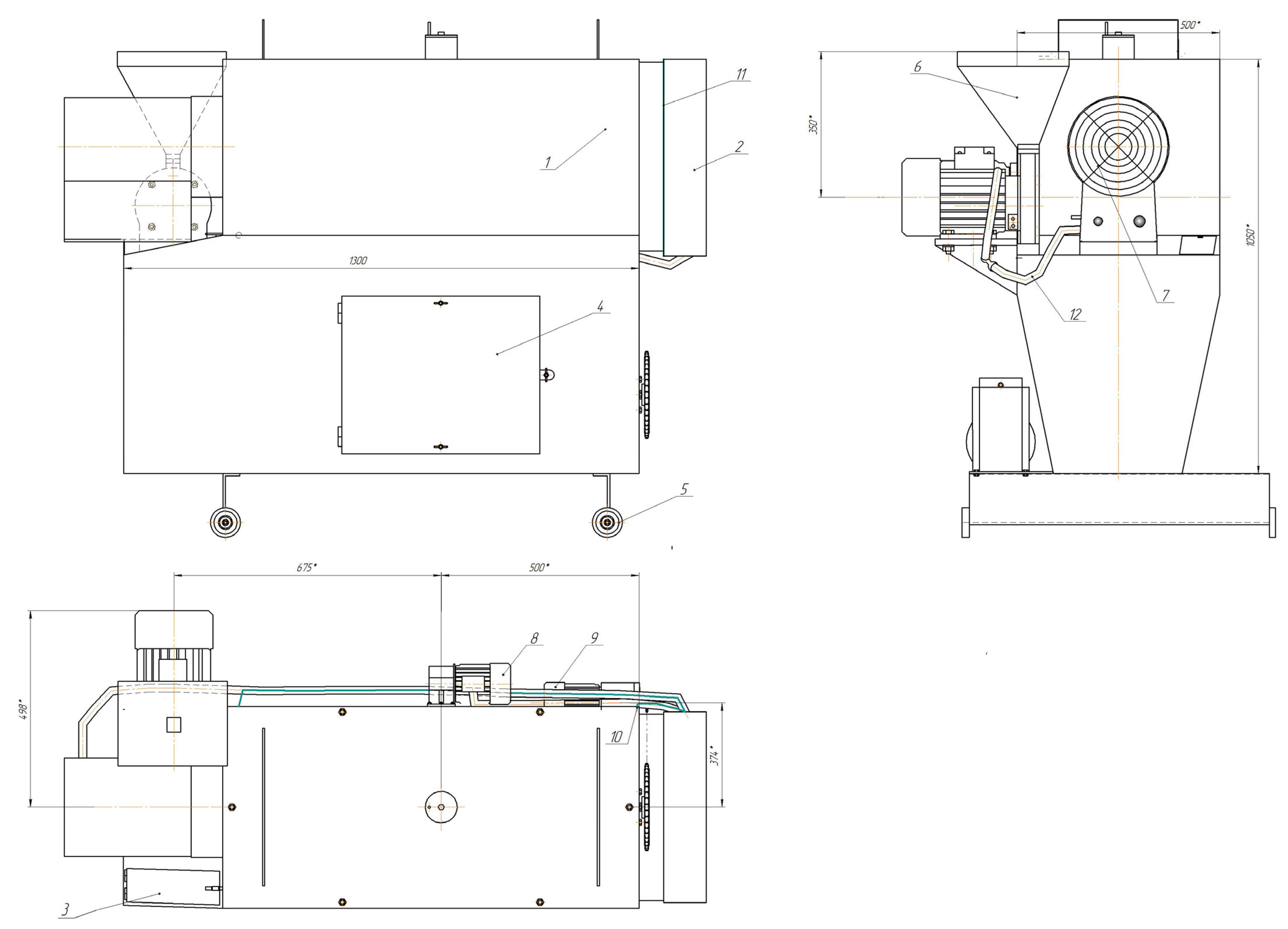
3.2. Design of a Forage Preparation Device with Four-Sided Serrated Hammers, an Auger and a Striking-Finger Shaft
3.3. Results of Determining the Size of Crushed Grain Waste Particles and the Homogeneity of the Feed Mass Obtained in a Feed Preparation Device
4. Conclusions
Author Contributions
Funding
Data Availability Statement
Conflicts of Interest
References
- Iskakov, R.М.; Iskakova, A.M.; Nurushev, M.Z.; Khaimuldinova, A.K.; Karbayev, N.K. Method for the Production of Fat from Raw Materials and Animal Waste. J. Pure Appl. Microbiol. 2021, 15, 716–724. [Google Scholar] [CrossRef]
- Iskakov, R.М.; Mamirbaeva, I.K.; Gulyarenko, A.A.; Silaev, M.Y.; Gusev, A.S. Improved Hammers for Crushers in Feed Production. Russ. Eng. Res. 2022, 42, 987–992. [Google Scholar] [CrossRef]
- Abilzhanuly, T.; Iskakov, R.; Abilzhanov, D.; Gulyarenko, A.; Khan, V. Justification of Parameters of Impact-Spreading Finger Shaft for Grinder-Mixer-Dryer Using the Example of Eggshells. East. Eur. J. Enterp. Technol. 2024, 3, 33–44. [Google Scholar] [CrossRef]
- Krolczyk, J.B.; Rezwiakow, A.; Tukiendorf, M. Mixing of biomass and coal in a static mixer as an example of technological solutions involving implementation of renewable energy sources. Ecol. Chem. Eng. S 2014, 4, 685–696. [Google Scholar] [CrossRef]
- Mansour, W.; Melekhin, D.; Pasko, A. Continuous Production of Multicomponent Powder Mixtures. International Scientific Practical Conference Materials Science, Shape-Generating Technologies and Equipment. Серия книг MATEC Web Conf. 2020, 315, 04003. [Google Scholar] [CrossRef]
- Hastie, D.B. On the Difficulties of Sampling Bulk Powder Blends in Determining Segregation Propensity—A Case Study. Powder Technol. 2015, 286, 164–171. [Google Scholar] [CrossRef]
- Liu, B.Q.; Sun, N.; Jin, Z.J.; Zhang, Y.K.; Sunden, B. Numerical Investigation and Estimating Correlation of Micromixing Performance of Coaxial Mixers. Ind. Eng. Chem. Res. 2019, 58, 22376–22388. [Google Scholar] [CrossRef]
- Li, X.N.; Yang, L.; Guo, J.H.; Li, W.; Zhou, M.L.; Zhang, J.L. Micromixing Performance of the Teethed High Shear Mixer Under Semi-Batch Operation. Front. Chem. Sci. Eng. 2021, 16, 546–559. [Google Scholar] [CrossRef]
- Saensukjaroenphon, M.; Jones, C.K.; Fahrenholz, C.H.; Stark, C.R. The Effect of Extended Mix Times and Sample Preparation with Different Salt Particle Sizes on The Uniformity of Mix of a Corn-SBM Swine Diet. Trans. Asabe 2018, 61, 743–746. [Google Scholar] [CrossRef]
- Solongo, T.; Nyamgerel, B.; Baatarkhuu, D. Results of Optimazing the Technological Parameters of a Total Mixed Ratio (TMR) Machine. Inmateh-Agric. Eng. 2022, 67, 176–181. [Google Scholar] [CrossRef]
- Khmelovskyi, V.; Otchenashko, V.; Voloshyn, S.; Pinchevska, O. Providing Processes of Preparation and Distribution of Feed for Cattle on Animal Husbandry Farms. In Proceedings of the 19-th International Scientific Conference Engineering for Rural Development, Jelgava, Latvia, 20–22 May 2020; pp. 778–783. [Google Scholar] [CrossRef]
- Markochev, V.M.; Alymov, M.I. On the Brittle Fracture Theory by Ya. Frenkel and A. Griffith. Chebyshevskii Sb. 2017, 18, 381–393. [Google Scholar] [CrossRef]
- Bonet, J.; Gil, A.J. Mathematical Models of Supersonic and Intersonic Crack Propagation in Linear Elastodynamics. Int. J. Fract. 2021, 229, 55–75. [Google Scholar] [CrossRef]
- Kupchuk, I.M.; Solona, O.V.; Derevenko, I.A.; Tverdokhlib, I.V. Verification of the Mathematical Model of the Energy Consumption Drive for Vibrating Disc Crusher. Inmateh-Agric. Eng. 2018, 55, 113–120. Available online: https://www.researchgate.net/publication/328293822_Verification_of_the_mathematical_model_of_the_energy_consumption_drive_for_vibrating_disc_crusher (accessed on 1 January 2020).
- Savinyh, P.; Isupov, A.; Ivanov, I.; Ivanovs, S. Research in Сentrifugal Rotary Grinder of Forage Grain. Eng. Rural. Dev. 2021, 20, 205–211. [Google Scholar]
- Double Ended Hammer Mill Hammer. Available online: https://g3hammers.com/product/double-ended-hammer-mill-hammer/ (accessed on 10 April 2017).
- Bian, W.L.; Rong, S.F.; Zhu, Y.C.; Zhou, H.T. Research and Application of Dual Liquid Bimetal Composite Casting Hammer. Appl. Mech. Mater. 2012, 271–272, 268–271. [Google Scholar] [CrossRef]
- Zhang, J.; Feng, B.; Guo, L.; Kong, L.; Zhao, C.; Yu, X.; Luo, W.; Kan, Z. Performance test and Process Parameter Optimization of 9FF Type Square Bale Straw Crusher. Int. J. Agric. Biol. Eng. 2021, 14, 232–240. [Google Scholar] [CrossRef]
- Li, H.; Jiang, S.; Zeng, R.; Geng, J.; Niu, Z. Numerical Simulation and Analysis of the Airflow Field in the Crushing Chamber of the Hammer Mill. Acs Omega 2024, 9, 32674–32686. [Google Scholar] [CrossRef] [PubMed]
- Abilzhanuly, T.; Iskakov, R.; Abilzhanov, D.; Darkhan, O. Determination of the Average Size of Preliminary Grinded Wet Feed Particles in Hammer Grinders. East. Eur. J. Enterp. Technol. 2023, 1, 34–43. [Google Scholar] [CrossRef]
- Moiceanu, G.; Voicu, G.; Paraschiv, G.; Vladut, V.; Cardei, P.; Dinca, M. Relationships analysis between the grinding parameters of miscanthus giganteus stalks using a hammer mill. In Proceedings of the 47-th International Symposium on Agricultural Engineering, Opatija, Croatia, 5–7 March 2019; Kovacěv, I., Bilandžija, N., Eds.; University of Zagreb, Faculty of Agriculture: Zagreb, Croatia, 2019; pp. 399–407. [Google Scholar]
- Moiceanu, G.; Chitoiu, M.; Voicu, G.; Paraschiv, G.; Vladut, V.; Gageanu, I.; Dinca, M. Comparison between Miscanthus and willow energy consumption during grinding. In Proceedings of the 46-th International Symposium on Agricultural Engineering, Opatija, Croatia, 27 February–1 March 2018; University of Zagreb, Faculty of Agriculture: Opatija, Croatia, 2018; pp. 369–378. [Google Scholar]
- Viňáš, J.; Brezinová, J.; Brezina, J.; Hermel, P. Innovation of Biomass Crusher by Application of Hardfacing Layers. Metals 2021, 11, 1283. [Google Scholar] [CrossRef]
- Wang, D.; Tian, H.; Zhang, T.; He, C.; Liu, F. DEM Simulation and Experiment of Corn Grain Grinding Process. Eng. Agric. 2021, 41, 559–566. [Google Scholar] [CrossRef]
- Mou, X.; Wan, F.; Wu, J.; Luo, Q.; Xin, S.; Ma, G.; Zhou, X.; Huang, X.; Peng, L. Simulation Analysis and Multiobjective Optimization of Pulverization Process of Seed-Used Watermelon Peel Pulverizer Based on EDEM. Agriculture 2024, 14, 308. [Google Scholar] [CrossRef]
- Soonnam, B. The Device of the Mixing Part of the Grinder of Food Waste. Kazakhstan Patent KR10-1026463, 2011. [Google Scholar]
- Awasthi, K.S.; Gopireddy, S.R.; Scherließ, R.; Urbanetz, N.A. Numerical Investigation of Screw Design Influence on Screw Feeding in a Roller Compactor. In Proceedings of the 6th International Conference on Particle-Based Methods. Fundamentals and Applications, Particles, Barcelona, Spain, 28–30 October 2019; pp. 444–455. [Google Scholar]
- Vasilenko, V.N.; Frolova, L.N.; Mikhailova, N.A.; Dragan, I.V. Innovative Technology to Obtain Forage Flour from Keratin-containing Waste by Extrusion. IOP Conf. Ser. Earth Environ. Sci. 2021, 640, 022010. [Google Scholar] [CrossRef]
- Deng, R.; Tan, Y.Q.; Zhang, H.; Xiao, X.W.; Jiang, S.Q. Experimental and DEM Studies on the Transition of Axial Segregation in a Truck Mixer. Powder Technol. 2017, 314, 148–163. [Google Scholar] [CrossRef]
- Kirchner, A.; Feil, A.; Colovic, R.; Vukmirovic, D.; Levic, J. Discontinuous Addition of Small Volumes of Liquids in an Intensive Mixer to Animal Supplement Feed with Different Particle Size Distributions. Powder Technol. 2013, 239, 358–365. [Google Scholar] [CrossRef]
- Sin, T.Y.; Asnawi, S.; Norashikin, A.A.; Mohd, S.A.; Yus, A.Y.; Farah, S.T. The Influence of Operational Parameters and Feed Preparation in a Convective Batch Ribbon Powder Mixer. Drug Des. Dev. Ther. 2011, 5, 465–469. [Google Scholar]
- GOST 2.601-2006; Unified System of Design Documentation. Operational Documents. Standartinform: Moscow, Russia, 2006; 36p. (In Russian)
- Gernet, M.M. Course in Theoretical Mechanics; Murphy Higher School: Mobile, Alabama, 1973; 402p. (In Russian) [Google Scholar]
- ST RK ISO 4254-1-2011; Agricultural Machinery. Safety. Part 1. General Requirements. Committee for Technical Regulation and Metrology: Astana, Kazakhstan, 2011; 39p. (In Russian)
- Ventzel, E.S. Probability Theory: A Textbook for Universities, 7th ed.; Murphy Higher School: Mobile, Alabama, 2001; 575p. (In Russian) [Google Scholar]
- Iskakov, R.M. Feed Production Line. Application reg. number 2023/0026.1, 17 January 2023. Patent for invention of the Republic of Kazakhstan No. 36774 “Feed production line”, 19 July 2024. (In Russian). [Google Scholar]











| Sample No. | Size of Sieve Holes, mm | Residue Mass, g | Residue on Sieve, % |
|---|---|---|---|
| 1 | 3.55 | 0.6 | 2.98 |
| 2 | 5.56 | 27.59 | |
| 1 | 7.07 | 35.09 | |
| bottom | 6.92 | 34.34 | |
| Total mass | 20.15 | 100 | |
| 2 | 3.55 | 0.2 | 0.99 |
| 2 | 5.67 | 28.14 | |
| 1 | 8.7 | 43.18 | |
| bottom | 5.58 | 27.69 | |
| Total mass | 20.15 | 100 | |
| 3 | 3.55 | 0.34 | 1.69 |
| 2 | 5.79 | 28.73 | |
| 1 | 8.91 | 44.22 | |
| bottom | 5.11 | 25.36 | |
| Total mass | 20.15 | 100 |
| Sample No. | ms, Mass of Average Sample with Cont.Com., g | mn, Net Weight, g | mк, Mass of Control Component, g | msm, Average Sample Weight | (msm − mк) | (msm − mк)2 |
|---|---|---|---|---|---|---|
| 1 | 445.9 | 419.8 | 26.1 | 22.706 | 0 | 0 |
| 2 | 413.1 | 378.1 | 35 | 33.807 | 0 | 0 |
| 3 | 463.7 | 420.1 | 43.6 | 37.904 | 0 | 0 |
| 4 | 388.2 | 345 | 43.2 | 45.731 | 2.531 | 6.406 |
| 5 | 406.3 | 371.9 | 34.4 | 33.782 | 0 | 0 |
| 6 | 500.91 | 447.51 | 53.4 | 43.58 | 0 | 0 |
| 7 | 403.7 | 362.7 | 41 | 41.284 | 0.284 | 0.081 |
| 8 | 325.7 | 289.8 | 35.9 | 45.242 | 9.342 | 87.273 |
| 9 | 295.55 | 262.55 | 33 | 45.904 | 12.904 | 166.513 |
| 10 | 407.3 | 354.7 | 52.6 | 54.159 | 1.559 | 2.430 |
| average = 365.216 | average = 39.82 | average = 40.41 | Sum = 262.703 |
| Sample No. | ms, Mass of Average Sample with Cont.Com., g | mn, Net Weight, g | mк, Mass of Control Component, g | msm, Average Sample Weight | (msm − mк) | (msm − mк)2 |
|---|---|---|---|---|---|---|
| 1 | 321.32 | 291.7 | 29.62 | 38.471 | 8.851 | 78.34 |
| 2 | 395.79 | 358.51 | 37.28 | 39.397 | 2.117 | 4.482 |
| 3 | 568.4 | 531.3 | 37.1 | 26.456 | 0 | 0 |
| 4 | 411.4 | 375.8 | 35.6 | 35.89 | 0.29 | 0.084 |
| 5 | 325.5 | 301.4 | 24.1 | 30.294 | 6.194 | 38.366 |
| 6 | 430.8 | 399.8 | 31 | 29.377 | 0 | 0 |
| 7 | 455.36 | 421.73 | 33.63 | 30.212 | 0 | 0 |
| 8 | 491.04 | 449.75 | 41.29 | 34.782 | 0 | 0 |
| 9 | 371.9 | 337.9 | 34 | 38.122 | 4.122 | 16.991 |
| 10 | 351.3 | 320.8 | 30.5 | 36.02 | 5.52 | 30.47 |
| average = 378.869 | average = 12.858 | average = 33.902 | Sum = 168.649 |
| Sample No. | ms, Mass of Average Sample With Cont.Com., g | mn, Net Weight, g | mк, Mass of Control Component, g | msm, Average Sample Weight | (msm − mк) | (msm − mк)2 |
|---|---|---|---|---|---|---|
| 1 | 354.09 | 322.05 | 32.04 | 25.239 | 0 | 0 |
| 2 | 344.09 | 305.29 | 38.8 | 32.242 | 0 | 0 |
| 3 | 381.35 | 345.49 | 35.86 | 26.331 | 0 | 0 |
| 4 | 336.17 | 296.22 | 39.95 | 34.214 | 0 | 0 |
| 5 | 281.96 | 235.73 | 46.23 | 49.751 | 3.521 | 12.397 |
| 6 | 298.9 | 246.86 | 52.04 | 53.479 | 1.439 | 2.071 |
| 7 | 255.48 | 229.61 | 25.87 | 28.583 | 2.713 | 7.360 |
| 8 | 113.25 | 106.25 | 7 | 16.713 | 9.713 | 94.342 |
| 9 | 251.7 | 217.13 | 34.57 | 40.390 | 5.82 | 33.872 |
| 10 | 257.21 | 232.23 | 24.98 | 27.288 | 2.308 | 5.327 |
| average = 253.686 | average = 33.734 | average = 33.423 | Sum = 155.369 |
Disclaimer/Publisher’s Note: The statements, opinions and data contained in all publications are solely those of the individual author(s) and contributor(s) and not of MDPI and/or the editor(s). MDPI and/or the editor(s) disclaim responsibility for any injury to people or property resulting from any ideas, methods, instructions or products referred to in the content. |
© 2025 by the authors. Licensee MDPI, Basel, Switzerland. This article is an open access article distributed under the terms and conditions of the Creative Commons Attribution (CC BY) license (https://creativecommons.org/licenses/by/4.0/).
Share and Cite
Iskakov, R.; Gulyarenko, A. Grinding and Mixing Uniformity in a Feed Preparation Device with Four-Sided Jagged Hammers and Impact-Mixing Mechanisms. AgriEngineering 2025, 7, 183. https://doi.org/10.3390/agriengineering7060183
Iskakov R, Gulyarenko A. Grinding and Mixing Uniformity in a Feed Preparation Device with Four-Sided Jagged Hammers and Impact-Mixing Mechanisms. AgriEngineering. 2025; 7(6):183. https://doi.org/10.3390/agriengineering7060183
Chicago/Turabian StyleIskakov, Ruslan, and Alexandr Gulyarenko. 2025. "Grinding and Mixing Uniformity in a Feed Preparation Device with Four-Sided Jagged Hammers and Impact-Mixing Mechanisms" AgriEngineering 7, no. 6: 183. https://doi.org/10.3390/agriengineering7060183
APA StyleIskakov, R., & Gulyarenko, A. (2025). Grinding and Mixing Uniformity in a Feed Preparation Device with Four-Sided Jagged Hammers and Impact-Mixing Mechanisms. AgriEngineering, 7(6), 183. https://doi.org/10.3390/agriengineering7060183

