Next Article in Journal
Correlation Between the Anticorrosive Performance of Protective Coatings Under Neutral Salt Spray Testing and Outdoor Atmospheric and Immersion Exposure
Previous Article in Journal
Mechanistic Analysis of Anodic Oxidation of Gold in KOH (0.1 M) Solution Using the Point Defect Model
 
 
Font Type:
Arial Georgia Verdana
Font Size:
Aa Aa Aa
Line Spacing:
Column Width:
Background:
Article

Degradation of Concrete Cement Stone Under the Influence of Aspergillus niger Fungi

by
Viktoriya S. Konovalova
1,*,
Varvara E. Rumyantseva
1,2,
Konstantin B. Strokin
3,
Aleksey A. Galtsev
3,
Denis G. Novikov
3 and
Pavel V. Monastyrev
4
1
Department of Natural Sciences and Technosphere Safety, Ivanovo State Polytechnic University, Sheremetevsky Ave. 21, Ivanovo 153000, Russia
2
Department of Natural Sciences, Ivanovo Fire Rescue Academy of State Firefighting Service of Ministry of Russian Federation for Civil Defense, Emergencies and Elimination of Consequences of Natural Disasters, Stroiteley Ave. 33, Ivanovo 153040, Russia
3
Department of Construction, Sakhalin State University, Kommunisticheskiy Ave. 33, Yuzhno-Sakhalinsk 693000, Russia
4
Institute of Architecture, Construction and Transport, Tambov State Technical University, Sovetskaya st. 106/5, Tambov 392000, Russia
*
Author to whom correspondence should be addressed.
Corros. Mater. Degrad. 2024, 5(4), 476-489; https://doi.org/10.3390/cmd5040022
Submission received: 9 October 2024 / Revised: 23 October 2024 / Accepted: 24 October 2024 / Published: 28 October 2024

Abstract

The concepts of physical and chemical transformations occurring in cement concrete under conditions of microbiological deterioration can be used to control the processes of the destruction of cement concretes in order to ensure the required durability and to predict the service life of products. The study of changes in the structural and phase composition of cement stone made of Portland cement grade CEM I 42.5N in the process of fungal deterioration for 6 months when moistened, as well as a sample of a concrete wall exposed to fungal microorganisms for 20 years, was carried out. Diffractograms of the studied cement stone samples contain a large number of pronounced narrow peaks and indicate a highly crystalline structure of phases with the presence of an X-ray amorphous phase of calcium hydrosilicates and tobermorite gel in the cement stone. Changes in the structure of cement stone under the influence of fungi are confirmed by the data of a derivatographic analysis. A decrease in the content of calcium hydrosilicates and ettringite, as well as other crystalline phases in cement stone, leads to a decrease in compressive strength by about 15% over 6 months of fungal degradation. Similar changes after 20 years of exposure to microorganisms suggest deterioration in the strength characteristics of concrete.

1. Introduction

Cement and concrete can be biodegraded by various microorganisms. A decrease in calcium hydroxide in the pores of cement stone disrupts the balance between structural phases and calcium hydroxide dissolved in the pore liquid, which leads to the dissolution and hydrolysis of the curing products and the leaching of new portions of Ca(OH)2 [1,2]. In this case, the destruction of cement stone occurs due to leaching the calcium hydroxide from it [3,4,5]. Cement components, such as calcium carbonate, silicates, and aluminates, slowly react with water and products of bacterial metabolism [6,7].
When microorganisms are exposed to the cement stone of concrete, its porosity increases, which facilitates the penetration of water and the development of destruction processes [8,9]. Some microorganisms cause calcite (CaCO3) deposition, and some decompose it [10,11,12]. A useful aspect of the interaction of microorganisms with the components of cement stone is the formation of calcium oxide or hydroxide flakes, which can selectively clog pores [13,14].
The reaction of biogenic acids and other products of the vital activity of microorganisms with the components of the cement stone of concrete leads to the destruction of the structure. The rate of the destruction of cement stone largely depends on the solubility of the reaction products of organic acids released by microorganisms and the structural phases of cement stone. The more reaction products are dissolved and carried away by the aggressive solution, the faster the concrete is destroyed. Microorganisms dissolve the cement matrix through the leaching of structural elements and their accumulation in the biofilm. The corroded inner layers of cement stone consist mainly of gypsum (CaSO4∙2H2O) and moisture [13,15]. Ettringite (Ca6Al2(SO4)3(OH)12·26H2O), formed in the structure of cement stone, can cause internal stresses leading to cracking and the formation of local damage, which further facilitates the penetration of aggressive substances into concrete [16,17]. The rate of the microbiological degradation of cement concrete can reach 4–5 mm/year [13,18].
The structural and phase composition of cement stone is directly related to the physical and mechanical characteristics of concrete. When liquid is exposed to cement concrete, the content of the calcium hydrosilicate phase decreases, which is a carrier of mechanical strength [19,20].
The X-ray phase analysis of cement stone gives an idea of the changes occurring in concrete at any time of destruction and helps to predict the durability and determine the service life of a concrete product. The work establishes changes in the structural and phase composition of cement concrete at the initial stage of degradation under the influence of Aspergillus niger fungi and after 20 years of operation under conditions of action of microorganisms. A detailed interpretation of diffractograms is given, which makes it possible to assess the relationship between a decrease in the content of calcium-containing phases and a decrease in the strength characteristics of cement concrete.

2. Materials and Methods

The aim was to investigate the effect of microorganisms on the structural and phase composition of cement concrete. For this purpose, an X-ray phase analysis of cement stone with fungal deterioration was carried out. To assess the relationship between changes in the structural and phase composition of concrete as a result of fungal deterioration and strength characteristics, the compressive strength of the tested samples was determined.
The studies were carried out on samples made of CEM I 42.5N brand Portland cement with a water–cement ratio W/C = 0.3 and which had been cured for 28 days in the air. The chemical composition of used Portland cement, established by the quality certificate, is indicated in Table 1. The mineralogical composition is presented in Table 2. The content of triethanolamine (TEA) is 0.3%.
Strains of microorganisms Aspergillus niger were used to infect the surface of concrete cement stone. The surface of the cement stone was evenly sprayed with an aqueous suspension of microbial spores, then the samples were dried in a box at a temperature of 25 °C and a relative humidity of 70–90% until the droplets dried. Petri dishes with samples infected with microorganisms were placed in a desiccator, on the bottom of which distilled water was poured and kept at a temperature of 29 ± 2 °C and a relative humidity of more than 90% for 28 days. Every 7 days, the caps of the desiccators were opened for 3 min for air access.
After infection with microorganisms, cement samples were exposed to capillary moisture for 6 months. To do this, the samples were placed in a container on a sintepon lining with a density of 200 g/m2 (Figure 1), part of which was lowered into a vessel with water to maintain the humidity at a constant level.
Additionally, the condition of the concrete wall of the basement was assessed after 20 years of destruction by fungal microorganisms. The presence of Aspergillus niger fungi on the concrete surface was established on the basis of morphological and cultural features using an electron microscope. Cubic samples were extracted from the wall in the places of the greatest accumulation of fungi (Figure 2). The composition and manufacturing technology of the concrete used in the construction are not known; the construction company only provided information on the use of CEM I 42.5N brand Portland cement in the production of concrete.
The X-ray analysis of the phase composition of the cement stone was carried out after drying and grinding the sample to a powdery state. X-ray images were taken on a powder X-ray diffractometer D8 Advance at an X-ray wavelength λ = 1.5405 Å.
The study of phase transformations in cement stone was carried out by the differential thermal analysis (DTA) of samples using a standard technique on a Q-1500D derivatograph. At a heating rate of 10 °C/min and a temperature range of 20–1000 °C, the temperature curve and the mass loss curve of the substance are fixed. The analysis of the derivatograms was carried out according to the standard methodology.
Each type of test was carried out on 10 samples. The results were averaged over at least 5 values that did not differ by 5% from each other.
The strength of the cement stone samples was determined using a hydraulic press P-50 on samples of cement stone with a face length of 10 cm. The compressive strength (Rc) of concrete cement stone is determined when testing samples with static load. The loading of the samples is carried out continuously with a constant rate of load increase until their destruction. At the same time, the loading time of the test sample before its destruction was at least 30 s. The maximum force achieved during the test is taken as a destructive load. The compressive strength of concrete for each sample is calculated by Equation (1):
R c = α F A ,
where α is the scale factor for reducing the strength of concrete to the strength of concrete in samples of basic size and shape, assumed to be 0.95 according to GOST 10180-2012 «Concretes. Methods for strength determination using reference specimens»; F is a destructive load, [N]; and A is the area of the working section of the sample, [mm2].
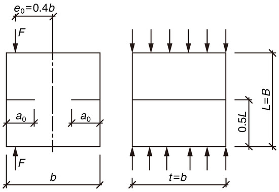
Crack resistance was determined under static loading on cubic samples (Figure 3). The samples were loaded continuously until they were divided into parts with the F*c value fixed. The characteristics of crack resistance K*c according to the results of the non-equilibrium tests of concrete samples were calculated by Equation (2):
K c * = F c * b 1 / 2 t 1,83 λ 1 / 2 430 λ 3 / 2 + 3445 λ 5 / 2 11076 λ 7 / 2 + 12967 λ 9 / 2 ,
where F*c is a destructive load, [MN]; b is the sample width, [m]; t is the sample height, [m]; λ = a 0 + a 0 t b is the relative length of the initial incision; and a0, a0t are the lengths of the initial incisions, [m] (accepted as equal to 0.025 m according to GOST 29167-2021 «Concretes. Methods for determining crack resistance (fracture toughness) characteristics under static loading»).

3. Results

Figure 4 shows cement stone samples 6 months after the surface was infected with Aspergillus niger fungi. Fungal microorganisms formed dark colonies on the surface, mainly in depressions, and colored the surface of the cement stone in a gray-green color.
The diffractograms of cement stone (Figure 5) show that the intensity of peaks decreases during microbiological degradation. This indicates a decrease in the content of the phase components of cement stone due to the decomposition of their components by microorganisms. Narrow peaks of high intensity correspond to the crystal structure of the studied cement stone samples.
Additionally, a diffractogram of a sample from a concrete basement wall exposed to Aspergillus niger fungi for 20 years was obtained (Figure 6).
The diffractograms shown in Figure 5 indicate that there is also an X-ray amorphous phase in the structure of cement stone. Two large diffusion halos were recorded on diffractograms in the 2θ angle intervals before 10° and 29–36°, which characterize the presence of X-ray amorphous substances, probably calcium hydrosilicates and tobermorite gel. Under the action of fungal microorganisms, the areas of diffusion halos decrease, which means that there are fewer X-ray amorphous phases in the cement stone, which is probably caused by their absorption by fungi. The average decrease in the intensity of the lines characterizing the combined presence of tobermorite (Ca5Si6O16(OH)2·4H2O) and calcium hydrosilicate (C-S-H (I)) was 34% for fungal deterioration.
As a result of the microbiological degradation, there is a slight shift in the reflexes in the values of angles 2θ, which is associated with a change in the amorphous–crystalline structure of cement stone. However, the peaks remain pronounced for the same phases.
Due to the action of fungi on cement stone, the intensity of calcite peaks on the diffractogram decreased by 12%, which indicates the destruction of this phase by micromycetes Aspergillus niger.
The decrease in the intensity of the peaks of portlandite (Ca(OH)2) is caused by leaching under the influence of moisture and microorganisms on the cement stone [21]. The leaching of portlandite from cement stone as a result of degradation processes leads to the destabilization of the highly basic hydrate phases of cement stone and their destruction, which is reflected by a decrease in the intensity of lines on diffractograms.
Non-hydrated phases of cement clinker alite 3CaO·SiO₂ (C3S) and belite 2CaO·SiO2 (C2S) were found on diffractograms of cement samples. The joint presence of alite in cement stone with its hydration products, such as low-base C-S-H (I) and high-base C-S-H (II) calcium hydrosilicates, has been established. Non-hydrated brownmillerite Ca2(Al,Fe)2O5 (C4AF) is presented together with calcium hydrosilicates.
Ettringite and thaumasite (CaSiO₃·CaCO₃·CaSO₄·15H₂O) in cement stone are often in a crystalline mixture and are represented by joint peaks on diffractograms.
The diffractograms have two peaks of low intensity at angles 2θ equal to 20.758° and 28.963°, related to gypsum (CaSO4·2H2O), which indicates a small amount of this phase in the cement stone. At a value of 2θ = 20.758° there is also a peak characterizing the presence of gismondine (Ca2Al4Si4O16·9H2O), and at a value of 2θ = 28.963°, there is a peak corresponding to C-S-H (II).
Peaks related to gibbsite (Al(OH)3) and aluminum hydrosilicates derived from sillimanite (Al₂SiO₅) and kyanite (Al₂SiO₅) were recorded. The presence of a small amount of β-quartz in the structural-phase composition of cement stone together with calcium or aluminum hydrosilicates has been established.
The low intensity peaks (3–5%) on the diffractograms of the samples correspond to the hydration products of the Portland cement mineral tricalcium aluminate 3CaO·Al₂O₃ (C3A), as well as the high-sulfate form of calcium hydrosulfoferrite (CaSH2).
The diffractogram of a concrete wall sample (Figure 6) shows mainly narrow peaks, which indicates a highly crystalline structure of concrete. There are no diffusive halos, as in the diffractograms in Figure 5. This means that there is no X-ray amorphous phase in the concrete structure. When studying the structural and phase composition of cement stone after exposure to Aspergillus niger fungi, a decrease in the area of diffusion halos on the diffractogram was found, which correlates with their complete disappearance over a longer period of microbiological exposure to cement concrete.
Also, no gibbsite (Al(OH)3) line was found on the diffractogram, which is due to its decomposition by microorganisms and its removal in corrosion products.
The content of portlandite (Ca(OH)2) in the concrete structure is greatly reduced. This is indicated by the disappearance of lines at angles 2θ in the region of 18.3°, 34.4°, and 51° and a decrease in the intensity of other lines characterizing portlandite.
A significant increase in the amount of β-quartz (SiO2) in the structure of cement concrete was recorded, which is reflected in an increase in the intensity of the lines at angles of 2θ in the regions 26.6°, 36.6°, 39.4°, and 50.1° and the appearance of lines at angles 2θ = 59.9793°, 67.7183°, and 68.3058°. These lines characterize an increase in the content of β-quartz, since the content of phases of other minerals (sillimanite, kyanite, calcite, and calcium hydrosilicates) decreases, which reflects a decrease in the intensity of the lines at other angles of 2θ of these structural-phase components on the diffractogram.
The amount of calcite in concrete is significantly reduced due to the effects of biogenic acids.
The number of low intensity peaks corresponding to calcium hydroaluminate has been significantly reduced. A small content of the phase of gypsum (CaSO4·2H2O) was found.
A decrease in the intensity of the lines characterizing low-base calcium hydrosilicates and ettringite indicates a decrease in the content of these phases.
Table 3 shows the mass losses calculated by the thermogravimetric analysis of the studied samples. The lowest mass loss is characterized by a sample from a concrete wall, which is subject to significant fungal destruction. This is due to the lower amount of calcium hydroxide, calcium hydrosilicates, and calcite in the structure of cement samples.
The data of the derivatographic analysis correlate with the results of the X-ray analysis of changes in the structural and phase composition of cement stone as a result of exposure to fungal microorganisms.
There is a relationship between the characteristics of the structure and the strength parameters of cement stone. Table 4 shows the results of the compressive strength tests of cement stone samples that are not exposed and exposed to microorganisms.
As can be seen from Table 4, for 6 months of fungal deterioration, the loss of strength of samples was 17%. Large strength losses of cement stone during fungal deterioration are associated with the intensive absorption of calcium hydrosilicate C-S-H (I) by micromycetes.
Since the composition and manufacturing technology of concrete in the wall of the examined basement are unknown, it was not possible to produce samples to determine the initial compressive strength of concrete. The established strength value of the biodegradable sample from the concrete wall indicates severe damage to the concrete. A decrease in the amount of ettringite and low-base calcium hydrosilicates in the structural-phase composition of concrete after 20 years of operation under the influence of microorganisms implies a significant deterioration in strength characteristics. Of course, in addition to fungi, periodic humidification and drying affected the concrete surface. These processes contributed to the spread of microorganisms on the surface and deep into the concrete structure.
Since no increase in the X-ray amorphous phase in cement stone has been recorded on diffractograms, and a decrease in the amount of portlandite is not associated with the formation of new phases, the change in strength characteristics is caused by a decrease in the content of crystalline components. Low-base calcium hydrosilicates C-S-H (I) and ettringite, formed at the early stages of cement stone hardening, provide the mechanical strength of concrete. A decrease in the content of these phases in cement stone as a result of exposure to microorganisms corresponds to a decrease in the compressive strength of the cement samples.
The testing of the samples for crack resistance showed a decrease in this characteristic of cement stone as a result of the action of fungi (Table 5). A decrease in cracking resistance, as well as a reduction in strength characteristics, is associated with changes in the content of calcium-containing phases in the structure of cement stone.

4. Discussion

It is known that the durability of concrete depends on the phase composition of cement stone and other indicators of the structure and composition of concrete. The solubility of the individual phases of cement stone is different. The most soluble component of Portland cement stone is calcium hydroxide Ca(OH)2. Calcium hydrosilicates and hydroaluminates are also soluble in water. The sequence of transition into the solution of individual phases depends on the concentration of calcium hydroxide in the solution [7,22,23,24]. This is confirmed by the data obtained as a result of the X-ray phase analysis of cement stone: the greatest peak intensity losses on diffractograms (Figure 5 and Figure 6) fixed for portlandite and low-base calcium hydrosilicates.
The leaching of calcium hydroxide from concrete leads to a loss of concrete strength, and when the concrete loses 33% CaO, its destruction occurs [2,25,26,27]. According to the results of the X-ray analysis of concrete cement stone, it was found that the decrease in strength is affected by a decrease in the amount of not only calcium hydroxide, but also calcium hydrosilicates and ettringite.
The relationship between the increased content of low-base calcium hydrosilicates C-S-H (I) and the improved strength characteristics of cement concretes is shown in the works of many authors [28,29,30,31,32,33]. The presence of a maximum peak on the curves of strength dependence on the degree of the crystallization of calcium hydrosilicates was also established [34,35,36]. It is shown that the greatest strength of the stone is provided by new formations belonging to the tobermorite and gyrolite groups, and, according to the data, the strength of samples based on aluminum-substituted tobermorite is comparable with the strength of pure «xonotlite» structures [37,38].
In previous studies of the effect of liquid chloride-containing media on cement concretes, it was shown that the main carriers of the mechanical strength of cement stone are hydration products C3S and C2S; that is, calcium hydrosilicates [20,39]. The X-ray analysis of samples exposed to chloride-containing media of varying degrees of aggressiveness showed that after the cement stone was found in an aggressive environment, there was a decrease in the intensity and complete disappearance of lines of calcium hydrosilicates, ettringite, tobermorite, and calcium hydroaluminates on diffractograms. Tests of samples for mechanical strength showed a significant decrease in the strength of cement stone exposed to aggressive chloride-containing media [39,40,41]. These results correlate with the data obtained in the study of the fungal deterioration of cement stone concrete in this work.
Concrete damage is determined by the dissolution of cement stone components and their chemical interaction with aggressive substances released as a result of the vital activity of microorganisms, with the formation of soluble corrosion products or with the release of hardly soluble compounds in the form of loose new formations that do not have strength properties [3,22,42]. On diffractograms (Figure 5 and Figure 6), a decrease in both the crystalline and amorphous phases was recorded, which indicates the dissolution of the cement stone components by the products of the vital activity of micromycetes with subsequent removal from the pore fluid.
Wide depressions on the DTA curves of cement stone samples (Figure 7c) in the temperature range from 100 to 300 °C indicate the gradual removal of physically bound water due to the presence of pores in the sample characterized by a greater size dispersion.
There is a slight shift in the endoeffect towards higher temperatures on the DTA curves of samples subjected to microbiological destruction. This shift may be due to a change in the amount of hydrosilicate and hydroaluminate phases in the cement stone structure under the action of fungi. The first endothermic effect on the DTA curve of the wall sample (Figure 7c, curve 3) has a shallow depression due to the small ettringite phase and the small amount of calcium hydroaluminates, the dehydration of which should occur in the temperature range from 100 °C to 300 °C. The gentle shape of the right slope indicates a slow removal of physically bound water due to the heterogeneity of pores in size in the surface layer of concrete.
The second endoeffect, observed at temperatures from 480 °C to 590 °C, is associated with a change in the content of calcium hydroxide due to its dehydration. An increase in the depth of the peak and the formation of more gentle slopes on the curves of the DTA samples exposed to fungal action indicate a smaller size of portlandite crystals in the cement stone structure. A decrease in the amount of the portlandite phase in cement stone after exposure to fungi is characterized by a decrease in the area of the effect corresponding to the dehydration of Ca(OH)2. The second endoeffect, observed at temperatures from 430 °C to 580 °C in curve 3 of Figure 7, is characterized by the dehydration of calcium hydroxide. The small peak area and gentle slopes indicate a low content of portlandite crystals in the structure of biodegraded cement concrete.
The third endoeffect at temperatures from 700 °C to 890 °C, caused by the dehydration of the silicate phase of cement stone, as well as the decomposition of calcite, is most pronounced in samples after exposure to microorganisms. The shift in the temperature maximum of the third endoeffect towards lower temperatures suggests that calcium hydrosilicates in samples after microbiological exposure are less crystallized than in an uninfected sample. On the DTA curve of the sample subjected to fungal destruction (curve 2, Figure 7), there are additional peaks at a temperature of 700 °C and in the temperature range of 810–840 °C, related to the process of the dehydration of silicate phases. The third endoeffect on curve 3 of Figure 7 at temperatures from 600 °C to 720 °C corresponds to polymorphic transformations of quartz. This endothermic effect was not observed on DTA curves 1 and 2 of cement stone. Its appearance is associated with the presence of fillers (sand, crushed stone, gravel) in concrete and the introduction of sand particles onto the wall surface over time.
The fourth endoeffect of curve 3 of Figure 7 at temperatures from 720 °C to 880 °C is caused by the dehydration of calcium hydrosilicates, as well as the decomposition of calcite. It is also characterized by a small area and gentle slopes due to the low amount of both high-base and low-base calcium hydrosilicates in the concrete structure.
The curves of differential thermogravimetric analysis (DTG) (Figure 7b) were also characterized by three maxima corresponding to mass losses for each of the thermal effects. By the shape of the DTG curves, it is possible to judge the rate of the mass loss of samples during heating. Fungal damage to the cement stone leads to a narrowing of the second and third peaks, which corresponds to the destruction of both the amorphous phases of calcium hydrosilicates and the crystalline phases of portlandite and calcite. Four maxima were recorded on the DTG curve of the wall sample (curve 3, Figure 7b). The first peak on the curve characterizes the mass loss caused by the removal of bound water. The second peak, corresponding to the dehydration of portlandite, is not pronounced, since there is very little calcium hydroxide in the surface layer of biodegradable concrete. The third and fourth peaks are associated with mass losses due to the decomposition of quartz, calcium hydrosilicates, and calcite.
A comparison of the TG curves in Figure 7a demonstrates less weight loss during the first endothermic effect in samples exposed to micro-biological effects. This is due to a decrease in bound water in the cement stone due to the action of fungi. The lower mass loss during the second endothermic effect in the sample after exposure to Aspergillus niger fungi corresponds to the low content of calcium hydrosilicates and portlandite in the cement stone structure.
One of the distinguishing features of fungal microorganisms as a medium is the presence of mycelium. Some of its participants can turn into special formations that serve to preserve or reproduce the species. With this growth, high pressure develops, and since cement concrete has a capillary-porous structure, the mycelium can penetrate a considerable distance into the material, while violating its integrity and leading to destruction [43,44]. Obviously, in this case, a specific destruction of cement concrete should occur in the initial period of time. It should be noted that this period of exposure of fungi to cement concretes has not been sufficiently studied. From the results of the study (Table 4), it is obvious that as a result of the violation of the surface integrity of concrete cement stone and, accordingly, a decrease in its surface energy, a significant decrease in strength occurs.
As a result of the mass transfer and chemical reactions in cement concretes caused by the activity of microorganisms, bonds can arise and mostly break. The change in the number of bonds in the material affects its strength [45]. That is why the strength index should now be taken as the main characteristic when assessing and predicting the resistance of materials, including cement concretes, to the effects of microorganisms and their waste products.
In studies on the bio-damage of concrete in the structures of the basements of the bakery workshops, the duration of the operation of which was 50 years, it was found that their surface in many places was covered with numerous colonies of mold fungi of the genera Aspergillus, Penicillium, and Cladosporium [46]. It was found that the surface strength of concrete under the influence of micromycetes decreased twofold [47]. These data correlate with the results of the studies conducted in this work. At the initial stage of the fungal deterioration of cement concrete, a decrease in strength by 17% was recorded, and a further decrease in calcium-containing components in the phase composition of cement stone (Figure 6) implies a significant deterioration in the strength characteristics of concrete after 20 years of operation under the influence of fungi.

5. Conclusions

Microorganisms change the structural and phase composition of concrete cement stone and contribute to the deterioration of its strength characteristics. The results of the evaluation of the qualitative effect of microorganisms on concrete by X-ray diffraction analysis show a significant decrease in all calcium-containing phases. The disappearance of the X-ray amorphous phase of calcium hydrosilicates and tobermorite gel from the concrete structure due to their decomposition by biogenic acids was recorded. The differential thermal analysis of cement stone samples confirms that during fungal destruction, the content of the crystalline phases of portlandite, ettringite, calcite, as well as calcium hydrosilicates and hydroaluminates significantly decreases in the structure.
A decrease in the content of calcium hydrosilicates and ettringite, as well as other crystalline phases in cement stone, leads to a decrease in compressive strength by about 17% over 6 months of action of microorganisms. With fungal deterioration, there is an intensive decrease in the number of both crystalline and X-ray amorphous phases in the cement stone.
The obtained ideas about changes in the structural and phase composition of concrete cement stone occurring during the action of microorganisms can be used to create mathematical models to predict the durability of reinforced concrete products and structures, as well as to develop measures to prevent biofouling of concrete surfaces and to combat the development of microorganisms. The established mechanisms of damage to the cement stone of concrete by Aspergillus niger fungi provide an understanding of the degree of destruction of the concrete structure and the deterioration of its performance over time. Concrete products and structures used in conditions favorable for the development of fungi on the concrete surface should be protected from the effects of microorganisms.
Work continues to study the influence of biological media on the degradation of concretes of various densities, including highly functional, modified concretes and especially dense concretes. The data obtained will be used to calculate the service life of concrete products and structures, taking into account fungal destruction, as well as to develop an additive to concrete to prevent bio-damage.

Author Contributions

Conceptualization, V.S.K., V.E.R., and K.B.S.; methodology, V.S.K., A.A.G., and D.G.N.; validation, V.S.K. and K.S; formal analysis, V.S.K. and D.G.N.; investigation, V.S.K., A.A.G., and D.G.N.; resources, V.S.K. and V.E.R.; data curation, V.S.K. and A.A.G.; writing—original draft preparation, V.S.K.; writing—review and editing, V.S.K.; visualization, V.S.K. and D.G.N.; supervision, V.S.K. and V.E.R.; project administration, V.S.K., K.B.S., and P.V.M. All authors have read and agreed to the published version of the manuscript.

Funding

This research received no external funding.

Data Availability Statement

Data are contained within the article.

Conflicts of Interest

The authors declare no conflicts of interest.

References

  1. Agzamov, F.A.; Makhmutov, A.N.; Tokunova, E.F. Study of corrosion stability of a cement stone in magnesia aggressive environment. Georesur. Georesour. 2019, 21, 73–78. [Google Scholar] [CrossRef]
  2. Moskvin, V.M. Corrosion of Concrete; State Publishing House of Literature on Construction and Architecture: Moscow, Russia, 1952; 344p. [Google Scholar]
  3. Bentz, D.P.; Garboczi, E.J. Modelling the leaching of calcium hydroxide from cement paste: Effects on pore space percolation and diffusivity. Mater. Struct. 1992, 25, 523–533. [Google Scholar] [CrossRef]
  4. Duong, V.; Sahamitmongkol, R.; Tangtermsirikul, S. Effect of leaching on carbonation resistance and steel corrosion of cement-based materials. Constr. Build. Mater. 2013, 40, 1066–1075. [Google Scholar] [CrossRef]
  5. Oroza, A.H.; Bouza, D.G. Deterioration of Structures Affected by Concrete Leaching. In Proceedings of the International Conference of Sustainable Production and Use of Cement and Concrete, Cayo Santa Maria, Cuba, 23–30 June 2019; RILEM Bookseries. Springer: Cham, Switzerland, 2020; Volume 22, pp. 319–327. [Google Scholar]
  6. Bazhenov, Y.M. Technology of Concrete, 5th ed.; Publishing House ASV: Moscow, Russia, 2011; 524p. [Google Scholar]
  7. Strokova, V.V.; Zhernovsky, I.; Nelyubova, V.V.; Rykunova, M.D. Structural Transformations of Cement Stone in Conditions of Development of the Biocenosis of a Poultry Enterprise. Mater. Sci. Forum 2019, 945, 269–275. [Google Scholar] [CrossRef]
  8. Dakal, T.C.; Cameotra, S.S. Microbially induced deterioration of architectural heritages: Routes and mechanisms involved. Environ. Sci. Eur. 2012, 24, 36. [Google Scholar] [CrossRef]
  9. Munyao, O.M.; Thiong’o, J.K.; Muthengia, J.W.; Mutitu, D.K.; Mwirichia, R.; Muriithi, G.; Marangu, J.M. Study on the effect of Thiobacillus intermedius bacteria on the physico-mechanical properties of mortars of ordinary portland cement. Heliyon 2020, 6, E03232. [Google Scholar] [CrossRef]
  10. Almajed, A.; Lateef, M.A.; Moghal, A.A.B.; Lemboye, K. State-of-the-Art Review of the Applicability and Challenges of Microbial-Induced Calcite Precipitation (MICP) and Enzyme-Induced Calcite Precipitation (EICP) Techniques for Geotechnical and Geoenvironmental Applications. Crystals 2021, 11, 370. [Google Scholar] [CrossRef]
  11. Burbank, M.B.; Weaver, T.J.; Green, T.L.; Williams, B.C.; Crawford, R.L. Precipitation of Calcite by Indigenous Microorganisms to Strengthen Liquefiable Soils. Geomicrobiol. J. 2011, 28, 301–312. [Google Scholar] [CrossRef]
  12. Nguyen, N.T.H.; Nguyen, N.Q.; Son Nguyen, K.S. Developing the solution of microbially induced CaCO3 precipitation coating for cement concrete. IOP Conf. Ser. Mater. Sci. Eng. 2018, 431, 062006. [Google Scholar]
  13. Natarajan, K.A. Biofouling and Microbially influenced corrosion. In Biotechnology of Metals. Principles, Recovery Methods, and Environmental Concerns; Natarajan, K.A., Ed.; Elsevier: Amsterdam, The Netherlands, 2018; pp. 355–393. [Google Scholar]
  14. Rong, H.; Qian, C. Characterization of microbe cementitious materials. Chin. Sci. Bull. 2012, 57, 1333–1338. [Google Scholar] [CrossRef]
  15. Tazaki, K.; Mori, T.; Nonaka, T. Microbial jarosite and gypsum from corrosion of Portland cement concrete. Can. Mineral. 1992, 30, 431–444. [Google Scholar]
  16. Zhang, Y.; Wang, R.; Ding, Z. Influence of Crystalline Admixtures and Their Synergetic Combinations with Other Constituents on Autonomous Healing in Cracked Concrete—A Review. Materials 2022, 15, 440. [Google Scholar] [CrossRef] [PubMed]
  17. Kharchenco, I.; Alekseev, V. Effect of ettringite morphology on the properties of expanding cement systems. E3S Web Conf. 2019, 110, 01037. [Google Scholar] [CrossRef]
  18. Wei, S.; Jiang, Z.; Liu, H.; Zhou, D.; Sanchez-Silva, M. Microbiologically induced deterioration of concrete—A review. Braz. J. Microbiol. 2013, 44, 1001–1007. [Google Scholar] [CrossRef]
  19. Butt, Y.M. Technology of Binders; Higher School: Moscow, Russia, 1965; 619p. [Google Scholar]
  20. Rumyantseva, V.E.; Konovalova, V.S.; Narmaniya, B.E. Changes in the structural and phase composition and strength characteristics of concrete during liquid corrosion in chloride-containing media. J. Phys. Conf. Ser. 2021, 1926, 012057. [Google Scholar] [CrossRef]
  21. Strokin, K.; Novikov, D.; Konovalova, V. Forecasting the durability of reinforced concrete under conditions of microbiological corrosion. E3S Web Conf. 2021, 274, 04003. [Google Scholar] [CrossRef]
  22. Alekseev, S.N.; Ivanov, F.M.; Modry, S.; Shissel, P. Durability of Reinforced Concrete in Aggressive Environments; Stroyizdat: Moscow, Russia, 1990; 313p. [Google Scholar]
  23. Day, R.L. The Effect of Secondary Ettringite Formation on the Durability of Concrete: A literature Analysis. In Research and Development Bulletin, Skokie; Portland Cement Association: Washington, DC, USA, 1992; RD108T. [Google Scholar]
  24. Strokova, V.V.; Nelubova, V.V.; Rykunova, M.D. Resistance of cement stone in sanitation solutions. Mag. Civ. Eng. 2019, 90, 72–84. [Google Scholar]
  25. Barbhuiya, S.; Kumala, D. Behaviour of a Sustainable Concrete in Acidic Environment. Sustainability 2017, 9, 1556. [Google Scholar] [CrossRef]
  26. Ekström, T. Leaching of Concrete: The Leaching Process and Its Effects. Ph.D. Thesis, Division of Building Materials, LTH, Lund University, Lund, Sweden, 2003. [Google Scholar]
  27. Lagerblad, B. Leaching Performance of Concrete Based on Studies of Samples from Old Concrete Constructions; Technical Report TR-01-27; Swedish Cement and Concrete Research Institute: Stockholm, Sweden, 2001. [Google Scholar]
  28. Gamaliy, E.A.; Trofimov, B.Y.; Kramar, L.Y. Structure and properties of cement stone with admixtures of silica fume and polycarboxylate plasticizing agent. Bull. South Ural. State University. Ser. Constr. Eng. Archit. 2009, 16, 29–35. [Google Scholar]
  29. Kaprielov, S.S.; Sheinfeld, A.V.; Krivoborodov, Y.R. The influence of the structure of cement stone with additives of silica and superplasticizer on the properties of concrete. Concr. Reinf. Concr. 1992, 7, 4–7. [Google Scholar]
  30. Sheikin, A.E.; Chekhovskiy, Y.V.; Bresser, M.I. Structure and Properties of Cement Concretes; Stroyizdat: Moscow, Russia, 1979; 344p. [Google Scholar]
  31. Sinclair, W.; Groves, G.W. The microstructure of Portland cement-silica fume pastes. J. Mater. Sci. Lett. 1986, 5, 101–102. [Google Scholar] [CrossRef]
  32. Torpishchev, S.K. Technological Bases for Improving the Quality Indicators of Concrete Through the Use of Mechanochemically Activated Modifiers; Kereku: Pavlodar, Kazakhstan, 2017; 377p. [Google Scholar]
  33. Timashev, V.V. The influence of the physical structure of cement stone on its strength. Cement 1978, 2, 16–19. [Google Scholar]
  34. Kalashnikov, V.I.; Erofeev, V.T.; Moroz, M.N.; Troyanov, I.Y.; Volodin, V.M.; Suzdal’tsev, O.V. Nanohydrosilicate technologies in concrete production. Stroit. Mater. Constr. Mater. 2014, 5, 88–91. [Google Scholar]
  35. Shabanova, G.; Korohodska, A.; Shumejko, V. Phase composition and strength of cement stone with a complex additive. MATEC Web Conf. 2017, 116, 01014. [Google Scholar] [CrossRef]
  36. Yarusova, S.B.; Gordienko, P.S.; Kozin, A.V.; Zhevtun, I.G.; Perfilev, A.V. Influence of synthetic calcium silicates on the strength properties of fine-grained concrete. IOP Conf. Ser. Mater. Sci. Eng. 2018, 347, 012041. [Google Scholar] [CrossRef]
  37. Govorov, A.A. Processes of Hydration Hardening of Slag Dispersions; Naukova dumka: Kiev, Ukraine, 1976; 80p. [Google Scholar]
  38. Ovcharenko, G.I.; Gilmiyarov, D.I. Strength and phase composition of autoclaved material: An approximation. Mag. Civ. Eng. 2018, 83, 63–72. [Google Scholar]
  39. Fedosov, S.V.; Rumyantseva, V.E.; Konovalova, V.S.; Karavaev, I.V. Liquid corrosion of concrete in the environment with various degree of aggressiveness. Bull. Civ. Eng. 2017, 4, 113–118. [Google Scholar] [CrossRef]
  40. Fedosov, S.V.; Rumyantseva, V.E.; Krasilnikov, I.V.; Konovalova, V.S.; Karavaev, I.V. Determination of safe service life of structures made of concrete containing hydrophobic additives. Izv. Vyss. Uchebnykh Zaved. Seriya Tekhnologiya Tekst. Promyshlennosti 2017, 6, 268–276. [Google Scholar]
  41. Konovalova, V.S. Influence of chloride-containing media on the protective properties of concrete. In Proceedings of the BUILDINTECH BIT 2020. Innovations and Technologies in Construction, Belgorod, Russia, 8–9 October 2020; Klyuev, S., Lesovik, V., Vatin, N., Eds.; Lecture Notes in Civil Engineering; Springer: Cham, Switzerland, 2021; Volume 95, pp. 260–265. [Google Scholar]
  42. Agzamov, F.A.; Lomakina, L.N.; Hababutdinova, N.B.; Davletshin, R.F.; Kriga, A.K.; Tokunov, T.V. Cement stone corrosion processes affected by acidulous components of bedded fluids. Pet. Eng. 2015, 13, 10–28. [Google Scholar]
  43. Bertron, A. Understanding interactions between cementitious materials and microorganisms: A key to sustainable and safe concrete structures in various contexts. Mater. Struct. 2014, 47, 1787–1806. [Google Scholar] [CrossRef]
  44. Haneef, M.; Ceseracciu, L.; Canale, C.; Bayer, I.S.; Heredia-Guerrero, J.A.; Athanassiou, A. Advanced Materials From Fungal Mycelium: Fabrication and Tuning of Physical Properties. Sci. Rep. 2017, 7, 41292. [Google Scholar] [CrossRef] [PubMed]
  45. Nedelya, N.N. The influence of concrete moisture on its strength. Concr. Reinf. Concr. 1983, 3, 38–39. [Google Scholar]
  46. Koval, E.Z.; Sidorenko, L.P. Micro-Destructors of Industrial Materials; Naukova Dumka: Kiev, Ukraine, 1989; 187p. [Google Scholar]
  47. Rosenthal, N.K.; Chekhniy, G.V.; Melnikova, A.I. Corrosion of cement materials caused by exposure to fungi. Concr. Reinf. Concr. 2000, 6, 23–26. [Google Scholar]
Figure 1. Container for testing the destruction of cement stone under capillary wetting conditions.
Figure 1. Container for testing the destruction of cement stone under capillary wetting conditions.
Cmd 05 00022 g001
Figure 2. Photographs of the surface of the concrete wall of the basement with traces of fungal microorganisms: (a) fungi on a flat surface; (b) fungi on an uneven surface.
Figure 2. Photographs of the surface of the concrete wall of the basement with traces of fungal microorganisms: (a) fungi on a flat surface; (b) fungi on an uneven surface.
Cmd 05 00022 g002
Figure 3. Diagram of an off-center compression test sample.
Figure 3. Diagram of an off-center compression test sample.
Cmd 05 00022 g003
Figure 4. Images of the samples surface (magnification by 10 times): (a) uninfected by microorganisms; (b) after 6 months of exposure to Aspergillus niger fungi.
Figure 4. Images of the samples surface (magnification by 10 times): (a) uninfected by microorganisms; (b) after 6 months of exposure to Aspergillus niger fungi.
Cmd 05 00022 g004
Figure 5. Diffractograms of cement stone samples: (a) uninfected by microorganisms; (b) after 6 months of exposure to Aspergillus niger fungi.
Figure 5. Diffractograms of cement stone samples: (a) uninfected by microorganisms; (b) after 6 months of exposure to Aspergillus niger fungi.
Cmd 05 00022 g005
Figure 6. Diffractogram of the sample from the concrete wall of the basement damaged by microorganisms.
Figure 6. Diffractogram of the sample from the concrete wall of the basement damaged by microorganisms.
Cmd 05 00022 g006
Figure 7. Thermogravimetric curve (a), DTG curve (b), DTA curve (c) of 1—sample uninfected by microorganisms; 2—sample after 6 months of exposure to Aspergillus niger fungi; and 3—sample from a concrete wall.
Figure 7. Thermogravimetric curve (a), DTG curve (b), DTA curve (c) of 1—sample uninfected by microorganisms; 2—sample after 6 months of exposure to Aspergillus niger fungi; and 3—sample from a concrete wall.
Cmd 05 00022 g007
Table 1. Chemical composition of CEM I 42.5N brand Portland cement, %.
Table 1. Chemical composition of CEM I 42.5N brand Portland cement, %.
SiO2Al2O3Fe2O3CaOMgOSO3R2O aCaOboundedOther
21.555.554.762.930.762.370.540.451.15
a R2O = total alkali (content of Na2O and K2O).
Table 2. The content of the main minerals in CEM I 42.5N brand Portland cement, %.
Table 2. The content of the main minerals in CEM I 42.5N brand Portland cement, %.
C3SC2SC3AC4AF
68.111.08.711.9
Table 3. Mass loss, [%], during the high temperature heating of cement stone samples.
Table 3. Mass loss, [%], during the high temperature heating of cement stone samples.
The Process
Causing the Effect
Sample Type
Not InfectedInfected with Aspergillus
niger Fungi after 6 Months of Exposure to Capillary
Moisture
A Sample from a Concrete Wall
Exposed to Fungal
Destruction
Removing physically bound water6.24.051.62
Dehydration of Ca(OH)21.80.750.48
Removing chemically bound water7.92.11.05
Decarbonization
CaCO3 → CO2 + CaO
4.42.21.05
Total mass loss:20.39.14.2
Table 4. Changes in the compressive strength of cement samples after exposure to Aspergillus niger fungi.
Table 4. Changes in the compressive strength of cement samples after exposure to Aspergillus niger fungi.
Sample TypeCompressive Strength [MPa]
Before the TestsAfter 6 Months of Exposure to Capillary Moisture
Not infected35.7833.74
Infected33.3227.72
Concrete wall17.46
Table 5. Changing the crack resistance characteristic of cement samples after exposure to Aspergillus niger fungi.
Table 5. Changing the crack resistance characteristic of cement samples after exposure to Aspergillus niger fungi.
Sample TypeThe Value of the Conditional Critical Stress Intensity Factor K*c, [MPa∙m0.5]
Before the TestsAfter 6 Months of Exposure to Capillary Moisture
Not infected0.530.47
Infected0.500.40
Concrete wall0.21
Disclaimer/Publisher’s Note: The statements, opinions and data contained in all publications are solely those of the individual author(s) and contributor(s) and not of MDPI and/or the editor(s). MDPI and/or the editor(s) disclaim responsibility for any injury to people or property resulting from any ideas, methods, instructions or products referred to in the content.

Share and Cite

MDPI and ACS Style

Konovalova, V.S.; Rumyantseva, V.E.; Strokin, K.B.; Galtsev, A.A.; Novikov, D.G.; Monastyrev, P.V. Degradation of Concrete Cement Stone Under the Influence of Aspergillus niger Fungi. Corros. Mater. Degrad. 2024, 5, 476-489. https://doi.org/10.3390/cmd5040022

AMA Style

Konovalova VS, Rumyantseva VE, Strokin KB, Galtsev AA, Novikov DG, Monastyrev PV. Degradation of Concrete Cement Stone Under the Influence of Aspergillus niger Fungi. Corrosion and Materials Degradation. 2024; 5(4):476-489. https://doi.org/10.3390/cmd5040022

Chicago/Turabian Style

Konovalova, Viktoriya S., Varvara E. Rumyantseva, Konstantin B. Strokin, Aleksey A. Galtsev, Denis G. Novikov, and Pavel V. Monastyrev. 2024. "Degradation of Concrete Cement Stone Under the Influence of Aspergillus niger Fungi" Corrosion and Materials Degradation 5, no. 4: 476-489. https://doi.org/10.3390/cmd5040022

APA Style

Konovalova, V. S., Rumyantseva, V. E., Strokin, K. B., Galtsev, A. A., Novikov, D. G., & Monastyrev, P. V. (2024). Degradation of Concrete Cement Stone Under the Influence of Aspergillus niger Fungi. Corrosion and Materials Degradation, 5(4), 476-489. https://doi.org/10.3390/cmd5040022

Article Metrics

Back to TopTop