Mechanistic Analysis of Anodic Oxidation of Gold in KOH (0.1 M) Solution Using the Point Defect Model
Abstract
1. Introduction
1.1. Experimental
1.1.1. Materials
1.1.2. Electrode Preparation
1.1.3. Anodic Formation of Gold Oxide and Characterization by in Situ Ellipsometry
1.1.4. Electrochemical Impedance Spectroscopy (EIS) and Mott-Schottky (MS) Measurements
2. Point Defect Model Development
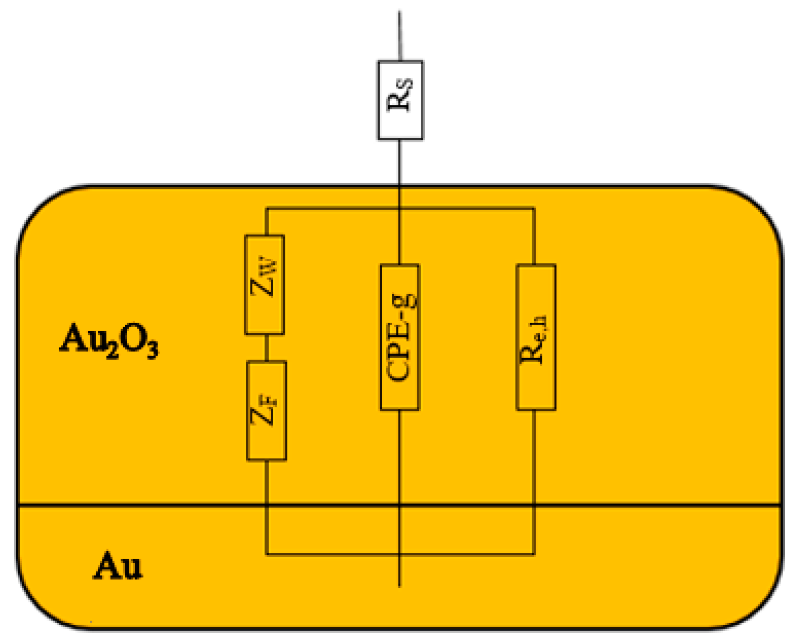
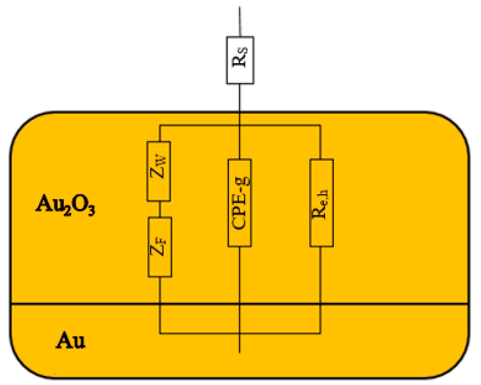
3. Impedance Model
4. Optimization
- (1)
- all parameter values were physically reasonable and within the defined limits;
- (2)
- both the computed Z’(w) and Z’(w) in the Nyquist and Bode planes adequately matched the corresponding experimental data;
- (3)
- the standard rate constants the polarizability of the bl/s interface (α), and the transfer coefficients for the point-defect generation and annihilation reactions at the barrier layer interfaces (αi), were potential-independent within experimental precision; and
- (4)
- the steady-state current density (Iss) and oxide film thickness (Lss), predicted using the parameter values obtained from the model optimization, agreed with the measured experimental values. To be clear, the parameters gained through model optimization on the experimental EIS data were used to predict Lss and Iss values instead of using their values in the optimization process. As such, Iss and Lss are both valuable independent evaluations of the physico-electrochemical validity of the optimization process as well as of the PDM itself.
5. Results and Discussion
5.1. Cyclic Voltammetry
5.2. Potentiostatic Gold Oxide Formation
5.3. Mott-Schottky Analysis
5.4. Ellipsometric Oxide Thickness and Refractive Index
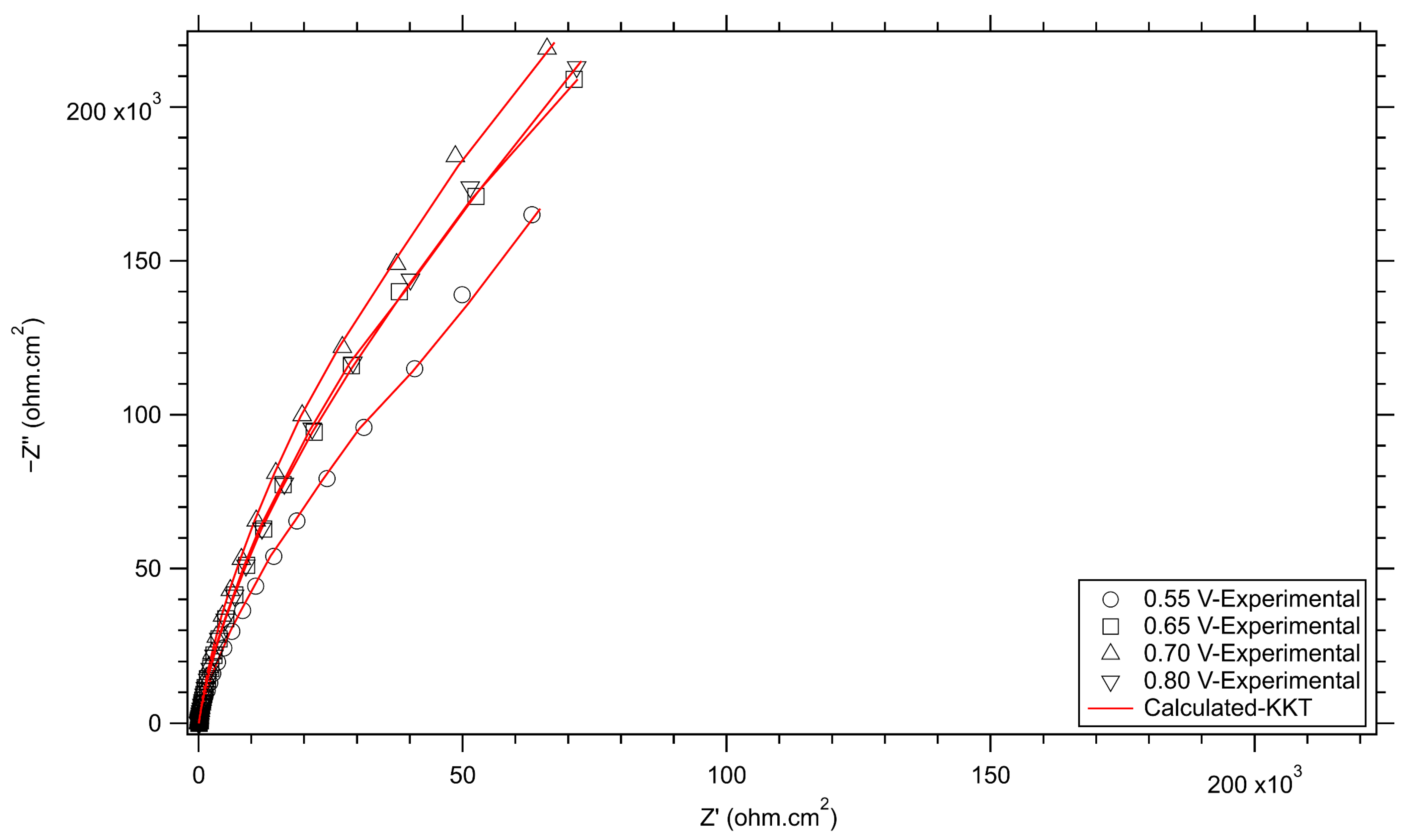
5.5. Validity of the Impedance Data
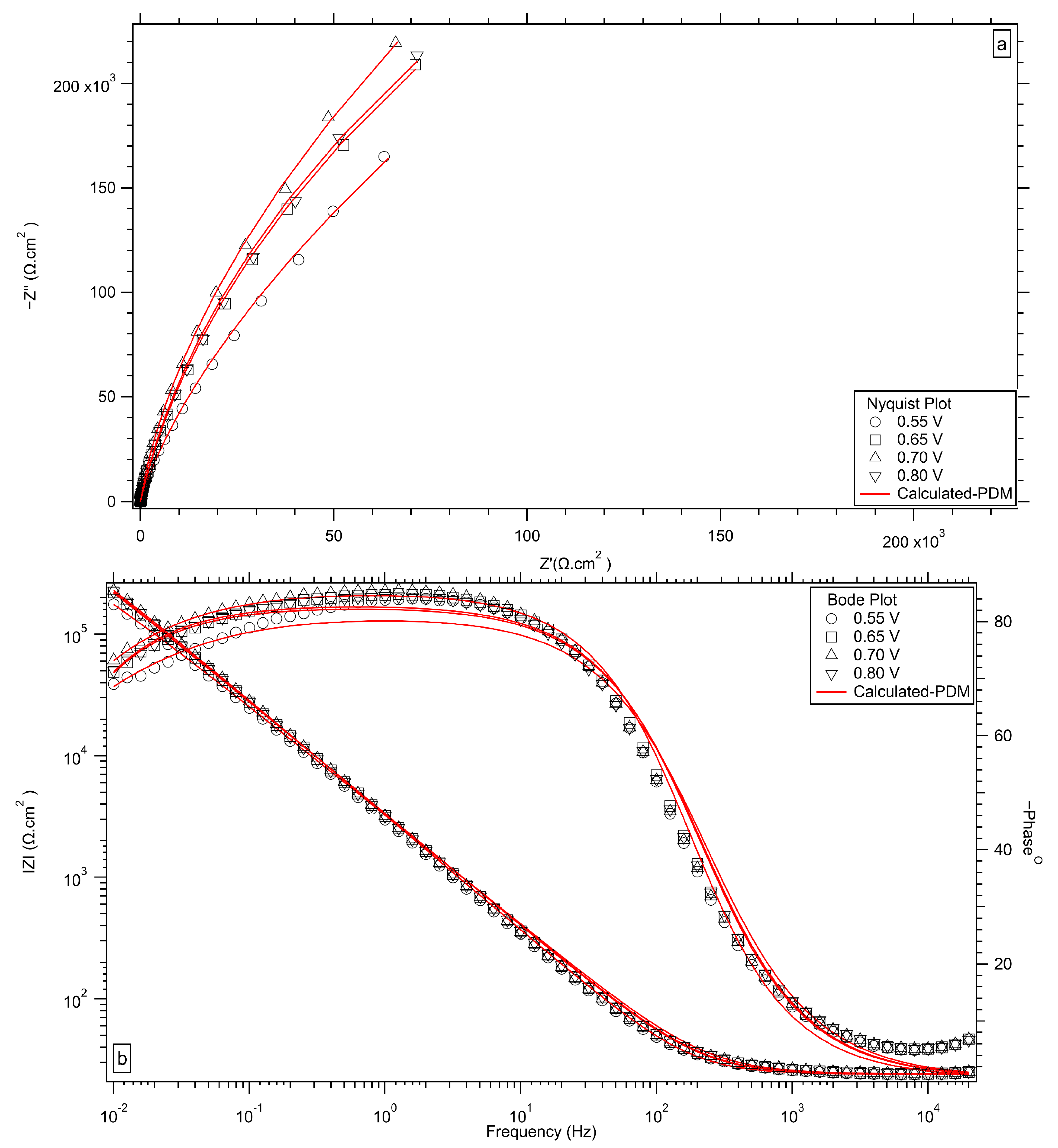
5.6. Optimization Results and Discussion
5.6.1. PDM Optimization Results and Extraction of the Model Parameters
5.6.2. Anodic Current Density
5.6.3. PDM Calculation of the Oxide Thickness
5.6.4. Defects Concentration and Defect Diffusivity
5.6.5. Point Defects Distribution in the Barrier Layer
6. Conclusions
- The properties of anodic gold oxide in KOH (0.1 M) can be adequately described using parameters determined through optimization of the PDM on the experimental EIS data.
- The thickness of the anodic oxide resulting from the PDM optimization on the EIS data is in excellent agreement with the experimental values measured using spectroscopic ellipsometry.
- Values of steady-state current density during the formation of gold oxide at different potentials, derived from optimized PDM parameters, are in reasonable agreement with the experimentally measured values.
- Consistent with the PDM for the case where no change in cation oxidation state occurs upon barrier layer dissolution or cation ejection, the thickness of the barrier layer was observed to increase linearly with applied voltage, and the passive current density was found to be voltage-independent.
- Defect densities estimated through MS analysis and from the PDM are in good agreement. The dominant defect was found to be the cation interstitial, with a density in the order of (1021–1022) cm−3.
Author Contributions
Funding
Data Availability Statement
Acknowledgments
Conflicts of Interest
Glossary
| α | Polarizability of the inner layer/solution interface. |
| αi | Transfer coefficients, subscript i represents the i-th elementary interfacial reaction. |
| β | Dependence of the potential drop across the same interface on pH. |
| Concentrations of the cation vacancy in the bl at the bl/s interface. | |
| Ci0 | Concentration of the metal interstitial at the barrier layer/solution interface. |
| Concentration of oxygen vacancy at the m/bl interface. | |
| Hydrogen ion concentration in the solution at the film/solution interface. | |
| Standard state hydrogen ion concentration, defined as being 1.0 mol/L. | |
| Di | Diffusion coefficient of the interstitials. |
| Diffusion coefficient of the cation vacancies. | |
| ε | Electric field strength in the barrier layer. |
| Dielectric constant of the oxide. | |
| A constant equal to the voltage drop across the bl/s interface at V = 0 and pH = 0. | |
| Γ | Oxidation state of cation in the solution. |
| χ | Oxidation state of cation in the barrier layer. |
| Iss | Steady-state current density. |
| Lss | Steady-state oxide film thickness. |
| Rate constant of the i-th reaction in the PDM. | |
| Standard rate constant of the i-th reaction in the PDM. | |
| Base rate constant of the i-th reaction in the PDM. | |
| Interstitial cation. | |
| MM | Metal cation on the metal sublattice of the barrier layer. |
| Metal cation in solution. | |
| NA | Concentration of electron acceptors. |
| ND | Concentration of electron donors. |
| OO | Oxygen anion on the oxygen sublattice of the barrier layer. |
| Rs | Resistance of the solution between the oxide barrier layer and the tip of the Luggin probe. |
| Cation vacancy on the metal sublattice of the barrier layer. | |
| Oxygen vacancy on the oxygen sublattice of the barrier layer. | |
| σ | Warburg coefficient. |
| ZCPE-g | Geometric capacitance of the barrier layer. |
| ZRe,h | Impedance of the movement of the free electrons and holes through the barrier layer. |
References
- Diaz-Morales, O.; Calle-Vallejo, F.; de Munck, C.; Koper, M.T.M. Electrochemical water splitting by gold: Evidence for an oxide decomposition mechanism. Chem. Sci. 2013, 4, 2334–2343. [Google Scholar] [CrossRef]
- Marcandalli, G.; Goyal, A.; Koper, M.T.M. Electrolyte effects on the Faradaic efficiency of CO2 reduction to CO on a gold electrode. ACS Catal. 2021, 11, 4936–4945. [Google Scholar] [CrossRef] [PubMed]
- Meethal, R.P.; Saibi, R.; Srinivasan, R. Hydrogen evolution reaction on polycrystalline Au inverted rotating disc electrode in HClO4 and NaOH solutions. Int. J. Hydrogen Energy 2022, 47, 14304–14318. [Google Scholar] [CrossRef]
- Kubaschewski, O.; von Goldbeck, O. The Thermochemistry of Gold: Fundamental Data for the Solution of Practical Problems. Gold Bull. 1975, 8, 80–85. [Google Scholar] [CrossRef]
- Tremiliosi-Filho, G.; Dall’Antonia, L.H.; Jerkiewicz, G. Limit to extent of formation of the quasi-two-dimensional oxide state on Au electrodes. J. Electroanal. Chem. 1997, 422, 149–159. [Google Scholar] [CrossRef]
- Tremiliosi-Filho, G.; Dall’Antonia, L.H.; Jerkiewicz, G. Multicomponent Hydrous Oxide Films Grown on Gold in Acid Solution. J. Electroanal. Chem. 2005, 578, 1–8. [Google Scholar] [CrossRef]
- Schultze, J.W.; Vetter, K.J. Kinetik der elektrochemischen Bildung und Reduktion von monomolekularen Oxidschichten auf Gold. Ber. Bunsenges. Phys. Chem. 1971, 75, 470–481. [Google Scholar] [CrossRef]
- Gomez-Marin, A.M.; Clavilier, J.; Feliu, J.M. Sequential Pt (111) Oxide Formation in Perchloric Acid: An Electrochemical Study of Surface Species Interconversion. J. Electroanal. Chem. 2013, 688, 360–370. [Google Scholar] [CrossRef]
- Giron, R.G.P.; Ferguson, G.S. Development of cathodic silence in an oxide film on a gold electrode. Electrochim. Acta 2015, 180, 560–563. [Google Scholar] [CrossRef]
- Giron, R.G.P.; Ferguson, G.S. Confirmation of cathodic silence in an anodic oxide on gold. J. Electrochem. Soc. 2017, 164, H635. [Google Scholar] [CrossRef]
- Giron, R.G.P.; Ferguson, G.S. Interfacial redox properties of gold/gold oxide in the presence and absence of applied potential. J. Electrochem. Soc. 2019, 166, H47. [Google Scholar] [CrossRef]
- Dickertmann, D.; Schultze, J.W.; Vetter, K.J. Electrochemical formation and reduction of monomolecular oxide layers on (111) and (100) planes of gold single crystals. J. Electroanal. Chem. 1974, 55, 429–443. [Google Scholar] [CrossRef]
- Lohrengel, M.M.; Schultze, J.W. Electrochemical properties of anodic gold oxide layers-1: Potentiostatic oxide growth and double layer capacity. Electrochim. Acta 1976, 21, 957–965. [Google Scholar] [CrossRef]
- Conway, B.E. Electrochemical oxide formation at noble metals as a surface-chemical process. Prog. Surf. Sci. 1995, 49, 331–452. [Google Scholar] [CrossRef]
- Angerstein-Kozlowska, H.; Conway, B.E.; Hamelin, A.; Stoicoviciu, L. Elementary steps of electrochemical oxidation of single-crystal planes of gold—I. Chemical basis of processes involving geometry of anions and the electrode surfaces. Electrochim. Acta 1986, 31, 1051–1061. [Google Scholar] [CrossRef]
- Macdonald, D.D.; Sikora, E.; Sikora, J. The Point Defect Model vs. the High Field Model for Describing the Growth of Passive Films. In Proceedings of the 7th International Symposium on Oxide Films on Metals and Alloys, VII; Herbert, K.R., Thompson, G.E., Eds.; The Electrochemical Society: Pennington, NJ, USA, 1994; Volume 94–25, pp. 139–151. [Google Scholar]
- Chao, C.Y.; Lin, L.F.; Macdonald, D.D. A point defect model for anodic passive films III. Impedance response. J. Electrochem. Soc. 1982, 129, 1874. [Google Scholar] [CrossRef]
- Chao, C.Y.; Lin, L.F.; Macdonald, D.D. A point defect model for anodic passive films I. Film growth kinetics. J. Electrochem. Soc. 1981, 128, 1187. [Google Scholar] [CrossRef]
- Ghelichkhah, Z.; Khorami, D.F.; Sharifi-Asl, S.; Obot, I.B.; Macdonald, D.D.; Farhadi, K.; Petrossians, A. The inhibition of type 304LSS general corrosion in hydrochloric acid by the New Fuchsin compound. Corros. Sci. 2021, 178, 109072. [Google Scholar] [CrossRef]
- Macdonald, D.D. The history of the point defect model for the passive state: A brief review of film growth aspects. Electrochim. Acta 2011, 56, 1761–1772. [Google Scholar] [CrossRef]
- Macdonald, D.D. The point defect model for the passive state. J. Electrochem. Soc. 1992, 139, 3434. [Google Scholar] [CrossRef]
- Ghelichkhah, Z.; Ferguson, G.S.; Macdonald, D.D.; Sharifi-Asl, S. Point Defect Model Description of the Formation of Anodic Gold Oxide in H2SO4 Solution. J. Electrochem. Soc. 2021, 168, 041506. [Google Scholar] [CrossRef]
- Cook, K.M.; Ferguson, G.S. Determination of the wavelength-dependent refractive index of a gold-oxide thin film. J. Phys. Chem. C 2011, 115, 22976–22980. [Google Scholar] [CrossRef]
- Prusi, A.; Arsov, L.; Haran, B.; Popovb, B.N. Anodic Behavior of Ti in KOH Solutions Ellipsometric and Micro-Raman Spectroscopy Studies. J. Electrochem. Soc. 2002, 149, B491–B498. [Google Scholar] [CrossRef]
- Macdonald, D.D.; Engelhardt, G.R. The point defect model for bi-layer passive films. ECS Trans. 2010, 28, 123. [Google Scholar] [CrossRef]
- Macdonald, D.D. Passivity-the key to our metals-based civilization. Pure Appl. Chem. 1999, 71, 951–978. [Google Scholar] [CrossRef]
- Lin, L.F.; Chao, C.Y.; Macdonald, D.D. A point defect model for anodic passive films II. Chemical breakdown and pit initiation. J. Electrochem. Soc. 1981, 128, 1194–1198. [Google Scholar] [CrossRef]
- Marcus, R.A. On the Theory of Oxidation-Reduction Reactions Involving Electron Transfer. I. J. Chem. Phys. 1956, 24, 966–978. [Google Scholar] [CrossRef]
- Fang, Y.-H.; Liu, Z.-P. Tafel Kinetics of Electrocatalytic Reactions: From Experiment to First-Principles. ACS Catal. 2014, 4, 4364–4376. [Google Scholar] [CrossRef]
- Sharifi-Asl, S.; Taylor, M.L.; Lu, Z.; Engelhardt, G.R.; Kursten, B.; Macdonald, D.D. Modeling of the electrochemical impedance spectroscopic behavior of passive iron using a genetic algorithm approach. Electrochim. Acta 2013, 102, 161–173. [Google Scholar] [CrossRef]
- Storn, R.; Price, K. Differential Evolution—A Simple and Efficient Heuristic for Global Optimization over Continuous Spaces. J. Glob. Optim. 1997, 11, 341–359. [Google Scholar] [CrossRef]
- Ellis 2: Complex Curve Fitting for One Independent Variable∣IgorExchange. Available online: http://www.igorexchange.com/project/Ellis2 (accessed on 10 February 2021).
- Kirk, D.W.; Foulkes, F.R.; Graydon, W.F. The Electrochemical Formation of Au(I) Hydroxide on Gold in Aqueous Potassium Hydroxide. J. Electrochem. Soc. 1980, 127, 1069. [Google Scholar] [CrossRef]
- Morrison, S.R. Electrochemistry at Semiconductor and Oxidized Metal Electrodes; Plenum Press: New York, NY, USA, 1980. [Google Scholar]
- Petrovic, Z.; Metikos-Hukovic, M.; Babic, R.; Katic, J.; Milun, M. A Multi-technique Study of Gold Oxidation and Semiconducting Properties of the Compact Alfa-oxide Layer. J. Electroanal. Chem. 2009, 629, 43–49. [Google Scholar] [CrossRef]
- Mistrik, J.; Kasap, S.; Ruda, H.E.; Koughia, C.; Singh, J. Springer Handbook of Electronic and Photonic Materials; Kasap, S., Capper, P., Eds.; Springer: Cham, Switzerland, 2017. [Google Scholar] [CrossRef]
- Urquidi-Macdonald, M.; Real, S.; Macdonald, D.D. Applications of Kramers-Kronig transforms in the analysis of electrochemical impedance data—III. Stability and linearity. Electrochim. Acta 1990, 35, 1559–1566. [Google Scholar] [CrossRef]
- Macdonald, D.D.; Urquidi-Macdonald, M. Application of Kramers-Kronig Transforms in the Analysis of Electrochemical Systems I. Polarization Resistance. J. Electrochem. Soc. 1985, 132, 2316–2319. [Google Scholar] [CrossRef]
- Urquidi-Macdonald, M.; Real, S.; Macdonald, D.D. Application of Kramers Kronig Transforms in the Analysis of Electrochemical Impedance Data II. Transformations in the Complex Plane. J. Electrochem. Soc. 1986, 133, 2018–2024. [Google Scholar] [CrossRef]
- Bard, A.J.; Faulkner, L.R. Electrochemical Methods: Fundamentals and Applications; Wiley: New York, NY, USA, 1980. [Google Scholar]
- Chan, K.; Nørskov, J.K. Potential Dependence of Electrochemical Barriers from ab Initio Calculations. J. Phys. Chem. Lett. 2016, 7, 1686–1690. [Google Scholar] [CrossRef] [PubMed]
- Roh, B.; Macdonald, D.D. Passivity of titanium, part IV: Reversible oxygen vacancy generation/annihilation. J. Solid State Electrochem. 2019, 23, 2863–2879. [Google Scholar] [CrossRef]
















| Reaction | ai (V−1) | bi (cm−1) | Ci | Units of k0i |
|---|---|---|---|---|
| Reaction | ki0 |
|---|---|
| Potential (V) vs. SHE | n | k | [36] |
|---|---|---|---|
| 0.55 | 3.58 | 1.67 | 10.0 |
| 0.65 | 3.40 | 1.52 | 9.26 |
| 0.70 | 3.37 | 1.33 | 9.55 |
| 0.80 | 3.37 | 1.38 | 9.45 |
| E/V vs. SHE | 0.55 | 0.65 | 0.70 | 0.8 | Average | Stdv | |
|---|---|---|---|---|---|---|---|
| Parameter | |||||||
| 0.305 | 0.305 | 0.305 | 0.305 | 0.305 | 0.000 | ||
| 0.133 | 0.142 | 0.142 | 0.142 | 0.140 | 0.00390 | ||
| 0.0557 | 0.0524 | 0.0524 | 0.0524 | 0.053 | 0.00143 | ||
| 0.0160 | 0.016 | 0.016 | 0.016 | 0.016 | 0.000 | ||
| 0.0517 | 0.0455 | 0.0455 | 0.0455 | 0.047 | 0.00268 | ||
| 0.154 | 0.154 | 0.154 | 0.154 | 0.154 | 0.000 | ||
| 0.125 | 0.125 | 0.125 | 0.125 | 0.125 | 0.000 | ||
| 0.157 | 0.157 | 0.157 | 0.157 | 0.157 | 0.000 | ||
| n | 0.5 | 0.5 | 0.5 | 0.5 | Assumed | ||
| β/V | −0.0592 | −0.0592 | −0.0592 | −0.0592 | Assumed [22] | ||
| −0.05 | −0.05 | −0.05 | −0.05 | Assumed [22] | |||
| /V·cm−1 | 6.75 × 106 | 6.75 × 106 | 6.75 × 106 | 6.75 × 106 | 1st Opt | ||
| pH | 13.3 | 13.3 | 13.3 | 13.3 | |||
| 3/3 | 3/3 | 3/3 | 3/3 | Assumed | |||
| T/⁰K | 295 | 295 | 295 | 295 | |||
| /cm·s−1 | |||||||
| /mol·cm−2·s−1 | |||||||
| /mol·cm−2·s−1 | |||||||
| /mol·cm−2·s−1 | |||||||
| /cm·s−1 | |||||||
| /cm·s−1 | |||||||
| /mol·cm−2·s−1 | |||||||
| /cm·s−1 | |||||||
| /mol·cm−2·s−1 | |||||||
| /mol·cm−2·s−1 | |||||||
| /mol·cm−2·s−1 | |||||||
| /cm·s−1 | |||||||
| /cm·s−1 | |||||||
| /mol·cm−2·s−1 | |||||||
| /cm·s−1 | |||||||
| /mol·cm−2·s−1 | |||||||
| /mol·cm−2·s−1 | |||||||
| /mol·cm−2·s−1 | |||||||
| /cm·s−1 | |||||||
| /cm·s−1 | |||||||
| /mol·cm−2·s−1 | |||||||
| Re,h Ω·cm2 | 2.56 × 106 | 1.53 × 107 | 2.22 × 106 | 1.37 × 107 | 8.45 × 106 | 9.92 × 106 | |
| /F·cm−2 | |||||||
| /F·cm−2 | 0.90 | 0.92 | 0.95 | 0.92 | |||
| Ω·cm2 | 24 | 24 | 24 | 24 | |||
| σ (Warburg coefficient) | 1.10 × 105 | 5.00 × 103 | 2.13 × 105 | 5.00 × 103 | 8.33 × 104 | 7.66 × 104 | |
| /cm2·s−1 | |||||||
| Iss (A·cm−2)/EXP | |||||||
| Iss (A·cm−2)/PDM | |||||||
| nm/Ellipsometry | 0.148 | 0.210 | 0.272 | 0.443 | |||
| nm/PDM | 0.143 | 0.211 | 0.286 | 0.410 | |||
| E/V vs. SHE | 0.55 | 0.65 | 0.70 | 0.80 | |
|---|---|---|---|---|---|
| Parameter | |||||
| (Calculated) | 2.27 × | 9.06 × | 1.09 × | ||
| (From PDM Optimization) | |||||
Disclaimer/Publisher’s Note: The statements, opinions and data contained in all publications are solely those of the individual author(s) and contributor(s) and not of MDPI and/or the editor(s). MDPI and/or the editor(s) disclaim responsibility for any injury to people or property resulting from any ideas, methods, instructions or products referred to in the content. |
© 2024 by the authors. Licensee MDPI, Basel, Switzerland. This article is an open access article distributed under the terms and conditions of the Creative Commons Attribution (CC BY) license (https://creativecommons.org/licenses/by/4.0/).
Share and Cite
Ghelichkhah, Z.; Macdonald, D.D.; Ferguson, G.S. Mechanistic Analysis of Anodic Oxidation of Gold in KOH (0.1 M) Solution Using the Point Defect Model. Corros. Mater. Degrad. 2024, 5, 450-475. https://doi.org/10.3390/cmd5040021
Ghelichkhah Z, Macdonald DD, Ferguson GS. Mechanistic Analysis of Anodic Oxidation of Gold in KOH (0.1 M) Solution Using the Point Defect Model. Corrosion and Materials Degradation. 2024; 5(4):450-475. https://doi.org/10.3390/cmd5040021
Chicago/Turabian StyleGhelichkhah, Zahed, Digby D. Macdonald, and Gregory S. Ferguson. 2024. "Mechanistic Analysis of Anodic Oxidation of Gold in KOH (0.1 M) Solution Using the Point Defect Model" Corrosion and Materials Degradation 5, no. 4: 450-475. https://doi.org/10.3390/cmd5040021
APA StyleGhelichkhah, Z., Macdonald, D. D., & Ferguson, G. S. (2024). Mechanistic Analysis of Anodic Oxidation of Gold in KOH (0.1 M) Solution Using the Point Defect Model. Corrosion and Materials Degradation, 5(4), 450-475. https://doi.org/10.3390/cmd5040021

