Synthesis, Characterization of Some Conductive Aromatic Polyamides/Fe3O4 NPs/ITO, and Their Utilization for Methotrexate Sensing
Abstract
1. Introduction
2. Materials and Methods
2.1. Materials
2.2. Characterization Techniques
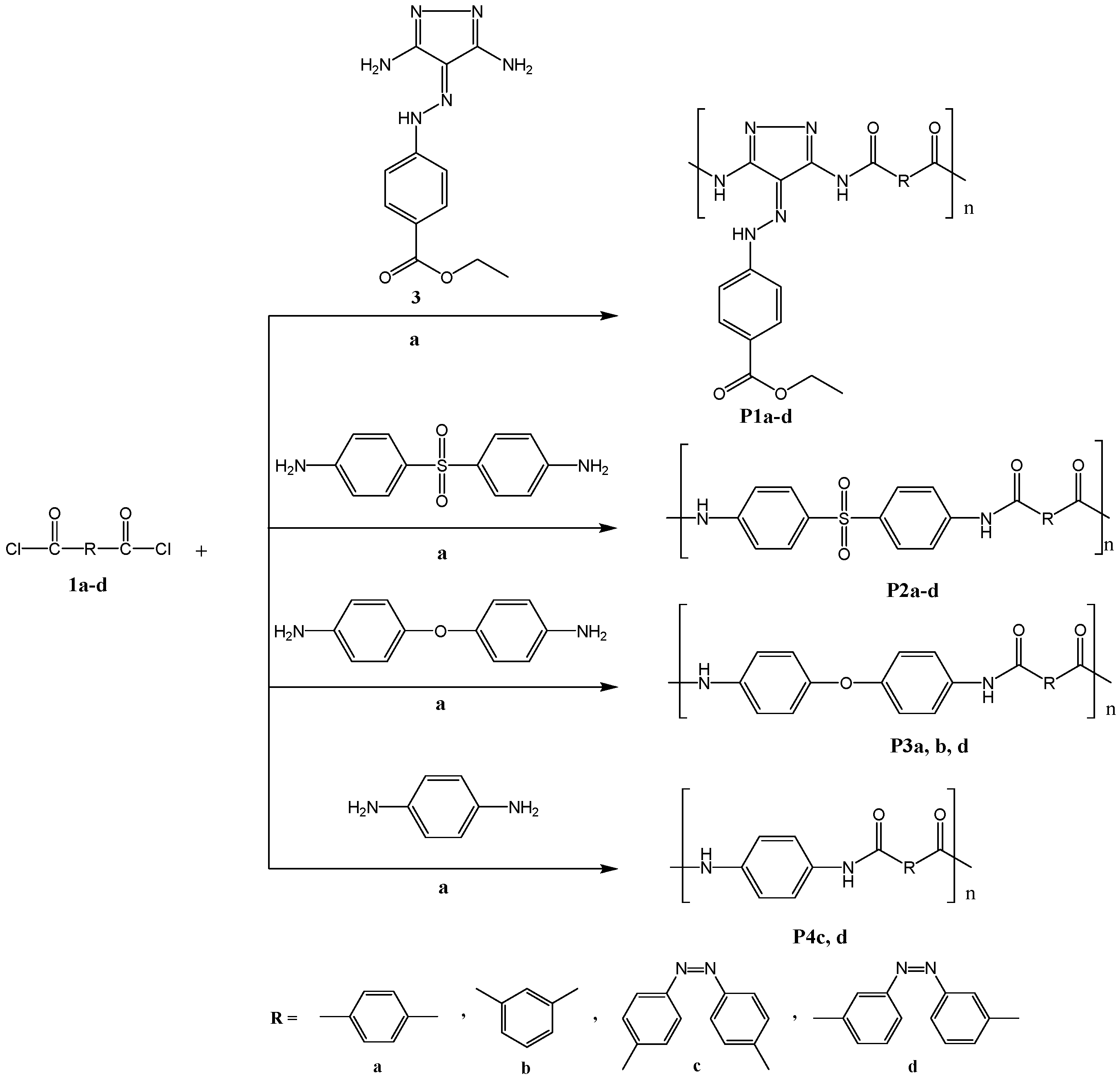
2.3. Monomer Synthesis
2.3.1. Synthesis of the Dicyano Compound 2
2.3.2. Synthesis of the Diamino Monomer 3
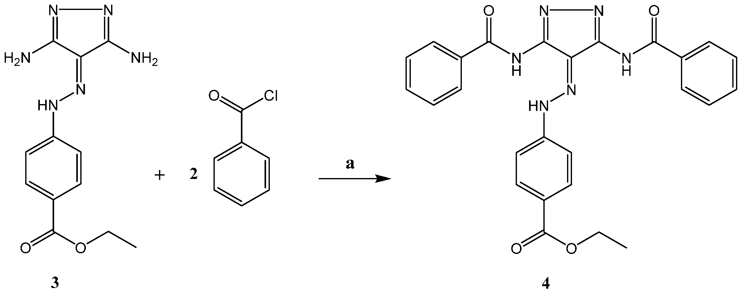
2.3.3. Synthesis of the Model Compound 4
2.4. Polymers Syntheses
2.5. Synthesis of Iron Oxide Nanoparticles by Solvothermal Method
2.6. Electrochemical Measurements
3. Results and Discussion
3.1. Monomer Synthesis
3.2. Synthesis of the Model Compound 4
3.3. Polymerization and Polymer Characterization
3.3.1. Solubility
3.3.2. X-ray Analysis
3.3.3. Scanning Electron Microscope (SEM) Measurements
3.3.4. UV-Vis Absorption Study
3.3.5. TGA Studies
3.3.6. Qualitative Assessment of the Polymers’ Conductivities
3.3.7. Polyamides/Fe3O4 NPs/ITO Electrodes for Analysis of MTX
4. Conclusions
Supplementary Materials
Author Contributions
Funding
Data Availability Statement
Acknowledgments
Conflicts of Interest
References
- Eggins, B.R. Chemical Sensors and Biosensors; John Wiley and Sons: UK, 2002. [Google Scholar]
- Bănică, F.G. Chemical Sensors and Biosensors: Fundamentals and Applications, 1st ed.; Jonh Wiley and Sons, Ltd.: West Sussex, UK, 2012. [Google Scholar]
- Dincer, C.; Bruch, R.; Costa-Rama, E.; Fernández-Abedul, M.T.; Merkoçi, A.; Manz, A.; Urban, G.A.; Güder, F. Disposable Sensors in Diagnostics, Food, and Environmental Monitoring. Adv. Mater. 2019, 31, 1806739. [Google Scholar] [CrossRef]
- Rodriguez-Mozaz, S.; Marco, M.; Lopez de Alda, M.J.; Barceló, D. Biosensors for environmental monitoring of endocrine disruptors. Anal. Bioanal. Chem. 2004, 378, 588–598. [Google Scholar]
- Rodriguez-Mozaz, S.; Lopez de Alda, M.J.; Barceló, D. Biosensors as useful tools for environmental analysis and monitoring. Anal. Bioanal. Chem. 2006, 386, 1025–1041. [Google Scholar] [CrossRef] [PubMed]
- Wang, J. Electrochemical Biosensors: Towards Point-Of-Care Cancer Diagnostics. Biosens. Bioelectron. 2006, 21, 1887–1892. [Google Scholar] [CrossRef] [PubMed]
- Batool, R.; Rhouati, A.; Nawaz, M.H.; Hayat, A.; Marty, J.L. A Review of the Construction of Nano-Hybrids for Electrochemical Biosensing of Glucose. Biosensors 2019, 9, 46. [Google Scholar] [CrossRef] [PubMed]
- Ermakov, V.; Kruchinin, S.; Fujiwara, A. Electronic nanosensors based on nanotransistor with bistability behaviour. In Electron Transport in Nanosystems; Bonca, J., Kruchinin, S., Eds.; Springer: Berlin, Germany, 2008; pp. 341–349. [Google Scholar]
- Boric´, A.; Kalendová, A.; Urbanek, M.; Pepelnjak, T. Characterisation of Polyamide (PA) 12 Nanocomposites with Montmorillonite (MMT) Filler Clay Used for the Incremental Forming of Sheets. Polymers 2019, 11, 1248. [Google Scholar] [CrossRef]
- Anisio da Paz, R.; Leite, A.M.D.; Araújo, E.M.; Medeiros, V.; Alves de Melo, T.J.; Pessan, L.A. Mechanical and thermo mechanical properties of polyamide 6/Brazilian organoclay nanocomposites. Polímeros 2016, 26, 52–60. [Google Scholar]
- Trigo-López, M.; Sanjuán, A.M.; Mendía, A.; Muñoz, A.; García, F.C.; García, J.M. Heteroaromatic Polyamides with Improved Thermal and Mechanical Properties. Polymers 2020, 12, 1793. [Google Scholar] [CrossRef]
- Dahiya, J.B.; Muller-Hagedorn, M.; Bockhorn, H.; Kandola, B.K. Synthesis and thermal behaviour of polyamide 6/bentonite/ammonium polyphosphate composites. Polym. Degrad. Stab. 2008, 93, 2038–2041. [Google Scholar] [CrossRef]
- Chen, G.; Wu, D.; Weng, W.; Yan, W. Preparation of Polymer/Graphite Conducting Nanocomposite by Intercalation Polymerization. J. Appl. Polym. Sci. 2001, 82, 2506–2513. [Google Scholar] [CrossRef]
- Wu, H.; Krifa, M.; Koo, J.H. Flame retardant polyamide 6/nanoclay/ intumescent nanocomposite fibers through electrospinning. Text. Res. J. 2014, 84, 1106–1118. [Google Scholar] [CrossRef]
- Zhou, Y.-T.; Huang, Z.-Z.; Song, C.; Tang, C.-C.; Liu, X.-L.; Sheng, S.-R. New fluorinated aromatic polyamides based on N,N-bis(4-carboxyphenyl)-4-trifluoromethylaniline. High Perform. Polym. 2019, 31, 613–622. [Google Scholar] [CrossRef]
- Horrocks, R.; Sitpalan, A.; Zhou, C.; Kandola, B.K. Flame Retardant Polyamide Fibres: The Challenge of Minimising Flame Retardant Additive Contents with Added Nanoclays. Polymers 2016, 8, 288. [Google Scholar] [CrossRef]
- Majka, T.M.; Leszczýnska, A.; Kandola, B.K.; Pornwannachai, W.; Pielichowsk, K. Modification of organo-montmorillonite with disodium H-phosphonate to develop flame retarded polyamide 6 nanocomposites. Appl. Clay. Sci. 2017, 139, 28–39. [Google Scholar] [CrossRef]
- He, W.; Zhu, H.; Xiang, Y.; Long, L.; Qin, S.; Yu, J. Enhancement of flame retardancy and mechanical properties of polyamide 6 by incorporating an aluminum salt of diisobutylphosphinic combined with organoclay. Polym. Degrad. Stab. 2017, 144, 442–453. [Google Scholar] [CrossRef]
- Bandaru, A.K.; Chouhan, H.; Bhatnagar, N. High strain rate compression testing of intra-ply and inter-ply hybrid thermoplastic composites reinforced with Kevlar/basalt fibers. Polym. Test. 2020, 84, 106407. [Google Scholar] [CrossRef]
- Lingesh, B.V.; Ravikumar, B.N.; Rudresh, B.M. Investigation on the Mechanical Behavior of Polyamide 66/Polypropylene Blends. Indian J. Adv. Chem. Sci. 2016, 4, 168–171. [Google Scholar]
- Oh, J.-H.; Bae, J.-H.; Kim, J.-H.; Lee, C.S.; Lee, J.-M. Effects of Kevlar pulp on the enhancement of cryogenicmechanical properties of polyurethane foam. Polym. Test. 2019, 80, 106093. [Google Scholar] [CrossRef]
- Liang, Y.; Xia, X.; Lou, Y.; Jia, Z. Synthesis and performances of Fe2O3/PA-6 nanocomposite fiber. Mater. Lett. 2007, 61, 3269–3272. [Google Scholar] [CrossRef]
- Gutch, P.K.; Banerjee, S.; Jaiswal, D.K. Synthesis and Properties of Novel Aromatic Polyamides Derived from 2,2-Bis[4-(4-amino-2- fluorophenoxy)phenyl]hexafluoropropane and Aromatic Dicarboxylic Acids. J. Appl. Polym. Sci. 2003, 89, 691–696. [Google Scholar] [CrossRef]
- Soygun, K.; Bolayir, G.; Boztug, A. Mechanical and thermal properties of polyamide versus reinforced PMMA denture base materials. J. Adv. Prosthodont. 2013, 5, 153–160. [Google Scholar] [CrossRef]
- Alaghemandi, M.; Gharib-Zahedi, M.R.; Spohr, E.; Böhm, M.C. Thermal conductivity of polyamide-6,6 in the vicinity of charged and uncharged graphene layers: A Molecular Dynamics Analysis. J. Phys. Chem. C 2012, 116, 14115–14122. [Google Scholar] [CrossRef]
- Shoji, B.Y.; Mizoguchi, K.; Ueda, M. Synthesis of aramids by polycondensation of aromatic dicarboxylic acids with aromatic diamines containing ether linkages. Polym. J. 2008, 40, 680–681. [Google Scholar] [CrossRef]
- Yao, J.; You, Y.; Lei, Y.; Dong, L.; Xiong, C.; Sun, Z. Main chain azo polyaramides with high thermal stability and liquid crystal properties. J. Polym. Res. 2009, 16, 455–460. [Google Scholar] [CrossRef]
- He, L.; Mao, H.; Chao, D.; Zhany, W. Electroactive azo polyamide based oligoaniline: Synthesis and characterization. Polym. J. 2007, 39, 1172–1176. [Google Scholar] [CrossRef]
- Choi, J.H.; Kim, T.H.; El-Said, W.A.; Lee, J.H.; Yang, L.; Conley, B.; Choi, J.W.; Lee, K.B. In Situ Detection of Neurotransmitters from Stem Cell-Derived Neural Interface at the Single-Cell Level via Graphene-Hybrid SERS Nanobiosensing. Nano Lett. 2020, 20, 7670–7679. [Google Scholar] [CrossRef] [PubMed]
- Khan, F.; Akhtar, N.; Jalal, N.; Hussain, I.; Szmigielski, R.; Hayat, M.Q.; Ahmad, H.B.; El-Said, W.A.; Yang, M.; Janjua, H.A. Carbon-dot wrapped ZnO nanoparticle-based photoelectrochemical sensor for selective monitoring of H2O2 released from cancer cells. Microchim. Acta 2019, 186, 127. [Google Scholar] [CrossRef] [PubMed]
- El-Said, W.A.; Kim, T.H.; Chung, Y.H.; Choi, J.W. Fabrication of New Single Cell chip to Monitor Intracellular and Extracellular Redox State based on Spectroelectrochemical method. Biomaterials 2015, 40, 80–87. [Google Scholar] [CrossRef] [PubMed]
- Kim, T.H.; El-Said, W.A.; Choi, J.W. Highly Sensitive Electrochemical Detection of Potential Cytotoxicity of CdSe/ZnS Quantum Dots Using Neural Cell Chip. Biosens. Bioelectron. 2012, 32, 266–272. [Google Scholar] [CrossRef]
- Rebollar-Pérez, G.; Campos-Terán, J.; Ornelas-Soto, N.; Méndez-Albores, A.; Torres, E. Biosensors based on oxidative enzymes for detection of environmental pollutants. Biocatalysis 2015, 1, 118–129. [Google Scholar] [CrossRef]
- Khalid, M.; Mohammad, F. Preparation, electrical properties and thermal stability of conductive polyaniline: Nylon-6, 6 composite films. eXPRESS Polym. Lett. 2007, 1, 711–716. [Google Scholar] [CrossRef]
- Arboleda-Clemente, L.; Ares-Pernas, A.; Garcia, X.; Dopico, S.; Abad, M.J. Improving the electrical properties of polyamide nanocomposites. Soc. Plast. Eng. 2016, 1, 1–3. [Google Scholar]
- Meincke, O.; Kaempfer, D.; Weickmann, H.; Friedrich, C.; Vathauer, M.; Warth, H. Mechanical properties and electrical conductivity of carbon-nanotube filled polyamide-6 and its blends with acrylonitrile/butadiene/styrene. Polymer 2004, 45, 739–748. [Google Scholar] [CrossRef]
- Yan, D.; Zhang, H.B.; Jia, Y.; Hu, J.; Qi, X.Y.; Zhang, Z.; Yu, Z.Z. Improved electrical conductivity of polyamide 12/grapheme nanocomposites with maleated polyethylene-octene rubber prepared by melt compounding. ACS Appl. Mater. Interfaces 2012, 4, 4740–4745. [Google Scholar] [CrossRef]
- Zhou, S.; Chen, Y.; Zou, H.; Liang, M. Thermally conductive composites obtained by flake graphite filling immiscible polyamide 6/polycarbonate blends. Thermochim. Acta 2013, 566, 84–91. [Google Scholar] [CrossRef]
- Kim, T.D.; Bae, H.M.; Lee, K.S. Synthesis and characterization of a new polyester having photo-crosslinkable cinnamoyl group. Bull. Korean Chem. Soc. 2002, 23, 1031–1034. [Google Scholar]
- Sanadhya, S.G.; Oswal, S.; Parmar, K.C. Synthesis and characterization of wholly aromatic polyesters using interfacial polycondensation technique. Der Pharma Chem. 2014, 6, 156–163. [Google Scholar]
- Gorde, P.; Pingle, A.; Wagh, S. Design and development of novel azobenzene dicarboxylic acid allyl ester polymers for colon specific drug delivery. IAJPR 2014, 5, 1491–1498. [Google Scholar]
- El-Said, W.A.; Abdel-Rahman, M.A.; Sayed, E.M.; Abdel-Wahab, A.A. Electrochemical Monitoring of Methotrexate Anticancer Drug in Human Blood Serum by Using in situ Solvothermal Synthesized Fe3O4/ITO Electrode. Electroanalysis 2019, 31, 829–837. [Google Scholar] [CrossRef]
- Aly, K.I.; Abdel-Rahman, M.A.; Hussein, M.A. New polymer syntheses Part 53. Novel polyamides of diarylidenecycloalkanone containing azo groups in the polymer backbone: Synthesis and characterization. Int. J. Polym. Mater. 2010, 59, 553–569. [Google Scholar] [CrossRef]
- Hammam, A.S.; Aly, K.I.; Radwan, S.M.; Abdel-Rahman, M.A. Liquid crystalline polymers VIII: Thermotropic liquid crystalline poly(hydrazone-ether)s containing bis-thiophene linked to the main chain through spacers of various lengths. J. Sulfur Chem. 2007, 28, 547–561. [Google Scholar] [CrossRef]
- Aly, K.I.; Hammam, A.S.; Radwan, S.M.; Abdel-Rahman, M.A. New Unsaturated Copolyesters based on Diarylidenecyclopentanone. Optimum conditions of Synthesis, Characterization and Morphology. Int. J. Bas. Appl. Sci. 2010, 11, 15–35. [Google Scholar]
- Aly, K.I.; Al-Muaikel, N.S.; Abdel-Rahman, M.A.; Tolba, A.H. Liquid crystalline polymers XVI. Thermotropic liquid crystalline copoly(arylidene-ether)/TiO2 Nanocomposites: Synthesis, characterisation and applications. Liq. Cryst. 2019, 46, 1734–1746. [Google Scholar] [CrossRef]
- Ebewele, R.O. Chemical bonding and polymer structure, morphology of crystalline polymers. In Polymer Science and Technology; CRC Press: Boca Raton, NY, USA, 2000; Chapter 3; pp. 90–107. [Google Scholar]
- Tager, A. Physical Chemistry of Polymers; Mir Publisher: Moscow, Russia, 1972; pp. 303–310. [Google Scholar]
- Hsiao, S.H.; Peng, S.C.; Kung, Y.R.; Leu, C.M.; Lee, T.M. Synthesis and electro-optical properties of aromatic polyamides and polyimides bearing pendent 3,6-dimethoxycarbazole units. Eur. Polym. J. 2015, 73, 50–64. [Google Scholar] [CrossRef]
- Bundgaard, E.; Krebs, F.C. Low band gap polymers for organic photovoltaics. Sol. Energy Mater. Sol. Cells 2007, 91, 954–985. [Google Scholar] [CrossRef]
- Agrawal, S.; Narula, A.K. Facile synthesis of new thermally stable and organosoluble polyamide-imides based on non-coplaner phosphorus and silicon containing amines. J. Chem. Sci. 2014, 126, 1849–1859. [Google Scholar] [CrossRef]
- Hsiao, S.H.; Liou, G.S.; Kung, Y.C.; Hsiung, T.J. Synthesis and properties of new aromatic polyamides with redox-active 2,4-dimethoxytriphenylamine moieties. J. Polym. Sci. Part A Polym. Chem. 2010, 48, 3392–3401. [Google Scholar] [CrossRef]
- Zhao, Z.P.; Guo, Q.; Li, X.; Sun, J.L.; Nie, Z.J. Synthesis and thermal degradation characterization of novel poly(phosphazene-aryl amides). EXPRESS Polym. Lett. 2012, 6, 308–317. [Google Scholar] [CrossRef]
- Hussein, M.A.; Abdel Rahman, M.A.; Aly, K.I. New polymer syntheses part 56: Novel friedel-crafts polyketones containing naphthalene moiety: Synthesis, characterization and antimicrobial activity. J. Macromol. Sci. Part A 2013, 50, 99–109. [Google Scholar] [CrossRef]
- Aly, K.I.; Abdel-Rahman, M.A.; Tolba, A.H. Liquid crystalline polymers XV. Synthesis, properties and cytotoxicity of photoresponsive thermotropic liquid crystalline copoly (arylidene-ether)s based on 4-tert-butylcyclohexanone and cyclohexanone moieties in the main chain. Liq. Cryst. 2018, 45, 187–203. [Google Scholar] [CrossRef]
- Hussein, M.A.; Abdel-Rahman, M.A.; Geies, A.A. New heteroaromatic polyazomethines containing naphthyridine moieties: Synthesis, characterization, and biological screening. J. Appl. Polym. Sci. 2012, 126, 2–12. [Google Scholar] [CrossRef]
- Rao, V.S.; Samui, A. Molecular engineering of photoactive liquid crystalline polyester epoxies containing benzylidene moiety. J. Polym. Sci. Part A Polym. Chem. 2008, 46, 7637–7655. [Google Scholar] [CrossRef]
- Kiziltas, E.E.; Yang, H.S.; Kiziltas, A.; Boran, S.; Ozen, E.; Gardner, D.J. Thermal analysis of polyamide 6 composites filled by natural fiber blend. BioResources 2016, 11, 4758–4769. [Google Scholar] [CrossRef]
- Balaji, K.; Murugavel, S.C. Synthesis, spectral and thermal characterization of photosensitive poly(ether–ester)s containing α,β-unsaturated ketone moieties in the main chain derived from 2,6-bis[4-(3-hydroxypropyloxy)-3-methoxy-benzylidene]cyclo-hexanone. J. Appl. Polym. Sci. 2011, 120, 3141–3150. [Google Scholar] [CrossRef]
- Muthusamy, A.; Balaji, K.; Murugavel, S.C. Synthesis, thermal, and photocrosslinking studies of thermotropic liquid crystalline poly(benzylidene-ether) esters containing α,β-unsaturated ketone moiety in the main chain. J. Polym. Sci. Part A Polym. Chem. 2013, 51, 1707–1715. [Google Scholar] [CrossRef]
- Gorrasi, G.; Bredeau, S.; Candia, C.; Patimo, G.; De Pasquale, S.; Dubois, P. Electroconductive polyamide 6/MWNT nanocomposites: Effect of nanotube surface-coating by in situ catalyzed polymerization. Macromol. Mater. Eng. 2011, 296, 408–413. [Google Scholar] [CrossRef]
- Hooshmand, S.; Soroudi, A.; Skrifvars, M. Electro-conductive composite fibers by melt spinning of polypropylene/polyamide/carbon nanotubes. Synth. Met. 2011, 161, 1731–1737. [Google Scholar] [CrossRef]
- Park, S.C. Electroconductive polyamide resin composition and molded product for motor component prepared therefrom. U.S. Patent No. 6,828,375, 7 December 2004. [Google Scholar]
- Wang, K.; Lin, X.; Zhang, M.; Li, Y.; Luo, C.; Wu, J. Review of Electrochemical Biosensors for Food Safety Detection. Biosensors 2022, 12, 959. [Google Scholar] [CrossRef]
- Zhang, Y.; Lin, T.; Shen, Y.; Li, H. A High-Performance Self-Supporting Electrochemical Biosensor to Detect Aflatoxin B1. Biosensors 2022, 12, 897. [Google Scholar] [CrossRef]
- Rong, Q.; Han, H.; Feng, F.; Ma, Z. Network nanostructured polypyrrole hydrogel/Au composites as enhanced electrochemical biosensing platform. Sci. Rep. 2015, 5, 11440. [Google Scholar] [CrossRef]
- Cui, F.; Jafarishad, H.; Zhou, Z.; Chen, J.; Shao, J.; Wen, Q.; Liu, Y.; Zhou, H.S. Batch fabrication of electrochemical sensors on a glycol-modified polyethylene terephthalate-based microfluidic device. Biosens. Bioelectron. 2020, 167, 112521. [Google Scholar] [CrossRef] [PubMed]
- Niu, L.M.; Lian, K.Q.; Shi, H.M.; Wu, Y.B.; Kang, W.J.; Bi, S.Y. Characterization of an ultrasensitive biosensor based on a nano-Au/DNA/nano-Au/poly (SFR) composite and its application in the simultaneous determination of dopamine, uric acid, guanine, and adenine. Sens. Actuators B Chem. 2013, 178, 10–18. [Google Scholar] [CrossRef]
- Stefan, R.I.; Bokretsion, R.G.; Frederick van Staden, J.; Aboul-Enein, H.Y. Simultaneous determination of L-and D-methotrexate using a sequential injection analysis/amperometric biosensors system. Biosens. Bioelectron. 2003, 19, 261–267. [Google Scholar] [CrossRef] [PubMed]
- Linting, Z.; Ruiyi, L.; Zaijun, L.; Qianfang, X.; Yinjun, F.; Junkang, L. An immunosensor for ultrasensitive detection of aflatoxin B1 with an enhanced electrochemical performance based on graphene/conducting polymer/gold nanoparticles/the ionic liquid composite film on modified gold electrode with electrodeposition. Sens. Actuators B Chem. 2012, 174, 359–365. [Google Scholar] [CrossRef]









| Polymer Code | DMF | DMSO | THF | CHCl3 | DCM | HCOOH | NMP |
|---|---|---|---|---|---|---|---|
| P1a | + | + | + | - | - | + | ++ |
| P1b | + | + | + | - | - | + | ++ |
| P1c | + | + | + | - | - | + | ++ |
| P1d | + | + | + | - | - | + | ++ |
| P2a | + | + | - | - | - | + | ++ |
| P2b | ++ | ++ | + | - | - | - | ++ |
| P2c | + | + | - | - | - | - | ++ |
| P2d | - | + | - | - | - | - | ++ |
| P3a | - | + | - | - | - | - | ++ |
| P3b | - | ++ | - | - | - | - | ++ |
| P3d | - | + | - | - | - | - | ++ |
| P4c | - | + | + | - | - | - | ++ |
| P4d | - | ++ | + | - | - | - | ++ |
| Polyamide Code | Temperature (°C) for Various Decomposition Levels a | |||||||
| 10% | 20% | 30% | 40% | 50% | IDT b | (CR) c% | LOI d | |
| P1a | 255 | 420 | 530 | 590 | 800 | 195 | 52.5 | 38.5 |
| P1b | 310 | 450 | 536 | 596 | 800 | 200 | 52.4 | 38.46 |
| P1c | 195 | 320 | 530 | 580 | 800 | 155 | 52.2 | 38.38 |
| P1d | 225 | 412 | 531 | 594 | 767 | 170 | 51.5 | 38.10 |
| P2a | 393 | 494 | 584 | 680 | 800 | 305 | 52.7 | 38.58 |
| P2b | 253 | 403 | 560 | 648 | 737 | 170 | 44.2 | 35.18 |
| P2c | 275 | 388 | 469 | 557 | 661 | 170 | 44.6 | 35.34 |
| P2d | 235 | 297 | 390 | 500 | 690 | 150 | 48 | 36.7 |
| P3a | 250 | 420 | 550 | 616 | 670 | 175 | 41.4 | 34.04 |
| P3b | 305 | 480 | 550 | 610 | 680 | 200 | 47.4 | 36.46 |
| P3d | 443 | 503 | 580 | 690 | 800 | 280 | 52.3 | 38.42 |
| P4c | 210 | 300 | 398 | 500 | 660 | 170 | 44.2 | 35.18 |
| P4d | 214 | 310 | 420 | 540 | 630 | 180 | 41.2 | 33.98 |
Disclaimer/Publisher’s Note: The statements, opinions and data contained in all publications are solely those of the individual author(s) and contributor(s) and not of MDPI and/or the editor(s). MDPI and/or the editor(s) disclaim responsibility for any injury to people or property resulting from any ideas, methods, instructions or products referred to in the content. |
© 2023 by the authors. Licensee MDPI, Basel, Switzerland. This article is an open access article distributed under the terms and conditions of the Creative Commons Attribution (CC BY) license (https://creativecommons.org/licenses/by/4.0/).
Share and Cite
Abdel-Rahman, M.A.; El-Said, W.A.; Sayed, E.M.; Abdel-Wahab, A.-M.A. Synthesis, Characterization of Some Conductive Aromatic Polyamides/Fe3O4 NPs/ITO, and Their Utilization for Methotrexate Sensing. Surfaces 2023, 6, 83-96. https://doi.org/10.3390/surfaces6010007
Abdel-Rahman MA, El-Said WA, Sayed EM, Abdel-Wahab A-MA. Synthesis, Characterization of Some Conductive Aromatic Polyamides/Fe3O4 NPs/ITO, and Their Utilization for Methotrexate Sensing. Surfaces. 2023; 6(1):83-96. https://doi.org/10.3390/surfaces6010007
Chicago/Turabian StyleAbdel-Rahman, Mona A., Waleed A. El-Said, Eman M. Sayed, and Aboel-Magd A. Abdel-Wahab. 2023. "Synthesis, Characterization of Some Conductive Aromatic Polyamides/Fe3O4 NPs/ITO, and Their Utilization for Methotrexate Sensing" Surfaces 6, no. 1: 83-96. https://doi.org/10.3390/surfaces6010007
APA StyleAbdel-Rahman, M. A., El-Said, W. A., Sayed, E. M., & Abdel-Wahab, A.-M. A. (2023). Synthesis, Characterization of Some Conductive Aromatic Polyamides/Fe3O4 NPs/ITO, and Their Utilization for Methotrexate Sensing. Surfaces, 6(1), 83-96. https://doi.org/10.3390/surfaces6010007

