Indoor Air Quality Sensor Utilization for Unwanted Fire Alarm Improvement in Studio-Type Apartments
Abstract
:1. Introduction
1.1. Research Background
1.2. Research Trends and Purpose
2. Approach
2.1. Statistics of Unwanted Fire Alarms
2.2. Smoke Performance Test
2.3. Smoke Detector Installaion Positions
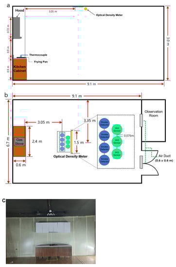
3. Method
3.1. General Details
3.2. Cooking Nuisance Smoke Alarm Test
3.3. Studio-Type Apartment Test
4. Results and Discussion
4.1. Cooking Nuisance Smoke Alarm Test
4.1.1. Uniformity of Using Optical Density Meter (ODM) and Build-Up Time
4.1.2. The Activation Time of the Smoke Detector
4.1.3. Indoor Air Quality Sensor
4.1.4. Proposed Algorithm for Unwanted Fire Alarms
4.2. Studio-Type Apartment Test
4.2.1. Consistency of Testing through ODM and Build-Up Time
4.2.2. Apply the Algorithm and Discussion
4.3. Limitations and Complements of This Study
5. Conclusions
Author Contributions
Funding
Institutional Review Board Statement
Informed Consent Statement
Data Availability Statement
Acknowledgments
Conflicts of Interest
References
- ISO 7240-1:2014; Fire Detection and Alarm Systems-Part 1: General and Definitions, 3rd ed. International Standards Organization: Geneva, Switzerland, 2014; ISBN 978-0-580-83497-4.
- Choi, H.B.; Hwang, E.H.; Lee, S.E.; Choi, D.M. A Comparison and Analysis of Domestic and Foreign Standards Related to Un-wanted Fire Alarms. Fire Sci. Eng. 2020, 34, 104–113. [Google Scholar] [CrossRef]
- Milke, J.; Zevotek, R. Analysis of the Response of Smoke Detectors to Smoldering Fires and Nuisance Sources. Fire Technol. 2016, 52, 1235–1253. [Google Scholar] [CrossRef]
- Tannous, W.K. The economic cost of unwanted automatic fire alarms. J. Fire Sci. 2021, 124, 103394. [Google Scholar] [CrossRef]
- Choi, H.B. Response Characteristics of Smoke Detecting Factors for Reducing Unwanted Fire Alarms in Multi-Family Housing. Master’s Thesis, General Graduate School of Gachon University, Seongnam-si, Republic of Korea, 2022. [Google Scholar]
- Choi, Y.J. A Study on Smoke Properties and Detection Methods according to Combustibles in case of Fire. Ph.D. Thesis, Graduate School of Hoseo University, Asan-si, Republic of Korea, 2021. [Google Scholar]
- U.S. Consumer Product Safety Commission. Smoke Alarms—Pilot Study of Nuisance Alarms Associated with Cooking. 2010. Available online: https://www.cpsc.gov/s3fs-public/pdfs/blk_media_smokealarmnuisance.pdf (accessed on 1 March 2010).
- Underwriters Laboratories Inc. Characterization of Smoke Alarm Nuisance Sources from Cooking Scenarios. 2015. Available online: https://library.ul.com/wp-content/uploads/sites/40/2015/06/Characterization-of-Smoke-Alarm-Nuisance-Sources-from-Cooking-Events_Final.pdf (accessed on 19 August 2015).
- Zevotek, R. Identification of Precurser Signals to Impending Cooking Related Fires. Master’s Thesis, Graduate School of the University of Maryland, College Park, MD, USA, 2015. [Google Scholar]
- Campbell, S.; O’Neill, J. Automatic Fire Alarm & Detection Systems, ABI Work Programme—Workstream Two Final Version; Howard Passey, London Road, UK, 2018, Fire Protection Association, Research Report. Available online: https://www.abi.org.uk/globalassets/files/publications/public/property/2018/07/abi-fpa-detection-demonstration-report-2018.pdf (accessed on 1 March 2018).
- Wang, X.; Zhou, H.; Arnott, W.P.; Meyer, M.E.; Taylor, S.; Firouzkouhi, H.; Moosmüller, H.; Chow, J.C.; Watson, J.G. Evaluation of gas and particle sensors for detecting spacecraft-relevant fire emissions. J. Fire Sci. 2020, 113, 102977. [Google Scholar] [CrossRef]
- Mensch, A.; Hamins, A.; Markell, K. Development of a Detection Algorithm for Kitchen Cooktop Ignition Prevention. Available online: https://www.nist.gov/publications/development-detection-algorithm-kitchen-cooktop-ignition-prevention (accessed on 30 September 2018).
- Jung, S.H. The Latest Trends of Single-Person Households Related Policy in USA. Glob. Soc. Secur. Rev. 2019, 11, 37–49. Available online: https://www.kihasa.re.kr/publish/regular/gss/search/view?seq=24641&volume=24500&searchType=writer&searchText=%EC%A0%95%EC%88%9C%ED%9D%AC (accessed on 15 December 2019).
- Kim, H.K. What Are the Policy Responses to Increasing One-Person Households Across the Globe? Glob. Soc. Secur. Rev. 2019, 11, 5–15. Available online: https://www.kihasa.re.kr/publish/regular/gss/search/view?seq=24638&volume=24500&searchType=writer&searchText=%EA%B9%80%ED%98%95%EA%B7%A0 (accessed on 15 December 2019).
- National Fire Agency; Korea Fire Institute. References for Selection and Management of Adaptive Detectors by Location for Reducing Unwanted Fire Alarms. 2019. Available online: http://www.hongik119.com/bbs/board.php?bo_table=51&wr_id=47# (accessed on 17 October 2019).
- Hwang, E.H.; Choi, H.B.; Jung, S.B.; Lee, S.E.; Choi, D.M. Development of a Framework for the Efficient Management of Unwanted Fire Alarms in Fire-fighting Facilities. Fire Sci. Eng. 2022, 36, 29–44. [Google Scholar] [CrossRef]
- Federal Emergency Management Agency. National Fire Incident Reporting System—Complete Reference Guide. 2015. Available online: https://www.usfa.fema.gov/downloads/pdf/nfirs/NFIRS_Complete_Reference_Guide_2015.pdf (accessed on 21 January 2015).
- U.K. Government. Home Office-Fire and Rescue Incident Statistics England, Year Ending December 2021: Data Tables—Table 0104. 2022. Available online: https://www.gov.uk/government/statistical-data-sets/fire0104-previous-data-tables (accessed on 9 August 2018).
- UL 268; Standard for Safety Smoke Detectors for Fire Alarm Systems, 7th ed. Underwriters Laboratories: Northbrook, IL, USA, 2016.
- Ministry of Government Legislation. National Fire Safety Code 203. 2022. Available online: law.go.kr/admRulSc.do?menuId=5&subMenuId=41&tabMenuId=183&query=NFSC#liBgcolor28 (accessed on 9 May 2022).
- NFPA 72; National Fire Alarm and Signaling Code, 9th ed. National Fire Protection Association: Quincy, MA, USA, 2019; ISBN 978-1-4559-1974-1.
- BS 5839-1:2017; Fire Detection and Fire Alarm Systems for Buildings Part 1, 5th ed. British Standards Institution: London, UK, 2018; ISBN 978-0-539-00071-9.
- BS 5839-6:2019; Fire Detection and Fire Alarm Systems for Buildings Part 6, 3rd ed. British Standards Institution: London, UK, 2019; ISBN 978-0-580-52359-5.
- Ministry of Government Legislation. Minimum Housing Standards. 2011. Available online: https://www.law.go.kr/admRulSc.do?menuId=5&subMenuId=41&tabMenuId=183&query=%EC%B5%9C%EC%A0%80%EC%A3%BC%EA%B1%B0%EA%B8%B0%EC%A4%80#liBgcolor2 (accessed on 27 May 2011).
- Ministry of Government Legislation. Housing Act. 2022. Available online: https://www.law.go.kr/LSW/eng/engLsSc.do?y=23&x=37&menuId=1&query=MULTI-FAMILY+HOUSING+MANAGEMENT+ACT#liBgcolor14 (accessed on 4 May 2023).
- Ministry of Government Legislation. Multi-Family Housing Management Act. 2022. Available online: https://www.law.go.kr/LSW/eng/engLsSc.do?query=MULTI-FAMILY+HOUSING+MANAGEMENT+ACT&menuId=1&y=23&x=37#liBgcolor1 (accessed on 11 February 2022).
- 2021 International Building Code, 1st ed.; International Code Council (ICC): Washington, DC, USA, 2020.
- Chief Building Official for Public Use. Maximum Occupancy of Dwelling Units for Sleeping Purposes; Chief Building Official for Public Use: Concord, CA, USA, 2012. [Google Scholar]
- HM Government. The Building Regulations 2010 Fire Safety, 2019th ed.; HM Government: London, UK, 2022; Volume 1, ISBN 987-1-85946-915-6.
- Smith, N.; Julie Fleck, O.B.E.; Smalley, R. Shaping Neighbourhoods Accessible London: Achieving an Inclusive Environment Supplementary Planning Guidance, Mayor of London. 2014. Available online: https://www.london.gov.uk/what-we-do/planning/implementing-london-plan/london-plan-guidance#acc-i-63685 (accessed on 6 October 2014).
- Korea Meat Trade Association. Available online: http://www.kmta.or.kr/kr/data/stats_spend.php (accessed on 20 May 2023).
- Lee, Y.H. Available online: https://m.yna.co.kr/amp/view/AKR20190719088000051 (accessed on 25 July 2019).
- Yeo, Y.J. Smoke Management Engineering, 1st ed.; Korea Fire Research Institute: Gwangmyeong-si, Republic of Korea, 2010; pp. 3–5. ISBN 978-89-958007-2-0. [Google Scholar]
- U.S. National Bureau of Standards Washington D.C. NBS GCR 75-51_Detector Sensitivity and Siting Requirements for Dwellings, Technical Report 1975. Available online: https://www.nist.gov/system/files/documents/2017/04/28/NISTGCR_75_51.pdf (accessed on 20 May 2023).
- Lawson, D.I. Fire Detection Using Laser Beams. Fire Technol. 1968, 4, 257–264. Available online: https://link.springer.com/article/10.1007/BF02588636 (accessed on 1 November 1968). [CrossRef]
- Sakong, S.H. False Fire Alarm of Automatic Fire Detection System; Research Report; Korea Fire Institute: Yongin-si, Republic of Korea, 1984. [Google Scholar]
- Milke, J.A.; McAvoy, T.J. Analysis of Signature Patterns for Discriminating Fire Detection with Multiple Sensors. Fire Technol. 1995, 31, 120–136. Available online: https://link.springer.com/content/pdf/10.1007/BF01040709.pdf (accessed on 1 May 1995). [CrossRef]
- Gottuk, D.T.; Peatross, M.J.; Roby, R.J.; Beyler, C.L. Advanced Fire Detection Using Multi-signature Alarm. J. Fire Sci. 2002, 37, 381–394. Available online: https://tsapps.nist.gov/publication/get_pdf.cfm?pub_id=916590 (accessed on 1 June 2022). [CrossRef]
- National Institute of Standards and Technology. NIST Technical Note 1455-1:Performance of Home Smoke Alarms Analysis of the Response of Several Available Technologies in Residential Fire Settings. 2008. Available online: https://www.nist.gov/system/files/documents/2017/04/28/NIST_TN_1455-1_Feb2008.pdf (accessed on 1 February 2008).
- Lee, K.Y.; Park, S.M.; An, H.W.; Cho, H.D.; Han, B.H. Prediction of Thermal Diffusivities of Meat Products Containing Fish Meat. Bull. Korean Fish. Soc. 1993, 26, 26–30. Available online: https://koreascience.kr/article/JAKO199323607629814.pdf (accessed on 1 January 1993).
- Thomas, G.C.; Chernovsky, A. Technical Note, Smoke Alarm Performance in Kitchen Fires and Nuisance Alarm Scenarios; NIST TN-1784 Report; National Institute Standards and Technology: Gaithersburg, MD, USA, 2013. Available online: https://nvlpubs.nist.gov/nistpubs/TechnicalNotes/NIST.TN.1784.pdf (accessed on 21 January 2013).
- Kravontka, S.J. False fire alarms in urban public schools. Fire Technol. 1974, 10, 221–227. [Google Scholar] [CrossRef]
















| Country | Designation | Statute | Regulation |
|---|---|---|---|
| Republic of Korea | Studio-type Housing | Enforcement Decree of The Housing Act Minimum Housing Recommendation | 14 to 60 m2 Bathrooms and kitchens shall be installed so that each household can reside in such housing independently from other households. |
| U.S. | Studio-type Apartment | IBC—Section 1208.4 | 17.7 m2 |
| Maximum Occupancy of Dwelling Units for Sleeping Purposes | 20.44 m2 | ||
| U.K. | Studio-Flat | London’s planning guidance | 37 m2 |
| Thin-Sliced Pork Belly | Mackerel | |||||||
|---|---|---|---|---|---|---|---|---|
| Case 1 | Case 2 | Case 3 | Case 4 | Case 1 | Case 2 | Case 3 | Case 4 | |
| The room temperature (°C) | 23.9 | 24.8 | 23.8 | 23.1 | 20.9 | 21.7 | 22.6 | 23.9 |
| Humidity (%) | 40.1 | 39.8 | 42.8 | 42.1 | 42.3 | 41.2 | 48.3 | 41.5 |
| Air current (m/s) | 0.0 | 0.0 | 0.0 | 0.0 | 0.0 | 0.0 | 0.0 | 0.0 |
| Before the experiment mass (g) | 300.2 | 290.9 | 309.6 | 302.4 | 309.0 * | 309.0 * | 318.2 * | 316.6 * |
| After the experiment mass (g) | 121.8 | 122.8 | 133.0 | 96.8 | 186.9 | 199.6 | 200.7 | 209.2 |
| Before the experiment | ![]() | ![]() | ||||||
| After the experiment | ![]() | ![]() | ||||||
| Thin-Sliced Pork Belly | Mackerel | |
|---|---|---|
| The room temperature (°C) | 19.5 | 21.7 |
| Humidity (%) | 40.0 | 42.3 |
| Air current (m/s) | 0.0 | 0.0 |
| Mass before the verification experiment (g) | 302.3 | 309.9 |
| Mass after the verification experiment (g) | 122.8 | 174.6 |
| Before the verification experiment | ![]() | ![]() |
| After the verification experiment | ![]() | ![]() |
| Specimen | Detection Time (min) | Manufacturer A | Manufacturer B | ||||||||
|---|---|---|---|---|---|---|---|---|---|---|---|
| Case 1 | Case 2 | Case 3 | Case 4 | Case 1 | Case 2 | Case 3 | Case 4 | Avg. | STDEV.P | ||
| Thin-sliced Pork Belly | CSD | 13.88 | 13.40 | 12.70 | 13.80 | 13.17 | 13.20 | 13.03 | 13.38 | 13.32 | 0.36 |
| ASD (5%/m) | 13.03 | 13.08 | 12.60 | 13.33 | 12.68 | 12.58 | 12.90 | 13.13 | 12.92 | 0.26 | |
| Mackerel | CSD | 15.08 | 14.40 | 15.32 | 13.70 | 14.35 | 14.40 | 14.37 | 13.38 | 14.38 | 0.59 |
| ASD (5%/m) | 14.90 | 13.37 | 14.52 | 12.37 | 14.35 | 13.38 | 14.17 | 12.47 | 13.69 | 0.88 | |
| Content | P1 | P2 | P3 | P4 | P5 | P6 | P7 | ||
|---|---|---|---|---|---|---|---|---|---|
| CSD | ODM (%/m) | Thin-sliced Pork Belly | 17.40 | 15.65 | - | - | - | - | - |
| Mackerel | 7.73 | 10.65 | - | - | - | - | - | ||
| ASD (%/m) | Thin-sliced Pork Belly | 9.4 | 7.5 | 7.1 | 7.2 | 8.0 | 7.6 | 9.7 | |
| Mackerel | 14.3 | 5.4 | 10.1 | 9.0 | 7.6 | 6.6 | 10.1 | ||
| CO (ppm) | Thin-sliced Pork Belly | 4.1 | 4.3 | 3.1 | 4.1 | 3.9 | 3.7 | 3.1 | |
| Mackerel | 4.1 | 2.6 | 2.6 | 1.6 | 2.8 | 1.0 | 2.4 | ||
| PM10.0 (μg/m3) | Thin-sliced Pork Belly | 6956 | 5461 | 6923 | 6982 | 7169 | 6661 | 6922 | |
| Mackerel | 4891 | 4368 | 4432 | 4366 | 4530 | 4417 | 5109 | ||
| ASD_5% | ODM (%/m) | Thin-sliced Pork Belly | 11.55 | 8.62 | - | - | - | - | - |
| Mackerel | 6.62 | 9.79 | - | - | - | - | - | ||
| CO (ppm) | Thin-sliced Pork Belly | 3.0 | 4.3 | 3.1 | 4.1 | 3.9 | 3.7 | 3.1 | |
| Mackerel | 4.1 | 2.6 | 1.4 | 1.6 | 1.8 | 0.9 | 2.4 | ||
| PM10.0 (μg/m3) | Thin-sliced Pork Belly | 5900 | 5595 | 6032 | 7038 | 6030 | 6015 | 5872 | |
| Mackerel | 2533 | 4278 | 2789 | 2646 | 2947 | 3612 | 3394 | ||
Disclaimer/Publisher’s Note: The statements, opinions and data contained in all publications are solely those of the individual author(s) and contributor(s) and not of MDPI and/or the editor(s). MDPI and/or the editor(s) disclaim responsibility for any injury to people or property resulting from any ideas, methods, instructions or products referred to in the content. |
© 2023 by the authors. Licensee MDPI, Basel, Switzerland. This article is an open access article distributed under the terms and conditions of the Creative Commons Attribution (CC BY) license (https://creativecommons.org/licenses/by/4.0/).
Share and Cite
Choi, H.-b.; Hwang, E.-h.; Choi, D.-m. Indoor Air Quality Sensor Utilization for Unwanted Fire Alarm Improvement in Studio-Type Apartments. Fire 2023, 6, 255. https://doi.org/10.3390/fire6070255
Choi H-b, Hwang E-h, Choi D-m. Indoor Air Quality Sensor Utilization for Unwanted Fire Alarm Improvement in Studio-Type Apartments. Fire. 2023; 6(7):255. https://doi.org/10.3390/fire6070255
Chicago/Turabian StyleChoi, Han-bit, Euy-hong Hwang, and Don-mook Choi. 2023. "Indoor Air Quality Sensor Utilization for Unwanted Fire Alarm Improvement in Studio-Type Apartments" Fire 6, no. 7: 255. https://doi.org/10.3390/fire6070255
APA StyleChoi, H.-b., Hwang, E.-h., & Choi, D.-m. (2023). Indoor Air Quality Sensor Utilization for Unwanted Fire Alarm Improvement in Studio-Type Apartments. Fire, 6(7), 255. https://doi.org/10.3390/fire6070255









