Optimization of Smoke-Detector Installation Location Based on Effect of Fan Equipment inside Distribution Panel on Fire Detection Performance
Abstract
1. Introduction
2. Literature Review
3. Research Procedure and Experimental Prototype Fabrication
3.1. Research Procedure
3.2. Experimental Smoke Detector Prototype Fabrication
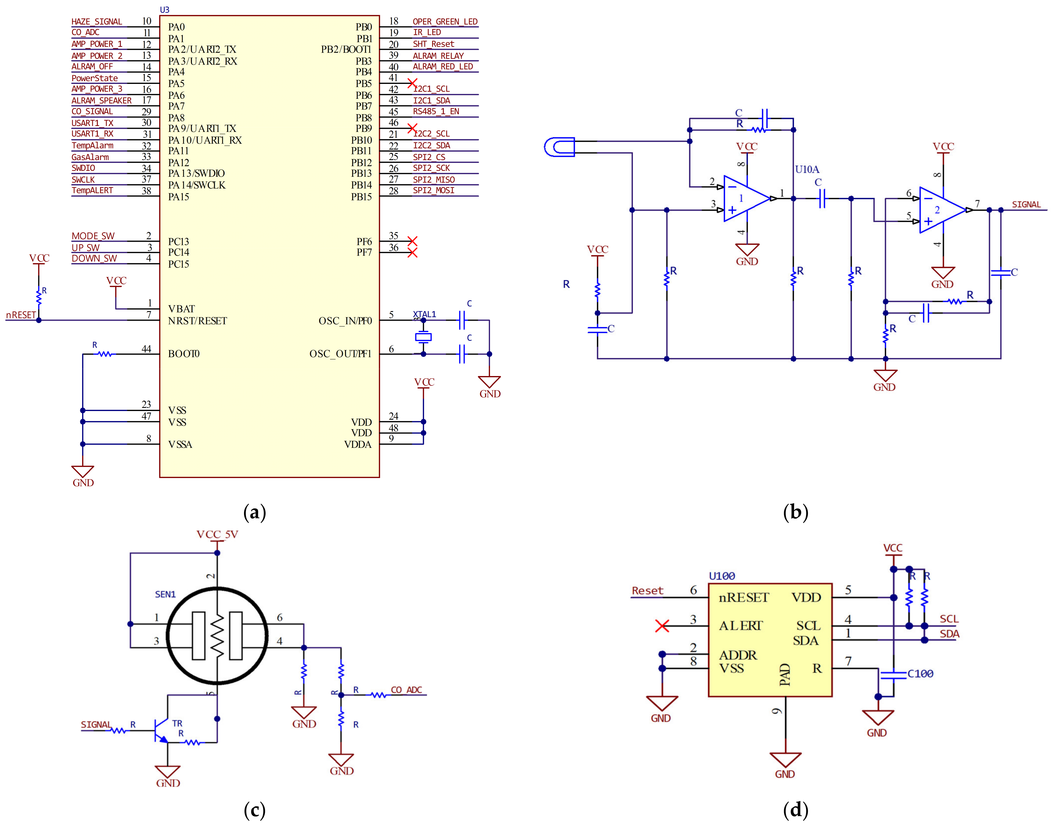
3.2.1. Smoke Detector Design and Fabrication
3.2.2. Smoke Detector Product Certification
3.2.3. CO Sensor Calibration
3.3. Experimental Environment Construction
3.3.1. Distribution Panel Equipped with Inhalation and Exhaust Fans
3.3.2. Fire Reproduction Simulation Materials
4. Detection Performance Test by Smoke Detector Position
4.1. Experimental Scenario Design
4.1.1. Performance Experiment Scenario for Detector Installed on Ceiling
- ①
- smoke detector was installed at the center of the ceiling of the distribution panel (indicated by #5 in Figure 9).
- ②
- The ignition source hot plate was installed at the û (50, 55, 0) position of the panel floor, indicated by D in Figure 9.
- ③
- The ignition source sample was installed at position D.
- ④
- The inhalation and exhaust fans were operated.
- ⑤
- The power line was connected to the smoke detector and the RS485 line was connected to the PC to enable the smoke detection status and CO concentration to be monitored in real time
- ⑥
- The smoke detection alarm time and CO concentration were measured.
- ⑦
- Upon completion of the measurement, the ignition source sample was moved to positions C (û(45, 55, 0)), B (û(30, 55, 0)), and A (û(15, 55, 0)) and process steps ④ to ⑥ were repeated.
- ⑧
- The height was then changed to 30 and 60 cm and process steps ② to ⑦ were repeated.
4.1.2. Detector Performance Experiment Scenarios for Each Separation Distance of Ignition Source from Fan
Smoke Detector Position Setting
Experimental Scenarios by Ignition Source Height
- ①
- The ignition source hot plate was safely installed at the û(15, 55, 0) position, as indicated by A in Figure 11.
- ②
- The ignition source was installed at position A.
- ③
- The inhalation and exhaust fans were operated.
- ④
- The power line was connected to the smoke detectors and the RS485 line was connected to the PC to enable the smoke detection status and CO concentration to be monitored for all four smoke detectors in real time.
- ⑤
- The smoke detection alarm time and CO concentration were measured.
- ⑥
- Upon completion of the measurement, the ignition source sample was moved to position B (û(30, 55, 0)) and process steps ④ to ⑤ were repeated.
- ⑦
- When measurement at position B was completed, the ignition source sample was moved to positions C (û(45, 55, 0)) and D (û(50, 55, 0)) and process steps ④ to ⑤ were repeated.
4.2. Detection Performance Measurement Experiment by Smoke Detector Position
4.2.1. Smoke Detection Time and CO Concentration of Smoke Detector Installed on Ceiling
4.2.2. Scenario 1: Smoke Detection Time and CO Concentration for Smoke Detectors Installed near the Fan for Ignition Source Height of 0 cm
Smoke Detection Time
CO Concentration
4.2.3. Smoke Detection Time and CO Concentration for Smoke Detectors Installed near Fan for Ignition Source Height of 30 cm
Smoke Detection Time
CO Concentration
4.2.4. Smoke Detection Time for Smoke Detectors Installed near Fan for Ignition Source Height of 60 cm
Smoke Detection Time
CO Concentration
4.3. Performance Comparison and Analysis by Smoke Detector Position
4.3.1. Smoke Detection Time Comparison and Analysis
4.3.2. CO Concentration Comparison and Analysis
4.4. Discussion
4.4.1. Main Findings
4.4.2. Comparison with Previous Studies
4.4.3. Key Strengths
4.4.4. Key Limitations
5. Conclusions
Author Contributions
Funding
Institutional Review Board Statement
Informed Consent Statement
Data Availability Statement
Conflicts of Interest
References
- Choi, M.S.; Hong, S.H.; Park, S.T.; Yu, S.H. Sensitivity performance change of fire detector due to inflow velocity from air inlet. In Proceedings of the 2013 Spring Annual Conference, Korea Institute of Fire Science and Engineering, Daejeon, Republic of Korea, 18–19 April 2013; pp. 148–149. [Google Scholar]
- Munir, M.; Erfianto, B. A distributed fuzzy logic with consensus for exhaust fan controller. In Proceedings of the 2020 8th International Conference on Information and Communication Technology (ICoICT), Yogyakarta, Indonesia, 24–26 June 2020; IEEE: New York, NY, USA, 2020; pp. 1–6. [Google Scholar] [CrossRef]
- Kim, T.H.; Kim, Y.J.; Rie, D.H. The effect of air purifier on smoke detector revealed by fire dynamics simulation. Sustainability 2022, 14, 2259. [Google Scholar] [CrossRef]
- Kim, C.M.; Kim, T.H.; Kim, Y.S.; Shong, K.M. Development device for decrease electrical accident in panel. In Proceedings of the 2016 Fall Annual Conference. The Korean Institute of Electrical Engineers, Kwangju, Republic of Korea, 13–15 July 2016; pp. 273–274. [Google Scholar]
- Shin, S.S.; Lee, S.I.; Kim, G.H.; Bae, S.M. Development of fire detector with communication function in cabinet panel. In Proceedings of the 2011 Spring Annual Conference. The Korean Institute of Electrical Engineers, Yongpyong, Republic of Korea, 20–22 July 2011; pp. 91–92. [Google Scholar]
- Yeon, Y.M.; Kim, S.H. Analysis of the risk of heat generation due to bolt loosening in terminal block connector parts. Fire Sci. Eng. 2020, 34, 67–75. [Google Scholar] [CrossRef]
- Yeon, Y.M.; Kim, S.H. Diagnosis of abnormal heat generation in the connection part in low voltage MCCBs for fire risk prediction. Fire Sci. Eng. 2020, 34, 42–49. [Google Scholar] [CrossRef]
- Park, S.H.; Choi, J.C. A study on the development of the photo-electric single station smoke alarm of low power consumption for residential fire prevention. Fire Sci. Eng. 2010, 24, 46–53. [Google Scholar]
- Hong, S.H.; Park, M.W.; Yoo, Y.S. An experimental study on the fire detection performance of combined fire detector using multi-sensor for rack-type warehouse. Korean J. Hazard. Mater. 2019, 7, 59–63. [Google Scholar] [CrossRef]
- Jee, S.W. Analysis of the response time of a photoelectric spot-type smoke detector depending on the type of fires. J. Korean Inst. Illum. Electr. Install. Eng. 2013, 27, 89–94. [Google Scholar] [CrossRef]
- Jung, J.J.; Kim, C.T. Development of a fire smoke detector that satisfies the UL 268 (7th edition) fire sensitivity tests. J. Korean Soc. Hazard Mitig. 2022, 22, 101–108. [Google Scholar] [CrossRef]
- Tu, R.; Fang, J.; Zeng, Y.; Guan, J.; Zhang, Y. A prediction model of point-type smoke detector response signal variation in high altitude area. In Proceedings of the 2011 International Conference on Electrical and Control Engineering, Yichang, China, 16–18 September 2011; IEEE: New York, NY, USA, 2011; pp. 972–975. [Google Scholar] [CrossRef]
- Kim, W.H.; Noh, J.H.; Song, S.B.; Yeo, I.S. Study on optical structure for improving detection efficiency of photoelectric fire detectors. In Proceedings of the 2021 Fall Annual Conference. Illuminating and Electrical Installation Engineers, Kangwon, Republic of Korea, 12–14 May 2021; p. 29. [Google Scholar]
- Hong, H.S.; Choi, M.S.; Park, S.T.; Baek, D.H. A study on the reliability test for smoke detection chamber of smoke detector. In Proceedings of the 2012 Spring Annual Conference. Fire Science and Engineering, Daegu, Republic of Korea, 3–4 May 2012; pp. 389–392. [Google Scholar]
- Zhong, C.; Liu, X.; Tian, Z.; Li, H. Anti-interference smoke fire detection technology in typical sacrificial places. In Proceedings of the 2021 3rd International Conference on Intelligent Control, Measurement and Signal Processing and Intelligent Oil Field (ICMSP), Xi’an, China, 23–25 July 2021; IEEE: New York, NY, USA, 2021; pp. 317–321. [Google Scholar] [CrossRef]
- National Fire Agency. Type Approval of Detectors and Technical Standards for Product Inspection: Notice Partial Revision; National Fire Agency: Sejong-si, Republic of Korea, 2019. [Google Scholar]
- Choi, M.S.; Lee, K.O. Study on influence of air flow of ceiling type air conditioner on fire detector response. Fire Sci. Eng. 2018, 32, 40–45. [Google Scholar] [CrossRef]
- National Fire Agency. Fire Safety Standards for Automatic Fire Detection Facilities and Visual Alarm Devices (NFSC203): Notice no2020-182; National Fire Agency: Sejong-si, Republic of Korea, 2020. [Google Scholar]
- Choi, K.O.; Park, M.W.; Choi, D.M. Improvement of fire detection in rack-type warehouses using FDS. Fire Sci. Eng. 2019, 33, 55–60. [Google Scholar] [CrossRef]
- Roh, S.K.; Yoon, H.U. Selection of a fire detector for wood cultural property. Fire Sci. Eng. 2016, 30, 88–93. [Google Scholar] [CrossRef]
- Son, G.S.; So, S.H. A study on fire alarm test of IoT multi-fire detector combined smoke/CO and smoke/temperature sensors. J. Soc. Disaster Inf. 2021, 17, 236–244. [Google Scholar] [CrossRef]
- He, L.; Xu, Z.; Chen, H.; Liu, Q.; Wang, Y.; Zhou, Y. Analysis of entrainment phenomenon near mechanical exhaust vent and a prediction model for smoke temperature in tunnel fire. Tunn. Undergr. Space Technol. 2018, 80, 143–150. [Google Scholar] [CrossRef]
- Xavier, K.L.B.L.; Visakha, K.N. Development of an early fire detection technique using a passive infrared sensor and deep neural networks. Fire Technol. 2022, 58, 3529–3552. [Google Scholar] [CrossRef]
- Xie, Y.; Zhu, J.; Guo, Y.; You, J.; Feng, D.; Cao, Y. Early indoor occluded fire detection based on firelight reflection characteristics. Fire Saf. J. 2022, 128, 103542. [Google Scholar] [CrossRef]
- Birajdar, G.S.; Baz, M.; Singh, R.; Rashid, M.; Gehlot, A.; Akram, S.V.; Alshamrani, S.S.; AlGhamdi, A.S. Realization of people density and smoke flow in buildings during fire accidents using raspberry and openCV. Sustainability 2021, 13, 11082. [Google Scholar] [CrossRef]
- Baek, J.; Alhindi, T.J.; Jeong, Y.S.; Jeong, M.K.; Seo, S.; Kang, J.; Shim, W.; Heo, Y. Real-time fire detection system based on dynamic time warping of multichannel sensor networks. Fire Saf. J. 2021, 123, 103364. [Google Scholar] [CrossRef]
- Park, D.S. Development of intelligent complex fire detectors for railway vehicles. Railw. J. 2009, 12, 12–17. [Google Scholar]
- Park, J.O.; Lee, W.J.; Yim, H.B. The design of a reliable hardware and S/W protocol in RS485 multi-communication. In Proceedings of the 2021 Fall Annual Conference. Korean Institute of Communications and Information Sciences, Yeosu, Republic of Korea, 17–19 November 2021; pp. 196–199. [Google Scholar]
- Vinten, A.J.A.; Davies, R.; Castle, K.; Baggs, E.M. Control of nitrate leaching from a nitrate vulnerable zone using paper mill waste. Soil Use Manag. 1998, 14, 44–51. [Google Scholar] [CrossRef]
- Kim, T.W.; Park, C.H.; Lee, S.I. Study on the temperature characteristics & fire risk in accordance with the series Arcing in the connecting portion of the circuit breaker. In Proceedings of the 2016 Summer Annual Conference. Journal of the Korean Institute of Electrical Engineers, Jeju-si, Republic of Korea, 21–23 March 2016; pp. 1553–1554. [Google Scholar]
- National Fire Agency. Fire Safety Standards for Smoke Control Systems (NFSC501): Notice no2022-23; National Fire Agency: Sejong-si, Republic of Korea, 2022. [Google Scholar]




















| Category | Reference | Main Contents |
|---|---|---|
| Fire sensor performance | Munir and Erfianto [2] | Reason for using exhaust fans is described. Exhaust fan controller is developed using “system executes distributed fuzz” technology. |
| Hong et al. [9] | Fire sensors suitable for rack-type warehouses are proposed based on experiment in rack-type warehouse on response characteristics according to fire sensor type. | |
| Jee [10] | Reference data to improve smoke detector performance are presented based on analysis of reaction times of photoelectric smoke detectors according to ignition source (paper, wood, and oil). | |
| Tu et al. [12] | Principles of ionization detectors are described. | |
| Kim WH et al. [13] | Method for designing an optical chamber interior structure effective for performance improvement of photoelectric smoke detectors is proposed. | |
| Hong et al. [14] | Method for verifying performance and reliability of photoelectric smoke detectors is proposed. | |
| Zhong et al. [15] | Principles of photoelectric smoke detectors are described and method for reliability improvement is proposed. | |
| Choi and Lee [17] | Changes in sensitivity of fire sensors are analyzed based on experiment involving various conditions of airflow formed by cooling/heating equipment. | |
| Kim TH et al. [3] | Influence of air purifiers on smoke detector operation is analyzed. | |
| Choi et al. [19] | Optimal fire sensor installation conditions that account for flow of heat and smoke in rack-type warehouse are presented using fire dynamic simulator (FDS). | |
| He et al. [22] | Safe design method is proposed based on analysis of smoke flow according to entrainment phenomenon around exhaust fan in event of fire. | |
| Fire sensor development and function improvement | Shin et al. [5] | Characteristics of electric fire are analyzed through simulation and fire detection device, equipped with communication function that reflected analysis results, inside distribution panel is developed. |
| Park and Choi [8] | Photoelectric alarm-type detector with low power consumption is developed to prevent house fires. | |
| Son and So [21] | IoT multi-fire detector is developed by combining three sensors (smoke, CO, and heat) and its fire detection performance is verified. | |
| Park [27] | Intelligent combined fire sensor specialized for railway vehicles is developed. | |
| Xavier and Visakha [23] | Video fire detection technology that uses HC-SR501 PIR motion sensor is proposed. | |
| Xie et al. [24] | Early indoor occluded fire detection technology based on light reflection characteristics is proposed. | |
| Birajdar et al. [25] | Vision-based fire detection technology that uses population density inside building and smoke detection system in event of fire is proposed. | |
| Fire sensor selection method | Roh and Yoon [20] | Method for selecting detectors that accounts for space types of closed and opened wooden structures is presented. |
| Baek et al. [26] | Effect of multiple sensors, compared to a single sensor, on improving system reliability for fire detection was reported. |
| Part | Purpose | Manufacturer | Specification |
|---|---|---|---|
| Chamber | Photoelectric smoke chamber | Metis | - |
| Sensor | Receiver | Kodenshi AUK | HPI-6FFR4 |
| Transmitter | SI5312H | ||
| Catalytic gas sensor | CO detection | Winsen | MQ-7B |
| Sensor | Temperature/humidity detection | Sensirion | SHT-31 |
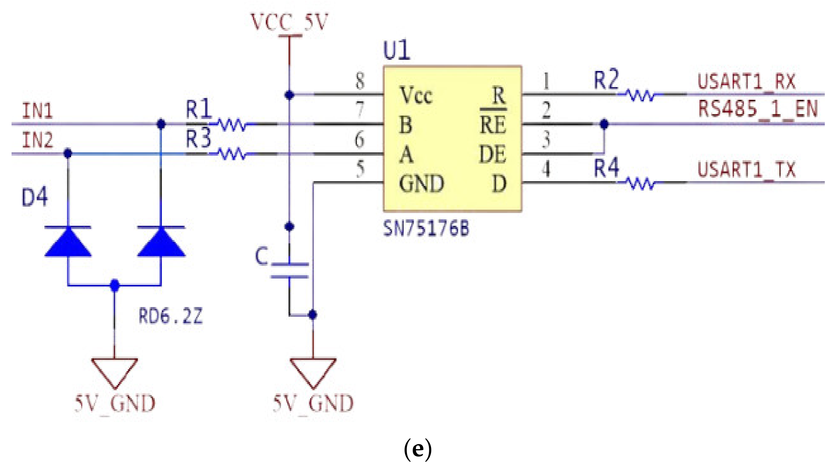
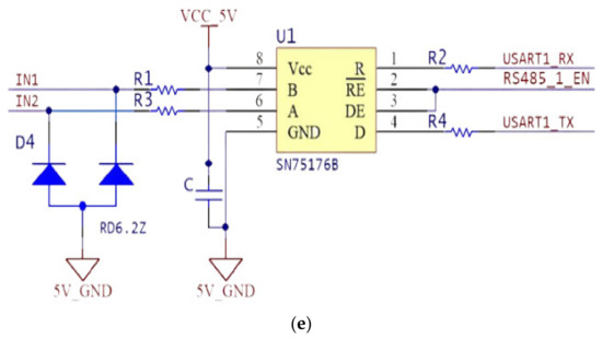
| Protocol (RS-485) | Status monitoring and notification | Texas Instruments | SN75176B |
| Test Item | Test Criteria |
|---|---|
| Operation test | When flowing wind containing smoke with light sensitivity of 15% per 1 m is introduced into an airflow of 20 to 40 cm/s, non-accumulating type operates within 30 s. |
| Non-operation test | When flowing wind containing smoke with light sensitivity of 15% per 1 m is introduced into an airflow of 20 to 40 cm/s, operation must not occur within five minutes. |
| Ceiling Sample #5 | Distance from Fan Installation Surface (Separation Distance) | |||
|---|---|---|---|---|
| 15 cm | 30 cm | 45 cm | 50 cm | |
| Smoke detection (minute: second) | 1:34 | 1:37 | 2:09 | 2:49 |
| CO concentration (unit: ADC) | 41 | 96 | 45 | 42 |
Disclaimer/Publisher’s Note: The statements, opinions and data contained in all publications are solely those of the individual author(s) and contributor(s) and not of MDPI and/or the editor(s). MDPI and/or the editor(s) disclaim responsibility for any injury to people or property resulting from any ideas, methods, instructions or products referred to in the content. |
© 2023 by the authors. Licensee MDPI, Basel, Switzerland. This article is an open access article distributed under the terms and conditions of the Creative Commons Attribution (CC BY) license (https://creativecommons.org/licenses/by/4.0/).
Share and Cite
Gu, I.-M.; Yeon, Y.-M.; Ryu, D.-S.; Kim, S.-H. Optimization of Smoke-Detector Installation Location Based on Effect of Fan Equipment inside Distribution Panel on Fire Detection Performance. Fire 2023, 6, 49. https://doi.org/10.3390/fire6020049
Gu I-M, Yeon Y-M, Ryu D-S, Kim S-H. Optimization of Smoke-Detector Installation Location Based on Effect of Fan Equipment inside Distribution Panel on Fire Detection Performance. Fire. 2023; 6(2):49. https://doi.org/10.3390/fire6020049
Chicago/Turabian StyleGu, In-Mo, Yeong-Mo Yeon, Dong-Seok Ryu, and Seung-Hee Kim. 2023. "Optimization of Smoke-Detector Installation Location Based on Effect of Fan Equipment inside Distribution Panel on Fire Detection Performance" Fire 6, no. 2: 49. https://doi.org/10.3390/fire6020049
APA StyleGu, I.-M., Yeon, Y.-M., Ryu, D.-S., & Kim, S.-H. (2023). Optimization of Smoke-Detector Installation Location Based on Effect of Fan Equipment inside Distribution Panel on Fire Detection Performance. Fire, 6(2), 49. https://doi.org/10.3390/fire6020049

