Earthquake Hazard Mitigation for Uncertain Building Systems Based on Adaptive Synergetic Control
Abstract
1. Introduction
- Forming an extended differential equation system that represents the various operations, such as optimizing, achieving fixed values, suppressing disturbances, observing coordinates, etc.;
- Synthesizing external controls that work to reduce the extra degree of freedom (DOF) of the extended dynamic system model relative to the final manifold;
- Synthesizing the internal controls, which can establish links or relations among the internal coordinates of the system. The control goal can be guaranteed and assured by these links.
- Developing classical and adaptive synergetic control algorithms to solve the vibration control problem in earthquaked buildings on the basis of MR dampers and Lyapunov stability analysis;
- Proving asymptotic stability for building systems controlled by classical and adaptive synergetic control schemes, such that all errors finally converge to their corresponding zero equilibrium points based on the Lyapunov theorem;
- Guaranteeing the boundedness of the estimated viscosity and stiffness coefficients of building systems;
- Conducting a comparison between the proposed classical and adaptive synergetic controllers in terms of vibration suppression capabilities.
2. Dynamic Model
3. Adaptive Synergetic Control Design
3.1. Design of Classical Synergetic Control
3.2. Adaptive Synergetic Control
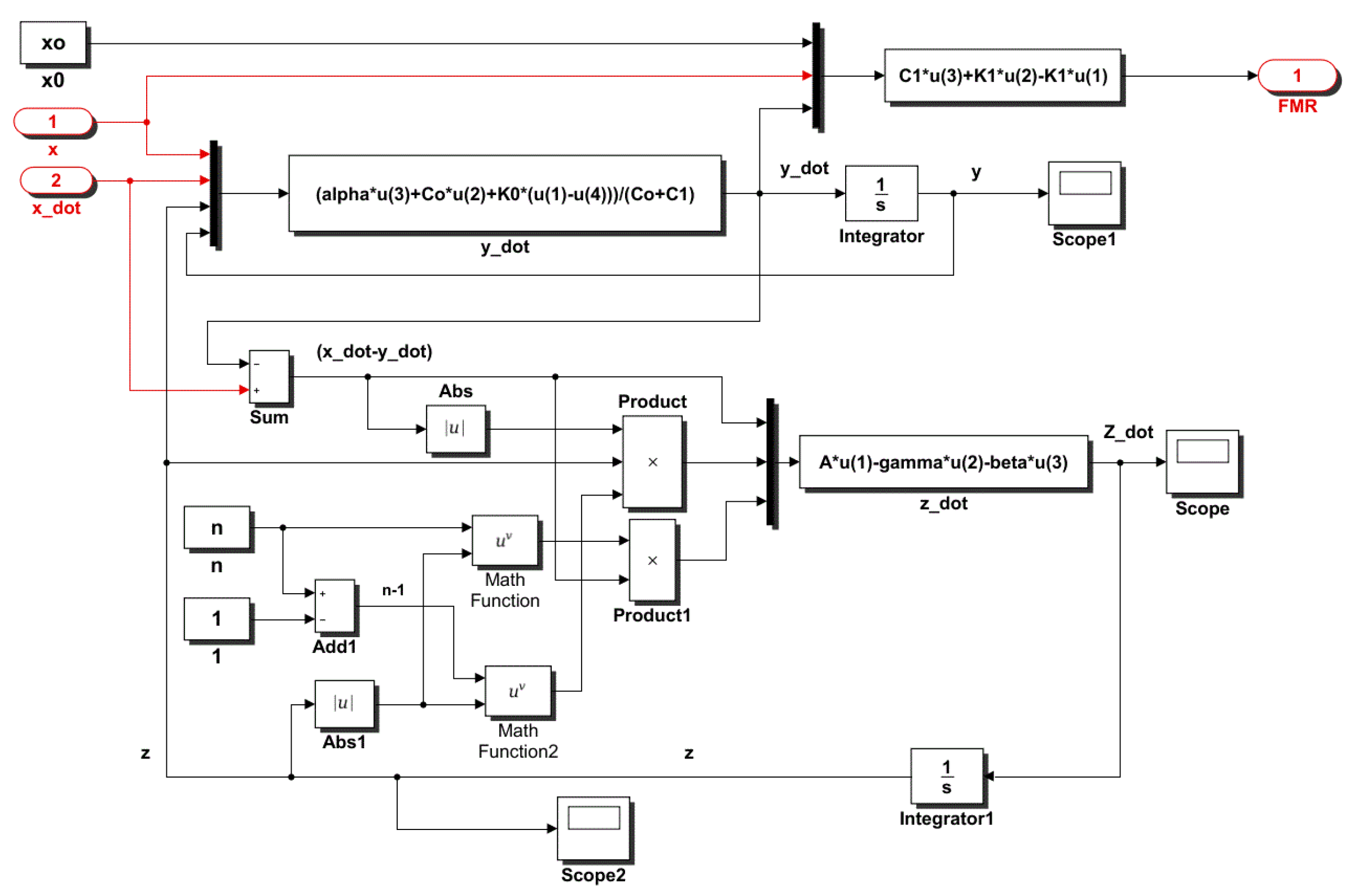
4. Computer Simulation
5. Conclusions
Author Contributions
Funding
Institutional Review Board Statement
Informed Consent Statement
Data Availability Statement
Conflicts of Interest
References
- Zizouni, K.; Bousserhane, I.K.; Hamouine, A.; Fali, L. MR Damper-LQR Control for Earthquake Vibration Mitigation. Int. J. Civ. Eng. Technol. 2017, 8, 201–207. [Google Scholar]
- Chopra, A.K. Dynamics of Structures: Theory and Applications to Earthquake Engineering, 4th ed.; Prentice Hall: Hoboken, NJ, USA, 2012. [Google Scholar]
- Andrey, P.; Leonid, F. Stability notions and Lyapunov functions for sliding mode control systems. J. Frankl. Inst. 2014, 351, 1831–1865. [Google Scholar]
- Kobersy, I.; Finaev, V.; Beloglazov, D.; Shapovalov, I.; Zargaryan, J.; Soloviev, V. Design features and research on the neuro-like learning control system of a vehicle. Int. J. Neural Netw. Adv. Appl. 2014, 1, 73–80. [Google Scholar]
- Azadi, E.; Eghtesad, M.; Fazelzadeh, S.; Azadi, M. Vibration suppression of smart nonlinear flexible appendages of a rotating satellite by using hybrid adaptive sliding mode Lyapunov control. J. Vib. Control 2012, 19, 975–991. [Google Scholar] [CrossRef]
- Sayed, A.R.; Zeinab, M.; Ngaiming, K.; Quang, H. Smart Structures Using MR Dampers with Second Order Sliding Mode Control. In Proceedings of the International Conference on Control, Automation and Information Sciences (ICCAIS), Saigon, Vietnam, 26–29 November 2012; pp. 170–175. [Google Scholar]
- Khaled, Z.; Leyla, F.; Younes, S.; Ismail, K.B. Neural network control for earthquake structural vibration reduction using MRD. Front. Struct. Civ. Eng. 2018, 13, 1171–1182. [Google Scholar]
- Rahmi, G. Sliding mode and PID control of a structural system against earthquake. Math. Comput. Model. 2006, 44, 210–217. [Google Scholar]
- Arash, K.; Mehdi, S.; Masoud, K. Online control of an active seismic system via reinforcement learning. Struct. Control Health Monit. 2018, 26, e2298. [Google Scholar]
- Pei-Ching, C.; Chin-Ta, L. Advanced Control Strategy for Floor Response Replication of High-Rise Buildings Subjected to Earthquakes. J. Earthq. Eng. 2020, 26, 1228–1252. [Google Scholar]
- Borzoo, A. Nonlinear Control of Buildings Subjected to Earthquakes by Using Sliding Mode Controller (SMC). Mod. Appl. Sci. 2010, 4, 170–176. [Google Scholar]
- Schlacher, K.; Kugi, A.; Irschik, H. Nonlinear Control of Earthquake excited high raised building by approximate disturbance decoupling. Acta Mech. 1997, 125, 49–62. [Google Scholar] [CrossRef]
- Seongkyu, C.; Deokyong, S. Modal-Energy-Based Neuro-Controller for Seismic Response Reduction of a Nonlinear Building Structure. Appl. Sci. 2019, 9, 4443. [Google Scholar]
- Jiazeng, S.; Yuting, O.; Weixing, S. Adaptive control of earthquake-excited nonlinear structures with real-time tracking on prescribed performance criteria. Struct. Control Health Monit. 2018, 25, e2247. [Google Scholar]
- Hasan, A.; Oguz, Y. Fuzzy sliding-mode control of structures. Eng. Struct. 2005, 27, 277–284. [Google Scholar]
- Falu, W.; Yuanchun, D.; Ji, G.; Liming, L.; Guoliang, Y. Finite-Time Vibration Control of Earthquake Excited Linear Structures with Input Time- Delay and Saturation. J. Low Freq. Noise Vib. Act. Control 2014, 33, 245–272. [Google Scholar]
- Luyu, L.; Naibang, W.; Han, Q. Adaptive Model Reference Sliding Mode Control of Structural Nonlinear Vibration. Shock. Vib. 2019, 2019, 1–13. [Google Scholar]
- Humaidi, A.; Sadiq, M.; Abdulkareem, A.; Ibraheem, I.; Azar, A.T. Adaptive backstepping sliding mode control design for vibration suppression of earth-quaked building supported by magneto-rheological damper. J. Low Freq. Noise Vib. Act. Control 2021, 41, 768–783. [Google Scholar] [CrossRef]
- Enriquez-Zarate, J.; Abundis-Fongb, H.; Silva-Navarro, G. Passive vibration control in a building-like structure using a tuned-mass-damper and an auto-parametric cantilever beam absorber. In Proceedings of the SPIE 9431, Active and Passive Smart Structures and Integrated Systems, San Diego, CA, USA, 9–12 March 2015; International Society for Optics and Photonics: Washington, DC, USA, 2015; Volume 9431. [Google Scholar]
- Anvari, A.; Shabani, F. Intelligent Vibration Control of Structures Against Earthquakes Using Hybrid Damper. In Proceedings of the 2nd IEEE International Conference on Computer Science and Information Technology (ICCSIT 09), Beijing, China, 8–11 August 2009. [Google Scholar]
- Rahmi, G.; Hakan, Y. Fuzzy Logic Control of a Non-linear Structural System against Earthquake Induced Vibration. J. Vib. Control 2007, 13, 1535–1551. [Google Scholar]
- Trujillo-Franco, L.G.; Silva-Navarro, G.; Beltran-Carbajal, F.; Campos-Mercado, E.; Abundis-Fong, H.F. On-Line Modal Parameter Identification Applied to Linear and Nonlinear Vibration Absorbers. Actuators 2020, 9, 119. [Google Scholar] [CrossRef]
- Mahdi, S.M.; Yousif, N.Q.; Oglah, A.A.; Sadiq, M.E.; Humaidi, A.J.; Azar, A.T. Adaptive Synergetic Motion Control for Wearable Knee-Assistive System: A Rehabilitation of Disabled Patients. Actuators 2022, 11, 176. [Google Scholar] [CrossRef]
- Kolesnikov, A.A. Introduction of synergetic control. In Proceedings of the American Control Conference (ACC), Portland, OR, USA, 4–6 June 2014. [Google Scholar]
- Kolesnikov, A.A. Synergetic Control Theory; Energoatomizdat: Moscow, Russia; Taganrog, Russia, 1994. [Google Scholar]
- Qian, J.; Li, K.; Wu, H.; Yang, J.; Li, X. Synergetic Control of Grid-Connected Photovoltaic Systems. Hindawi Int. J. Photoenergy 2017. [Google Scholar] [CrossRef]
- Humaidi, A.J.; Ibraheem, K.I.; Ahmad, T.A.; Musaab, E.S. A New Adaptive Synergetic Control Design for Single Link Robot Arm Actuated by Pneumatic Muscles. Entropy 2020, 22, 723. [Google Scholar] [CrossRef] [PubMed]
- Yang, X.; Jiah, Y. Adaptive Synergetic Control about Attitude Tracking of Rigid Spacecraft with Disturbances and Parameter Uncertainties. In Proceedings of the 15th International Conference on Control, Automation and Systems (ICCAS 2015), Busan, Korea, 13–16 October 2015. [Google Scholar]
- Humaidi, A.J.; Hameed, M. Development of a New Adaptive Backstepping Control Design for a Non-Strict and Under-Actuated System Based on a PSO Tuner. Information 2019, 10, 38. [Google Scholar] [CrossRef]
- Humaidi, A.J.; Hussein, H.A. Adaptive control of parallel manipulator in Cartesian space. In Proceedings of the 2019 IEEE International Conference on Electrical, Computer and Communication Technologies (ICECCT), Coimbatore, India, 20–22 February 2019; pp. 1–8. [Google Scholar]
- Pohoryles, D.A.; Duffour, P. Adaptive control of structures under dynamic excitation using magnetorheological dampers: An improved clipped-optimal control algorithm. J. Vib. Control 2015, 21, 2569–2582. [Google Scholar] [CrossRef]
- Humaidi, A.J.; Hameed, A.H.; Hameed, M.R. Robust adaptive speed control for DC motor using novel weighted E-modified MRAC. In Proceedings of the IEEE International Conference on Power, Control, Signals and Instrumentation Engineering (ICPCSI 2017), Chennai, India, 21–22 September 2017; pp. 313–319. [Google Scholar]
- Humaidi, A.J.; Kadhim, S.K.; Gataa, A.S. Optimal adaptive magnetic suspension control of rotary impeller for artificial heart pump. Cybern. Syst. 2022, 53, 141–167. [Google Scholar] [CrossRef]
- Jansen, L.M.; Dyke, S.J. Semi-active control strategies for MR dampers: A comparative study. J. Eng. Mech. 2000, 126, 795–803. [Google Scholar]
- Bingham, E.C. An investigation of the laws of plastic flow. US Bur. Stand. Bull. 1916, 13, 309–353. [Google Scholar] [CrossRef]
- Spencer, B.F., Jr.; Dyke, S.J.; Sain, M.K.; Carlson, J.D. Phenomenological model for Magneto-Rheological dampers. J. Eng. Mech. 1997, 123, 230–238. [Google Scholar]
- Dyke, S.J.; Spencer, B.F., Jr.; Sain, M.K.; Carlson, J.D. Modeling and control of magnetorheological dampers for seismic response reduction. Smart Mater. Struct. 1996, 5, 565–575. [Google Scholar] [CrossRef]
- Spencer, B.F., Jr.; Christenson, R.E.; Dyke, S.J. Next Generation Benchmark Control Problem for Seismically Excited Buildings. In Proceedings of the Second World Conference on Structural Control, Kyoto, Japan, 30 June–3 July 1998. [Google Scholar]
- Humaidi, A.J.; Hameed, A.H. Robustness enhancement of MRAC using modification techniques for speed control of three phase induction motor. J. Electr. Syst. 2017, 13, 723–741. [Google Scholar]
- Humaidi, A.J.; Hameed, A.H. Design and comparative study of advanced adaptive control schemes for position control of electronic throttle valve. Information 2019, 10, 65. [Google Scholar] [CrossRef]
- Thermou, G.E.; Elnashai, A.S. Seismic retrofit schemes for RC structures and local–global consequences. Earthq. Eng. Struct. Dyn. 2005, 8, 1–15. [Google Scholar] [CrossRef]
- Funari, M.F.; Silva, L.C.; Savalle, N.; Lourenço, P.B. A Concurrent Micro/Macro Fe-Model Optimized with a Limit Analysis Tool for The Assessment of Dry-Joint Masonry Structures. Int. J. Multiscale Comput. Eng. 2022, 20, 65–85. [Google Scholar] [CrossRef]
- Sharma, S.; Silva, L.; Graziotti, F.; Magenes, G.; Milani, G. Modelling the experimental seismic out-of-plane two-way bending response of unreinforced periodic masonry panels using a non-linear discrete homogenized strategy. Eng. Struct. 2021, 242, 112524. [Google Scholar] [CrossRef]
- Yuan, J.; Li, J.; Zhang, A.; Zhang, X.; Ran, J. Active Noise Control System Based on the Improved Equation Error Model. Acoustics 2021, 3, 354–363. [Google Scholar] [CrossRef]
- Humaidi, A.J.; Hameed, M.R.; Hameed, A.H. Design of block-backstepping controller to ball and arc system based on zero dynamic theory. J. Eng. Sci. Technol. 2018, 13, 2084–2105. [Google Scholar]
- Husain, S.S.; Kadhim, M.Q.; Al-Obaidi, A.S.M.; Hasan, A.F.; Humaidi, A.J.; Al Husaeni, D.N. Design of Robust Control for Vehicle Steer-by-Wire System. Indones. J. Sci. Technol. 2023, 8, 197–216. [Google Scholar]










| Simulation Parameter | Value |
|---|---|
Disclaimer/Publisher’s Note: The statements, opinions and data contained in all publications are solely those of the individual author(s) and contributor(s) and not of MDPI and/or the editor(s). MDPI and/or the editor(s) disclaim responsibility for any injury to people or property resulting from any ideas, methods, instructions or products referred to in the content. |
© 2023 by the authors. Licensee MDPI, Basel, Switzerland. This article is an open access article distributed under the terms and conditions of the Creative Commons Attribution (CC BY) license (https://creativecommons.org/licenses/by/4.0/).
Share and Cite
Al-Dujaili, A.Q.; Humaidi, A.J.; Allawi, Z.T.; Sadiq, M.E. Earthquake Hazard Mitigation for Uncertain Building Systems Based on Adaptive Synergetic Control. Appl. Syst. Innov. 2023, 6, 34. https://doi.org/10.3390/asi6020034
Al-Dujaili AQ, Humaidi AJ, Allawi ZT, Sadiq ME. Earthquake Hazard Mitigation for Uncertain Building Systems Based on Adaptive Synergetic Control. Applied System Innovation. 2023; 6(2):34. https://doi.org/10.3390/asi6020034
Chicago/Turabian StyleAl-Dujaili, Ayad Q., Amjad J. Humaidi, Ziyad T. Allawi, and Musaab E. Sadiq. 2023. "Earthquake Hazard Mitigation for Uncertain Building Systems Based on Adaptive Synergetic Control" Applied System Innovation 6, no. 2: 34. https://doi.org/10.3390/asi6020034
APA StyleAl-Dujaili, A. Q., Humaidi, A. J., Allawi, Z. T., & Sadiq, M. E. (2023). Earthquake Hazard Mitigation for Uncertain Building Systems Based on Adaptive Synergetic Control. Applied System Innovation, 6(2), 34. https://doi.org/10.3390/asi6020034

