Study of Transmission Line Boundary Protection Using a Multilayer Perceptron Neural Network with Back Propagation and Wavelet Transform
Abstract
:1. Introduction
1.1. Boundary Protection Background
1.2. Signal Processing
Wavelet Transforms
1.3. Neural Networks
1.3.1. Adaptive Resonance Theory
1.3.2. Multilayer Perceptron
1.4. Relevance of the Study
2. Materials and Methods
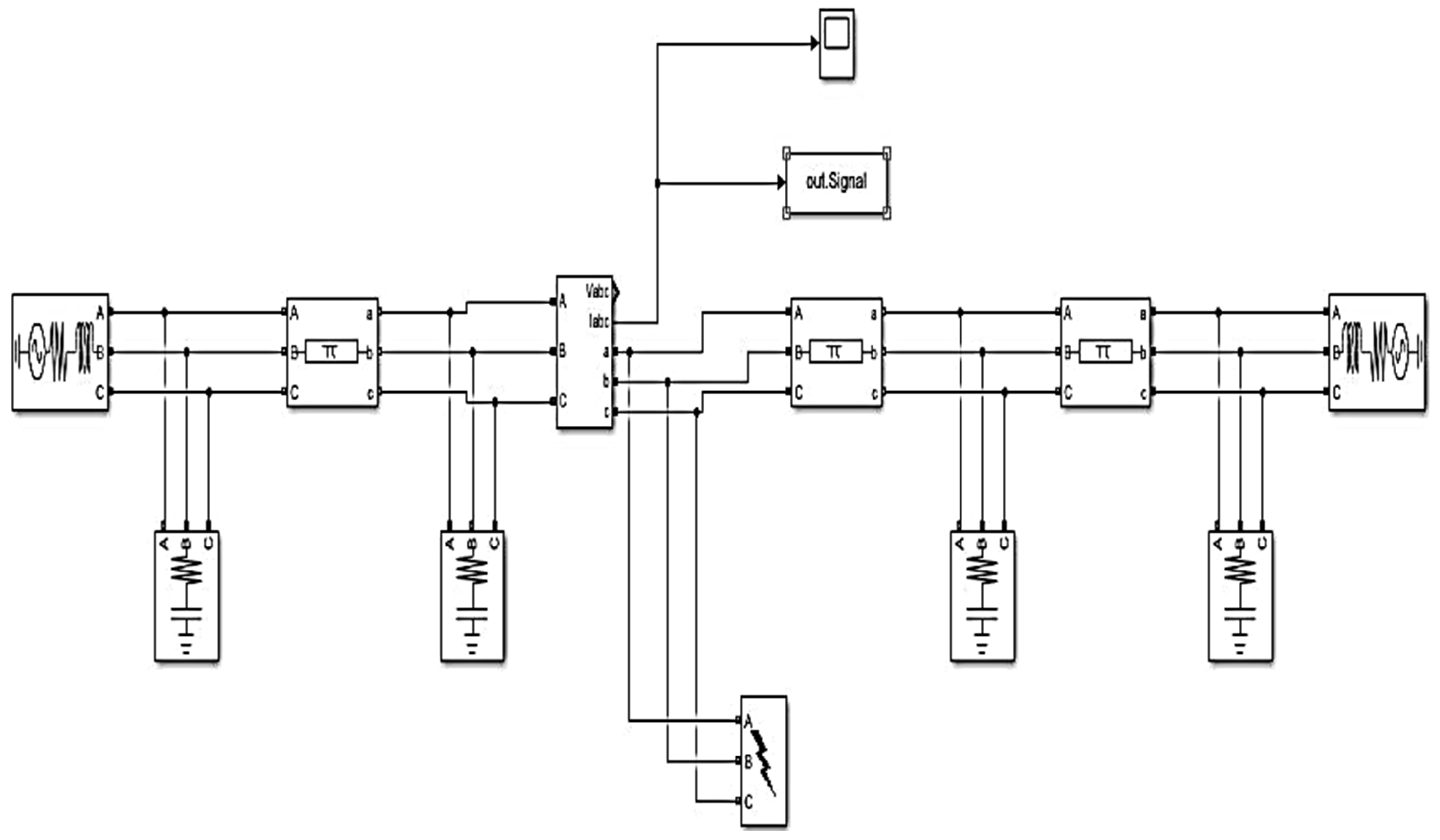
2.1. Simulation Design
2.1.1. Transient Fault Signal
2.1.2. Wavelet Transforms
2.1.3. Neural Network
3. Results
3.1. Simulation Results
3.2. Accuracy of Neural Network
3.3. Simulating Different Parameters
3.3.1. Different Line Lengths
3.3.2. Changes in Bus Capacitance
4. Conclusions
Author Contributions
Funding
Institutional Review Board Statement
Informed Consent Statement
Data Availability Statement
Conflicts of Interest
Glossary
| Nomenclature | |
| G | Scale factor |
| h | Translation factor |
| p & q | Integers |
| x | Signal |
| k | Variable integer |
| m | Mother wavelet |
| H | Sample rate |
| D | Detailed coefficient |
| L | Level |
| R | Ground resistance |
| ∞ | Infinity |
| Acronyms | |
| CWT | Continuous wavelet transform |
| DWT | Discreet wavelet transform |
| MATLAB | Matrix laboratory |
| MLP | Multilayer perceptron |
| ART | Adaptive resonance theory |
| NN | Neural network |
| K-NN | k-nearest neighbour |
| DL | Deep learning |
| EMD | Emperical modedecomposition |
| Subscripts | |
| g | Ground |
| f | Fault |
References
- Mehta, V.K.; Mehta, R. Principles of Power System: Including Generation, Transmission, Distribution, Switchgear and Protection, 3rd ed.; S. Chand publishing: New Delhi, India, 2005. [Google Scholar]
- Kavuma, C.; Sandoval, D.; de Dieu, H.K.J. Analysis of power generating plants and substations for increased Uganda’s electricity grid access. AIMS Energy 2021, 9, 178–192. [Google Scholar] [CrossRef]
- Akanto, J.M.; Hazari, M.R.; Mannan, M.A. LVRT and Stability Enhancement of Grid-Tied Wind Farm Using DFIG-Based Wind Turbine. Appl. Syst. Innov. 2021, 4, 33. [Google Scholar] [CrossRef]
- Bertoldo, S.; Carosso, L.; Marchetta, E.; Paredes, M.; Allegretti, M. Feasibility Analysis of a LoRa-Based WSN Using Public Transport. Appl. Syst. Innov. 2018, 1, 49. [Google Scholar] [CrossRef] [Green Version]
- Filho, M.F. Dynamical Networks Modelling Applied to Low Voltage Lines with Nonlinear Filters. Appl. Syst. Innov. 2020, 3, 1–22. [Google Scholar]
- Glover, J.D.; Overbye, T.J.; Sarma, M.S. Power System Analysis & Design, 6th ed.; Cengage Learning: Boston, MA, USA, 2017. [Google Scholar]
- Bo, Z.Q. A new non-communication protection technique for transmission lines. IEEE Trans. Power Deliv. 1998, 13, 1073–1078. [Google Scholar] [CrossRef]
- Brice, G.J.; Mani, S.S.V.; Paul, K.; Milovanovic, S.; Eric, S.; Jinfeng, R.; Sarina, A.; Jesse, G. Integrated Smart Distribution RD & D Project Final Technical Report; Department of Energy: Pittsburgh, PA, USA; Morgantown, WV, USA, 2017.
- Lin, X.N.; Bo, Z.Q.; Caunce, B.R.J.; Chin, N.F. Boundary protection using complex wavelet transform. In Proceedings of theSixth International Conference on Advances in Power System Control, Operation and Management-Proceedings APSCOM 2003, Hong Kong, China, 11–14 November 2003; pp. 744–749. [Google Scholar]
- Bo, Z.Q.; Jiang, F.; Chen, Z.; Dong, X.Z.; Weller, G.; Redfern, M.A. Transient based protection for power transmission systems. In Proceedings of the 2000 IEEE Power Engineering Society, Conference Proceedings, Singapore, 23–27 January 2000; Volume 3, pp. 1832–1837. [Google Scholar]
- Zhang, N.; Kezunovic, M. Transmission line boundary protection using wavelet transform and neural network. IEEE Trans. Power Deliv. 2007, 22, 859–869. [Google Scholar] [CrossRef]
- Vasilic, S.; Kezunovic, M. Fuzzy ART neural network algorithm for classifying the power system faults. IEEE Trans. Power Deliv. 2005, 20, 1306–1314. [Google Scholar] [CrossRef]
- Zhang, B.H.; Duan, J.D.; Ha, H.X.; Bo, Z.Q. Boundary protection, a new concept for extra high voltage transmission lines-Part II: Discriminative criterions and simulations. In Proceedings of the IEEE Power Engineering Society Transmission and Distribution Conference, Dalian, China, 18 August 2005; pp. 1–6. [Google Scholar]
- Taft, J.D. Fault Intelligence: Distribution Grid Fault Detection and Classification. In Pacific Northwest National Laboratory, Richland; Department of Energy: Washington, DC, USA, 2017; p. 99352. [Google Scholar]
- Poulton, M.M. Handbook of geophysical exploration: Seismic exploration. Handb. Geophys. Explor. Seism. Explor. 2001, 30, 1–335. [Google Scholar]
- Panchal, S.; Mathew, M.; Dincer, I.; Agelin-Chaab, M.; Fraser, R.; Fowler, M. Thermal and electrical performance assessments of lithium-ion battery modules for an electric vehicle under actual drive cycles. Electr. Power Syst. Res. 2018, 163, 18–27. [Google Scholar] [CrossRef]
- Panchal, S.; Dincer, I.; Agelin-Chaab, M.; Fraser, R.; Fowler, M. Design and simulation of a lithium-ion battery at large C-rates and varying boundary conditions through heat flux distributions. Measurement 2018, 116, 382–390. [Google Scholar] [CrossRef] [Green Version]
- MathWorks. Implement three-phase transmission line section with lumped parameters. MathWorks Help Center. 2021. Available online: https://www.mathworks.com/help/physmod/sps/powersys/ref/threephasepisectionline.html (accessed on 6 September 2021).
- Perić, Z.; Delić, V.; Stamenković, Z.; Pokrajac, D. Advanced Signal Processing and Adaptive Learning Methods. Comput. Intell. Neurosci. 2019, 2019, 1–2. [Google Scholar] [CrossRef]
- Uddin, Z.; Ahmad, A.; Qamar, A.; Altaf, M. Recent advances of the signal processing techniques in future smart grids. Hum. -Cent. Comput. Inf. Sci. 2018, 8, 1–15. [Google Scholar] [CrossRef] [Green Version]
- Dastres, R.; Soori, M. A Review in Advanced Digital Signal Processing Systems. Int. J. Electr. Comput. Eng. 2021, 15, 122–127. [Google Scholar]
- Germán-Salló, Z.; Strnad, G. Signal processing methods in fault detection in manufacturing systems. In Proceedings of the 11th International Conference Interdisciplinarity in Engineering, INTER-ENG 2017, Tigus Mures, Romania, 5–6 October 2017; Volume 22, pp. 613–620. [Google Scholar]
- Osman, A.H.; Malik, O.P. Transmission line distance protection based on wavelet transform. IEEE Trans. Power Deliv. 2004, 19, 515–523. [Google Scholar] [CrossRef]
- Santoso, S.; Powers, E.J.; Grady, W.M.; Hofmann, P. Power quality assessment via wavelet transform analysis. IEEE Trans. Power Deliv. 1996, 9, 924–930. [Google Scholar] [CrossRef]
- Kim, C.H.; Aggarwal, R. Wavelet transforms in power systems Part 1 general introduction to the wavelet transforms. Power Eng. J. 2000, 14, 81–88. [Google Scholar]
- Ali, A.; Sheng-Chang, C.; Shah, M. Continuous wavelet transformation of seismic data for feature extraction. SN Appl. Sci. 2020, 2, 1–12. [Google Scholar] [CrossRef]
- Tary, J.B.; Herrera, R.H.; van der Baan, M. Analysis of time-varying signals using continuous wavelet and synchrosqueezed transforms. Philos. Trans. A Math. Phys. Eng. Sci. 2018, 376, 1–16. [Google Scholar] [CrossRef] [Green Version]
- Addison, P.S. Introduction to redundancy rules: The continuous wavelet transform comes of age. Philos. Trans. R. Soc. A Math. Phys. Eng. Sci. 2018, 376, 1–15. [Google Scholar] [CrossRef]
- Costa, M.S.V. Time-space characterization of droughts in the São Francisco river catchment using the Standard Precipitation Index and continuous wavelet transform. Braz. J. Water Resour. 2019, 24, 1–12. [Google Scholar]
- Aguiar-Conraria, L.; Soares, M.J.; Sousa, R. California’s carbon market and energy prices: A wavelet analysis. Philos. Trans. R. Soc. A Math. Phys. Eng. Sci. 2018, 376, 2126. [Google Scholar] [CrossRef] [PubMed] [Green Version]
- Liu, C.Y.; Yao, C.L.; Xiong, J. Geophysical Potential Field Anomaly Separation Method with Optimal Mother Wavelet and Spatial Locating Multiresolution Analysis (MRA). IEEE Access 2019, 7, 62840–62851. [Google Scholar] [CrossRef]
- Dziedziech, K.; Nowak, A.; Hasse, A.; Uhl, T.; Staszewski, W.J. Wavelet-based analysis of time-variant adaptive structures. Philos. Trans. R. Soc. A Math. Phys. Eng. Sci. 2018, 376, 2126. [Google Scholar] [CrossRef] [PubMed] [Green Version]
- Hadjileontiadis, L.J. Continuous wavelet transform and higher-order spectrum: Combinatory potentialities in breath sound analysis and electroencephalogram-based pain characterization. Philos. Trans. R. Soc. A Math. Phys. Eng. Sci. 2018, 376, 1–16. [Google Scholar] [CrossRef] [PubMed] [Green Version]
- de Souza, P.V. Fuzzy neural networks and neuro-fuzzy networks: A review the main techniques and applications used in the literature. Appl. Soft Comput. 2020, 92, 1–26. [Google Scholar]
- Manzoor, B.; Othman, I.; Durdyev, S.; Ismail, S.; Wahab, M.H. Influence of Artificial Intelligence in Civil Engineering toward Sustainable Development—A Systematic Literature Review. Appl. Syst. Innov. 2021, 4, 52. [Google Scholar] [CrossRef]
- Rajbhandari, Y.; Marahatta, A.; Ghimire, B.; Shrestha, A.; Gachhadar, A.; Thapa, A.; Chapagain, K.; Korba, P. Impact Study of Temperature on the Time Series Electricity Demand of Urban Nepal for Short-Term Load Forecasting. Appl. Syst. Innov. 2021, 4, 43. [Google Scholar] [CrossRef]
- Kadam, V.; Kumar, S.; Bongale, A.; Wazarkar, S.; Kamat, P.; Patil, S. Enhancing Surface Fault Detection Using Machine Learning for 3D Printed Products. Appl. Syst. Innov. 2021, 4, 34. [Google Scholar] [CrossRef]
- MathWorks. Wine Classification, MathWorks Help Centre. 2021. Available online: https://www.mathworks.com/help/deeplearning/ug/wine-classification.html (accessed on 6 September 2021).
- Giap, C.N.; Son, L.H.; Chiclana, F. Dynamic structural neural network. J. Intell. Fuzzy Syst. 2018, 34, 2479–2490. [Google Scholar] [CrossRef] [Green Version]
- Gupta, T.K.; Raza, K. Optimizing Deep Feedforward Neural Network Architecture: A Tabu Search Based Approach. Neural Process. Lett. 2020, 51, 2855–2870. [Google Scholar] [CrossRef]
- Silva, L.E.B.; Elnabarawy, I.; Wunsch, D.C. Dual Vigilance Adaptive Resonance Theory. Neural Netw. Lett. 2019, 109, 1–6. [Google Scholar] [CrossRef]
- Grossberg, S. Adaptive Resonance Theory: How a brain learns to consciously attend, learn, and recognize a changing world. Neural Netw. 2013, 37, 1–47. [Google Scholar] [CrossRef] [PubMed]
- da Silva, L.E.B.; Elnabarawy, I.; Wunsch, D.C. A Survey of Adaptive Resonance Theory Neural Network Models for Engineering Applications. Neural Netw. 2019, 120, 167–203. [Google Scholar] [CrossRef] [PubMed]
- Dongare, A.D.; Kharde, R.R.; Kachare, A.D. Introduction to Artificial Neural Network. Int. J. Eng. Innov. Technol. 2012, 2, 189–194. [Google Scholar]
- Sarmadi, H.; Entezami, A. Application of supervised learning to validation of damage detection. Arch. Appl. Mech. 2020, 91, 393–410. [Google Scholar] [CrossRef]
- Keller, J.; Gray, M.; Givens, J. A fuzzy K-nearest neighbor algorithm. IEEE Trans. Syst. Man. Cybern. 1985, 4, 580–585. [Google Scholar] [CrossRef]
- UNSW. “Multilayer Perceptron-Backpropagation”, University of New South Wales. 2020. Available online: https://www.cse.unsw.edu.au/~cs9417ml/MLP2/BackPropagation.html (accessed on 6 September 2021).
- Taud, H.; Mas, J.F. Multilayer Perceptron (MLP). In Geomatic Approaches for Modeling Land Change Scenarios; Springer: Cham, Switzerland, 2018; pp. 451–455. [Google Scholar]
- Heidari, A.A.; Faris, H.; Aljarah, I.; Mirjalili, S. An efficient hybrid multilayer perceptron neural network with grasshopper optimization. Soft Comput. 2018, 23, 7941–7958. [Google Scholar] [CrossRef]
- Fabietti, M.; Mahmud, M.; Lotfi, A.; Kaiser, S.M.; Averna, A.; Guggenmos, D.J.; Nudo, R.J.; Chiappalone, M.; Chen, J. SANTIA: A Matlab-based open-source toolbox for artifact detection and removal from extracellular neuronal signals. Brain Inform. 2021, 8, 1–19. [Google Scholar] [CrossRef]
- MathWorks. Does Patternnet Create MLP Neural Network? MathWorks MATLAB Answers. 2021. Available online: https://www.mathworks.com/matlabcentral/answers/375425-does-patternnet-create-mlp-neural-network (accessed on 6 September 2021).
- Žukauskas, P.; Vveinhardt, J.; Andriukaitienė, R. Philosophy and Paradigm of Scientific Research. In Management Culture and Corporate Social Responsibility; IntechOpen: London, UK, 2018; pp. 121–139. [Google Scholar]
- Ragab, M.A.; Arisha, A. Research Methodology in Business: A Starter’s Guide. Manag. Organ. Stud. 2017, 5, 1–24. [Google Scholar] [CrossRef] [Green Version]
- Atieno, O.P. An analysis of the strengths and limitation of qualitative and quantitative research paradigms. Probl. Educ. 21st Century 2009, 13, 13–18. [Google Scholar]
- Patel, H.; Thakkar, A.; Pandya, M.; Makwana, K. Neural network with deep learning architectures. J. Inf. Optim. Sci. 2018, 39, 31–38. [Google Scholar] [CrossRef]
- Tan, T.; Yang, Z.; Chang, F.; Zhao, K. Prediction of the First Weighting from the Working Face Roof in a Coal Mine Based on a GA-BP Neural Network. Appl. Sci. 2019, 9, 4159. [Google Scholar] [CrossRef] [Green Version]
















| Single-Phase-to-Ground | Double-Phase-to-Ground | Phase-to-Phase |
|---|---|---|
| Phase A-Ground | Phase A-Phase B-Ground | Phase A-Phase B |
| Phase B-Ground | Phase A-Phase C-Ground | Phase A-Phase C |
| Phase C-Ground | Phase B-Phase C-Ground | Phase B-Phase C |
| Description | Location | |||
|---|---|---|---|---|
| F1 | F2 | F3 | F4 | |
| Number of tests | 8 | 8 | 8 | 10 |
| Number correctly classified | 8 | 8 | 8 | 0 |
| Success rate (%) | 100 | 100 | 100 | 0 |
Publisher’s Note: MDPI stays neutral with regard to jurisdictional claims in published maps and institutional affiliations. |
© 2021 by the authors. Licensee MDPI, Basel, Switzerland. This article is an open access article distributed under the terms and conditions of the Creative Commons Attribution (CC BY) license (https://creativecommons.org/licenses/by/4.0/).
Share and Cite
Okojie, D.; Idoko, L.; Herbert, D.; Nnachi, A. Study of Transmission Line Boundary Protection Using a Multilayer Perceptron Neural Network with Back Propagation and Wavelet Transform. Appl. Syst. Innov. 2021, 4, 95. https://doi.org/10.3390/asi4040095
Okojie D, Idoko L, Herbert D, Nnachi A. Study of Transmission Line Boundary Protection Using a Multilayer Perceptron Neural Network with Back Propagation and Wavelet Transform. Applied System Innovation. 2021; 4(4):95. https://doi.org/10.3390/asi4040095
Chicago/Turabian StyleOkojie, Daniel, Linus Idoko, Daniel Herbert, and Agha Nnachi. 2021. "Study of Transmission Line Boundary Protection Using a Multilayer Perceptron Neural Network with Back Propagation and Wavelet Transform" Applied System Innovation 4, no. 4: 95. https://doi.org/10.3390/asi4040095
APA StyleOkojie, D., Idoko, L., Herbert, D., & Nnachi, A. (2021). Study of Transmission Line Boundary Protection Using a Multilayer Perceptron Neural Network with Back Propagation and Wavelet Transform. Applied System Innovation, 4(4), 95. https://doi.org/10.3390/asi4040095

