Collapse Resistance of Composite Structures with Various Optimized Beam–Column Connection Forms
Abstract
:1. Introduction
2. Foundation of Theoretical Analysis
- (1)
- Fully welded beam–column connection (FEM-1);
- (2)
- Welding connection of the flange of the steel beam with local widening (FEM-2);
- (3)
- External stiffening ring plate connection (FEM-3);
- (4)
- Reduced steel beam section (RBS) connection (FEM-4);
- (5)
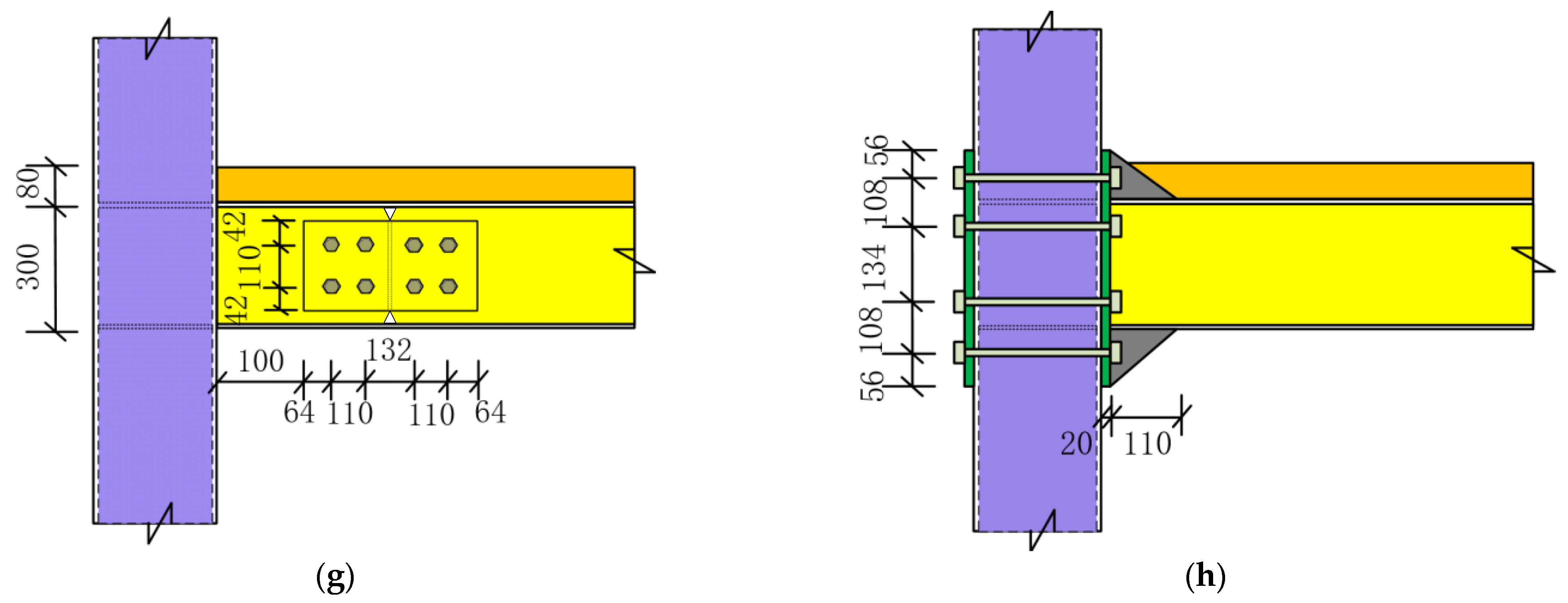
- Welded flange-bolted web connection (FEM-5);
- (6)
- Extended end-plate-bolted connection (FEM-6).
3. Prototype Structure Description
4. Finite Element Model Size
5. Finite Element Software Parameter Setting
6. Finite Element Method Validation
7. Results of Finite Element Analysis
7.1. Comparison of FEM-1 and FEM-3
7.2. Comparison of FEM-2 and FEM-4
7.3. Comparison of FEM-5 and FEM-6
7.4. Failure Mode and Collapse Resistance Theory
8. Conclusions
- (1)
- From the perspective of ultimate load-bearing performance, the structure employing the welding connection of the flange of the steel beam with local widening exhibited the best ultimate load-bearing performance, while the structure employing the reduced steel beam section (RBS) connection demonstrated the poorest performance.
- (2)
- From the perspective of ductile deformation performance, the structure employing the reduced steel beam section (RBS) connection exhibited the best ductile deformation performance, while the structure employing the welded flange-bolted web connection demonstrated the poorest performance.
- (3)
- The proposed structural connection scheme in this paper, utilizing double-sided composite action beams at the steel beam–column connection nodes, demonstrates significant improvements in both ultimate anti-collapse performance and failure modes.
Author Contributions
Funding
Data Availability Statement
Conflicts of Interest
References
- Russell, J.M.; Sagaseta, J.; Cormie, D.; Jones, A.E.K. Historical review of prescriptive design rules for robustness after the collapse of Ronan Point. Structures 2019, 20, 365–373. [Google Scholar] [CrossRef]
- Usmani, A.S.; Chung, Y.C.; Torero, J.L. How did the WTC towers collapse: A new theory. Fire Saf. J. 2003, 38, 501–533. [Google Scholar] [CrossRef]
- DOD (Department of Defence). Design of Buildings to Resist Progressive Collapse; Unified Facilities Criteria (UFC 4-023-03, USA); DOD (Department of Defence): Washington, DC, USA, 2016. [Google Scholar]
- GSA (General Services Administration). Progressive Collapse Analysis and Design Guides for New Federal Office Buildings and Major Modernization Projects; GSA (General Services Administration): Washington, DC, USA, USA, 2016. [Google Scholar]
- Wang, W.-D.; Zheng, L.; Li, H.-W. Experimental investigation of composite joints with concrete-filled steel tubular column under column removal scenario. Eng. Struct. 2020, 219, 110956. [Google Scholar] [CrossRef]
- Zhong, W.-h.; Tan, Z.; Tian, L.M.; Meng, B.; Song, X.Y.; Zheng, Y.H. Collapse resistance of composite beam-column assemblies with unequal spans under an internal column-removal scenario. Eng. Struct. 2020, 206, 110143. [Google Scholar] [CrossRef]
- Dinu, F.; Marginean, I.; Dubina, D. Experimental testing and numerical modelling of steel moment-frame connections under column loss. Eng. Struct. 2017, 151, 861–878. [Google Scholar] [CrossRef]
- Wang, F.; Yang, J.; Pan, Z. Progressive collapse behaviour of steel framed substructures with various beam-column connections. Eng. Fail. Anal. 2020, 109, 104399. [Google Scholar] [CrossRef]
- Guo, L.; Gao, S.; Fu, F.; Wang, Y. Experimental study and numerical analysis of progressive collapse resistance of composite frames. J. Constr. Steel Res. 2013, 89, 236–251. [Google Scholar] [CrossRef]
- EN 1993; Eurocode 3-Design of Steel Structures, Part 1–8: Design of Joints. European Committee for Standardization CEN: Brussels, Belgium, 2005.
- Xuan, W.; Wang, L.; Liu, C.; Xing, G.; Zhang, L.; Chen, H. Experimental and Theoretical Investigations on Progressive Collapse Resistance of the Concrete-Filled Square Steel Tubular Column and Steel Beam Frame under the Middle Column Failure Scenario. Shock Vib. 2019, 2019, 2354931. [Google Scholar] [CrossRef]
- Kang, S.-B.; Tan, K.H.; Liu, H.-Y.; Zhou, X.-H.; Yang, B. Effect of boundary conditions on the behaviour of composite frames against progressive collapse. J. Constr. Steel Res. 2017, 138, 150–167. [Google Scholar] [CrossRef]
- Li, L.; Wang, W.; Chen, Y.; Lu, Y. Experimental investigation of beam-to-tubular column moment connections under column removal scenario. J. Constr. Steel Res. 2013, 88, 244–255. [Google Scholar] [CrossRef]
- GB 50017-2003; Code for Design of Steel Structures. Ministry of Construction of China: Beijing, China, 2003. (In Chinese)
- JGJ138-2016; Code for Design of Composite Structures. Ministry of Construction of China: Beijing, China, 2016. (In Chinese)
- Wang, J.; Wang, W.; Bao, Y. Full-Scale Test of a Steel–Concrete Composite Floor System with Moment-Resisting Connections under a Middle-Edge Column Removal Scenario. J. Struct. Eng. 2020, 146, 04020067. [Google Scholar] [CrossRef]
- Lu, X.; Zhang, L.; Lin, K.; Li, Y. Improvement to composite frame systems for seismic and progressive collapse resistance. Eng. Struct. 2019, 186, 227–242. [Google Scholar] [CrossRef]
- Meng, B.; Zhong, W.; Hao, J.; Song, X. Improving anti-collapse performance of steel frame with RBS connection. J. Constr. Steel Res. 2020, 170, 106119. [Google Scholar] [CrossRef]
- GB 50010-2010; Code for Design of concrete structures. Ministry of Construction of China: Beijing, China, 2010. (In Chinese)
- Chu, L.; Li, G.; Li, D.; Zhao, J. Study on Progressive Collapse Behavior of SRC Column-Steel Beam Hybrid Frame Based on Pushdown Analysis. Shock Vib. 2017, 2017, 3075786. [Google Scholar] [CrossRef]
- Chen, J.; Huang, X.; Ma, R.; He, M. Experimental Study on the Progressive Collapse Resistance of a Two-Story Steel Moment Frame. J. Perform. Constr. Facil. 2012, 26, 567–575. [Google Scholar] [CrossRef]
- Khandelwal, K.; El-Tawil, S.; Kunnath, S.K.; Lew, H.S. Macromodel-Based Simulation of Progressive Collapse: Steel Frame Structures. J. Struct. Eng. 2008, 134, 1070–1078. [Google Scholar] [CrossRef]
- Kiakojouri, F.; Sheidaii, M.R.; De Biagi, V.; Chiaia, B. Progressive Collapse Assessment of Steel Moment-Resisting Frames Using Static- and Dynamic-Incremental Analyses. J. Perform. Constr. Facil. 2020, 34, 04020025. [Google Scholar] [CrossRef]
- Johnson, E.S.; Meissner, J.E.; Fahnestock, L.A. Experimental Behavior of a Half-Scale Steel Concrete Composite Floor System Subjected to Column Removal Scenarios. J. Struct. Eng. 2016, 142, 04015133. [Google Scholar] [CrossRef]
- Kong, D.-Y.; Yang, Y.; Yang, B. Experimental Study on The Progressive Collapse of 3D Steel Frames under Concentrated and Uniformly Distributed Loading Conditions. In Proceedings of the 9th International Conference on Steel and Aluminium Structures (ICSAS), Bradford, UK, 3–5 July 2019; pp. 1270–1280. [Google Scholar]
- Tohidi, M.; Janby, A. Finite-Element Modeling of Progressive Failure for Floor-to-Floor Assembly in the Precast Cross-Wall Structures. J. Struct. Eng. 2020, 146, 04020087. [Google Scholar] [CrossRef]
- Liu, S.-W.; Liu, Y.-P.; Chan, S.-L. Advanced analysis of hybrid steel and concrete frames Part 2: Refined plastic hinge and advanced analysis. J. Constr. Steel Res. 2012, 70, 337–349. [Google Scholar] [CrossRef]
- Asgarian, B.; Rezvani, F.H. Progressive collapse analysis of concentrically braced frames through EPCA algorithm. J. Constr. Steel Res. 2012, 70, 127–136. [Google Scholar] [CrossRef]
- Gerasimidis, S.; Sideri, J. A new partial-distributed damage method for progressive collapse analysis of steel frames. J. Constr. Steel Res. 2016, 119, 233–245. [Google Scholar] [CrossRef]
- Zhong, W.; Meng, B.; Hao, J. Performance of different stiffness connections against progressive collapse. J. Constr. Steel Res. 2017, 135, 162–175. [Google Scholar] [CrossRef]
- Gao, S.; Xu, M.; Fu, F.; Guo, L. Performance of bolted steel-beam to CFST-column joints using stiffened angles in column-removal scenario. J. Constr. Steel Res. 2019, 159, 459–475. [Google Scholar] [CrossRef]
- Zhou, G.; Shi, J.; Li, P.; Li, H. Characteristics of structural state of stress for steel frame in progressive collapse. J. Constr. Steel Res. 2019, 160, 444–456. [Google Scholar] [CrossRef]
- Wei, J.-P.; Tian, L.-M.; Hao, J.-P.; Li, W.; Zhang, C.-B.; Li, T.-J. Novel principle for improving performance of steel frame structures in column-loss scenario. J. Constr. Steel Res. 2019, 163, 105768. [Google Scholar] [CrossRef]
- Tsai, M.-H. An analytical methodology for the dynamic amplification factor in progressive collapse evaluation of building structures. Mech. Res. Commun. 2010, 37, 61–66. [Google Scholar] [CrossRef]
- Mohamed, O.A. Assessment of progressive collapse potential in corner floor panels of reinforced concrete buildings. Eng. Struct. 2009, 31, 749–757. [Google Scholar] [CrossRef]
- Ding, J.; Li, Y.; Xing, W.; Ren, P.; Kong, Q.; Yuan, C. Mechanical properties and engineering application of single-span steel-concrete double-sided composite beams. J. Build. Eng. 2021, 40, 102644. [Google Scholar] [CrossRef]
- Alogla, K.; Weekes, L.; Augusthus-Nelson, L. A new mitigation scheme to resist progressive collapse of RC structures. Constr. Build. Mater. 2016, 125, 533–545. [Google Scholar] [CrossRef]
- Szyniszewski, S.; Krauthammer, T. Energy flow in progressive collapse of steel framed buildings. Eng. Struct. 2012, 42, 142–153. [Google Scholar] [CrossRef]
- Kiakojouri, F.; De Biagi, V.; Chiaia, B.; Sheidaii, M.R. Progressive collapse of framed building structures: Current knowledge and future prospects. Eng. Struct. 2020, 206, 110061. [Google Scholar] [CrossRef]
- Zandonini, R.; Baldassino, N.; Freddi, F.; Roverso, G. Steel-concrete frames under the column loss scenario: An experimental study. J. Constr. Steel Res. 2019, 162, 105527. [Google Scholar] [CrossRef]
Materials | Thickness (Diameter) | Yield Strength/MPa | Ultimate Strength/MPa |
---|---|---|---|
Steel slab | 6 mm | 400 | 541 |
8 mm | 380 | 519 | |
12 mm | 396 | 534 | |
Reinforcement bar | 6 mm | 345 | 448 |
High-strength friction-type bolts | 20 mm | 1110 | 1148 |
Concrete | - | Compressive strength | Tensile strength |
- | 35 | 2.6 |
FEM-1 | FEM-3 | FEM-2 | FEM-4 | FEM-5 | FEM-6 | |
---|---|---|---|---|---|---|
Ductility coefficient | 5.5 | 5.9 | 5.5 | 6.2 | 3.2 | 5.2 |
Yield load/KN | 260 | 269 | 335 | 257 | 291 | 299 |
3.5% | 30.4% | 2.7% | ||||
Ultimate load/kN | 316 | 348 | 410 | 354 | 355 | 461 |
10.1% | 15.8% | 29.9% |
Disclaimer/Publisher’s Note: The statements, opinions and data contained in all publications are solely those of the individual author(s) and contributor(s) and not of MDPI and/or the editor(s). MDPI and/or the editor(s) disclaim responsibility for any injury to people or property resulting from any ideas, methods, instructions or products referred to in the content. |
© 2023 by the authors. Licensee MDPI, Basel, Switzerland. This article is an open access article distributed under the terms and conditions of the Creative Commons Attribution (CC BY) license (https://creativecommons.org/licenses/by/4.0/).
Share and Cite
Wang, J.; Li, Y. Collapse Resistance of Composite Structures with Various Optimized Beam–Column Connection Forms. J. Compos. Sci. 2023, 7, 477. https://doi.org/10.3390/jcs7110477
Wang J, Li Y. Collapse Resistance of Composite Structures with Various Optimized Beam–Column Connection Forms. Journal of Composites Science. 2023; 7(11):477. https://doi.org/10.3390/jcs7110477
Chicago/Turabian StyleWang, Junjun, and Yang Li. 2023. "Collapse Resistance of Composite Structures with Various Optimized Beam–Column Connection Forms" Journal of Composites Science 7, no. 11: 477. https://doi.org/10.3390/jcs7110477
APA StyleWang, J., & Li, Y. (2023). Collapse Resistance of Composite Structures with Various Optimized Beam–Column Connection Forms. Journal of Composites Science, 7(11), 477. https://doi.org/10.3390/jcs7110477