Abstract
There are many existing buildings for which seismic rehabilitation interventions are required, especially in earthquake-prone areas like Italy. At the same time, the deep energy crisis that Europe is facing highlights the need for sustainable techniques that are able to increase the energy efficiency of buildings. In order to mitigate the social and cultural obstacles for deep renovations of buildings, effective techniques and methods are required to avoid relocating users, which often discourages such interventions. To this purpose and as the main novelty, this research is aimed at presenting a new strengthening technique for reinforced concrete buildings that is able to integrate structural seismic strengthening and energy efficiency improvements. It is made up of new framed structures connected from the outside to the existing building, thus reducing the intrusiveness and relocation needs of users. At the same time, the seismic strengthening technique is conceived for an optimal coupling with energy saving interventions like high-performance external insulation finishing systems. In this study, these techniques are described and applied to a reinforced concrete (RC) school building designed only for gravity loads, according to outdated standards. The results show that the considered strengthening technique increases the seismic performance of the building with respect to both life safety and damage limitation requirements, avoiding any further local interventions to the building’s interior. On the other hand, the energy renovation allows for significant savings, since the resulting reduction in the total non-renewable energy consumption is larger than 80%.
1. Introduction
The large number of existing buildings in Italy without adequate seismic protection [] requires the definition of sustainable intervention techniques that are able to reduce time and costs, and limit interruptions to use. Recent earthquakes demonstrated the significant losses that may be incurred when buildings miss seismic requirements []. At the same time, these buildings show unsatisfactory energy performance mainly due to their heating and cooling needs, but also to lighting and domestic hot water supply. In fact, it is estimated that European buildings’ energy consumption is about 40% of the total energy demand [,]. The current energy crisis due to the large price increase for natural gas [] necessitates investment in energy efficiency of both residential and non-residential buildings, as well as diversification of natural gas supplies to reduce the dependence on a single supplier country [].
Specifically, regarding the seismic performance of existing reinforced concrete (RC) structures, most of the gap is due to inadequate detailing and poor behaviour of fragile elements like beam-column joints (e.g., Refs. [,]) as well as poor materials, as clearly demonstrated by recent earthquakes [,]. In the meantime, advanced methods to assess [] and monitor the structural integrity of critical components in RC buildings have been developed and are available for the full understanding of their behaviour and to evaluate the best retrofit strategies. Moreover, old envelope solutions and outdated mechanical and electrical systems lead to high energy consumption, which is currently not sustainable from both the environmental and economic points of view [,].
In the last decade, the trend to treat seismic strengthening and energy efficiency improvement as two different problems has been turned into a more consistent approach based on the combination or integration of structural and energy measures to guarantee the minimisation of intrusiveness and invasiveness of renovation actions []. In fact, it is even more important to reduce as much as possible the losses due to seismic damage after an energy efficiency intervention is carried out. Usually, the combination of seismic and energy interventions requires only compatibility of the different measures, while the integration is normally obtained when a single engineered system provides both the effects of seismic and energy upgrading, and the compatibility is guaranteed [].
Therefore, at both the Italian and European levels, sustainable seismic strengthening techniques were and are being developed, at both local and global levels, within the activities of several research projects. As an example, Work Package 5 “Integrated and Sustainable Interventions for the Requalification of Existing Buildings”, carried out in the framework of the 2019-21 and the 2022–2024 research programs funded by the Italian Dept. of Civil Protection (DPC) and conducted by the Network of Laboratories of Earthquake Engineering (ReLUIS), aimed at developing and applying in a sustainable way seismic strengthening solutions. Results of this project are represented by design methodologies for the integrated structural and energy retrofit of existing RC buildings [], in which patented global [] and local [] seismic strengthening systems were conceived in order to allow cheap interventions only from the outside. Global techniques are mainly represented by exoskeletons, which can have a reinforced concrete or steel structure [], and can function as an additional moment-resisting frame applied to the existing structure or as a dissipative structure provided with purposely designed hysteretic devices []. Wide research was also devoted to setting new design methods accounting for the vulnerability of the existing structure and the limit states design objectives []. Integrated intervention techniques have also been studied in the framework of the European research program “REEBUILD: Integrated techniques for the seismic strengthening and energy efficiency of existing buildings”. In fact, Ref. [] reports a wide literature review regarding intervention techniques able to provide seismic and energy measures in an integrated manner. As an example, integrated interventions can be grouped in three main categories: integrated exoskeleton solutions, interventions on the envelope and interventions on the horizontal members. Each one of these categories can be exploded into several specific techniques that have already been applied or at least laboratory tested to an intermediate TRL (Technology Readiness Level). Other studies [] outlined the possibility of using retrofit systems for existing reinforced concrete buildings consisting of precast concrete panels, which are able to improve both the structural and energetic performance.
This research describes the seismic and energy upgrading of an RC school building built in the 1960s using a seismic upgrading strategy based on a newly conceived dissipative exoskeleton [], which was considered for integration with high-performance external insulation finishing systems (EIFS) adopting low-thickness panels [].
The strengthening solution, named HPDF (high performing dissipation frame), is based on RC frames connected to the existing structure to provide it with additional seismic capacity, also through dissipative properties imparted by purposely designed steel elements placed at the beams’ mid-span.
In between the new and the existing frame, thermal insulation panels are inserted to increase energy efficiency. Other energy measures are also foreseen, for example, the replacement of the heating system, lighting system and roof insulation.
In the following, Section 2 describes the case study building as well as the seismic and energy efficiency assessment; Section 3 provides a detailed description of the intervention concept (seismic strengthening and energy improvement) along with the adopted procedures for design purposes; and finally, Section 4 reports the results and discussion based on calculated savings due to the utilised techniques with a comparison of the pre- and post-intervention conditions.
2. Materials and Methods
2.1. Case Study Building
In order to realise an integrated seismic upgrading intervention using the HPDF technique, working only from the outside and coupled with an energy efficiency renovation, a primary school building (Figure 1a) located in the province of Macerata (Italy) was considered. The seismic strengthening intervention on this building was already illustrated in previous research [], showing the general design choices without specific details about the seismic–energy integration of measures. Therefore, the main aim of this study is to illustrate the details of seismic–energy integration. The selected building dates back to the 1960s, and was designed only in reference to gravity loads. It was affected by the 2016–2017 central Italy seismic sequence that caused some structural and non-structural damage to many other school buildings in the area []. The school building has an RC frame structure, with an almost square plan (with a floor area of about 400 m2 and a total volume of about 3600 m3) and three stories (Figure 1a), visible from the south side, while only one storey can be seen from the north side where a retaining wall is present. The total building height is 12 m, including a low-rise attic. The frame is made of a regular mesh of columns arranged through a series of one-way frames (Figure 1b). The staircase is made of two RC walls and is placed eccentrically with respect to the building’s centre of mass.

Figure 1.
The case-study school building: (a) photo of the building, (b) first storey’s structural plan.
As with most of the existing Italian buildings built before the enforcement of the first energy saving law [], the envelope of the building at hand is provided with low thermal resistance, imposing high energy demands for heating and cooling the classrooms. In fact, the vertical infill walls (with a total thickness of 300 mm) are made of two 115 mm thick layers of semi-solid bricks with a 20 mm air gap, resulting in a total thermal transmittance (i.e., U-value) equal to 1.031 W/m2K (Figure 2). The intermediate floor slabs are made up of mixed brick-reinforced concrete joists (240 mm thick) complemented by a lightweight concrete creed and stoneware tiles (leading to the total thickness to 300 mm) with a total U-value of 1.353 W/m2K. The roof slab is made up of 160 mm thick brick elements with a 40 mm concrete plate completed by two plaster layers (internal and external) 20 mm thick with a total U-value equal to 1.149 W/m2K. The windows are made of two 4 mm glass layers with an air gap of 12 mm, which have a U-value equal to 2.849 W/m2K.

Figure 2.
Masonry infill stratigraphy.
The winter air conditioning system is made of cast iron radiators as emission terminals, with a fluid delivery temperature equal to 75 °C and the return temperature equal to 65 °C. The generator is a standard-type natural gas boiler with a thermal power of 115 kW. The DHW production system is made of an additional natural gas boiler with a thermal power of 32 kW. There is no summer air conditioning, nor any mechanical ventilation (VMC) and renewable energy production inside the building.
In order to characterise the energy demand, the school is located in climatic zone E, with 2150 heating degree days (HDDs).
2.2. Seismic Assessment
In order to apply the selected seismic strengthening technique, the as-built condition of the building at hand had to be assessed. To this purpose, a FEM model (Figure 3) of the building structure was constructed using SAP2000 software [] to perform push-over analyses based on the lumped plasticity assumption (Figure 4). Therefore, the material properties were assessed through the available results of a destructive and non-destructive tests campaign according to the Italian code []. In fact, the mean value of the concrete compressive strength was derived from compressive tests on cores extracted from the structure, resulting in a value equal to fcm = 10.9 MPa. The yielding stress of the reinforcing steel was obtained from tensile tests on rebars belonging to the structure, resulting in a mean value equal to fym = 370 MPa. Based on the above reported material properties, the moment–rotation relationships were calculated, which accounted for the reinforcement amount of each single structural member. The reinforcement arrangement and moment–rotation relationships of typical column and beam members are reported in Figure 4a–d, respectively. As can be seen from the tables in Figure 3b, the first mode shape involves rotational effects due to the eccentric position of the staircase. This latter influences the seismic response of the building.

Figure 3.
(a) 3D finite element model and (b) dynamic characteristics of the structure.

Figure 4.
Plastic hinge modelling of column (P1) and beam (T1): (a) column’s reinforcement details; (b) beam’s reinforcement details; (c) column’s moment–rotation relationships; (d) beam’s moment–rotation relationships.
The column cross-sectional dimensions are generally 45 × 45 cm (Figure 4a), while beams have a 40 × 65 cm section, as shown in Figure 4b (column P1 and beam T1 in Figure 3a).
The structure’s capacity curve in the X-direction (Figure 5b) was obtained via the push-over analysis considering a load distribution corresponding to the trend of the storey forces calculated through linear dynamic analysis, including in each direction a number of modes with a total participating mass equal to at least 85%. It is worth noting that the staircase walls were modelled as 1D elements. This was possible due to the fact that a similar stiffness is provided by frame elements, and when performing the shear safety checks, suitable shear capacity models were adopted.

Figure 5.
(a) Structural model; (b) push-over analysis in the X-direction of the ante-intervention condition (as-built). ζE = 1 represents the full retrofit condition.
The analysis was arrested at a roof displacement of 120 mm, corresponding to the condition of the seismic capacity–demand ratio equal to ζE = 1. This behaviour does not account for any possible brittle failure. In fact, only ductile failures are considered and occur when the rotation capacity of an RC member is exceeded.
The identification of the life safety (LS) limit state achievement can be carried out according to several assumptions. The study reported in [] provided an overview of the ways that are available to identify this condition. In some cases, it can be assumed that the limit state is reached when a significant percentage (e.g., 50%) of members reach certain conditions (for example, 75% of the ultimate chord rotation for flexure or the shear failure). This study assumed that the LS limit state is reached when the first element achieves a chord rotation equal to 75% of the ultimate value or the failure in shear. Even though this is significantly conservative, this criterion fully matches the Italian building code. Therefore, it is consistent with the usual practitioners’ approach.
Therefore, the detection of shear failures was carried out by manually comparing shear stresses and capacity values step-by-step in a post-processing phase. In this way, it was possible to find the top displacement for which the first fragile crisis happened (and the corresponding base shear value) that was equal to d = 11 mm. The seismic safety index is expressed in terms of the capacity–demand ratio, which, at this displacement level, is ζE = 0.12, representing the life safety limit state condition.
2.3. Energy Efficiency Assessment
The energy assessment was carried out in the framework of the monthly quasi-steady state approach. The useful floor and the volume of the building are Su = 1202.57 m2 and V = 5121.70 m3, respectively, while the surface-to-volume ratio S/V = 0.28, with S being the total external surface. The building location is in climate zone E, with 2150 heating degree days (HDD).
The simplified monthly quasi-steady state method is based on the European Standard ISO 13790 [] and the UNI 11300 [], calculating the seasonal energy balance of the building that includes all energy sources and sinks, as well as all energy flows through its envelope. As an example, in the energy balance for heating, transmission losses through external surfaces and ventilation losses caused by natural or mechanical exchange of warm indoor air with colder outdoor air through joints, are compared with the energy gains due to the irradiation of solar energy through the building envelope and to internal gains generated by the heat released by persons, appliances, computers and other electric devices, as well as from illumination. Finally, the energy needed to maintain the desired room temperature using heating systems is calculated as the excess of the losses compared to the gains. Renewable energy technologies represent one of the possible solutions to achieve a remarkable reduction in energy need, especially in colder climate zones.
Calculations were carried out using the TERMOLOG “Accademy” V14 software,(Figure 6), according to the type of vertical closure elements and floors (as described before), the presence of thermal bridges and the type of existing thermal system. Figure 6a shows how the presence of the retaining wall was considered in order to account for the correct amount of solar radiation.

Figure 6.
Building energy modelling: (a) whole building; (b) first storey; (c) second storey and (d) roof.
In addition to the enclosure walls’ properties, detailed information about the heating and lighting systems was accounted for, as well as the presence of partitions and windows.
A further important aspect is related to thermal bridges, which were defined for each singular point of the building and characterised via specific FEM analysis. Thermal bridges can contribute to increasing the energy demand during heating and cooling seasons, producing condensation problems. In thermal bridges, the thermal resistance is modified by penetration of the building envelope via materials with different thermal conductivities, with a change in thickness or with a difference between internal and external areas.
Thermal barriers can reduce heat transmission losses and on the basis of a 2D finite element numerical model (FEM), the effects of thermal insulation have been numerically investigated.
The cases examined concern thermal bridges between the following elements:
- Vertical walls and floors (attic, inter-floor and balcony);
- Façade columns and infills;
- Corner columns and infills;
- Partitions and infills;
- Ground and foundations.
As an example, Figure 7 shows the FEM model of the thermal bridge between a corner column and the two adjacent infill walls.

Figure 7.
FEM modelling of thermal bridges at column–infill corners (temperature in °C).
The energy needs are assessed, assuming an internal temperature of the heated rooms equal to 20 °C, also considering for the unheated attic a correction coefficient equal to 0.9 (pursuant to UNI-TS 11300 []). It should be noted that the building is located in climatic zone E; therefore, the heating systems are switched on from 15 October to 15 April. As a result of the energy efficiency assessment in the as-built condition, the global non-renewable energy performance index is EPgl, with nren = 189.60 kWh/m2 year, which corresponds to the total energy consumed by the air-conditioned building per unit of surface (in one year).
3. Integrated Seismic–Energy Upgrading Intervention
3.1. Design Philosophy
The renovation of public buildings increasingly deals with older constructions with very poor material quality, improper organisation of interior space and inefficient systems, resulting in unhealthy climate and air quality. The sum of the overall inadequacies of these buildings often leads to the design of invasive interventions that require long-lasting maintenance or, in extreme cases, demolition and reconstruction, which have a great impact on activities performed in public buildings like schools and hospitals, and impair the sustainability of such an approach.
Indeed, sustainability is commonly represented by the three-pillar conception based on social, economic and environmental requirements, which must all be considered together []. This broad meaning of the sustainability concept needs to be translated into the building industry through more specific and technical concepts.
Therefore, the design of renovation interventions on public buildings should be based on the following five stones that are able to act together, providing a sustainable transition to the new generation buildings (Figure 8):

Figure 8.
Stones of sustainable public buildings’ renovation.
- Lowering downtime: this allows the building to be used as long as possible during the intervention work. This avoids building managers having to relocate activities and find substitute buildings, as well as the users having to change location.
- Reducing seismic fragility: structural interventions devoted to reducing the seismic vulnerability of buildings are able to strongly reduce the damage in case of a seismic event. This allows for rapid recovery of the building’s functionality, without any interventions or through cheap repair work. The direct and indirect losses for the community are significantly lowered and, as a result, the resilience is highly improved.
- Providing integration: any intervention technique or a combination should be able to cover all of the aspects, from 1 to 5, to be sustainable and rewarding with respect to the community’s needs.
- Increasing the users’ living comfort: during the COVID-19 pandemic, heavy disruptions were experienced in the education sector. For many months, students were not allowed to attend lessons in person, forcing them to receive distance education, which involves many drawbacks such as a lack of socialisation. To this end, for example, a mechanical ventilation system is highly effective in improving the air quality inside buildings, thus permitting their use safely.
- Reducing energy consumption: improving the energy efficiency of buildings is a mandatory task to be performed when dealing with renovation interventions, in order to reduce the carbon footprint of housing and increase the economic sustainability of the administrative bodies.
Considering a “three-pillar” perspective, stones 1 and 4 could be assumed to belong to the social pillar, stone 2 belongs to all three pillars, since lowering the seismic fragility impacts on damage (economic), reduces the building unavailability due to repair work (social) and decreases the need for raw materials for repair work (environmental). Stone 5 is mainly related to the economic and environmental pillars due to lower energy consumption and carbon footprint, respectively. As a result, integration is the key stone, which allows the others to remain together, and therefore pertains to all three pillars. The integration requirement is related to designing all aspects of a renovation so that they can be easily combined without interference, or are even provided by one engineered solution able to cover the structural and energy aspects together.
3.2. Intervention Overview
In this section, the main idea of the renovation intervention is described in reference to the integration of the seismic strengthening intervention and the installation of the external insulation finishing system devoted to reducing the thermal transmittance of the building envelope.
Figure 9a shows how the HPDF system includes two main components, a column and a half beam. The system is conceived to function through two dissipative components. The first is a shear hinge (S hinges) placed at the beam end, working under the relative displacements between the two beam ends. The second dissipation source is made up of a flexural hinge (F hinge) placed at the base of the column, working under the rotation of column members with respect to the foundation. It can easily be determined that if the span length is two times the inter-storey height, the S hinge experiences a relative displacement that is double the inter-storey drift. This is a clear advantage in comparison to devices working under the inter-storey drift, such as for bracing systems.

Figure 9.
(a) Locations of bending (F) and shear (S) hinges for a single-bay frame; (b) HPDF system with additional bracing members.
The HPDF system’s effectiveness increases when the framing elements’ stiffness increases. To maximise the relative displacement of the S hinges, small or negligible deformations of the beams are required. This aspect is significantly related to the span length of beams, and could limit the applicability of the HPDF in some cases (large spans). In order to avoid using large cross-sections of beams and columns, additional braces can be used to increase the efficiency of the system (Figure 9b).
The new frames of the HPDF system must be connected to the existing structure using shear connectors grouted with epoxy resin and designed to resist the (inertial) shear forces that are transferred from the existing structure to the new frames. In order to allow for dissipative kinematics, the connections must be such that only vertical displacements are allowed.
The connection between the HPDF system and the existing structure must be present only at beam–column joints, in order to allow a rigid body behaviour of the new frames with respect to the existing ones. For the building at hand, the arrangement of Figure 9b was used due to the presence of large spans in the framed structure that forced the adoption of measures to reduce the exoskeleton deformability. Figure 10 shows the FEM model in SAP2000, provided with exoskeleton RC members (in red), bracing steel elements (in blue) and existing RC members (in grey).

Figure 10.
SAP2000 structural model of the seismically upgraded structure.
As can be seen from Figure 11, the exoskeleton frames are made of beams and columns with 40 × 60 cm cross-sections, assuming a concrete grade of C28/35 according to Eurocode 2 []. The columns are hinged at the base so that the F hinges do not have any stiffness and strength. At the mid-spans, the beams are interrupted to allow the presence of S hinges, which must provide the needed stiffness and strength.

Figure 11.
Exoskeleton frames: (a) south elevation, (b) west elevation.
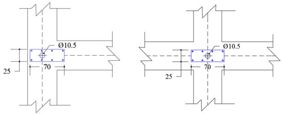
As the main novelty proposed in this concept technique, at each beam-column joint location the exoskeleton and the existing frame are connected through a purposely developed steel connection that allows for the integration with the thermal insulation intervention. In more traditional exoskeleton solutions, new frame elements are rigidly connected to the existing structure along the entire length of each element, as, for example, in the case of non-dissipative solutions []. On the contrary, exoskeletons based on the HPDF solution must be connected only in beam-column joints through a device that is able to allow for relative rotation between the existing and new members (according to Figure 12). Moreover, the existing and new elements must be separated by a gap that permits the installation of insulation material. For this reason, the connection (named “gap connection”) is conceived specifically to fulfil these two requirements assuming the shape of a pin connection with an 8 cm gap between the existing and new RC members (Figure 12). The gap connection is made up of two main steel plates (Figure 13) that are anchored to both of the concrete structures through bolted rods.

Figure 12.
Gap connection’s 3D view.

Figure 13.
Corner and façade beam-column joint with gap connections (dimensions in cm).
These two plates are connected by a steel cylinder that assures pin restraint between the existing and new structure, permitting free relative rotation. The gap dimension (distance between the old and new structure) is equal to 80 mm (Figure 14). Out of these 80 mm, 50 mm are used to accommodate the presence of insulation panels, and 30 mm are necessary for the presence of the exoskeleton’s formworks (during construction) and to easily remove them after concrete curing. Therefore, the working phases for the seismic–energy intervention are as follows:

Figure 14.
Vertical section of the gap connection (dimensions in cm).
- Installation of gap connections at each beam-column connection;
- Preparation of the insulation panels with notches to house the gap connections;
- Installation of the external insulation finishing system, painting included;
- Realisation of the exoskeleton.
3.3. Seismic Upgrading Design
Seismic upgrading is designed to achieve a capacity–demand ratio equal to at least ζE= 0.6, which corresponds to the minimum threshold required for Italian strategic buildings and schools. The detailed design procedure is shown in [], and it is briefly recalled here.
First of all, the nonlinear static (pushover) analyses have to be carried out on the as-built model of the existing structure using a suitable load pattern (e.g., Ref. []). The modal participation factor is adopted to convert the MDOF response into the SDOF response, obtaining the corresponding bilinear curve in the acceleration–displacement response spectrum (ADRS, red curve in Figure 15).

Figure 15.
ADRS spectrum for the Y-direction.
Then, the allowed target displacement for the existing structure in the post-intervention condition must be defined. In this case, the main intervention goal is to avoid any brittle failure related to the RC members so that local strengthening interventions become unnecessary. Figure 15 shows the vertical dotted line at a 13 mm displacement for the Y-direction, being the above-mentioned target displacement, which would trigger the first fragile collapse. The graph also shows the demand curves (related to elastic spectra reduced by 40% in order to obtain a seismic intensity equal to 60% of the design values) for different equivalent damping (ξ) values (namely 5, 15 and 30%, indicated with grey, purple and black curves, respectively). Once the total (existing + exoskeleton) stiffness is known (inclined dotted line), the larger the damping value, the lower the force threshold. Once the damping value is selected (in this case 30%), a horizontal line can be drawn to intersect the inclined dotted line. This results in the whole system’s bilinear (green) curve (existing + exoskeleton). The difference between the green and the red curves results in the blue curve, representing the exoskeleton design behaviour. Therefore, assuming an almost rigid behaviour of the braced exoskeleton frames, the dissipative S hinges can be designed to obtain the wanted global behaviour in terms of both the initial stiffness and equivalent damping (Figure 16).

Figure 16.
(a) Mechanical behaviour of S-hinges and (b) rigid deformed shape of HPDF frames.
3.4. Energy Upgrading Design
To improve the energy performance of the building, ad hoc interventions were designed both on the external envelope and on the building systems. In particular, these interventions, described specifically below, are divided into the following:
- Thermal insulation of vertical opaque walls through vacuum panels;
- Thermal insulation of the roof through EPS panels;
- Replacement of external windows;
- Installation of a photovoltaic system with storage (grid-connected);
- Relamping of the lighting system;
- Replacement of the heating system with a heat pump;
- Installation of a controlled mechanical ventilation (VMC) system.
The energy efficiency intervention integrated with the seismic strengthening is represented by the external thermal coat, which is made with vacuum insulation panels with a thickness equal to 5 cm. As mentioned before, the choice of thickness was necessary to adapt the EIFS with seismic intervention, characterised by the installation of new frames adjacent to the existing ones through the purposely defined gap connections, thereby permitting a clearance between the two frames equal to 8 cm.
Each insulating panel is composed of a core, mainly of fibreglass, and a special jacket in fibreglass and an aluminium fabric that makes it much more resistant to cutting and erosion. This material has an extremely low conductivity, equal to 0.002 W/mK, which makes it possible to work even with much lower thicknesses than traditional EPS materials. With this intervention, it is possible to improve the transmittance of the upgraded infill walls from 1.031 to 0.039 W/m2K (Figure 17).

Figure 17.
Stratigraphy and physical properties distributions of the upgraded opaque walls.
In addition to interventions on the vertical envelope walls, further interventions were planned for both the other envelope members (roof and windows) (Table 1) as well as for systems (Table 2), in order to improve the overall energy efficiency. To this end, the heating and lighting systems were completely replaced with high-efficiency modern systems, a new photovoltaic system was installed along with an accumulation system; finally, to improve the users’ comfort especially for pandemic conditions, a controlled mechanical ventilation system was installed. This latter installment does not provide any energy saving, but only a consumption that was accounted for in the total energy balance.

Table 1.
Envelope intervention and related U-values for the as-built and post-intervention conditions.

Table 2.
Interventions on systems and related energy savings.
In Figure 18, the energy balance for heating is reported for before and after the energy efficiency assessment. The results show the relevant reduction in the transmission losses due to the thermal barriers.

Figure 18.
Heating energy balance over one year before (ANTE) and after (POST) the energy efficiency intervention. Transmission (tr), ventilation (ve), solar (sol) and internal (int) contributions are reported. Units, kWh/y.
4. Results and Discussion
As already mentioned, the seismic upgrading intervention was designed to achieve a capacity–demand ratio equal to at least ζE = 0.6. This value corresponds to the minimum threshold required for Italian strategic buildings and schools, according to the Italian building code. The choice of the seismic strengthening technique was suggested on the basis of the need to avoid working inside the building, thus limiting the impact on school activities. The seismic design was devoted to preventing any fragile collapse in the beams, columns and joints, in order to avoid local strengthening intervention on individual members. Therefore, only a global intervention made completely for the exterior was designed. To easily accommodate its integration with the energy efficiency measures, a gap connection was developed between the old and the new exoskeleton structure. This allowed for the installation of 5 cm thick vacuum insulation panels able to drop the upgraded infill walls transmittance from 1.031 to 0.039 W/m2K, with a 96% decrease. Other interventions on the systems, lighting and renewable energy generation allowed for dramatic reductions in the energy consumption of non-renewable energy.
According to the method described in the Italian guidelines for seismic risk classification of constructions [], the expected earthquake annual loss (EAL) was computed for the ante- and post-intervention conditions. It was found that the seismic upgrading intervention was able to reduce the expected earthquake annual loss from 8.2% to 1.1%, saving 7.1% of the reconstruction costs (RC) each year, which can be assumed to be in the range of EURO 1450 to 1900/m2 according to []. It is worth remembering that the EAL is the expected costs due to earthquake damage paid each year.
The energy efficiency intervention allowed the unit energy consumption to drop from 189.60 kWh/m2y to 34 kWh/m2y, corresponding to an 83% reduction. Considering that the total estimated costs for the seismic and energy upgrading interventions are equal to EUR 544/m2, the time needed to recover these intervention costs through savings in terms of energy and seismic damage represents the payback time. To compute this timeframe, it was assumed that the intervention costs are constant, since the work is currently being carried out, while the reconstruction costs and the energy costs increase with time due to inflation. The latter costs are very high at the moment (2023) in Italy, being equal to about 8%. An optimistic assumption may be that inflation decreases by 1% each year until it stabilises at around 2% (Table 3).

Table 3.
Inflation rate assumptions for Italy.
Based on these data and considering current energy prices (October 2023), the intervention payback time was calculated.
Based on Figure 19, the payback time (intersection of savings over time and intervention cost curves) is equal to about 3.2 y for the case of RC = EUR 1450/m2, and 2.3 y for the case of RC = EUR 1900/m2. As expected, the higher the reconstruction costs, the shorter the payback time. It is worth stressing that most of the savings that yield such short payback times are due to the huge seismic savings, being 7.1% of RC each year. Figure 20 shows the amount of EAL and energy savings for the first ten years, for a case where the reconstruction costs are equal to EUR 1450/m2.

Figure 19.
Payback time of the seismic–energy upgrading intervention.

Figure 20.
Savings in terms of EAL and energy for the case of RC = EUR 1450/m2.
The payback time in the case of energy savings only (absence of structural interventions for seismic upgrading) is equal to about 16 years; this demonstrates the need for financial incentives on behalf of government authorities to carry out these kinds of interventions, which will otherwise have limited cost–benefit advantages from an economic point of view. On the other hand, the benefits from the environmental point of view are always significant due to the significant reduction in non-renewable energy consumption [].
In order to compare the effectiveness of the proposed technique, recently studied exoskeleton solutions were explored. For example, in [] is described a design procedure regarding steel exoskeletons placed orthogonally to the existing building. This method does not explicitly consider the presence of energy efficiency interventions, highlighting that the proposed technique could serve as a possible support for energy efficiency upgrading and architectural restyling elements. The study reported in [] describes three different metal lightweight exoskeleton solutions applied to an RC school building. The solutions were integrated with coating elements able to provide thermal insulation. However, only two out of the three solutions were able to increase the seismic safety index to the minimum level required by the Italian code (ζE = 0.6), even though require some local interventions on the column members (on up to 30 members), which can be very disruptive. This leads to the conclusion that the technique proposed in this study has two clear advantages: (i) it provides dissipation elements that achieve high damping and, in turn, superior seismic performance; for this reason, local and highly impacting interventions inside the building can be avoided, although the minimum seismic safety index is achieved; (ii) the system was conceived to be coupled with external high-performance insulation panels that greatly improve the building’s energy efficiency.
5. Conclusions
This study presented a novel integrated intervention technique made up of dissipating exoskeletons equipped with so-called gap connections, which allow for the installation of high-performance insulation panels on the building envelope. This approach follows a five-pillar philosophy for building renovation sustainability described in this research.
The seismic intervention was applied to a case study school building, and was calibrated to avoid interventions to the building interior, thereby minimising disruptions and impact. The energy efficiency intervention was also devoted to renewing the systems, matching the latest standards related to consumption and air quality. The seismic capacity–demand ratio was increased by 5 times (i.e., from 0.12 to 0.6), while the total energy consumption was decreased by approximately 5.5 times.
Compared to other technical solutions, the method presented in this study avoids interventions to the building’s interior, which are usually significantly disruptive. This social cost has to be accounted for when rating a seismic–energy upgrading technical option.
Given the current inflation rates and reconstruction unit costs, the payback times are very short, demonstrating the economic convenience of carrying out these kinds of interventions. However, the savings are determined mainly by reductions in earthquake losses, which are often perceived as uncertain by citizens and administrative officers. However, the seismic damage savings suddenly appear when an earthquake happens, resulting in significant increases in community resilience, which can count on usable public buildings.
Author Contributions
Conceptualisation, G.S., A.D. (Antonio D’Angola), G.V., A.M., V.M., A.D. (Andrea Digrisolo) and V.P.; methodology, G.S., A.D. (Antonio D’Angola), G.V., A.M., V.M., A.D. (Andrea Digrisolo) and V.P.; software, G.S., A.D. (Antonio D’Angola), G.V., V.M. and V.P.; validation, G.S., A.D. (Antonio D’Angola), G.V., A.M., V.M., A.D. (Andrea Digrisolo) and V.P.; formal analysis, G.S., A.D. (Antonio D’Angola), G.V., A.M., V.M., A.D. (Andrea Digrisolo) and V.P.; investigation, G.S., A.D. (Antonio D’Angola), G.V., A.M., V.M., A.D. (Andrea Digrisolo) and V.P.; resources, G.S., A.D. (Antonio D’Angola) and A.M.; data curation, G.S., A.D. (Antonio D’Angola), G.V., A.M., V.M., A.D. (Andrea Digrisolo) and V.P.; writing—original draft preparation, G.S., A.D. (Antonio D’Angola), G.V., A.M., V.M., A.D. (Andrea Digrisolo) and V.P.; writing—review and editing, G.S., A.D. (Antonio D’Angola), G.V., A.M., V.M., A.D. (Andrea Digrisolo) and V.P.; visualisation, G.S., A.D. (Antonio D’Angola), G.V. and V.P.; supervision, G.S., A.D. (Antonio D’Angola), G.V. and A.M.; project administration, G.S., A.D. (Antonio D’Angola), G.V. and A.M.; funding acquisition, G.S., A.D. (Antonio D’Angola) and A.M. All authors have read and agreed to the published version of the manuscript.
Funding
The studies presented here were carried out as part of the activities envisaged by the Agreement between the Italian Department of Civil Protection (DPC) and the ReLUIS Consortium. DPC-Reluis Project 2022–2024—WP5 “Low impact and integrated interventions”. The contents of this study represent the authors’ ideas, and do not necessarily correspond to the official opinion and policies of the DPC.
Data Availability Statement
The data presented in this study are available on request from the corresponding author. The data are not publicly available due to privacy.
Conflicts of Interest
The authors declare no conflict of interest.
References
- Didkovskyi, O.; Azzone, G.; Menafoglio, A.; Secchi, P. Social and material vulnerability in the face of seismic hazard: An analysis of the Italian case. J. R. Stat. Soc. Ser. A Stat. Soc. 2021, 184, 1549–1577. [Google Scholar] [CrossRef]
- Masi, A.; Santarsiero, G.; Chiauzzi, L.; Gallipoli, M.R.; Piscitelli, S.; Vignola, L.; Grimaz, S. Different damage observed in the villages of Pescara del Tronto and Vezzano after the M6. 0 24 August 2016 central Italy earthquake and site effects analysis. Ann. Geophys. 2016, 59, 1–12. [Google Scholar] [CrossRef]
- Gaglia, A.G.; Dialynas, E.N.; Argiriou, A.A.; Kostopoulou, E.; Tsiamitros, D.; Stimoniaris, D.; Laskos, K.M. Energy performance of European residential buildings: Energy use, technical and environmental characteristics of the Greek residential sector–energy conservation and CO₂ reduction. Energy Build. 2019, 183, 86–104. [Google Scholar] [CrossRef]
- Mutani, G.; Todeschi, V. GIS-based urban energy modelling and energy efficiency scenarios using the energy performance certificate database. Energy Effic. 2021, 14, 47. [Google Scholar] [CrossRef]
- Mbah, R.E.; Wasum, D.F. Russian-Ukraine 2022 War: A review of the economic impact of Russian-Ukraine crisis on the USA, UK, Canada, and Europe. Adv. Soc. Sci. Res. J. 2022, 9, 144–153. [Google Scholar] [CrossRef]
- Clifford, C. How the EU Plans to Cut Dependence on Russian Gas by 67% this Year. CNBC. 2022. Available online: https://www.cnbc.com/2022/03/08/how-the-eu-plans-to-cut-dependence-on-russian-gas-by-67percent-this-year.html (accessed on 6 July 2023).
- Park, R. A summary of results of simulated seismic load tests on reinforced concrete beam-column joints, beams and columns with substandard reinforcing details. J. Earthq. Eng. 2002, 6, 147–174. [Google Scholar] [CrossRef]
- Santarsiero, G.; Masi, A. Analysis of slab action on the seismic behavior of external RC beam-column joints. J. Build. Eng. 2020, 32, 101608. [Google Scholar] [CrossRef]
- Rossetto, T.; Peiris, N.; Alarcon, J.E.; So, E.; Sargeant, S.; Free, M.; Sword-Daniels, V.; Del Re, D.; Libberton, C.; Verrucci, E.; et al. Field observations from the Aquila, Italy earthquake of April 6, 2009. Bull. Earthq. Eng. 2011, 9, 11–37. [Google Scholar] [CrossRef]
- Masi, A.; Santarsiero, G.; Digrisolo, A.; Chiauzzi, L.; Manfredi, V. Procedures and experiences in the post-earthquake usability evaluation of ordinary buildings. Boll. Geofis. Teor. Appl. 2016, 57, 199–220. [Google Scholar] [CrossRef]
- Allam, S.M.; Elbakry, H.M.; Arab, I.S. Exterior reinforced concrete beam column joint subjected to monotonic loading. Alex. Eng. J. 2018, 57, 4133–4144. [Google Scholar] [CrossRef]
- Carnieletto, L.; Ferrando, M.; Teso, L.; Sun, K.; Zhang, W.; Causone, F.; Romagnoni, P.; Zarrella, A.; Hong, T. Italian prototype building models for urban scale building performance simulation. Build. Environ. 2021, 192, 107590. [Google Scholar] [CrossRef]
- Manfredi, V.; Masi, A. Seismic strengthening and energy efficiency: Towards an integrated approach for the rehabilitation of existing RC buildings. Buildings 2018, 8, 36. [Google Scholar] [CrossRef]
- Bournas, D.A. Concurrent seismic and energy retrofitting of RC and masonry building envelopes using inorganic textile-based composites combined with insulation materials: A new concept. Compos. Part B Eng. 2018, 148, 166–179. [Google Scholar] [CrossRef]
- Menna, C.; Del Vecchio, C.; Di Ludovico, M.; Mauro, G.M.; Ascione, F.; Prota, A. Conceptual design of integrated seismic and energy retrofit interventions. J. Build. Eng. 2021, 38, 102190. [Google Scholar] [CrossRef]
- Santarsiero, G.; Masi, A.; Manfredi, V.; Ventura, G. Requalification of RC frame apartment buildings: Comparison of seismic retrofit solutions based on a multi-criteria approach. Sustainability 2021, 13, 9962. [Google Scholar] [CrossRef]
- Santarsiero, G.; Manfredi, V.; Masi, A. Numerical evaluation of the steel plate energy absorption device (SPEAD) for seismic strengthening of RC frame structures. Int. J. Civ. Eng. 2020, 18, 835–850. [Google Scholar] [CrossRef]
- Di Lorenzo, G.; Colacurcio, E.; Di Filippo, A.; Formisano, A.; Massimilla, A.; Landolfo, R. State-of-the-art on steel exoskeletons for seismic retrofit of existing RC buildings. Int. J. 2020, 37, 50. [Google Scholar]
- Mazza, F. Dissipative steel exoskeletons for the seismic control of reinforced concrete framed buildings. Struct. Control Health Monit. 2021, 28, e2683. [Google Scholar] [CrossRef]
- Labò, S.; Passoni, C.; Marini, A.; Belleri, A. Design of diagrid exoskeletons for the retrofit of existing RC buildings. Eng. Struct. 2020, 220, 110899. [Google Scholar] [CrossRef]
- Pohoryles, D.A.; Bournas, D.A.; Da Porto, F.; Caprino, A.; Santarsiero, G.; Triantafillou, T. Integrated seismic and energy retrofitting of existing buildings: A state-of-the-art review. J. Build. Eng. 2022, 61, 105274. [Google Scholar] [CrossRef]
- Martiradonna, S.; Ruggieri, S.; Fatiguso, F.; Uva, G.; Lombillo, I. Energetic and Structural Retrofit of Existing RC Buildings through Precast Concrete Panels: Proposal of a New Technology and Explorative Performance Simulation. J. Archit. Eng. 2023, 29, 04022045. [Google Scholar] [CrossRef]
- Manfredi, V.; Santarsiero, G.; Masi, A.; Ventura, G. The high-performance dissipating frame (HPDF) system for the seismic strengthening of RC existing buildings. Sustainability 2021, 13, 1864. [Google Scholar] [CrossRef]
- Gonçalves, M.; Simões, N.; Serra, C.; Flores-Colen, I. A review of the challenges posed by the use of vacuum panels in external insulation finishing systems. Appl. Energy 2020, 257, 114028. [Google Scholar] [CrossRef]
- Ventura, G.; Manfredi, V.; Masi, A.; Santarsiero, G.; Digrisolo, A. A sustainable solution for the seismic strengthening of RC existing buildings through the HPDF system (HPDF): A case study. In Proceedings of the COMPDYN Proceedings (Vol. 2021), National Technical University of Athens, Athens, Greece, 28–30 June 2021. [Google Scholar] [CrossRef]
- Di Ludovico, M.; Digrisolo, A.; Moroni, C.; Graziotti, F.; Manfredi, V.; Prota, A.; Dolce, M.; Manfredi, G. Remarks on damage and response of school buildings after the Central Italy earthquake sequence. Bull. Earthq. Eng. 2019, 17, 5679–5700. [Google Scholar] [CrossRef]
- Bianco, V.; Marmori, C. Modelling the deployment of energy efficiency measures for the residential sector. Case Italy. Sustain. Energy Technol. Assess. 2022, 49, 101777. [Google Scholar] [CrossRef]
- CSI. SAP2000. Analysis Reference Manual; CSI, Computers and Structures Inc.: Berkeley, CA, USA, 2016. [Google Scholar]
- Ministero Delle Infrastrutture e dei Trasporti NTC, “Norme Tecniche per le Costruzioni. DM 17/1/2018,” 2018. Available online: https://www.gazzettaufficiale.it/eli/gu/2018/02/20/42/so/8/sg/pdf (accessed on 24 June 2023).
- Ruggieri, S.; Porco, F.; Uva, G.; Vamvatsikos, D. Two frugal options to assess class fragility and seismic safety for low-rise reinforced concrete school buildings in Southern Italy. Bull. Earthq. Eng. 2021, 19, 1415–1439. [Google Scholar] [CrossRef]
- ISO 13790:2008; Energy Performance of Buildings Calculation of Energy Use for Space Heating and Cooling. iTeh Standards: Toronto, ON, Canada, 2008.
- UNI/TS 11300-1; Prestazioni Energetiche Degli Edifici—Parte 1: Determinazione del Fabbisogno di Energia Termica Dell’edificio per la Climatizzazione Estiva ed Invernale. 2019. Available online: https://biblus.acca.it/uni-ts-11300-1/ (accessed on 20 November 2023).
- Purvis, B.; Mao, Y.; Robinson, D. Three pillars of sustainability: In search of conceptual origins. Sustain. Sci. 2019, 14, 681–695. [Google Scholar] [CrossRef]
- EN 1992-1-1 (2004); Eurocode 2: Design of Concrete Structures—Part 1-1: General Rules and Rules for Buildings. European Union: Brussels, Belgium, 2004.
- Chopra, A.K.; Goel, R.K. A modal pushover analysis procedure for estimating seismic demands for buildings. Earthq. Eng. Struct. Dyn. 2002, 31, 561–582. [Google Scholar] [CrossRef]
- UNI 10339:1995; Impianti Aeraulici al fini di Benessere. Generalità, Classificazione e Requisiti. Available online: https://www.certifico.com/normazione/358-news-normazione/14898-uni-10339-1995 (accessed on 20 November 2023).
- UNI 11532-2:2020; Caratteristiche Acustiche Interne di Ambienti Confinati—Metodi di Progettazione e Tecniche di Valutazione—Parte 2: Settore Scolastico. UNI: Cedar Falls, IA, USA, 2020.
- UNI 8199:2016; Acustica in Edilizia—Collaudo Acustico di Impianti a Servizio di Unità Immobiliari—Linee Guida Contrattuali e Modalità di Misurazione All’interno Degli Ambienti Serviti. UNI: Cedar Falls, IA, USA, 2016.
- Ministero delle Infrastrutture e dei Trasporti, “D.M. 28 febbraio 2017, n. 58 recante: “Sisma Bonus-Linee Guida per la Classificazione del Rischio Sismico delle Costruzioni Nonché le Modalità per l ‘Attestazione da parte di Professionisti Abilitati dell’Efficacia degli Interventi Effettuati”. Available online: https://www.mit.gov.it/normativa/decreto-ministeriale-numero-58-del-28022017 (accessed on 11 August 2023).
- Agenzia Coesione. Task Force Edilizia Scolastica (2020) Analisi sui Costi Standard per l’Edilizia Scolastica in Regione Toscana. Available online: https://www.agenziacoesione.gov.it/wp-content/uploads/2020/06/Analisi-Costi-Standard_Toscana.pdf (accessed on 6 September 2023).
- Materi, S.; D’angola, A.; Enescu, D.; Renna, P. Reducing energy costs and CO2 emissions by production system energy flexibility through the integration of renewable energy. Prod. Eng. 2021, 15, 667–681. [Google Scholar] [CrossRef]
- Di Lorenzo, G.; Tartaglia, R.; Prota, A.; Landolfo, R. Design procedure for orthogonal steel exoskeleton structures for seismic strengthening. Eng. Struct. 2023, 275, 115252. [Google Scholar] [CrossRef]
- Meglio, E.; Longobardi, G.; Formisano, A. Integrated seismic-energy retrofit systems for preventing failure of a historical RC school building: Comparison among metal lightweight exoskeleton solutions. Eng. Fail. Anal. 2023, 154, 107663. [Google Scholar] [CrossRef]
Disclaimer/Publisher’s Note: The statements, opinions and data contained in all publications are solely those of the individual author(s) and contributor(s) and not of MDPI and/or the editor(s). MDPI and/or the editor(s) disclaim responsibility for any injury to people or property resulting from any ideas, methods, instructions or products referred to in the content. |
© 2023 by the authors. Licensee MDPI, Basel, Switzerland. This article is an open access article distributed under the terms and conditions of the Creative Commons Attribution (CC BY) license (https://creativecommons.org/licenses/by/4.0/).