Energy Resilience Impact of Supply Chain Network Disruption to Military Microgrids
Abstract
:1. Introduction
2. Background and Literature Review
2.1. Overview of Military Microgrids
- Identifiable. The system has both physical and functional boundaries with an external interface at the utility grid junction [9,10]. From a systems engineering perspective, the microgrid not only encompasses the physical equipment and software but also the people (e.g., operators, maintenance organizations, etc.) and processes required to ensure system operability [10,11].
- Independent. The microgrid remains functional regardless of its connection status with the utility grid [8,12]. While operating in island mode, local generation sources (e.g., diesel generators, photovoltaics (PVs), etc.) provide power to critical loads and may be supplemented via energy storage systems (ESSs) [13,14].
- Intelligent. A microgrid controller manages the resources defined within the system boundary (including the utility grid interface) [12,15] and may utilize cooperative control when operating in grid-connected mode [16]. Traditional microgrids have primarily focused on islanding, whereas newer “smart grids” use energy management systems (EMSs) to balance electrical demand, schedule the dispatch of resources, and preserve overall grid reliability [15,17,18].
2.2. Measuring Energy Resilience
2.3. Modeling Supply Chain Network Disruption
2.4. Specific Contribution to the Literature
3. Methodology
3.1. Step 1. Identify Critical Loads
3.2. Step 2. Assign Mission Impact
- How long can functions cease without adversely affecting the installation’s mission?
- To what degree can the mission continue assuming complete loss of functionality?
- Does disruption propagate throughout the installation and cause additional losses?
- Is there redundancy available? Or can functions be transferred to another facility?
3.3. Step 3. Determine Total Assessment Period
3.4. Step 4. Model Supply Chain Network
3.5. Step 5. Generate Failure Scenarios
- Baseline scenario. Normal SCN operation with zero disruptions throughout T;
- Worst-case scenario. No access to the energy SCN for the entire duration of T;
- Single node scenario(s). Disruption affecting a node integral to SCN function;
- Multi-nodal scenario(s). Disruption affecting multiple nodes simultaneously.
3.6. Step 6. Simulate Microgrid Operation
3.7. Step 7. Calculate Energy Resilience Impact
3.8. Step 8. Determine Acceptable Impact
3.9. Step 9. Develop Risk Treatment Strategies
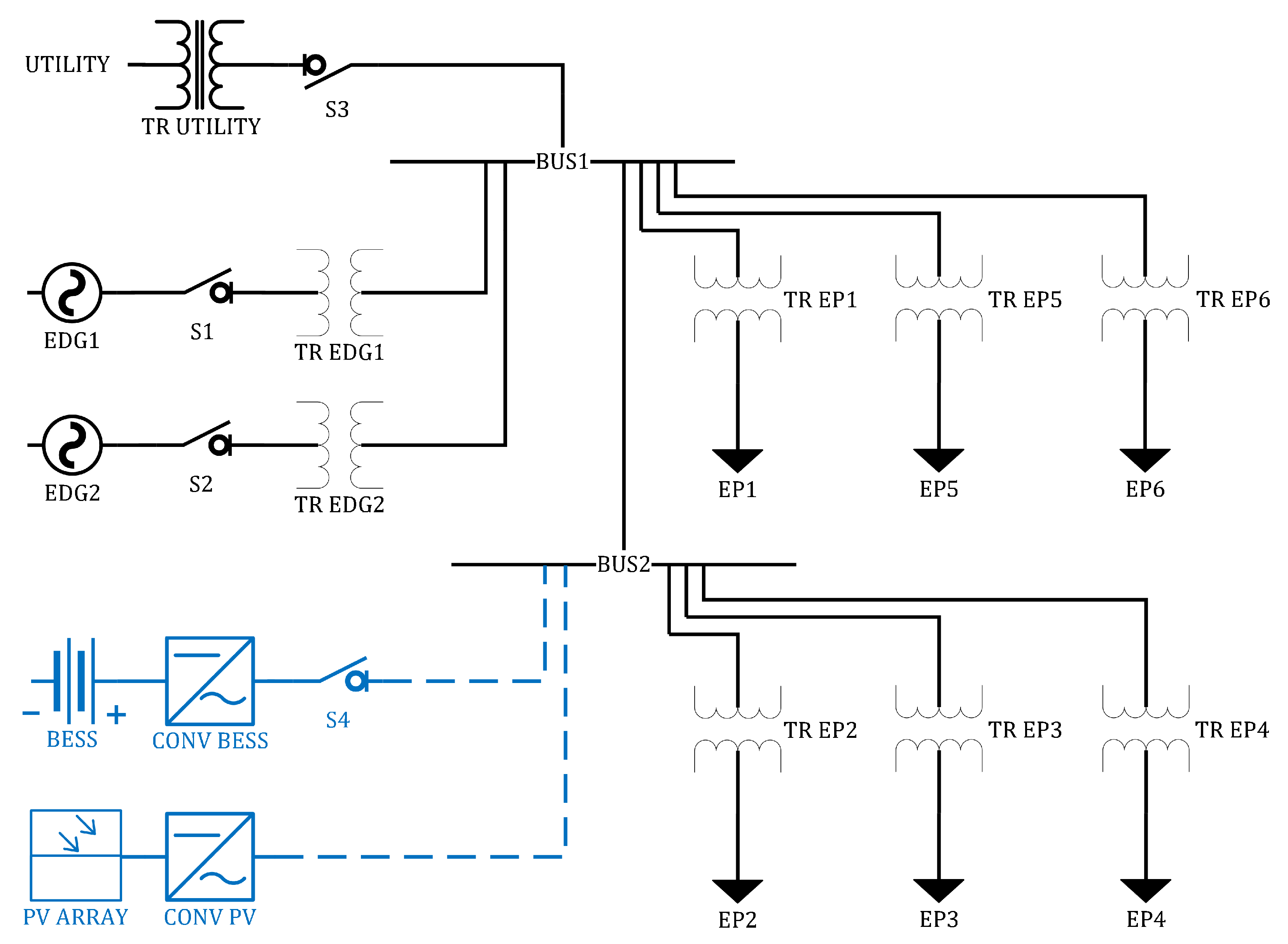
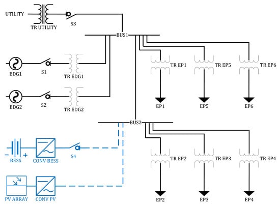
4. Case Study
4.1. Step 1. Identify Critical Loads
4.2. Step 2. Assign Mission Impact
4.3. Step 3. Determine Total Assessment Period
4.4. Step 4. Model Supply Chain Network
4.5. Step 5. Generate Failure Scenarios
“A nation-state adversary has targeted NSA Monterey for an energy denial attack in an effort to probe DoD installation vulnerabilities. The event is triggered on the next occurrence of islanded operation. Following a severe wildfire, NSA Monterey is forced to operate independent of the utility grid for approximately two weeks. The nation-state adversary seizes this opportunity to strategically attack the nearest bulk terminal station. As a result, the regional fuel SCN is fully disrupted for three days.”
4.6. Step 6. Simulate Microgrid Operation
4.7. Step 7. Calculate Energy Resilience Impact
4.8. Step 8. Determine Acceptable Impact
4.9. Step 9. Develop Risk Treatment Strategies
5. Discussion and Future Work
6. Conclusions
Author Contributions
Funding
Institutional Review Board Statement
Informed Consent Statement
Data Availability Statement
Acknowledgments
Conflicts of Interest
Abbreviations
| BESS | Battery energy storage system |
| CPT | Conditional probability table |
| DBN | Dynamic Bayesian network |
| DER | Distributed energy resource |
| DoD | Department of Defense |
| DTMC | Discrete-time Markov chain |
| EEDMI | Expected electrical disruption mission impact |
| EMS | Energy management system |
| ESS | Energy storage system |
| EUE | Expected unserved energy |
| HILP | High-impact-low-probability |
| IEM | Installation energy manager |
| Mission Dependency Index | |
| NSA | Naval Support Activity |
| PV | Photovoltaic |
| SA | Simulated annealing |
| SCN | Supply chain network |
| SCRM | Supply chain risk management |
| US | United States |
Appendix A

References
- Smith, M.; Ton, D. Key Connections: The U.S. Department of Energy’s Microgrid Initiative. IEEE Power Energy Mag. 2013, 11, 22–27. [Google Scholar] [CrossRef]
- Xiong, B.; Fan, R.; Wang, S.; Li, B.; Wang, C. Performance Evaluation and Disruption Recovery for Military Supply Chain Network. Complexity 2020, 2020, 9760604. [Google Scholar] [CrossRef]
- Reinders, B. Designing a Robust Supply Chain for Military Operations: A Multi-Agent Simulation Approach Considering Platooning. Master’s Thesis, Delft University of Technology, Delft, The Netherlands, 2019. [Google Scholar]
- Johnson, M.E. Supply Chain Management: Technology, Globalization, and Policy at a Crossroads. Interfaces 2006, 36, 191–193. [Google Scholar] [CrossRef] [Green Version]
- America’s Supply Chains, Executive Office of the President. Federal Register Volume 86, Issue 38. Office of the Federal Register, National Archives and Records Administration. Available online: https://www.govinfo.gov/app/details/FR-2021-03-01/2021-04280 (accessed on 1 March 2021).
- Report of the Defense Critical Supply Chain Task Force; Technical Report; House Armed Services Committee: Washington, DC, USA, 2021.
- Ton, D.T.; Smith, M.A. The U.S. Department of Energy’s Microgrid Initiative. Electr. J. 2012, 8, 84–94. [Google Scholar] [CrossRef]
- Hirsch, A.; Parag, Y.; Guerrero, J. Microgrids: A review of technologies, key drivers, and outstanding issues. Renew. Sustain. Energy Rev. 2018, 90, 402–411. [Google Scholar] [CrossRef]
- Marnay, C.; Bailey, O.C. The CERTS Microgrid and the Future of the Macrogrid. In Proceedings of the ACEEE Summer Study on Energy Efficiency in Buildings, Pacific Grove, CA, USA, 22–27 August 2004. [Google Scholar]
- Giachetti, R.E.; Peterson, C.J.; Van Bossuyt, D.L.; Parker, G.W. Systems Engineering Issues in Microgrids for Military Installations. INCOSE Int. Symp. 2020, 30, 731–746. [Google Scholar] [CrossRef]
- Blanchard, B.S.; Fabrycky, W.J. Systems Engineering and Analysis, 5th ed.; Pearson Education Limited: Harlow, Essex, UK, 2014; ISBN 978-013-221-735-4. [Google Scholar]
- Wood, E. What Is a Microgrid? Available online: https://microgridknowledge.com/microgrid-defined/ (accessed on 23 May 2021).
- Guerrero, J.M.; Chandorkar, M.; Lee, T.-L.; Loh, P.C. Advanced Control Architectures for Intelligent Microgrids—Part I: Decentralized and Hierarchical Control. IEEE Trans. Ind. Electr. 2013, 60, 1254–1262. [Google Scholar] [CrossRef] [Green Version]
- Peterson, C.J.; Van Bossuyt, D.L.; Giachetti, R.E.; Oriti, G. Analyzing Mission Impact of Military Installations Microgrid for Resilience. Systems 2021, 9, 69. [Google Scholar] [CrossRef]
- Ton, D.; Reilly, J. Microgrid Controller Initiatives: An Overview of R&D by the U.S. Department of Energy. IEEE Power Energy Mag. 2017, 15, 24–31. [Google Scholar] [CrossRef]
- Caldognetto, T.; Tenti, P.; Costabeber, A.; Mattavelli, P. Improving Microgrid Performance by Cooperative Control of Distributed Energy Sources. IEEE Trans. Ind. Appl. 2014, 50, 3921–3930. [Google Scholar] [CrossRef]
- Lee, E.-K.; Shi, W.; Gadh, R.; Kim, W. Design and Implementation of a Microgrid Energy Management System. Sustainability 2016, 8, 1143. [Google Scholar] [CrossRef] [Green Version]
- Bower, W.I.; Ton, D.T.; Guttromson, R.; Glover, S.F.; Stamp, J.E.; Bhatnagar, D.; Reilly, J. The Advanced Microgrid: Integration and Interoperability; Technical Report; Sandia National Laboratories: Albuquerque, NM, USA, 2014.
- Schwaegerl, C.; Tao, L.; Mancarella, P.; Strbac, G. Can microgrids provide a new paradigm for network operation? An evaluation of their technical, commercial and environmental benefits. In Proceedings of the 20th International Conference and Exhibition on Electricity Distribution, Prague, Czech Republic, 8–11 June 2009. [Google Scholar]
- 10, U.S.C. United States Code, 2019 Edition Title 10—ARMED FORCES, Subtitle A—General Military Law, PART IV—SERVICE, SUPPLY, AND PROCUREMENT, CHAPTER 173—ENERGY SECURITY, SUBCHAPTER I—ENERGY SECURITY ACTIVITIES, Sec. 2911—Energy policy of the Department of Defense, U.S. Government Publishing Office. Available online: https://www.govinfo.gov/content/pkg/USCODE-2019-title10/html/USCODE-2019-title10-subtitleA-partIV-chap173-subchapI-sec2911.htm (accessed on 24 May 2019).
- Elia, S.; Santini, E.; Tobia, M. Comparison between Different Electrical Configurations of Emergency Diesel Generators for Redundancy and Reliability Improving. Period. Polytech. Electr. Eng. Comput. Sci. 2018, 62, 144–148. [Google Scholar] [CrossRef] [Green Version]
- Van Broekhoven, S.; Judson, N.; Galvin, J.; Marqusee, J. Leading the Charge: Microgrids for Domestic Military Installations. IEEE Power Energy Mag. 2013, 11, 40–45. [Google Scholar] [CrossRef]
- Marqusee, J.; Jenket, D.; Ericson, S. Emergency Diesel Generator Backup Power Systems for Military Bases; Technical Report; National Renewable Energy Laboratory: Golden, CO, USA, 2020.
- Van Broekhoven, S.B.; Judson, N.; Nguyen, S.V.; Ross, W.D. Microgrid Study: Energy Security for DoD Installations; Technical Report; Lincoln Laboratory: Lexington, MA, USA, 2012. [Google Scholar]
- Schill, D. Improving Energy Security for Air Force Installations. Ph.D. Dissertation, Pardee RAND Graduate School, Santa Monica, CA, USA, 2015. [Google Scholar]
- Mercurio, A. Microgrids and Energy Security: The Business Case. Available online: https://www.iaee.org/en/publications/newsletterdl.aspx?id=217 (accessed on 24 May 2021).
- Shi, S.; Jiang, B.; Dong, X.; Bo, Z. Protection of microgrid. In Proceedings of the 10th IET International Conference on Developments in Power System Protection (DPSP 2010), Manchester, UK, 29 March–1 April 2010. [Google Scholar]
- Peyghami, S.; Wang, L.; Davari, P.; Blaabjerg, F. Mission-Profile-Based System-Level Reliability Analysis in DC Microgrids. IEEE Trans. Ind. Appl. 2019, 55, 5055–5067. [Google Scholar] [CrossRef]
- Griffith, T.E., Jr. Strategic Attack of National Electrical Systems. Master’s Thesis, Air University Press Maxwell AFB, Montgomery, AL, USA, 1994. [Google Scholar]
- Xiang, Y.; Wang, L.; Liu, N. Coordinated attacks on electric power systems in a cyber-physical environment. Electr. Power Syst. Res. 2017, 149, 156–168. [Google Scholar] [CrossRef]
- Mission Assurance Strategy; Department of Defense: Washington, DC, USA, 2012.
- DoD Instruction 3020.45: Mission Assurance (MA) Construct; Department of Defense: Washington, DC, USA, 2018.
- Hanley, C. The Growing Need for Resilience in an Evolving Electric Grid. Presented at the eT&D Workshop, Aalborg, Denmark, 7 November 2017; pp. 1–17. [Google Scholar]
- P-602: 3 Pillars of Energy Security; Naval Facilities Engineering Systems Command: Washington, DC, USA, 2018.
- Hosseini, S.; Barker, K.; Ramirez-Marquez, J.E. A review of definitions and measures of system resilience. Reliab. Eng. Syst. Saf. 2016, 145, 47–61. [Google Scholar] [CrossRef]
- Kain, A.; Van Bossuyt, D.L.; Pollman, A. Investigation of Nanogrids for Improved Navy Installation Energy Resilience. Appl. Sci. 2021, 11, 4298. [Google Scholar] [CrossRef]
- Judson, N.; Pina, A.L.; Dydek, E.V.; Van Broekhoven, S.B.; Castillo, A.S. Application of a Resilience Framework for Military Installations: A Methodology for Energy Resilience Business Case Decisions; Technical Report; Lincoln Laboratory: Lexington, MA, USA, 2016. [Google Scholar]
- Title 10—ARMED FORCES, Subtitle A—General Military Law, PART I—ORGANIZATION AND GENERAL MILITARY POWERS, CHAPTER 1—DEFINITIONS, Sec. 101—Definitions. 2019. Available online: https://www.govinfo.gov/app/details/USCODE-1994-title10/USCODE-1994-title10-subtitleA-partI-chap1-sec101 (accessed on 24 May 2019).
- Bruneau, M.; Chang, S.E.; Eguchi, R.T.; Lee, G.C.; O’Rourke, T.D.; Reinhorn, A.M.; Shinozuka, M.; Tierney, K.; Wallace, W.A.; von Winterfeldt, D. A Framework to Quantitatively Assess and Enhance the Seismic Resilience of Communities. Earthq. Spectra 2003, 19, 733–752. [Google Scholar] [CrossRef] [Green Version]
- Gholami, A.; Shekari, T.; Amirioun, M.H.; Aminifar, F.; Amini, M.H.; Sargolzaei, A. Toward a Consensus on the Definition and Taxonomy of Power System Resilience. IEEE Access 2018, 6, 32035–32053. [Google Scholar] [CrossRef]
- Giachetti, R.E.; Van Bossuyt, D.L.; Anderson, W.W., Jr.; Oriti, G. Resilience and Cost Tradespace for Microgrids on Islands. IEEE Syst. J. 2021. [Google Scholar] [CrossRef]
- Vugrin, E.D.; Warren, D.E.; Ehlen, M.A. A resilience assessment framework for infrastructure and economic systems: Quantitative and qualitative resilience analysis of petrochemical supply chains to a hurricane. Process Saf. Prog. 2011, 30, 280–290. [Google Scholar] [CrossRef]
- Shekari, T.; Aminifar, F.; Sanaye-Pasand, M. An Analytical Adaptive Load Shedding Scheme Against Severe Combinational Disturbances. IEEE Trans. Power Syst. 2016, 31, 4135–4143. [Google Scholar] [CrossRef]
- Esmaeilian, A.; Kezunovic, M. Prevention of Power Grid Blackouts Using Intentional Islanding Scheme. IEEE Trans. Ind. Appl. 2017, 53, 622–629. [Google Scholar] [CrossRef]
- Shahzad, U. Resilience in Electrical Power Systems. J. Electr. Eng. Electr. Control Comput. Sci. 2021, 7, 1–6. [Google Scholar]
- Kwasinski, A. Field technical surveys: An essential tool for improving critical infrastructure and lifeline systems resiliency to disasters. In Proceedings of the IEEE Global Humanitarian Technology Conference (GHTC 2014), San Jose, CA, USA, 10–13 October 2014. [Google Scholar]
- Ayyub, B. Systems Resilience for Multihazard Environments: Definition, Metrics, and Valuation for Decision Making. Risk Anal. 2013, 34, 340–355. [Google Scholar] [CrossRef]
- Decò, A.; Bocchini, P.; Frangopol, D.M. A probabilistic approach for the prediction of seismic resilience of bridges. Earthq. Eng. Struct. Dyn. 2013, 42, 1469–1487. [Google Scholar] [CrossRef]
- Nan, C.; Sansavini, G. A quantitative method for assessing resilience of interdependent infrastructures. Reliab. Eng. Syst. Saf. 2017, 157, 35–53. [Google Scholar] [CrossRef]
- Future Resilient Systems. Available online: https://ethz.ch/content/dam/ethz/special-interest/dual/frs-dam/documents/FRS-Booklet.pdf (accessed on 26 August 2021).
- Gasser, P.; Lustenberger, P.; Sun, T.; Kim, W.; Spada, M.; Burgherr, P.; Hirschberg, S.; Stojadinović, B. Security of electricity supply indicators in a resilience context. Saf. Reliab.–Theory Appl. 2017, 1, 1015–1022. [Google Scholar] [CrossRef]
- Vugrin, E.D.; Castillo, A.R.; Silva-Monroy, C.A. Resilience Metrics for the Electric Power System: A Performance-Based Approach; Technical Report; Sandia National Laboratories: Albuquerque, NM, USA, 2017.
- Francis, R.; Bekera, B. A metric and frameworks for resilience analysis of engineered and infrastructure systems. Reliab. Eng. Syst. Saf. 2014, 121, 90–103. [Google Scholar] [CrossRef]
- Abimbola, M.; Khan, F. Resilience modeling of engineering systems using dynamic object-oriented Bayesian network approach. Comp. Ind. Eng. 2019, 130, 108–118. [Google Scholar] [CrossRef]
- Roege, P.E.; Collier, Z.A.; Mancillas, J.; McDonagh, J.A.; Linkov, I. Metrics for energy resilience. Energy Policy 2014, 72, 249–256. [Google Scholar] [CrossRef]
- Willis, H.H.; Loa, K. Measuring the Resilience of Energy Distribution Systems; Technical Report; RAND Corporation: Santa Monica, CA, USA, 2015. [Google Scholar]
- Gasser, P.; Lustenberger, P.; Cinelli, M.; Kim, W.; Spada, M.; Burgherr, P.; Hirschberg, S.; Stojadinovic, B.; Sun, T.Y. A review on resilience assessment of energy systems. Sust. Resil. Infrastruct. 2019, 273–299. [Google Scholar] [CrossRef] [Green Version]
- Shandiz, S.C.; Foliente, G.; Rismanchi, B.; Wachtel, A.; Jeffers, R.F. Resilience framework and metrics for energy master planning of communities. Energy 2020, 203, 117856. [Google Scholar] [CrossRef]
- Kandaperumal, G.; Srivastava, A.K. Resilience of the electric distribution systems: Concepts, classification, assessment, challenges, and research needs. IET Smart Grid 2020, 3, 133–143. [Google Scholar] [CrossRef]
- Raoufi, H.; Vahidinasab, V.; Mehran, K. Power Systems Resilience Metrics: A Comprehensive Review of Challenges and Outlook. Sustainability 2020, 12, 9698. [Google Scholar] [CrossRef]
- Ahmadi, S.; Saboohi, Y.; Vakili, A. Frameworks, quantitative indicators, characters, and modeling approaches to analysis of energy system resilience: A Review. Renew. Sust. Energy Rev. 2021, 144. [Google Scholar] [CrossRef]
- Kahnamouei, A.S.; Bolandi, T.G.; Maghifam, M.-R. The conceptual framework of resilience and its measurement approaches in electrical power systems. In Proceedings of the IET International Conference on Resilience of Transmission and Distribution Networks (RTDN 2017), Birmingham, UK, 26–28 September 2017. [Google Scholar]
- Ioannou, A.; Angus, A.; Brennan, F. Risk-based methods for sustainable energy system planning: A review. Renew. Sustain. Energy Rev. 2017, 74, 602–615. [Google Scholar] [CrossRef]
- Cantelmi, R.; Di Gravio, G.; Patriarca, R. Reviewing qualitative research approaches in the context of critical infrastructure resilience. Environ. Syst. Decis. 2021, 41, 341–376. [Google Scholar] [CrossRef]
- Mahzarnia, M.; Moghaddam, M.P.; Baboli, P.T.; Siano, P. A Review of the Measures to Enhance Power Systems Resilience. IEEE Syst. J. 2020, 14, 4059–4070. [Google Scholar] [CrossRef]
- Bhusal, N.; Abdelmalak, M.; Kamruzzaman, M.; Benidris, M. Power System Resilience: Current Practices, Challenges, and Future Decisions. IEEE Access 2020, 8, 18064–18086. [Google Scholar] [CrossRef]
- Henry, D.; Ramirez-Marquez, J.E. Generic metrics and quantitative approaches for system resilience as a function of time. Reliab. Eng. Syst. Saf. 2012, 99, 114–122. [Google Scholar] [CrossRef]
- Ouyang, M.; Dueñas-Osorio, L. Multi-dimensional hurricane resilience assessment of electric power systems. Struct. Saf. 2014, 48, 15–24. [Google Scholar] [CrossRef]
- Panteli, M.; Mancarella, P.; Trakas, D.N.; Kyriakides, E.; Hatziargyriou, N.D. Metrics and Quantification of Operational and Infrastructure Resilience in Power Systems. IEEE Trans. Power Syst. 2017, 32, 4732–4742. [Google Scholar] [CrossRef] [Green Version]
- Panteli, M.; Trakas, D.N.; Mancarella, P.; Hatziargyriou, N.D. Power Systems Resilience Assessment: Hardening and Smart Operational Enhancement Strategies. Proc. IEEE 2017, 105, 1202–1213. [Google Scholar] [CrossRef] [Green Version]
- Lu, J.; Guo, J.; Jian, Z.; Yang, Y.; Tang, W. Resilience Assessment and Its Enhancement in Tackling Adverse Impact of Ice Disasters for Power Transmision Systems. Energies 2018, 11, 2272. [Google Scholar] [CrossRef] [Green Version]
- Moreno, R.; Panteli, M.; Mancarella, P.; Rudnick, H.; Lagos, T.; Navarro, A.; Ordonez, F.; Araneda, J.C. From Reliability to Resilience: Planning the Grid Against the Extremes. IEEE Power Energy Mag. 2020, 18, 41–53. [Google Scholar] [CrossRef]
- Donaldson, D.L.; Alvarez-Alvarado, M.S.; Jayaweera, D. Power System Resiliency During Wildfires Under Increasing Penetration of Electric Vehicles. In Proceedings of the 2020 International Conference on Probabilistic Methods Applied to Power Systems (PMAPS), Leige, Belgium, 18–21 August 2020. [Google Scholar]
- Ratnam, E.L.; Baldwin, K.G.H.; Mancarella, P.; Howden, M.; Seebeck, L. Electricity system resilience in a world of increased climate change and cybersecurity risk. Electr. J. 2020, 33, 106833. [Google Scholar] [CrossRef]
- Singh, S.; Gao, D.W.; Giraldez, J. Cost analysis of Renewable Energy-Based Microgrids. In Proceedings of the 2017 North American Power Symposium (NAPS), Morgantown, WV, USA, 17–19 September 2017. [Google Scholar]
- Anderson, W.W., Jr. Resilience Assessment of Islanded Renewable Energy Microgrids. Ph.D. Dissertation, Naval Postgraduate School, Monterey, CA, USA, 2020. [Google Scholar]
- Hamilton, M.C.; Lambert, J.H.; Connelly, E.B.; Barker, K. Resilience analytics with disruption of preferences and lifecycle cost analysis for energy microgrids. Reliab. Eng. Syst. Saf. 2016, 150, 11–21. [Google Scholar] [CrossRef]
- Giraldez, J.; Booth, S.; Anderson, K.; Massey, K. Valuing Energy Security: Customer Damage Function Methodology and Case Studies at DoD Installations; Technical Report; National Renewable Energy Laboratory: Golden, CO, USA, 2012.
- Hildebrand, J.P. Estimating the Life Cycle Cost of Microgrid Resilience. Master’s Thesis, Naval Postgraduate School, Monterey, CA, USA, 2020. [Google Scholar]
- Bolen, C.D.; Chu, V.; Dang, A.Q.; Kim, P.T.; Proctor, C.; Shideler, B.R. Integrating Power-flow, Resilience, and Cost Models for Naval Installation Microgrids; Technical Report; Naval Postgraduate School: Monterey, CA, USA, 2021. [Google Scholar]
- Grimaila, M.R.; Mills, R.F.; Haas, M.; Kelly, D. Mission Assurance: Issues and Challenges. In Proceedings of the 2010 International Conference on Security and Management (SAM10), Las Vegas, NV, USA, 12–15 July 2010. [Google Scholar]
- Grussing, M.N.; Gunderson, S.; Canfield, M.; Falconer, E.; Antelman, A.; Hunter, S.L. Development of the Army Facility Mission Dependency Index for Infrastructure Asset Management; Technical Report; Construction Engineering Research Laboratory: Champaign, IL, USA, 2010. [Google Scholar]
- Antelman, A.; Dempsey, J.J.; Brodt, B. Mission Dependency Index—A Metric for Determine Infrastructure Criticality. In Proceedings of the International Facility Management Association Facility Management Workshop, Washington, DC, USA, 9–13 January 2008. [Google Scholar]
- Gunderson, S.; Antelman, A.; Canfield, M.; Miller, A.; Brodt, B. The NASA Mission Dependency Index (MDI) User Guide; National Aeronautics and Space Administration: Washington, DC, USA, 2010.
- Kujawski, E.; Miller, G. The Mission Dependency Index: Fallacies and Misuses. INCOSE Int. Symp. 2009, 19, 1565–1580. [Google Scholar] [CrossRef]
- Peterson, C.J. Systems Architecture Design and Validation Methods for Microgrid Systems. Master’s Thesis, Naval Postgraduate School, Monterey, CA, USA, 2019. [Google Scholar]
- Beaton, D.T. Testing Whether Distributed Energy Storage Results in Greater Resilience of Microgrids. Master’s Thesis, Naval Postgraduate School, Monterey, CA, USA, 2021. [Google Scholar]
- Fish, A.B. Overcoming Flaws in the Mission Dependency Index (MDI) with Network Flow Analysis. Master’s Thesis, Naval Postgraduate School, Monterey, CA, USA, 2021. [Google Scholar]
- Nichols, M.J. A Delphi Study using Value-Focused Thinking for United States Air Force Mission Dependency Index. Master’s Thesis, Air Force Institute of Technology, Wright-Patterson Air Force Base, OH, USA, 2015. [Google Scholar]
- Smith, C.W. Mission Dependency Index of Air Force Built Infrastructure: Knowledge Discovery with Machine Learning. Master’s Thesis, Air Force Institute of Technology, Wright-Patterson Air Force Base, OH, USA, 2016. [Google Scholar]
- Metrics and Standards for Energy Resilience at Military Installations; Department of Defense: Washington, DC, USA, 2020.
- Kwasinski, A. Quantitative Model and Metrics of Electrical Grids’ Resilience Evaluated at a Power Distribution Level. Energies 2016, 9, 93. [Google Scholar] [CrossRef]
- Lie, C.H.; Hwang, C.L.; Tillman, F.A. Availability of Maintained Systems: A State-of-the-Art Survey. AIIE Eng. 1977, 9, 247–259. [Google Scholar] [CrossRef]
- Zhivov, A.M.; Stringer, A.; Fox, M.D.; Daniels, P.W.; Traver, T.J.; Benefiel, J. Defining, Measuring and Assigning Resilience Requirements to Electric and Thermal Energy Systems. ASHRAE Trans. 2021, 127, 673–692. [Google Scholar]
- Krishnamurthy, V.; Kwasinski, A. Effects of Power Electronics, Energy Storage, Power Distribution Architecture, and Lifeline Dependencies on Microgrid Resiliency During Extreme Events. IEEE J. Emerg. Sel. Top. Power Electr. 2016, 4, 1310–1323. [Google Scholar] [CrossRef]
- Supply Chain Resilience Guide; Department of Homeland Security: Washington, DC, USA, 2019.
- Cheng, C.-Y.; Chen, T.-L.; Chen, Y.-Y. An analysis of the structural complexity of supply chain networks. Appl. Math. Model. 2014, 38, 2328–2344. [Google Scholar] [CrossRef]
- Battini, D.; Persona, A.; Allesina, S. Towards a use of network analysis: Quantifying the complexity of Supply Chain Networks. Int. J. Electr. Cust. Relatsh. Manag. 2007, 1, 75–90. [Google Scholar] [CrossRef] [Green Version]
- Wang, H.; Gu, T.; Jin, M.; Zhao, R.; Wang, G. The complexity measurement and evolution analysis of supply chain network under disruption risks. Chaos Solitons Fractals 2018, 116, 72–78. [Google Scholar] [CrossRef]
- Craighead, C.W.; Blackhurst, J.; Rungtusanatham, M.J.; Handfield, R.B. The Severity of Supply Chain Disruptions: Design Characteristics and Mitigation. Decis. Sci. 2007, 38, 131–156. [Google Scholar] [CrossRef]
- Ivanov, D.; Dolgui, A.; Sokolov, B.; Ivanova, M. Literature Review on Disruption Recovery in the Supply Chain. Int. J. Prod. Res. 2017, 55, 6158–6174. [Google Scholar] [CrossRef]
- Shekarian, M.; Parast, M.M. An Integrative approach to supply chain disruption risk and resilient management: A literature review. Int. J. Logist. Res. Appl. 2021, 24, 427–455. [Google Scholar] [CrossRef]
- Fan, Y.; Stevenson, M. A review of supply chain risk management: Definition, theory, and research agenda. Int. J. Phys. Distrib. Logist. Manag. 2018, 48, 205–230. [Google Scholar] [CrossRef] [Green Version]
- Faisal, M.N.; Banwet, D.K.; Shankar, R. Management of Risk in Supply Chains: SCOR Approach and Analytic Network Process. Supply Chain Forum Int. J. 2007, 8, 66–79. [Google Scholar] [CrossRef]
- DoD Instruction 5200.44 (Change 3): Protection of Mission Critical Functions to Achieve Trust Systems and Networks (TSN); Department of Defense: Washington, DC, USA, 2018.
- Purdy, G. ISO 31000:2009—Setting a New Standard for Risk Management. Risk Anal. 2010, 30, 881–886. [Google Scholar] [CrossRef] [PubMed]
- Fattahi, M.; Govindan, K.; Keyvanshokooh, E. Responsive and resilient supply chain network design under operational and disruption risks with delivery lead-time sensitive customers. Trans. Res. Part E 2017, 101, 176–200. [Google Scholar] [CrossRef]
- Tang, C.S. Perspectives in supply chain risk management. Int. J. Prod. Econ. 2006, 103, 451–488. [Google Scholar] [CrossRef]
- Dolgui, A.; Ivanov, D.; Sokolov, B. Ripple effect in the supply chain: An analysis and recent literature. Int. J. Prod. Res. 2018, 56, 414–430. [Google Scholar] [CrossRef] [Green Version]
- Chopra, S.; Sodhi, M. Reducing the risk of supply chain disruptions. MIT Sloan Manag. Rev. 2014, 55, 72–80. [Google Scholar]
- Miller, S. Insider Threats Involving Supply Chain Risk. Available online: https://apps.dtic.mil/sti/pdfs/AD1088906.pdf (accessed on 5 November 2021).
- Crosignani, M.; Macchiavelli, M.; Silva, A.F. Pirates without Borders: The Propagation of Cyberattacks through Firms’ Supply Chains; Technical Report; Federal Reserve Bank of New York: New York, NY, USA, 2021. [Google Scholar]
- Khan, M.N.; Akhtar, P.; Merali, Y. Strategies and effective decision-making against terrorism affecting supply chain risk management and security: A novel combination of triangulated methods. Ind. Manag. Data Syst. 2018, 118, 1528–1546. [Google Scholar] [CrossRef]
- Cho, J.; Lim, G.J.; Kim, S.J.; Biobaku, T. Liquefied natural gas inventory routing problem under uncertain weather conditions. Int. J. Prod. Econ. 2018, 204, 18–29. [Google Scholar] [CrossRef]
- Wilson, M.C. The impact of transportation disruptions on supply chain performance. Trans. Res. Part E 2007, 43, 295–320. [Google Scholar] [CrossRef]
- Bai, X.; Jia, H.; Xu, M. Port congestion and the economics of LPG seaborne transportation. Marit. Policy Manag. 2021. [Google Scholar] [CrossRef]
- Yeletayşi, S. A Risk Analysis on the Continuity of the Petroleum Supply Chain Using GIS and Systems Simulation. Ph.D. Dissertation, The George Washington University, Washington, DC, USA, 2010. [Google Scholar]
- MacKenzie, C.A.; Santos, J.R.; Barker, K. Measuring changes in international production from a disruption: Case study of the Japanese earthquake and tsunami. Int. J. Prod. Econ. 2012, 138, 293–302. [Google Scholar] [CrossRef]
- Haces-Fernandez, F. Wind Energy Implementation to Mitigate Wildfire Risk and Preemptive Blackouts. Energies 2020, 13, 2421. [Google Scholar] [CrossRef]
- Handfield, R.B.; Graham, G.; Burns, L. Corona virus, tariffs, trade wars and supply chain evolutionary design. Int. J. Oper. Prod. Manag. 2020, 40, 1649–1660. [Google Scholar] [CrossRef]
- Lee, J.M.; Wong, E.Y. Suez Canal blockage: An analysis of legal impact, risks and liabilities to the global supply chain. MATEC Web Conf. 2021, 339. [Google Scholar] [CrossRef]
- Zhang, L.; Bai, W. Risk Assessment of China’s Natural Gas Importation: A Supply Chain Perspective. SAGE Open 2020, 10. [Google Scholar] [CrossRef]
- Tverberg, G.E. Oil supply limits and the continuing financial crisis. Energy 2012, 37, 27–34. [Google Scholar] [CrossRef]
- Hamilton, J.D. Causes and Consequences of the Oil Shock of 2007–2008; Technical Report; National Bureau of Economic Research: Cambridge, MA, USA, 2009. [Google Scholar]
- Butt, A.S. Strategies to mitigate the impact of COVID-19 on supply chain disruptions: A multiple case analysis of buyers and distributors. Int. J. Logist. Manag. 2021. [Google Scholar] [CrossRef]
- Gholami-Zanjani, S.M.; Jabalameli, M.S.; Klibi, W.; Pishvaee, M.S. A robust location-inventory model for food supply chains operating under disruptions with ripple effects. Int. J. Prod. Res. 2021, 59, 301–324. [Google Scholar] [CrossRef]
- Chauhan, V.K.; Perera, S.; Brintrup, A. The relationship between nested patterns and the ripple effect in complex supply networks. Int. J. Prod. Res. 2021, 59, 325–341. [Google Scholar] [CrossRef]
- Mishra, D.; Dwivedi, Y.K.; Rana, N.P.; Hassini, E. Evolution of supply chain ripple effect: A bibliometric and meta-analytic view of the constructs. Int. J. Prod. Res. 2021, 59, 129–149. [Google Scholar] [CrossRef]
- Nguyen, T.; Zhou, L.; Spiegler, V.; Ieromonachou, P.; Lin, Y. Big data analytics in supply chain management: A state-of-the-art literature review. Comp. Oper. Res. 2018, 98, 254–264. [Google Scholar] [CrossRef] [Green Version]
- Hosseini, S.; Ivanov, D. Baysian networks for supply chain risk, resilience and ripple effect analysis: A literature review. Expert Syst. Appl. 2020, 161, 113649. [Google Scholar] [CrossRef]
- Yodo, N.; Wang, P.; Zhou, Z. Predictive Resilience Analysis of Complex Systems Using Dyanmic Bayesian Networks. IEEE Trans. Reliab. 2017, 66, 761–770. [Google Scholar] [CrossRef]
- Hosseini, S.; Ivanonv, D.; Dolgui, A. Ripple effect modelling of supplier disruption: Integrated Markov chain and dynamic Bayesian network approach. Int. J. Prod. Res. 2020, 58, 3284–3303. [Google Scholar] [CrossRef]
- Perera, S.; Bell, M.G.H.; Kurauchi, F.; Kasthurirathna, D. Absorbing Markov Chain Approach to Modelling Disruptions in Supply Chain Networks. In Proceedings of the 2019 Moratuwa Engineering Research Conference (MERCon), Moratuwa, Sri Lanka, 3–5 July 2019. [Google Scholar]
- Dueñas-Osorio, L.; Vemuru, S.M. Cascading failures in complex infrastructure systems. Struct. Saf. 2009, 31, 157–167. [Google Scholar] [CrossRef]
- Phattharapornjaroen, P.; Glantz, V.; Carlström, E.; Holmqvist, L.D.; Sittichanbuncha, Y.; Khorram-Manesh, A. The Feasibility of Implementing the Flexible Surge Capacity Concept in Bangkok: Willing Participants and Educational Gaps. Int. J. Environ. Res. Public Health 2021, 18, 7793. [Google Scholar] [CrossRef] [PubMed]
- McGregor, A. Steady-State Theorem. Available online: https://people.cs.umass.edu/{\char‘~}mcgregor/240S17/lec15.pdf (accessed on 25 May 2021).
- Salem, A.B.; Muller, A.; Weber, P. Dynamic Bayesian Networks in System Reliability Analysis. In Proceedings of the 6th IFAC Symposium, Beijing, China, 30 August–1 September 2006. [Google Scholar]
- Khakzad, N. Application of dynamic Bayesian network to risk analysis of domino effects in chemical infrastructures. Reliab. Eng. Syst. Saf. 2015, 138, 263–272. [Google Scholar] [CrossRef]
- Kohda, T.; Cui, W. Risk-based reconfiguration of safety monitoring system using dynamic Bayesian network. Reliab. Eng. Syst. Saf. 2007, 92, 1716–1723. [Google Scholar] [CrossRef]
- Uusitalo, L. Advantages and challenges of Bayesian networks in environmental modelling. Ecol. Model. 2007, 203, 312–318. [Google Scholar] [CrossRef]
- Rebello, S.; Yu, H.; Ma, L. An integrated approach for system functional reliability assessment using Dynamic Bayesian Network and Hidden Markov Model. Reliab. Eng. Syst. Saf. 2018, 180, 124–135. [Google Scholar] [CrossRef]
- Liu, M.; Liu, Z.; Chu, F.; Zheng, F.; Chu, C. A new robust dynamic Bayesian network approach for disruption risk assessment under the supply chain ripple effect. Int. J. Prod. Res. 2021, 59, 265–285. [Google Scholar] [CrossRef]
- Kashem, S.B.A.; De Souza, S.; Iqbal, A.; Ahmed, J. Microgrid in military applications. In Proceedings of the 2018 IEEE 12th International Conference on Campatibility, Power Electronics and Power Engineering (CPE-POWERENG 2018), Doha, Qatar, 10–12 April 2018. [Google Scholar]
- Prehoda, E.W.; Schelly, C.; Pearce, J.M. U.S. strategic solar photovoltaic-powered microgrid deployment for enhanced national security. Renew. Sustain. Energy Rev. 2017, 78, 167–175. [Google Scholar] [CrossRef] [Green Version]
- Hossain, N.U.I.; Jaradat, R.; Mohammad, M. Assessing and Enhancing Oil and Gas Supply Chain Resilience: A Bayesian Network Based Approach. In Proceedings of the 2019 Industrial and Systems Engineering Conference, Semarang, Indonesia, 23–25 April 2019. [Google Scholar]
- Emenike, S.N.; Falcone, G. A review on energy supply chain resilience through optimization. Renew. Sustain. Energy Rev. 2020, 134, 110088. [Google Scholar] [CrossRef]
- Hossain, A.; Bui, V.-K.; Kim, H.-M. Microgrids as a resilience resource and strategies used by microgrids for enhancing resilience. Appl. Energy 2019, 240, 56–72. [Google Scholar] [CrossRef]
- Wang, Y.; Rousis, A.O.; Strbac, G. On microgrids and resilience: A comprehensive review on modeling and operational strategies. Renew. Sustain. Energy Rev. 2020, 134, 110313. [Google Scholar] [CrossRef]
- Deru, M.; Field, K.; Studer, D.; Benne, K.; Griffith, B. U.S. Department of Energy Commercial Reference Building Models of the National Building Stock; Technical Report; National Renewable Energy Laboratory: Golden, CO, USA, 2011.
- UFC 3-540-01: Engine-Driven Generator Systems for Prime and Standby Power Applications; Naval Facilities Engineering Systems Command: Washington, DC, USA, 2019.
- Hua, H.; Cao, J.; Yang, G.; Ren, G. Voltage control for uncertain stochastic nonlinear system with application to energy Internet: Non-fragile robust H∞ approach. J. Math. Anal. Appl. 2018, 463, 93–110. [Google Scholar] [CrossRef]
- Hua, H.; Qin, Y.; He, Z.; Li, L.; Cao, J. Energy sharing and frequency regulation in energy Internet via mixed H 2/H∞ control with Markovian jump. CSEE J. Power Energy Syst. 2020, 7, 1302–1311. [Google Scholar] [CrossRef]
- Palaniappan, K.; Sedano, W.; Vygoder, M.; Hoeft, N.; Cuzner, R.; Shen, Z.J. Short-Circuit Fault Discrimination Using SiC JFET-Based Self-Powered Solid-State Circuit Breakers in a Residential DC Community Microgrid. IEEE Trans. Ind. Appl. 2020, 56, 3466–3476. [Google Scholar] [CrossRef]








| Initial Impact | Disruption Risk | Example |
|---|---|---|
| Single node | Deliberate attack | Insider threat [111] |
| Cyberattack [112] | ||
| Terrorist attack [113] | ||
| Logistics delay | Inclement weather [114] | |
| Transportation accident [115] | ||
| Port congestion [116] | ||
| Multi-nodal | Natural disaster | Hurricane [117] |
| Earthquake [118] | ||
| Wildfire [119] | ||
| Material shortage | Trade tariffs [120] | |
| Shipping route blockage [121] | ||
| Civil unrest [122] | ||
| Financial crisis | Market volatility [123] | |
| Economic recession [124] | ||
| Global pandemic [125] |
| Load | Facility Type | Floor Area (ft) | Avg Load (kW) | Max Load (kW) | |
|---|---|---|---|---|---|
| EP1 | Small office | 5500 | 2.8 | 7.0 | 12 |
| EP2 | Small office | 5500 | 2.8 | 7.0 | 0 |
| EP3 | Small office | 5500 | 2.8 | 7.0 | 19 |
| EP4 | Medium office | 53,628 | 32.3 | 75.9 | 88 |
| EP5 | Large office | 498,588 | 267.0 | 679.0 | 43 |
| EP6 | Warehouse | 52,045 | 10.9 | 26.6 | 67 |
| Total | 620,761 | 318.6 | 802.5 | 229 |
| Load | EUE (kW·h) | R | E | |
|---|---|---|---|---|
| EP1 | 12 | 292.8 | 0.6726 | 3.9286 |
| EP2 | 0 | - | - | - |
| EP3 | 19 | 292.8 | 0.6726 | 6.2202 |
| EP4 | 88 | 3402.0 | 0.6726 | 28.8095 |
| EP5 | 43 | 28,304.8 | 0.6726 | 14.0774 |
| EP6 | 67 | 1141.0 | 0.6726 | 21.9345 |
| Microgrid | 229 | 33,433.4 | 0.6726 | 45.2249 |
| Load | EUE (kW·h) | R | E | |
|---|---|---|---|---|
| EP1 | 12 | 115.4 | 0.9256 | 0.8929 |
| EP2 | 0 | - | - | - |
| EP3 | 19 | 115.4 | 0.9256 | 1.4137 |
| EP4 | 88 | 0 | 1 | 0 |
| EP5 | 43 | 11,604.9 | 0.9256 | 3.1994 |
| EP6 | 67 | 0 | 1 | 0 |
| Microgrid | 229 | 11,835.7 | 0.9554 | 4.1882 |
| Microgrid Configuration | EUE (kW·h) | R | E | |
|---|---|---|---|---|
| Current Microgrid Configuration | 229 | 33,433.4 | 0.6726 | 45.2249 |
| Alternate Microgrid Configuration | 229 | 11,835.7 | 0.9554 | 4.1882 |
Publisher’s Note: MDPI stays neutral with regard to jurisdictional claims in published maps and institutional affiliations. |
© 2021 by the authors. Licensee MDPI, Basel, Switzerland. This article is an open access article distributed under the terms and conditions of the Creative Commons Attribution (CC BY) license (https://creativecommons.org/licenses/by/4.0/).
Share and Cite
Anuat, E.; Van Bossuyt, D.L.; Pollman, A. Energy Resilience Impact of Supply Chain Network Disruption to Military Microgrids. Infrastructures 2022, 7, 4. https://doi.org/10.3390/infrastructures7010004
Anuat E, Van Bossuyt DL, Pollman A. Energy Resilience Impact of Supply Chain Network Disruption to Military Microgrids. Infrastructures. 2022; 7(1):4. https://doi.org/10.3390/infrastructures7010004
Chicago/Turabian StyleAnuat, Edward, Douglas L. Van Bossuyt, and Anthony Pollman. 2022. "Energy Resilience Impact of Supply Chain Network Disruption to Military Microgrids" Infrastructures 7, no. 1: 4. https://doi.org/10.3390/infrastructures7010004
APA StyleAnuat, E., Van Bossuyt, D. L., & Pollman, A. (2022). Energy Resilience Impact of Supply Chain Network Disruption to Military Microgrids. Infrastructures, 7(1), 4. https://doi.org/10.3390/infrastructures7010004

