Design of Post-Consumer Modification of Standard Solar Modules to Form Large-Area Building-Integrated Photovoltaic Roof Slates
Abstract
:1. Introduction
2. Materials and Methods
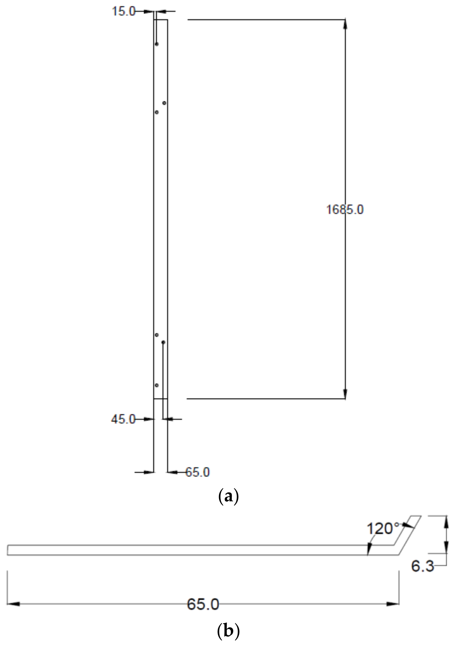
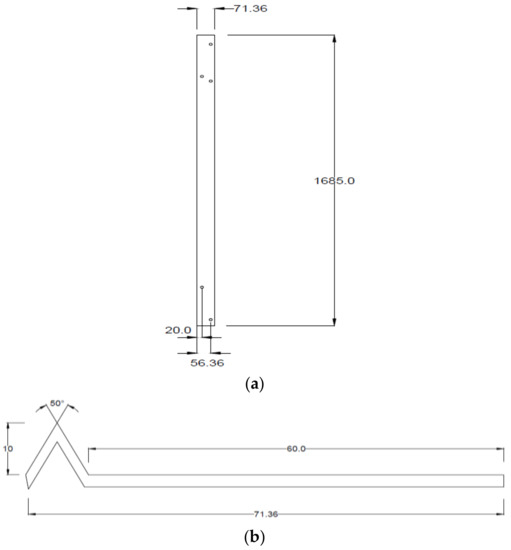
2.1. PV Module Design Modification
2.2. Assembly and Installation
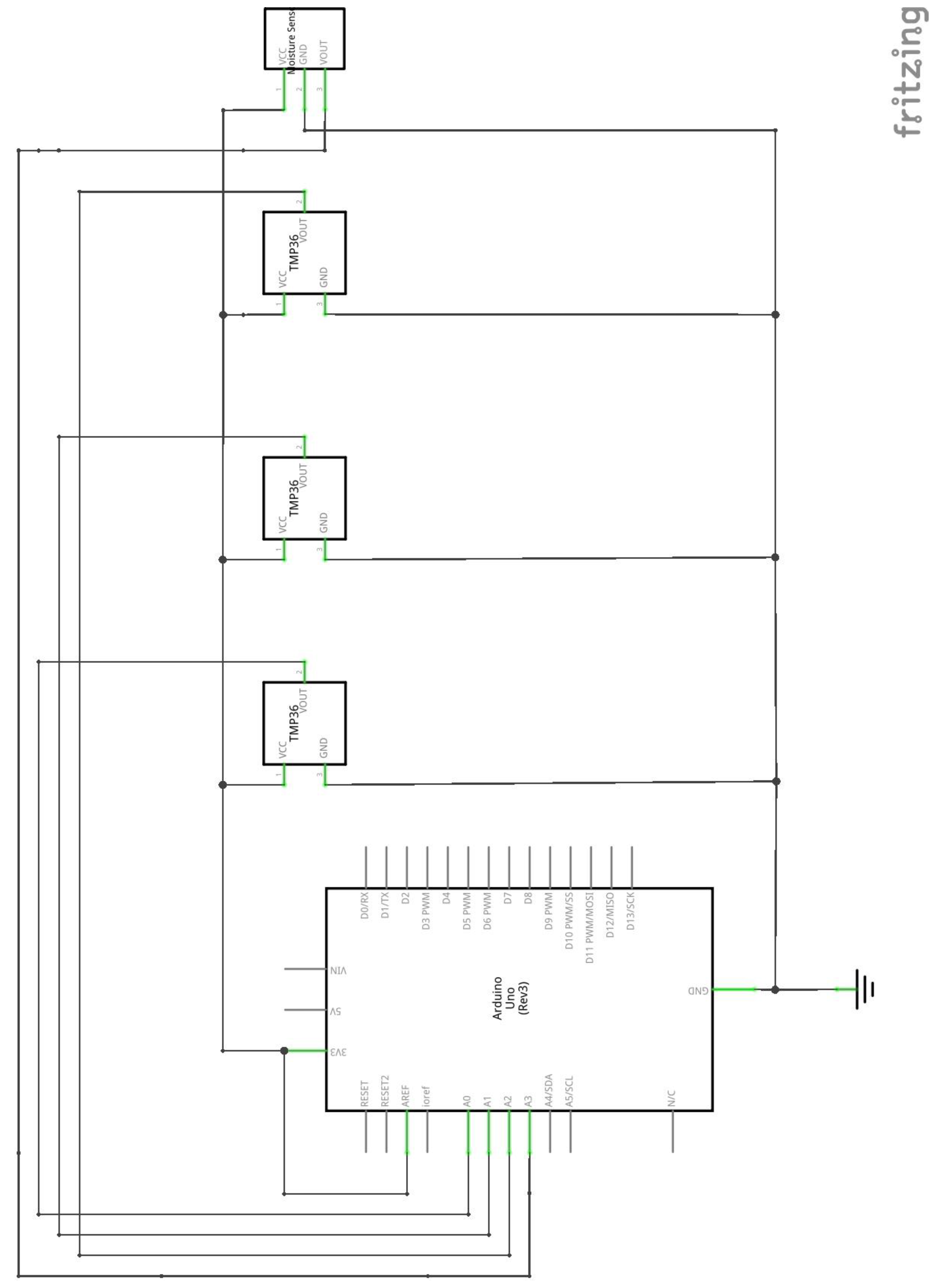
2.3. Experimental
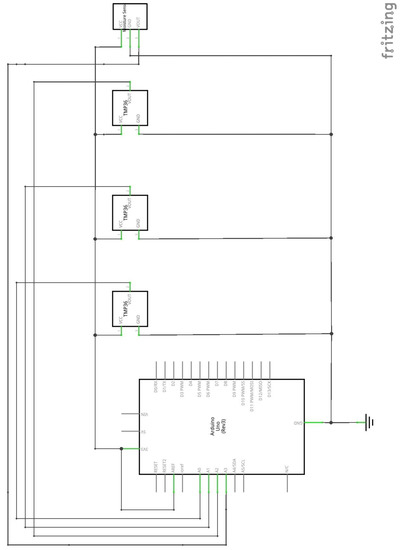
2.4. BIPV System Testing
3. Results
4. Discussion
5. Conclusions
Acknowledgments
Author Contributions
Conflicts of Interest
References
- Feldman, D.; Barbose, G.; Margolis, R.; Wiser, R.; Darghout, N.; Goodrich, A. Photovoltaic (PV) Pricing Trends: Historical, Recent, and Near-Term Projections; National Renewable Energy Laboratory: Golden, CO, USA, 2012.
- PV Spot Price. PV Energy Trends. Available online: http://pv.energytrend.com/pricequotes.html (accessed on 20 September 2017).
- Guess, M. Solar Now Costs 6¢ per Kilowatt-Hour, Beating Government Goal by 3 Years. Available online: https://arstechnica.com/science/2017/09/solar-now-costs-6-per-kilowatt-hour-beating-government-goal-by-3-years/ (accessed on 2 October 2017).
- Branker, K.; Pathak, M.J.M.; Pearce, J.M. A review of solar photovoltaic levelized cost of electricity. Renew. Sustain. Energy Rev. 2011, 15, 4470–4482. [Google Scholar] [CrossRef]
- Bazilian, M.; Onyeji, I.; Liebreich, M.; MacGill, I.; Chase, J.; Shah, J.; Gielen, D.; Arent, D.; Landfear, D.; Shi, Z.R. Re-considering the economics of photovoltaic power. Renew. Energy 2013, 53, 329–338. [Google Scholar] [CrossRef]
- Barbose, G. Tracking the Sun VI: An Historical Summary of the Installed Price of Photovoltaics in the United States from 1998 to 2012; L.B. N. Laboratory: Berkeley, CA, USA, 2014. [Google Scholar]
- Coughlin, J.; Cory, K.S. Solar Photovoltaic Financing: Residential Sector Deployment; National Renewable Energy Laboratory: Golden, CO, USA, 2009.
- Branker, K.; Shackles, E.; Pearce, J.M. Peer-to-peer financing mechanisms to accelerate renewable energy deployment. J. Sustain. Financ. Investig. 2011, 1, 138–155. [Google Scholar]
- Drury, E.; Miller, M.; Macal, C.M.; Graziano, D.J.; Heimiller, D.; Ozik, J.; Perry, T.D. The transformation of southern California’s residential photovoltaics market through third-party ownership. Energy Policy 2012, 42, 681–690. [Google Scholar] [CrossRef]
- Alafita, T.; Pearce, J.M. Securitization of residential solar photovoltaic assets: Costs, risks and uncertainty. Energy Policy 2014, 67, 488–498. [Google Scholar] [CrossRef]
- Hede, S.; Nunes, M.J.L.; Ferreira, P. Credits trading mechanism for corporate social responsibility: An empirically grounded framework. Int. J. Technol. Learn. Innov. Dev. 2014, 7, 49–92. [Google Scholar] [CrossRef]
- Overholm, H. Spreading the rooftop revolution: What policies enable solar-as-a-service? Energy Policy 2015, 84, 69–79. [Google Scholar] [CrossRef]
- Gallup Poll 2015. Available online: http://www.gallup.com/poll/182180/support-nuclear-energy.aspx (accessed on 2 October 2017).
- Solar Energy Industries Association. Solar Market Insight Report 2016 Year in Review. Available online: https://www.seia.org/research-resources/solar-market-insight-report-2016-year-review (accessed on 2 October 2017).
- Yu, C.F.; Van Sark, W.G.; Alsema, E.A. Unraveling the photovoltaic technology learning curve by incorporation of input price changes and scale effects. Renew. Sustain. Energy Rev. 2011, 15, 324–337. [Google Scholar] [CrossRef]
- Zheng, C.; Kammen, D.M. An innovation-focused roadmap for a sustainable global photovoltaic industry. Energy Policy 2014, 67, 159–169. [Google Scholar] [CrossRef]
- Trappey, A.J.; Trappey, C.V.; Tan, H.; Liu, P.H.; Li, S.J.; Lin, L.C. The determinants of photovoltaic system costs: An evaluation using a hierarchical learning curve model. J. Clean. Prod. 2016, 112, 1709–1716. [Google Scholar] [CrossRef]
- Strupeit, L.; Neij, L. Cost dynamics in the deployment of photovoltaics: Insights from the German market for building-sited systems. Renew. Sustain. Energy Rev. 2017, 69, 948–960. [Google Scholar] [CrossRef]
- Wittbrodt, B.T.; Pearce, J.M. Total US cost evaluation of low-weight tension-based photovoltaic flat-roof mounted racking. Sol. Energy 2015, 117, 89–98. [Google Scholar] [CrossRef]
- Wittbrodt, B.; Pearce, J.M. 3-D printing solar photovoltaic racking in developing world. Energy Sustain. Dev. 2017, 36, 1–5. [Google Scholar] [CrossRef]
- Rooftrac. Rooftrac-Residential Roof Solar Mounting System, Solar Racking; ProSolar—Solar Mounting Systems: Oxnard, CA, USA, 2017. [Google Scholar]
- Caffrey, K. House of the Rising Sun: Homeowners’ Associations, Restrictive Covenants, Solar Panels, and the Contract Clause. Nat. Resour. J. 2010, 50, 721. [Google Scholar]
- Certainteed Apollo II PV Roofing System Spec Sheet. Available online: https://www.certainteed.com/resources/ApolloIITDS.pdf (accessed on 2 October 2017).
- DOW PV Roofing Spec Sheet. Available online: https://www.dow.com/en-us/building (accessed on 2 October 2017).
- Prasad, D.; Snow, M. Designing with Solar Power: A Source Book for Building Integrated Photovoltaics (BiPV); Routledge: Abingdon, UK, 2014. [Google Scholar]
- James, T.; Goodrich, A.; Woodhouse, M.; Margolis, R.; Ong, S. Building-Integrated Photovoltaics (BIPV) in the residential sector: An analysis of installed rooftop system prices. Contract 2011, 303, 275–3000. [Google Scholar]
- Bakos, G.C.; Soursos, M.; Tsagas, N.F. Technoeconomic assessment of a building-integrated PV system for electrical energy saving in residential sector. Energy Build. 2003, 35, 757–762. [Google Scholar] [CrossRef]
- Pelland, S.; Poissant, Y. An evaluation of the potential of building integrated photovoltaics in Canada. In Proceedings of the SESCI 2006 Conference, Montreal, QC, Canada, 20–24 August 2006. [Google Scholar]
- 063 (1/16) Thick 3003 Aluminum Sheet. Available online: https://www.metalsdepot.com/catalog_cart_view.php?msg (accessed on 27 September 2017).
- Roof Warrior #30 216 sq. ft. Felt Roof Deck Protection. Available online: http://www.homedepot.com/p/Warrior-Roofing-30–216-sq-ft-Felt-Roof-Deck-Protection-414-0/100086691 (accessed on 2 October 2017).
- 1-1/2 in. Galvalume Wood Screw (250-Bag). Available online: http://www.homedepot.com/p/Metal-Sales-1-1-2-in-Galvalume-Wood-Screw-250-Bag-8211200/204741605 (accessed on 2 October 2017).
- Loctite PL S30 10 fl. oz. Black Polyurethane Roof and Flashing Sealant. Available online: http://www.homedepot.com/p/Loctite-PL-S30-10-fl-oz-Black-Polyurethane-Roof-and-Flashing-Sealant-1675273/203163733 (accessed on 2 October 2017).
- Gibb, A. Building Open Source Hardware: DIY Manufacturing for Hackers and Makers; Pearson Education: London, UK, 2014. [Google Scholar]
- CAD Assembly for Module BIPV Retrofit. Open Science Framework. Available online: https://osf.io/pz3uv/ (accessed 11 October 2017).
- KRC Data:MOST. Available online: http://www.appropedia.org/KRC_data:MOST (accessed on 2 October 2017).
- KRC Main Weather Station. Available online: http://www.mtukrc.org/weather.htm (accessed on 2 October 2017).
- KRC/MTSPRF Photovoltaic Panel Data Links & Archives. Available online: http://mtukrc.org/solar.htm (accessed on 2 October 2017).
- Pearce, J.M. Building research equipment with free, open-source hardware. Science 2012, 337, 1303–1304. [Google Scholar] [CrossRef] [PubMed]
- Pearce, J.M. Open-Source Lab: How to Build Your Own Hardware and Reduce Research Costs; Elsevier: Amsterdam, The Netherlands, 2013. [Google Scholar]
- Adafruit. Available online: https://www.adafruit.com/ (accessed on 2 October 2017).
- Open Source Monitoring System. Open Science Framework. Available online: https://osf.io/67qzb/ (accessed on 10 November 2017).
- Jinko Solar. JKM250P-60 Spec Sheet. Available online: https://www.jinkosolar.com/ftp/EN-MKT-250P_v1.0_rev2012.pdf (accessed on 2 October 2017).
- Duffie, J.A.; Beckman, W.A. Solar Engineering of Thermal Processes, 3rd ed.; John Wiley & Sons: Hoboken, NJ, USA, 2006. [Google Scholar]
- Pathak, M.J.M.; Sanders, P.G.; Pearce, J.M. Optimizing limited solar roof access by exergy analysis of solar thermal, photovoltaic, and hybrid photovoltaic thermal systems. Appl. Energy 2014, 120, 115–124. [Google Scholar] [CrossRef]
- Solar Server. PVX Spot Market Price Index Solar PV Modules. Available online: https://www.solarserver.com/service/pvx-spot-market-price-index-solar-pv-modules.html (accessed on 2 October 2017).
- XE Live Exchange Rates. Available online: http://www.xe.com/ (accessed on 2 October 2017).
- Osterwald, C.R.; McMahon, T.J. History of accelerated and qualification testing of terrestrial photovoltaic modules: A literature review. Prog. Photovolt. Res. Appl. 2009, 17, 11–33. [Google Scholar] [CrossRef]
- Wohlgemuth, J.H.; Cunningham, D.W.; Monus, P.; Miller, J.; Nguyen, A. Long term reliability of photovoltaic modules. In Proceedings of the Conference Record of the 2006 IEEE 4th World Conference on Photovoltaic Energy Conversion, Waikoloa, HI, USA, 7–12 May 2006; Volume 2, pp. 2050–2053. [Google Scholar]
- Villalva, M.G.; Gazoli, J.R.; Ruppert Filho, E. Comprehensive approach to modeling and simulation of photovoltaic arrays. IEEE Trans. Power Electron. 2009, 24, 1198–1208. [Google Scholar] [CrossRef]
- Cubas, J.; Pindado, S.; Victoria, M. On the analytical approach for modeling photovoltaic systems behavior. J. Power Sources 2014, 247, 467–474. [Google Scholar] [CrossRef]
- Jiménez-Torres, M.; Rus-Casas, C.; Lemus-Zúiga, L.G.; Hontoria, L. The Importance of Accurate Solar Data for Designing Solar Photovoltaic Systems—Case Studies in Spain. Sustainability 2017, 9, 247. [Google Scholar]
- Messenger, R.; Abtahi, A. Photovoltaic Systems Engineering; CRC Press: Boca Raton, FL, USA, 2017. [Google Scholar]
- Oliver, M.; Jackson, T. Energy and economic evaluation of building-integrated photovoltaics. Energy 2001, 26, 431–439. [Google Scholar] [CrossRef]
- Hoppmann, J.; Volland, J.; Schmidt, T.S.; Hoffmann, V.H. The economic viability of battery storage for residential solar photovoltaic systems—A review and a simulation model. Renew. Sustain. Energy Rev. 2014, 39, 1101–1118. [Google Scholar] [CrossRef]
- Mundada, A.S.; Shah, K.K.; Pearce, J.M. Levelized cost of electricity for solar photovoltaic, battery and cogen hybrid systems. Renew. Sustain. Energy Rev. 2016, 57, 692–703. [Google Scholar] [CrossRef]
- Cucchiella, F.; D’Adamo, I.; Gastaldi, M. Economic Analysis of a Photovoltaic System: A Resource for Residential Households. Energies 2017, 10, 814. [Google Scholar]
- Roofing Calculator. Estimate Roofing Costs. Available online: https://www.roofingcalc.com/roof-replacement-cost/ (accessed on 2 October 2017).
- MetalRoofing. Systems–Metal Roofing Systems. Available online: http://www.metalroofing.systems/metal-roof-cost-installed-vs-shingles/ (accessed on 6 November 2017).
- State by State Guides to Investing in Home Solar Power. Available online: https://solarpowerrocks.com/ (accessed on 2 October 2017).
- Henson, J. Integrating BIPV: How the Market for Building Integrated Photovoltaics Is Being Created in the USA. Refocus 2005, 6, 28–30. [Google Scholar] [CrossRef]
- Laureto, J.J.; Pearce, J.M. Open Source Multi-Head 3D Printer for Polymer-Metal Composite Component Manufacturing. Technologies 2017, 5, 36. [Google Scholar] [CrossRef]















| Item | Quantity | Cost | Price Per Module (USD) | Source |
|---|---|---|---|---|
| 1/16′′ Sheet Aluminum | 0.448 m2 | $143.60/40 ft2 (3.72 m2) | 17.29 | [29] |
| Felt Roof Deck Protection | 1.56 m2 | $17.50/216 ft2 (20 m2) | 1.37 | [30] |
| Neoprene washer and self-tapping fastener | 30 | $16.58/250 | 1.99 | [31] |
| Polyurethane Roof and Flashing Sealant | 1/6 container | $5.85/container | 0.98 | [32] |
| Fasteners (nuts/bolts) | As needed | >$0.10 | 1.00 | |
| Total | --- | -- | 22.63 |
© 2017 by the authors. Licensee MDPI, Basel, Switzerland. This article is an open access article distributed under the terms and conditions of the Creative Commons Attribution (CC BY) license (http://creativecommons.org/licenses/by/4.0/).
Share and Cite
Pearce, J.M.; Meldrum, J.; Osborne, N. Design of Post-Consumer Modification of Standard Solar Modules to Form Large-Area Building-Integrated Photovoltaic Roof Slates. Designs 2017, 1, 9. https://doi.org/10.3390/designs1020009
Pearce JM, Meldrum J, Osborne N. Design of Post-Consumer Modification of Standard Solar Modules to Form Large-Area Building-Integrated Photovoltaic Roof Slates. Designs. 2017; 1(2):9. https://doi.org/10.3390/designs1020009
Chicago/Turabian StylePearce, Joshua M., Jay Meldrum, and Nolan Osborne. 2017. "Design of Post-Consumer Modification of Standard Solar Modules to Form Large-Area Building-Integrated Photovoltaic Roof Slates" Designs 1, no. 2: 9. https://doi.org/10.3390/designs1020009
APA StylePearce, J. M., Meldrum, J., & Osborne, N. (2017). Design of Post-Consumer Modification of Standard Solar Modules to Form Large-Area Building-Integrated Photovoltaic Roof Slates. Designs, 1(2), 9. https://doi.org/10.3390/designs1020009

