Expansion Work Recovery of Hydrogen for a FC-Truck-Tentative Design of an Expansion Machine
Abstract
:1. Introduction
2. Materials and Methods
2.1. A Dedicated Expansion Machine
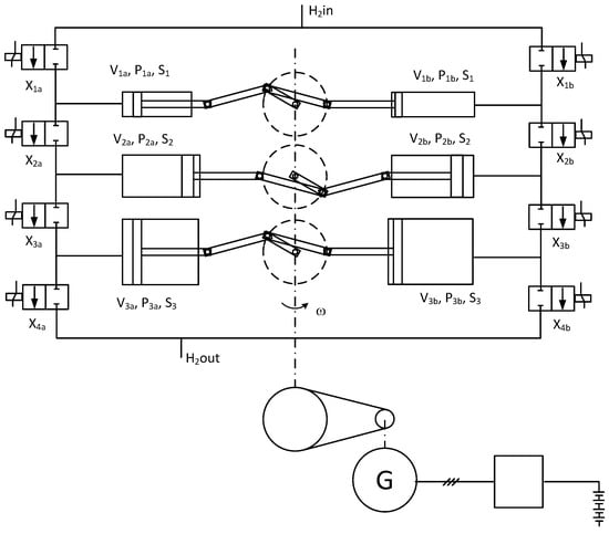
2.1.1. Single-Sided Pistons with Crankshaft and Piston Rod
2.1.2. Basic Principle of the Expansion Machine
2.1.3. Estimation of the Needed Cylinder Volumes
2.1.4. Design of the Piston’s Sections and Diameters
3. Results
3.1. Modeling the Mechanical Constraints of the Special Machine
3.1.1. The Model of the Piston and Crankshaft
3.1.2. Simulation of a Slow Expansion Machine
3.1.3. Isothermal Expansion
3.2. A Faster Machine with Reduced Size and Constraints
3.2.1. Dimensions of the Faster Machine
3.2.2. Simulation of the Faster Machine
3.3. The Temperature in the Cylinders
3.4. Energetic Considerations
4. Discussion
5. Conclusions
Funding
Data Availability Statement
Conflicts of Interest
References
- Thanapalan, K.K.T.; Kim, J.R.; Carr, S.J.W.; Zhang, F.; Premier, G.C.; Maddy, J.; Guwy, A.J. Progress in the development of renewable hydrogen vehicles, storage, infrastructure in the UK: Hydrogen Centre in its early years of operation. In Proceedings of the 2011 2nd International Conference on Intelligent Control and Information Processing, Harbin, China, 25–28 July 2011; pp. 738–742. [Google Scholar] [CrossRef]
- Woo, H.; Son, Y.; Choi, S. EV charging demand and problem formulation for the optimization of the hydrogen-integrated electric vehicle charging station: A review. In Proceedings of the 2022 13th International Conference on Information and Communication Technology Convergence (ICTC), Jeju Island, Republic of Korea, 19–21 October 2022; pp. 335–337. [Google Scholar] [CrossRef]
- Muck, N.; Wieser, S. Analysis of hydrogen expansion’s potential for fuel cell electric vehicle’s efficiency. In Proceedings of the 2021 Sixteenth International Conference on Ecological Vehicles and Renewable Energies (EVER), Monte-Carlo, Monaco, 5–7 May 2021; pp. 1–9. [Google Scholar] [CrossRef]
- Maximator Hydrogen Technology Hydrogen Usage through High Efficient Max-Compression. Available online: https://www.maximator-ht.com/upload/2357089_Hydrogen-Solutions-Brochure_092020.pdf (accessed on 2 May 2023).
- Rufer, A. Pneumatic Cylinder Assembly with Reduced Air Consumption. WO 2022/232953 A1, 1 May 2021. [Google Scholar]
- Rufer, A. Pneumatic Actuator Systems with Enhanced Efficiency. Available online: https://www.coollibri.com/bibliotheque-en-ligne/alfred-rufer/pneumatic-actuator-systems-with-enhanced-efficiency_428767 (accessed on 1 May 2023).
- Rufer, A. A High Efficiency Pneumatic Motor Based on Double-Acting Linear Cylinders. World Wide J. Multidiscip. Res. Dev. WWJMRD 2021, 7, 5–9. Available online: https://wwjmrd.com/archive/2021/1/1476/a-high-efficiency-pneumatic-motor-based-on-double-acting-linear-cylinders (accessed on 2 May 2023).
- Wieser, S.; Muck, N.; Scharnach, M. Hydrogen expansion work in fuel cell electric passenger and heavy-duty vehicles by simulation assessment: A comparison. In IEEE Industry Applications Magazine; IEEE: Piscataway, NJ, USA, 2023; pp. 59–69. [Google Scholar]
- Martin, G.H. Kinematics and Dynamics of Machines; Mc Graw Hill Series in Mechanical Engineering; McGraw-Hill Inc.: New York, NY, USA, 2002. [Google Scholar]




























| Adiabatic Expansions | |||||||
|---|---|---|---|---|---|---|---|
| P1 | T2 (K) | T2 (°C) | P2 | P3 | T3 (K) | T3 (°C) | |
| 350 | 293 | 188.81 | −84.19 | 75.17 | 16.14 | 121.67 | −151.33 |
| 300 | 293 | 188.81 | −84.19 | 64.43 | 13.84 | 121.67 | −151.33 |
| 250 | 293 | 188.81 | −84.19 | 53.69 | 11.53 | 121.67 | −151.33 |
| 200 | 293 | 188.81 | −84.19 | 42.95 | 9.23 | 121.67 | −151.33 |
| 150 | 293 | 188.81 | −84.19 | 32.22 | 6.92 | 121.67 | −151.33 |
| 100 | 293 | 188.81 | −84.19 | 21.48 | 4.61 | 121.67 | −151.33 |
| 50 | 293 | 188.81 | −84.19 | 10.74 | 2.31 | 121.67 | −151.33 |
| Isothermal Expansions | |||||||
|---|---|---|---|---|---|---|---|
| P1 | T2 (K) | T2 (°C) | P2 | P3 | T3 (K) | T3 (°C) | |
| 350 | 293 | 293 | 20.00 | 116.66 | 38.88 | 293 | 20.00 |
| 300 | 293 | 293 | 20.00 | 99.99 | 33.33 | 293 | 20.00 |
| 250 | 293 | 293 | 20.00 | 83.33 | 27.77 | 293 | 20.00 |
| 200 | 293 | 293 | 20.00 | 66.66 | 22.22 | 293 | 20.00 |
| 150 | 293 | 293 | 20.00 | 50.00 | 16.66 | 293 | 20.00 |
| 100 | 293 | 293 | 20.00 | 33.33 | 11.11 | 293 | 20.00 |
| 50 | 293 | 293 | 20.00 | 16.67 | 5.55 | 293 | 20.00 |
| S1 [m2] | P1max [N/m2] | F1max [N] |
| 8.35 × 10−4 | 3.50 × 107 | 2.92 × 104 |
| S2 [m2] | P2max [N/m2] | F2max [N] |
| 0.0025 | 3.50 × 107 | 8.75 × 104 |
| S3 [m2] | P3max [N/m2] | F3max [N] |
| 7.50 × 10−3 | 7.52 × 106 | 5.64 × 104 |
| Maximal Torque | ||
|---|---|---|
| M1 [Nm] | M2 [Nm] | M3 [Nm] |
| 1.60 × 103 | 2.31 × 103 | 1.49 × 103 |
| S1f [m2] | P1fmax [N/m2] | F1f [N] |
| 1.67 × 10−4 | 3.50 × 107 | 5.85 × 103 |
| S2f [m2] | P2fmax [N/m2] | F2fmax [N] |
| 0.0005 | 3.50 × 107 | 1.75 × 104 |
| S3f [m2] | P3fmax [N/m2] | F3fmax [N] |
| 1.50 × 10−3 | 7.52 × 106 | 1.13 × 104 |
Disclaimer/Publisher’s Note: The statements, opinions and data contained in all publications are solely those of the individual author(s) and contributor(s) and not of MDPI and/or the editor(s). MDPI and/or the editor(s) disclaim responsibility for any injury to people or property resulting from any ideas, methods, instructions or products referred to in the content. |
© 2023 by the author. Licensee MDPI, Basel, Switzerland. This article is an open access article distributed under the terms and conditions of the Creative Commons Attribution (CC BY) license (https://creativecommons.org/licenses/by/4.0/).
Share and Cite
Rufer, A. Expansion Work Recovery of Hydrogen for a FC-Truck-Tentative Design of an Expansion Machine. Inventions 2023, 8, 89. https://doi.org/10.3390/inventions8040089
Rufer A. Expansion Work Recovery of Hydrogen for a FC-Truck-Tentative Design of an Expansion Machine. Inventions. 2023; 8(4):89. https://doi.org/10.3390/inventions8040089
Chicago/Turabian StyleRufer, Alfred. 2023. "Expansion Work Recovery of Hydrogen for a FC-Truck-Tentative Design of an Expansion Machine" Inventions 8, no. 4: 89. https://doi.org/10.3390/inventions8040089
APA StyleRufer, A. (2023). Expansion Work Recovery of Hydrogen for a FC-Truck-Tentative Design of an Expansion Machine. Inventions, 8(4), 89. https://doi.org/10.3390/inventions8040089
