Electric Field Enhancing Artifacts as Precursors for Vacuum High-Voltage Breakdown
Abstract
1. Introduction
2. Investigated Model
2.1. CNT Growth Process
2.2. Nanoparticle Contamination
2.3. Carbon Feed
2.4. Ion Impact Dynamics
2.5. Time to Saturate
2.6. Stability of the Hybrid Structures Under High RG Pressure
3. Probability of Filament Growth under Non-Ideal Conditions
4. Initiation of EEE
5. SEM Imaging
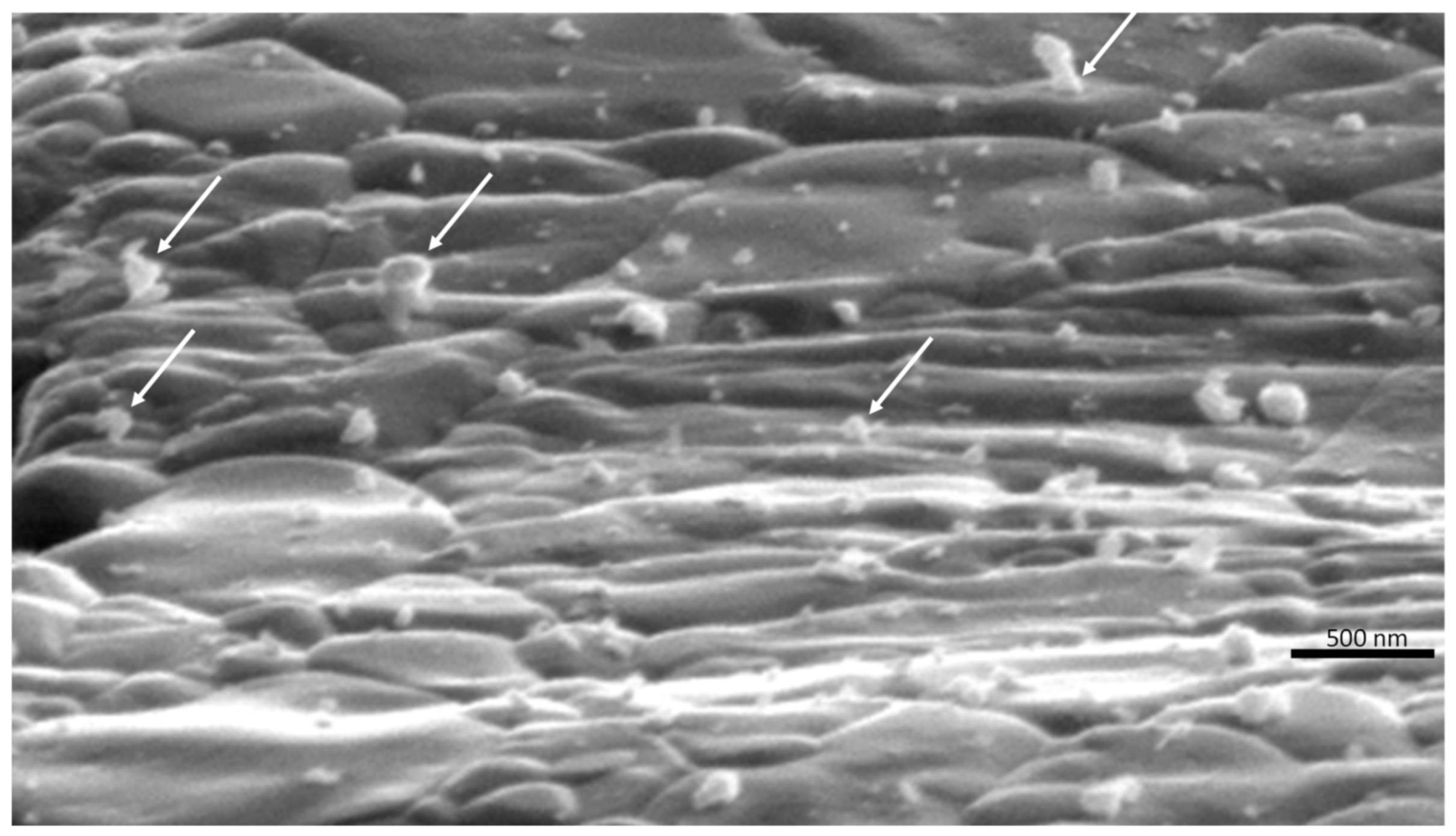
5.1. Mo Cathode Rings, Contaminated with CrO/Cr Nanoparticles
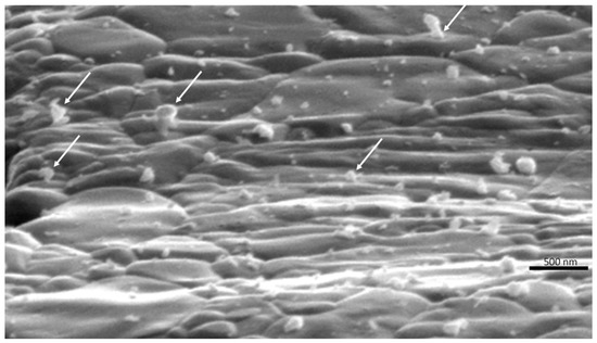
5.2. Nickel42 Cathode Head
6. Conclusions
Funding
Acknowledgments
Conflicts of Interest
References
- Mesyats, G.A. Pulsed Power; Springer Science+Business Media, Inc.: New York, NY, USA, 2005. [Google Scholar]
- Mesyats, G. Structure of the Ecton Cycle of a Vacuum Arc. In Proceedings of the 28th International Symposium on Discharges and Electrical Insulation in Vacuum (ISDEIV), Greifswald, Germany, 23–28 September 2018; pp. 333–335. [Google Scholar]
- Latham, R. (Ed.) High Voltage Vacuum Insulation; Academic Press: New York, NY, USA, 1995. [Google Scholar]
- Fursey, G.N. Field emission and vacuum breakdown. IEEE Trans. Electr. Insul. 1985, 20, 659–670. [Google Scholar] [CrossRef]
- Fursey, G.N.; Shirochin, L.A.; Baskin, L.M. Field-emission processes from a liquid-metal surface. J. Vac. Sci. B 1997, 15, 410–421. [Google Scholar] [CrossRef]
- Behling, R. Modern Diagnostic X-Ray Sources—Technology-Manufacturing-Reliability, 1st ed.; CRC Press—Taylor and Francis Group, LLC: Boca Raton, FL, USA, 2016. [Google Scholar]
- Kyritsakis, A.; Baibuz, E.; Jansson, V.; Djurabekova, F. On the atomistic behavior of metal surfaces under high electric fields. Phys. Rev. B 2018, 43, 1–9. [Google Scholar] [CrossRef]
- Kyritsakis, A.; Veske, M.; Eimre, K.; Zadin, V.; Djurabekova, F. Thermal runaway of metal nano-tips during intense electron emission. J. Physics. D 2018, 51, 1–13. [Google Scholar] [CrossRef]
- Dokania, A.K.; Duerr, M.; Lewalter, A.; Merikhi, J.; Berhanu, S.; Bachmann, P.K.; Chen, Z.; Wirth, T.; Rupesinghe, N.; Teo, K.; et al. Field emission from CNT bundles for application in biomedical equipment. In Proceedings of the 2010 8th International Vacuum Electron Sources Conference and Nanocarbon, Nanjing, China, 14 October 2010; pp. 111–112. [Google Scholar] [CrossRef]
- Purohit, R.; Purohit, K.; Rana, S.; Rana, R.S.; Patel, V. Carbon Nanotubes and their growth methods. MSPRO 2014, 6, 716–728. [Google Scholar] [CrossRef]
- Kumar, M.; Ando, Y. Chemical Vapor Deposition of Carbon Nanotubes: A Review on Growth Mechanism and Mass Production. J. Nanosci. Nanotechnol. 2010, 10, 3739–3758. [Google Scholar] [CrossRef]
- Berhanu, S.; Gro, O.; Chen, Z.; Merikhi, J.; Kaiser, M.; Rupesinghe, N.L.; Bachmann, P.K. Microscopic analysis of performance variations in carbon nanotube field emission cathodes: Implications for device optimization. Phys. Status Solidi 2012, 12, 1–12. [Google Scholar] [CrossRef]
- Jourdain, V.; Kanzow, H.; Castignolles, M.; Loiseau, A.; Patrick, B. Sequential catalytic growth of CNTs. Chem. Phys. Lett. 2002, 364, 27–33. [Google Scholar] [CrossRef]
- Balamurugan, J.; Thangamuthu, R.; Pandurangan, A. Effective synthesis of carbon nanotubes of high purity over Cr-Ni-SBA-15 and its application in high performance dye-sensitized solar cells. RSC Adv. 2013, 3, 4321–4331. [Google Scholar] [CrossRef]
- Shah, K.A.; Tali, B.A. Synthesis of carbon nanotubes by catalytic chemical vapour deposition: A review on carbon sources, catalysts and substrates. Mater. Sci. Semicond. Process. 2016, 41, 67–82. [Google Scholar] [CrossRef]
- Yahyazadeh, A.; Khoshandam, B. Carbon nanotube synthesis via the catalytic chemical vapor deposition of methane in the presence of iron, molybdenum, and iron–molybdenum alloy thin layer catalysts. Results Phys. 2017, 7, 3826–3837. [Google Scholar] [CrossRef]
- He, M.; Jiang, H.; Liu, B.; Fedotov, V.; Chernov, A.I.; Obraztsova, E.D.; Cavalca, F.; Wagner, J.B.; Hansen, T.W.; Anoshkin, V.; et al. Chiral-selective growth of single-walled carbon nanotubes on lattice-mismatched epitaxial cobalt nanoparticles. Sci. Rep. 2013, 3, 1–7. [Google Scholar] [CrossRef]
- Khorrami, S.A.; Lotfi, R. Influence of carrier gas flow rate on carbon nanotubes growth by TCVD with Cu catalyst. J. Saudi Chem. Soc. 2016, 20, 432–436. [Google Scholar] [CrossRef]
- Chen, Z.; Merikhi, J.; Koehler, I.; Bachmann, P.K. Sandwich growth of carbon nanotubes. Diam. Relat. Mater. 2006, 15, 104–108. [Google Scholar] [CrossRef]
- Ghoranneviss, M.; Javid, A.H.; Moattar, F.; Moradi, A.M.; Saeedi, P. Growth of Carbon Nanotubes on Silicon Substrate and Nickel Catalyst by Thermal CVD using Ethanol. BEPLS Bull. Env. Pharmacol. Life Sci. 2014, 3, 47–52. [Google Scholar]
- De Jonge, N.; Allioux, M.; Doytcheva, M.; Kaiser, M.; Teo, B.K.; Lacerda, R.G.; Milne, W.I. Characterization of the field emission properties of individual thin carbon nanotubes. Appl. Phys. Lett. 2004, 85, 1607–1609. [Google Scholar] [CrossRef]
- Gidcumb, E.; Gao, B.; Shan, J.; Inscoe, C.; Lu, J.; Zhou, O. Carbon nanotube electron field emitters for x-ray imaging of human breast cancer. Nanotechnology 2014, 25, 245704. [Google Scholar] [CrossRef]
- Mittal, K.L.; Jaiswal, R. Particle Adhesion and Removal, 1st ed.; Scrivener Publishing, LLC: Beverley, MA, USA, 2015. [Google Scholar]
- Opydo, W.; Opydo, D. The role of microparticles in initiating the electric breakdown in high–voltage vacuum insulation systems. Comput. Appl. Electr. Eng. 2016, 14, 177–186. [Google Scholar] [CrossRef]
- Neyts, E.C. PECVD growth of carbon nanotubes: From experiment to simulation. J. Vac. Sci. Technol. B 2012, 30, 030803. [Google Scholar] [CrossRef]
- Khalilov, U.; Bogaerts, A.; Hussain, S.; Kovacevic, E.; Brault, P.; Boulmer-Leborgne, C.; Neyts, C. Nanoscale mechanisms of CNT growth and etching in plasma environment. J. Phys. D. Appl. Phys. 2017, 50, 184001. [Google Scholar] [CrossRef]
- Greaves, G.; Hinks, J.A.; Busby, P.; Mellors, N.J.; Ilinov, A.; Kuronen, A.; Nordlund, K.; Donnelly, S.E. Enhanced sputtering yields from single-ion impacts on gold nanorods. Phys. Rev. Lett. PRL 2013, 111. [Google Scholar] [CrossRef] [PubMed]
- Kim, Y.-K.; Irikura, K.K.; Rudd, M.E.; Ali, M.A.; Stone, P.M.; Chang, J.; Coursey, J.S.; Dragoset, R.A.; Kishore, A.R.; Olsen, K.J.; et al. Electron-Impact Cross Sections for Ionization and Excitation, Electron-Impact Cross Sect. Ioniz. Excit. 2006. Available online: http://www.physics.nist.gov/pml/data/ionization/i (accessed on 30 June 2019).
- Badawi, M.H.; Anand, K.V. A study of silicon oxides prepared by oxygen implantation into silicon. J. Phys. D. Appl. Phys. 1977, 10, 1931–1942. [Google Scholar] [CrossRef]
- Königer, A.; Hammerl, C.; Zeitler, M.; Rauschenbach, B. Formation of metastable iron carbide phases after high-fluence carbon ion implantation into iron at low temperatures. Phys. Rev. B—Condens. Matter Mater. Phys. 1997, 55, 8143–8147. [Google Scholar] [CrossRef]
- Gabovich, M.D.; Poritskij, J.V. Mechanism of excitation of nonlinear capillary waves on the surface of a liquid metal in contact with dense plasma. J. Exp. Theor. Phys. 1983, 85, 146–154. [Google Scholar]
- Surviliene, S.; Češuniene, A.; Jasulaitiene, V.; Jurevičiute, I. Investigation of the surface composition of electrodeposited black chromium by X-ray photoelectron spectroscopy. Appl. Surf. Sci. 2015, 324, 837–841. [Google Scholar] [CrossRef]
- Van Oostrom, A.; Augustus, L. Electrical breakdown of stainless-steel electrodes in vacuum. Vacuum 1982, 32, 127–135. [Google Scholar] [CrossRef]































© 2019 by the author. Licensee MDPI, Basel, Switzerland. This article is an open access article distributed under the terms and conditions of the Creative Commons Attribution (CC BY) license (http://creativecommons.org/licenses/by/4.0/).
Share and Cite
Behling, R. Electric Field Enhancing Artifacts as Precursors for Vacuum High-Voltage Breakdown. Instruments 2019, 3, 64. https://doi.org/10.3390/instruments3040064
Behling R. Electric Field Enhancing Artifacts as Precursors for Vacuum High-Voltage Breakdown. Instruments. 2019; 3(4):64. https://doi.org/10.3390/instruments3040064
Chicago/Turabian StyleBehling, Rolf. 2019. "Electric Field Enhancing Artifacts as Precursors for Vacuum High-Voltage Breakdown" Instruments 3, no. 4: 64. https://doi.org/10.3390/instruments3040064
APA StyleBehling, R. (2019). Electric Field Enhancing Artifacts as Precursors for Vacuum High-Voltage Breakdown. Instruments, 3(4), 64. https://doi.org/10.3390/instruments3040064
