Perspectives of XRF and XANES Applications in Cryospheric Sciences Using Chinese SR Facilities
Abstract
1. Introduction
2. Synchrotron Radiation-Based Techniques
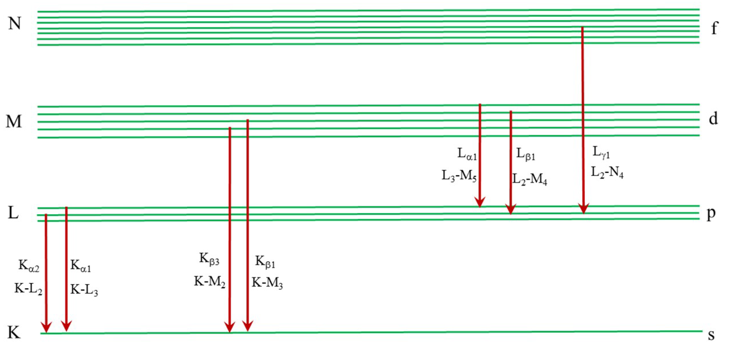
2.1. X-ray Fluorescence (XRF)-Trace Element Identification
2.1.1. Basics
2.1.2. Synchrotron Radiation X-ray Fluorescence
2.2. X-ray Absorption Spectroscopy (XAS)-Atomic Structural Information
- (1)
- IFEFFIT and Demeter package for data reduction and EXAFS fittings [23];
- (2)
- (3)
2.3. Other Synchrotron Radiation Techniques and Beyond
3. Experimental Applications
3.1. Spectroscopic Methods
3.2. Spectroscopy and Incineration of Waste
3.3. Applications of Tomography in Environmental Research
4. Perspectives in Applications of SR Techniques in Cryospheric Sciences
- (1)
- trace elemental analysis in deep ice core. By applying SR-XRF, it is possible to obtain quantitative information about the elemental concentration without damaging the sample. However, for ultra-trace analysis, it is important to the protect samples under investigation from external contaminations. Specially designed sample chambers installed at end-stations are required. To reach ultra-low detection limits with the highest S/N ratio, the highest flux at the sample position and the best detectors are necessary;
- (2)
- the speciation of metals, as illustrated in the previous examples, is possible through performing XANES experiments. However, it is necessary to concentrate the investigated elements, and sample preparation is a key issue [57,58]. This is a particularly important to investigate the inorganic fraction contained in the deep ice core [59]. In this case, it is necessary to melt from several centimeters up to meters of ice core to reach the detection limit. Moreover, a spectral database should be established with as many standards as possible to identify the chemical reactions that might occur. A mimicking in situ XANES measurement under different sample conditions (gas, temperature, etc.) would also help to understand the reaction pathways of the different elements induced by climatic changes or anthropogenic activities;
- (3)
- establish the largest possible dataset by measuring samples from the entire ecosystem extending over time and regions. Statistics will be helpful to draw more reliable conclusions. Hence, in order to describe climatic changes, one needs to sample the entire ecosystem, including, but not limited to, ice, snow, aerosols, dust, soils, solid state waste, and so on.
5. Relevance of Cryospheric Sciences to Synchrotron Radiation in China
6. Conclusions
Author Contributions
Funding
Acknowledgments
Conflicts of Interest
References
- Qin, D.; Ding, Y.; Xiao, C.; Kang, S.; Ren, J.; Yang, J.; Zhang, S. Cryospheric science: Research framework and disciplinary system. Natl. Sci. Rev. 2018, 5, 255–268. [Google Scholar] [CrossRef]
- Zhang, X.; Li, H.; Zhang, Z.; Wu, Q.; Zhang, S. Recent glacier mass balance and area changes from dems and landsat images in upper reach of shule river basin, northeastern edge of tibetan plateau during 2000 to 2015. Water 2018, 10, 796. [Google Scholar] [CrossRef]
- Yin, X.; Kang, S.; de Foy, B.; Ma, Y.; Tong, Y.; Zhang, W.; Wang, X.; Zhang, G.; Zhang, Q. Multi-year monitoring of atmospheric total gaseous mercury at a remote high-altitude site (nam co, 4730ma.S.L.) in the inland tibetan plateau region. Atmos. Chem. Phys. 2018, 18, 10557–10574. [Google Scholar] [CrossRef]
- Jiang, X.; Wang, J.; Qin, Q.; Dong, Y.; Sheng, W.; Cheng, J.; Xu, G.; Hu, T.; Deng, H.; Chen, F.; et al. The chinese high-energy photon source and its r&d project. Synchrotron Radiat. News 2014, 27, 27–31. [Google Scholar]
- Marcelli, A.; Hampai, D.; Cibin, G.; Maggi, V. Local vs global climate change: Investigation of dust from deep ice cores. Spectrosc. Eur. 2012, 24, 12–17. [Google Scholar]
- Marcelli, A.; Cibin, G.; Hampai, D.; Maggi, V. Mineralogical characterization of the inorganic component from deep ice core samples: A challenging xanes investigation. IXAS Res. Rev. 2012, 8. Available online: https://www.ixasportal.net/ixas/index.php?option=com_content&view=article&id=23&Itemid=373# (accessed on 30 September 2018).
- Cibin, G.; Marcelli, A.; Maggi, V.; Sala, M.; Marino, F.; Delmonte, B.; Albani, S.; Pignotti, S. First combined total reflection X-ray fluorescence and grazing incidence X-ray absorption spectroscopy characterization of aeolian dust archived in antarctica and alpine deep ice cores. Spectrochim. Acta Part B At. Spectrosc. 2008, 63, 1503–1510. [Google Scholar] [CrossRef]
- Marcelli, A.; Hampai, D.; Giannone, F.; Sala, M.; Maggi, V.; Marino, F.; Pignotti, S.; Cibin, G. Xrf-xanes characterization of deep ice core insoluble dust. J. Anal. At. Spectrom. 2012, 27, 33–37. [Google Scholar] [CrossRef]
- Ventura, G.D.; Marcelli, A.; Bellatreccia, F. Sr-ftir microscopy and ftir imaging in the earth sciences. Rev. Min. Geochem. 2014, 78, 447–479. [Google Scholar] [CrossRef]
- Obbard, R.W.; Lieb-Lappen, R.M.; Nordick, K.V.; Golden, E.J.; Leonard, J.R.; Lanzirotti, A.; Newville, M.G. Synchrotron X-ray fluorescence spectroscopy of salts in natural sea ice: Sxrf of salts in natural sea ice. Earth Space Sci. 2016, 3, 463–479. [Google Scholar] [CrossRef]
- Zhang, L.L.; Yan, S.; Jiang, S.; Yang, K.; Wang, H.; He, S.; Liang, D.X.; Zhang, L.; He, Y.; Lan, X.Y.; et al. Hard X-ray micro-focusing beamline at ssrf. Nucl. Sci. Tech. 2015, 26, 060101–060107. [Google Scholar]
- Solé, V.A.; Papillon, E.; Cotte, M.; Walter, P.; Susini, J. A multiplatform code for the analysis of energy-dispersive X-ray fluorescence spectra. Spectrochim. Acta Part B At. Spectrosc. 2007, 62, 63–68. [Google Scholar] [CrossRef]
- Hartree, D.R.; Kronig, R.D.; Petersen, H. A theoretical calculation of the fine structure for the k-absorption band of ge in gecl4. Physica 1934, 1, 895–924. [Google Scholar] [CrossRef]
- Rehr, J.J.; Albers, R.C. Theoretical approaches to X-ray absorption fine structure. Rev. Mod. Phys. 2000, 72, 621–654. [Google Scholar] [CrossRef]
- Dill, D.; Dehmer, J.L. Electron-molecule scattering and molecular photoionization using the multiple-scattering method. J. Chem. Phys. 1974, 61, 692–699. [Google Scholar] [CrossRef]
- Balzarotti, A.; Bianconi, A.; Burattini, E.; Grandolfo, M.; Habel, R.; Piacentini, M. Core transitions from the al 2p level in amorphous and crystalline Al2O3. Phys. Status Solidi (B) 1974, 63, 77–87. [Google Scholar] [CrossRef]
- Bianconi, A.; Petersen, H.; Brown, F.C.; Bachrach, R.Z. K-shell photoabsorption spectra of N2 and N2O using synchrotron radiation. Phys. Rev. A 1978, 17, 1907–1911. [Google Scholar] [CrossRef]
- Bianconi, A.; Doniach, S.; Lublin, D. X-ray ca k edge of calcium adenosine triphosphate system and of simple ca compunds. Chem. Phys. Lett. 1978, 59, 121–124. [Google Scholar] [CrossRef]
- Bianconi, A. Core excitons and inner well resonances in surface soft X-ray absorption (ssxa) spectra. Surface Sci. 1979, 89, 41–50. [Google Scholar] [CrossRef]
- Belli, M.; Scafati, A.; Bianconi, A.; Mobilio, S.; Palladino, L.; Reale, A.; Burattini, E. X-ray absorption near edge structures (xanes) in simple and complex mn compounds. Solid State Commun. 1980, 35, 355–361. [Google Scholar] [CrossRef]
- Benfatto, M.; Natoli, C.R.; Bianconi, A.; Garcia, J.; Marcelli, A.; Fanfoni, M.; Davoli, I. Multiple-scattering regime and higher-order correlations in X-ray-absorption spectra of liquid solutions. Phys. Rev. B 1986, 34, 5774–5781. [Google Scholar] [CrossRef]
- Longa, S.D.; Arcovito, A.; Girasole, M.; Hazemann, J.L.; Benfatto, M. Quantitative analysis of X-ray absorption near edge structure data by a full multiple scattering procedure: The fe-co geometry in photolyzed carbonmonoxy-myoglobin single crystal. Phys. Rev. Lett. 2001, 87, 155501–155504. [Google Scholar] [CrossRef] [PubMed]
- Ravel, B.; Newville, M. Athena, artemis, hephaestus: Data analysis for X-ray absorption spectroscopy using ifeffit. J. Synchrotron Radiat. 2005, 12, 537–541. [Google Scholar] [CrossRef] [PubMed]
- Ankudinov, A.L.; Ravel, B.; Rehr, J.J.; Conradson, S.D. Real-space multiple-scattering calculation and interpretation of X-ray-absorption near-edge structure. Phys. Rev. B 1998, 58, 7565. [Google Scholar] [CrossRef]
- Joly, Y. X-ray absorption near-edge structure calculations beyond the muffin-tin approximation. Phys. Rev. B 2001, 63. [Google Scholar] [CrossRef]
- Benfatto, M.; Della Longa, S. Geometrical fitting of experimental xanes spectra by a full multiple-scattering procedure. J. Synchrotron Radiat. 2001, 8, 1087–1094. [Google Scholar] [CrossRef] [PubMed]
- Manceau, A.; Lemouchi, C.; Enescu, M.; Gaillot, A.-C.; Lanson, M.; Magnin, V.; Glatzel, P.; Poulin, B.A.; Ryan, J.N.; Aiken, G.R.; et al. Formation of mercury sulfide from hg(ii)–thiolate complexes in natural organic matter. Environ. Sci. Technol. 2015, 49, 9787–9796. [Google Scholar] [CrossRef] [PubMed]
- Török, S.; Faigel, G.; Jones, K.W.; Rivers, M.L.; Sutton, S.R.; Bajt, S. Chemical characterization of environmental particulate matter using synchrotron radiation. X-ray Spectrom. 1994, 23, 3–6. [Google Scholar] [CrossRef]
- Momose, A.; Takeda, T.; Itai, Y.; Hirano, K. Phase-contrast X-ray computed tomography for observing biological soft tissues. Nat. Med. 1996, 2, 473–475. [Google Scholar] [CrossRef] [PubMed]
- Munro, P.R.T.; Ignatyev, K.; Speller, R.D.; Olivo, A. Phase and absorption retrieval using incoherent X-ray sources. Proc. Natl. Acad. Sci. USA 2012, 109, 13922. [Google Scholar] [CrossRef] [PubMed]
- Sen, I.S.; Peucker-Ehrenbrink, B. Anthropogenic disturbance of element cycles at the earth’s surface. Environ. Sci. Technol. 2012, 46, 8601–8609. [Google Scholar] [CrossRef] [PubMed]
- Li, C.; Xu, W.; Chu, S.; Zheng, Z.; Xiao, Y.; Li, L.; Bi, H.; Wei, L. The chemical speciation, spatial distribution and toxicity of mercury from tibetan medicine zuotai, β-hgs and hgcl2 in mouse kidney. J. Trace Elem. Med. Biol. 2018, 45, 104–113. [Google Scholar] [CrossRef] [PubMed]
- Meng, B.; Feng, X.; Qiu, G.; Anderson, C.W.N.; Wang, J.; Zhao, L. Localization and speciation of mercury in brown rice with implications for pan-asian public health. Environ. Sci. Technol. 2014, 48, 7974–7981. [Google Scholar] [CrossRef] [PubMed]
- Manceau, A. Comment on “direct observation of tetrahedrally coordinated fe(iii) in ferrihydrite”. Environ. Sci. Technol. 2012, 46, 6882–6884. [Google Scholar] [CrossRef] [PubMed]
- Manceau, A.; Enescu, M.; Simionovici, A.; Lanson, M.; Gonzalez-Rey, M.; Rovezzi, M.; Tucoulou, R.; Glatzel, P.; Nagy, K.L.; Bourdineaud, J.-P. Chemical forms of mercury in human hair reveal sources of exposure. Environ. Sci. Technol. 2016, 50, 10721–10729. [Google Scholar] [CrossRef] [PubMed]
- Manceau, A.; Lemouchi, C.; Rovezzi, M.; Lanson, M.; Glatzel, P.; Nagy, K.L.; Gautier-Luneau, I.; Joly, Y.; Enescu, M. Structure, bonding, and stability of mercury complexes with thiolate and thioether ligands from high-resolution xanes spectroscopy and first-principles calculations. Inorg. Chem. 2015, 54, 11776–11791. [Google Scholar] [CrossRef] [PubMed]
- Manceau, A.; Wang, J.; Rovezzi, M.; Glatzel, P.; Feng, X. Biogenesis of mercury–sulfur nanoparticles in plant leaves from atmospheric gaseous mercury. Environ. Sci. Technol. 2018, 52, 3935–3948. [Google Scholar] [CrossRef] [PubMed]
- Driscoll, C.T.; Mason, R.P.; Chan, H.M.; Jacob, D.J.; Pirrone, N. Mercury as a global pollutant: Sources, pathways, and effects. Environ. Sci. Technol. 2013, 47, 4967–4983. [Google Scholar] [CrossRef] [PubMed]
- Sun, S.; Kang, S.; Huang, J.; Chen, S.; Zhang, Q.; Guo, J.; Liu, W.; Neupane, B.; Qin, D. Distribution and variation of mercury in frozen soils of a high-altitude permafrost region on the northeastern margin of the tibetan plateau. Environ. Sci. Pollut. Res. 2017, 24, 15078–15088. [Google Scholar] [CrossRef] [PubMed]
- Whiteside, M.; Herndon, J. Coal fly ash aerosol: Risk factor for lung cancer. J. Adv. Med. Med. Res. 2018, 25, 1–10. [Google Scholar] [CrossRef]
- Yin, Y.; Xu, W.; Tan, Z.; Li, Y.; Wang, W.; Guo, X.; Yu, S.; Liu, J.; Jiang, G. Photo- and thermo-chemical transformation of agcl and ag2s in environmental matrices and its implication. Environ. Pollut. 2017, 220, 955–962. [Google Scholar] [CrossRef] [PubMed]
- Tian, S.; Zhu, Y.; Meng, B.; Guan, J.; Nie, Z.; Die, Q.; Xu, W.; Yu, M.; Huang, Q. Chemical speciation of lead in secondary fly ash using X-ray absorption spectroscopy. Chemosphere 2018, 197, 362–366. [Google Scholar] [CrossRef] [PubMed]
- Lieb-Lappen, R.M.; Golden, E.J.; Obbard, R.W. Metrics for interpreting the microstructure of sea ice using X-ray micro-computed tomography. Cold Reg. Sci. Technol. 2017, 138, 24–35. [Google Scholar] [CrossRef]
- Lieblappen, R.M.; Kumar, D.D.; Pauls, S.D.; Obbard, R.W. A network model for characterizing brine channels in sea ice. Cryosphere 2018, 12, 1013–1026. [Google Scholar] [CrossRef]
- Maus, S.; Huthwelker, T.; Enzmann, F.; M Miedaner, M.; Stampanoni, M.; Marone, F.; Hutterli, M.; Hintermüller, C.; Kersten, M. Synchrotron-based X-ray micro-tomography: Insights into sea ice microstructure. In Proceedings of the Sixth Workshop on Baltic Sea Ice Climate, Lammi Biological Station, Finland, 2008; 2009; Volume 61, pp. 28–45. [Google Scholar]
- Faria, S.H.; Weikusat, I.; Azuma, N. The microstructure of polar ice. Part ii: State of the art. J. Struct. Geol. 2014, 61, 21–49. [Google Scholar] [CrossRef]
- Murshed, M.M.; Klapp, S.A.; Enzmann, F.; Szeder, T.; Huthwelker, T.; Stampanoni, M.; Marone, F.; Hintermüller, C.; Bohrmann, G.; Kuhs, W.F.; et al. Natural gas hydrate investigations by synchrotron radiation X-ray cryo-tomographic microscopy (srxctm). Geophys. Res. Lett. 2008, 35. [Google Scholar] [CrossRef]
- Takeya, S.; Honda, K.; Gotoh, Y.; Yoneyama, A.; Ueda, K.; Miyamoto, A.; Hondoh, T.; Hori, A.; Sun, D.; Ohmura, R.; et al. Diffraction-enhanced X-ray imaging under low-temperature conditions: Non-destructive observations of clathrate gas hydrates. J. Synchrotron Radiat. 2012, 19, 1038–1042. [Google Scholar] [CrossRef] [PubMed]
- Yang, L.; Zhao, J.; Liu, W.; Li, Y.; Yang, M.; Song, Y. Microstructure observations of natural gas hydrate occurrence in porous media using microfocus X-ray computed tomography. Energy Fuels 2015, 29, 4835–4841. [Google Scholar] [CrossRef]
- Arzbacher, S.; Petrasch, J.; Ostermann, A.; Loerting, T. Micro-tomographic investigation of ice and clathrate formation and decomposition under thermodynamic monitoring. Materials 2016, 9, 668. [Google Scholar] [CrossRef] [PubMed]
- Koebernick, N.; Daly, K.R.; Keyes, S.D.; George, T.S.; Brown, L.K.; Raffan, A.; Cooper, L.J.; Naveed, M.; Bengough, A.G.; Sinclair, I.; et al. High-resolution synchrotron imaging shows that root hairs influence rhizosphere soil structure formation. New Phytol. 2017, 216, 124–135. [Google Scholar] [CrossRef] [PubMed]
- Porra, L.; Dégrugilliers, L.; Broche, L.; Albu, G.; Strengell, S.; Suhonen, H.; Fodor, G.H.; Peták, F.; Suortti, P.; Habre, W.; et al. Quantitative imaging of regional aerosol deposition, lung ventilation and morphology by synchrotron radiation ct. Sci. Rep. 2018, 8, 3519. [Google Scholar] [CrossRef] [PubMed]
- Bartels-Rausch, T. Ten things we need to know about ice and snow. Nature 2013, 494, 27–29. [Google Scholar] [CrossRef] [PubMed]
- Bartels-Rausch, T.; Bergeron, V.; Cartwright, J.H.E.; Escribano, R.; Finney, J.L.; Grothe, H.; Gutiérrez, P.J.; Haapala, J.; Kuhs, W.F.; Pettersson, J.B.C.; et al. Ice structures, patterns, and processes: A view across the icefields. Rev. Mod. Phys. 2012, 84, 885–944. [Google Scholar] [CrossRef]
- Nakamura, T.; Noguchi, T.; Tsuchiyama, A.; Ushikubo, T.; Kita, N.T.; Valley, J.W.; Zolensky, M.E.; Kakazu, Y.; Sakamoto, K.; Mashio, E.; et al. Chondrulelike objects in short-period comet 81p/wild 2. Science 2008, 321, 1664. [Google Scholar] [CrossRef] [PubMed]
- Fitzner, M.; Sosso, G.C.; Cox, S.J.; Michaelides, A. The many faces of heterogeneous ice nucleation: Interplay between surface morphology and hydrophobicity. J. Am. Chem. Soc. 2015, 137, 13658–13669. [Google Scholar] [CrossRef] [PubMed]
- Macis, S.; Cibin, G.; Maggi, V.; Baccolo, G.; Hampai, D.; Delmonte, B.; D'Elia, A.; Marcelli, A. Microdrop deposition technique: Preparation and characterization of diluted suspended particulate samples. Condens. Matter 2018, 3, 21. [Google Scholar] [CrossRef]
- D'Elia, A.; Cibin, G.; Robbins, P.E.; Maggi, V.; Marcelli, A. Design and characterization of a mapping device optimized to collect xrd patterns from highly inhomogeneous and low density powder samples. Nucl. Instrum. Methods Phys. Res. Sec. B Beam Interact. Mater. Atoms 2017, 411, 22–28. [Google Scholar] [CrossRef]
- From glacier to climate—Euro-Asian perspectives in cryospheric sciences. In Proceedings of the Bilateral Chinese/Italian Workshop, Beijing, China, 9–10 July 2012.
- Shen, X.; Sun, L.; Zhang, L.; Yin, X.; Kang, S.; Wu, Z.; Ju, X.; Huang, Y. Analysis on the 6 species of alagae and lichen by sr-xrf in the fileds peninsula of antarctica. Chin. J. Pol. Res. 2001, 13, 187–194. [Google Scholar]
- Shen, X.; Sun, L.; Yin, X.; Zhang, L.; Kang, S.; Wu, Z.; Huang, Y.; Ju, X. X-ray fluorescent analysis of the 6 species of bryophyte in the king george iland, antarctica. Chin. J. Pol. Res. 2001, 13, 50–56. [Google Scholar]
- Xie, Z.; Sun, L.; Long, N.; Li, Z.; Kang, S.; Wu, Z.; Huang, Y.; Xin, J. Analysis of the distribution of chemical elements in adelie penguin bone using synchrotron radiation X-ray fluorescence. Pol. Biol. 2003, 26, 171–177. [Google Scholar]
- Xie, Z.; Sun, L.; Blum, J.D.; Huang, Y.; He, W. Summertime aerosol chemical components in the marine boundary layer of the arctic ocean. J. Geophys. Rese. Atmos. 2006, 111. [Google Scholar] [CrossRef]
- Liao, J.; Huey, L.G.; Liu, Z.; Tanner, D.J.; Cantrell, C.A.; Orlando, J.J.; Flocke, F.M.; Shepson, P.B.; Weinheimer, A.J.; Hall, S.R.; et al. High levels of molecular chlorine in the arctic atmosphere. Nat. Geosci. 2014, 7, 91–94. [Google Scholar] [CrossRef]
- Shi, Z.; Krom, M.D.; Jickells, T.D.; Bonneville, S.; Carslaw, K.S.; Mihalopoulos, N.; Baker, A.R.; Benning, L.G. Impacts on iron solubility in the mineral dust by processes in the source region and the atmosphere: A review. Aeolian Res. 2012, 5, 21–42. [Google Scholar] [CrossRef]
- Domine, F.; Cincinelli, A.; Bonnaud, E.; Martellini, T.; Picaud, S. Adsorption of phenanthrene on natural snow. Environ. Sci. Technol. 2007, 41, 6033–6038. [Google Scholar] [CrossRef] [PubMed]
- Schroeder, W.H.; Anlauf, K.G.; Barrie, L.A.; Lu, J.Y.; Steffen, A.; Schneeberger, D.R.; Berg, T. Arctic springtime depletion of mercury. Nature 1998, 394, 331. [Google Scholar] [CrossRef]
- Jitaru, P.; Gabrielli, P.; Marteel, A.; Plane, J.M.C.; Planchon, F.A.M.; Gauchard, P.-A.; Ferrari, C.P.; Boutron, C.F.; Adams, F.C.; Hong, S.; et al. Atmospheric depletion of mercury over antarctica during glacial periods. Nat. Geosci. 2009, 2, 505–508. [Google Scholar] [CrossRef]
- Jeong, D.; Kim, K.; Choi, W. Accelerated dissolution of iron oxides in ice. Atmos. Chem. Phys. 2012, 12, 11125–11133. [Google Scholar] [CrossRef]
- Pratt, K.A.; DeMott, P.J.; French, J.R.; Wang, Z.; Westphal, D.L.; Heymsfield, A.J.; Twohy, C.H.; Prenni, A.J.; Prather, K.A. In situ detection of biological particles in cloud ice-crystals. Nat. Geosci. 2009, 2, 398–401. [Google Scholar] [CrossRef]
- Marcelli, A.; Maggi, V. Aerosols in Snow and Ice. Markers of Environmental Pollution and Climatic Changes: European and Asian Perspectives; Superstripes Press: Rome, Italy, 2017. [Google Scholar]
- Marcelli, A. The large research infrastructures of the people’s republic of china: An investment for science and technology. Phys. Status Solidi (B) 2013, 251, 1158–1168. [Google Scholar] [CrossRef]





| Synchrotron Radiation Facility | Beamline | Availability | Energy (keV) | Focal Spot (V × H μm) | Technique |
|---|---|---|---|---|---|
| Beijing Synchrotron Radiation Facility (BSRF) | 4W1B | Operation | 5–20 | 20 × 20 | μ-XRF |
| 1W1B | Operation | 4–23 | 900 × 300 | XAFS | |
| 1W2B | Operation | 5–20 | 1000 × 600 | XAFS | |
| 4B7A | Operation | 2.1–5.7 | 3000 × 1000 | XAFS, calibration | |
| 4B9A | Operation | 4–15 | 2000 × 1000 | XRD, XAFS, | |
| 4W1A | Operation | 6–22 | 20000–10,000 | CT | |
| 5–12 | 15 × 15 | Nano-CT | |||
| Shanghai Synchrotron Radiation Facility (SSRF) | BL15U1 | Operation | 5–20 | 1.6 × 1.8 (variable) using KB 0.15 × 0.15 using zone plate | μ-XRF μ-XAFS μ-XRD |
| BL14W1 | Operation | 4.5–35 | 300 × 300 | XAFS | |
| BL14B1 | Operation | 4–22 | 400 × 400 | XRD | |
| BL13W1 | Operation | 8–72.5 | 45,000 × 5000 | CT | |
| Shanghai Synchrotron Radiation Facility (SSRF) Upgrade | E-line | Construction | 1.3–10 | 80 × 200 | XPS, XAFS |
| D-line | Construction | 5–25 (X-ray) | NA | XAFS, FTIR | |
| 10–104 cm−1 (IR) | 100 × 100 | ||||
| Tender beamline | Construction | 2.1~16 | 5 × 1.5 | XAFS | |
| General spectroscopy | Construction | 5–30 | 500 × 100 | XAFS | |
| Nanobeamline | Construction | 5–25 | 0.01 × 0.01 | ||
| National Synchrotron Radiation Laboratory (NSRL) | BL01B | Operation | 15–4000 cm−1 | NA | FTIR |
| High Energy Photon Source (HEPS) | BD | Planning | 2.1–7.8 | 400 × 400 | XAFS |
| BE | Planning | 5–15 | NA | Tomography | |
| B2 | Planning | 5–25 | 0.009 × 0.009 | n-XRF/n-XRD | |
| B5 | Planning | 5–25 | 10 × 10 | XRS, NRS, RIXS | |
| B8 | Planning | 4.8–45 | NA | QXAFS |
© 2018 by the authors. Licensee MDPI, Basel, Switzerland. This article is an open access article distributed under the terms and conditions of the Creative Commons Attribution (CC BY) license (http://creativecommons.org/licenses/by/4.0/).
Share and Cite
Xu, W.; Du, Z.; Liu, S.; Zhu, Y.; Xiao, C.; Marcelli, A. Perspectives of XRF and XANES Applications in Cryospheric Sciences Using Chinese SR Facilities. Condens. Matter 2018, 3, 29. https://doi.org/10.3390/condmat3040029
Xu W, Du Z, Liu S, Zhu Y, Xiao C, Marcelli A. Perspectives of XRF and XANES Applications in Cryospheric Sciences Using Chinese SR Facilities. Condensed Matter. 2018; 3(4):29. https://doi.org/10.3390/condmat3040029
Chicago/Turabian StyleXu, Wei, Zhiheng Du, Shiwei Liu, Yingcai Zhu, Cunde Xiao, and Augusto Marcelli. 2018. "Perspectives of XRF and XANES Applications in Cryospheric Sciences Using Chinese SR Facilities" Condensed Matter 3, no. 4: 29. https://doi.org/10.3390/condmat3040029
APA StyleXu, W., Du, Z., Liu, S., Zhu, Y., Xiao, C., & Marcelli, A. (2018). Perspectives of XRF and XANES Applications in Cryospheric Sciences Using Chinese SR Facilities. Condensed Matter, 3(4), 29. https://doi.org/10.3390/condmat3040029

