Development of Innovative Biocomposites with Collagen, Keratin and Hydroxyapatite for Bone Tissue Engineering
Abstract
1. Introduction
2. Materials and Methods
2.1. Preparation of Biocomposites
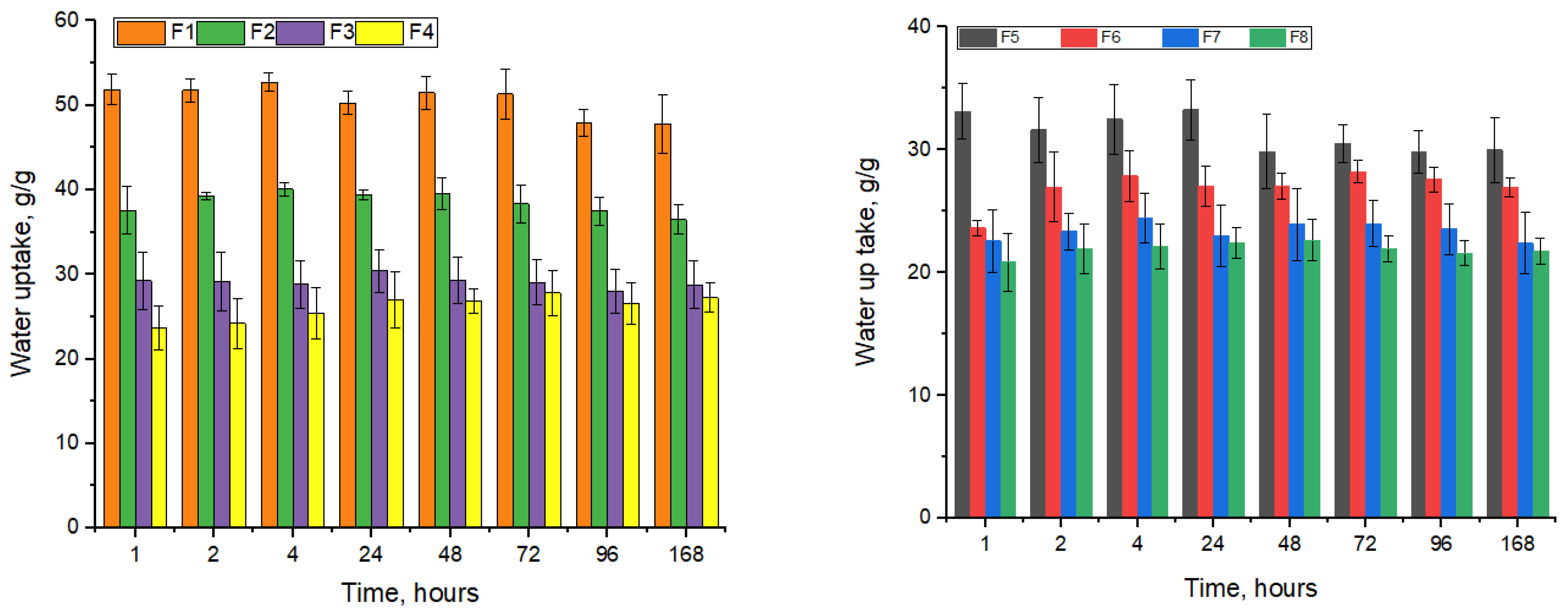
2.2. Water Uptake of Biocomposites
2.3. Fourier-Transform Infrared Spectroscopy (FTIR)
2.4. Scanning Electron Microscopy of Biocomposites
2.5. Cell Culture of MSCs on Biocomposites
2.6. Viability Assessment
2.7. Assessment of Biocomposite Capacity to Support Colonization of MSCs
2.8. Immunofluorescence (IF) Staining
2.9. Animal Studies
3. Results and Discussion
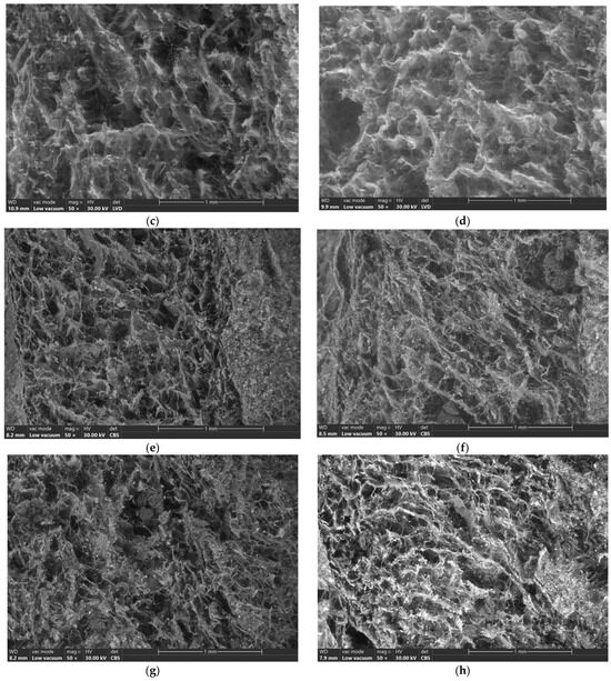
3.1. Morphology and Structure of Biocomposites
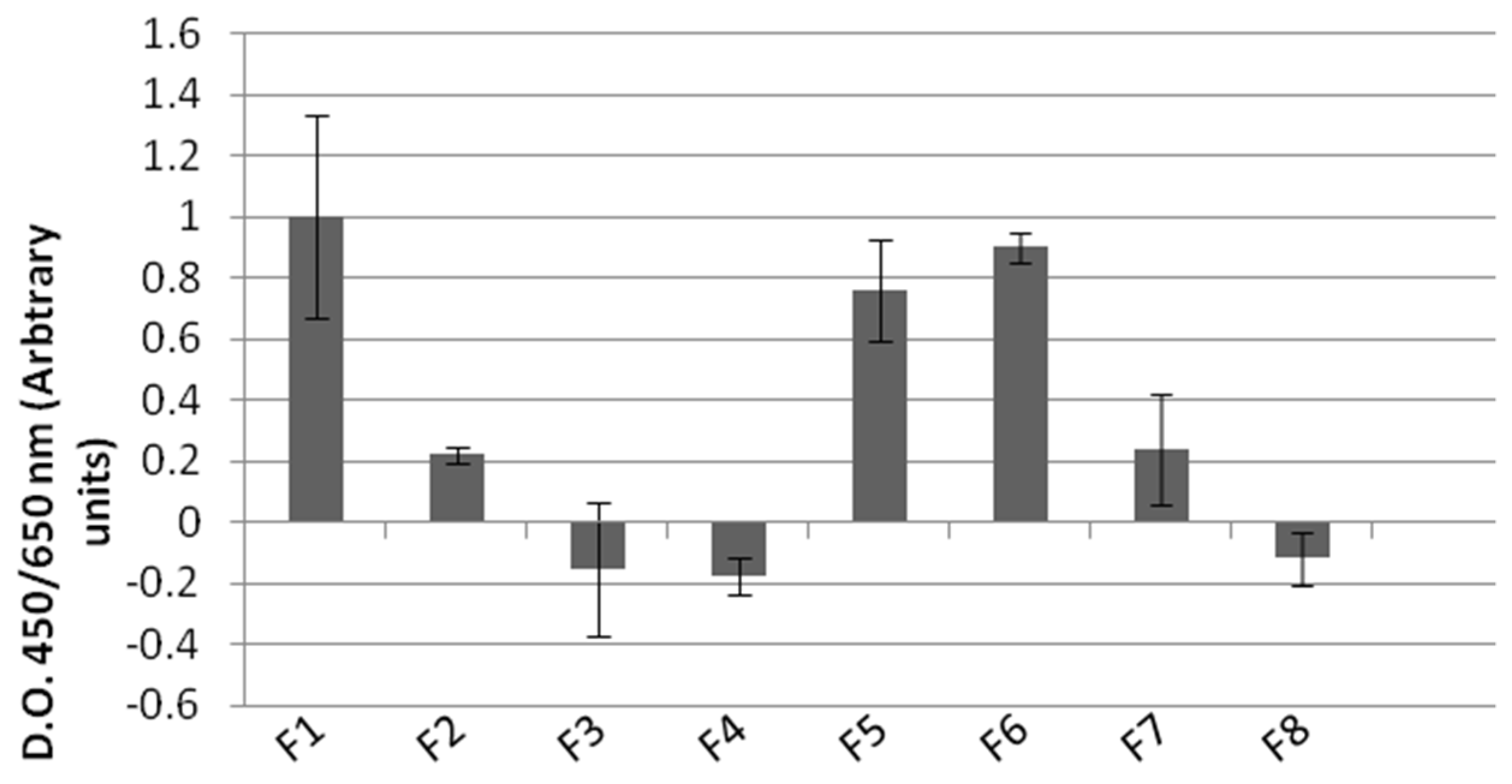
3.2. In Vitro Behavior of Biocomposites
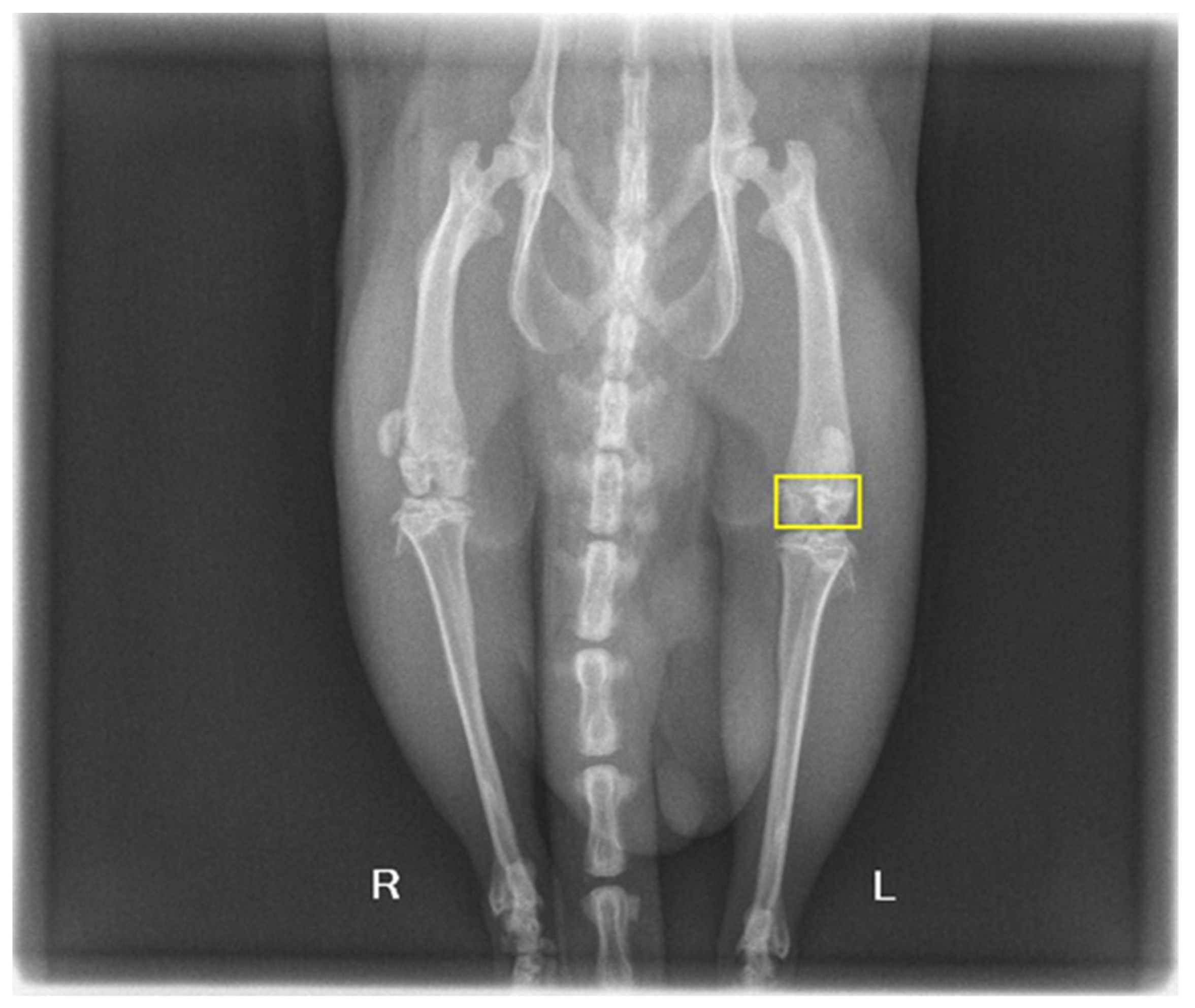
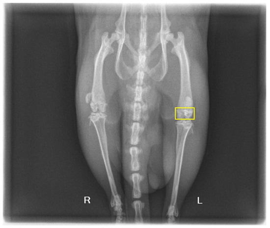
3.3. In Vivo Behavior of Biocomposites on Animals
4. Conclusions and Perspectives
Author Contributions
Funding
Institutional Review Board Statement
Data Availability Statement
Acknowledgments
Conflicts of Interest
References
- World Osteoporosis Day Survey 2023. Available online: https://www.osteoporosis.foundation/wod2023-survey (accessed on 4 March 2024).
- Wu, A.-M.; Bisignano, C.; James, S.L.; Abady, G.G.; Abedi, A.; Abu-Gharbieh, E.; Alhassan, R.K.; Alipour, V.; Arabloo, J.; Asaad, M.; et al. Global, Regional, and National Burden of Bone Fractures in 204 Countries and Territories, 1990–2019: A Systematic Analysis from the Global Burden of Disease Study 2019. Lancet Healthy Longev. 2021, 2, e580–e592. [Google Scholar] [CrossRef]
- Palmer, W.; Bancroft, L.; Bonar, F.; Choi, J.-A.; Cotten, A.; Griffith, J.F.; Robinson, P.; Pfirrmann, C.W.A. Glossary of Terms for Musculoskeletal Radiology. Skeletal Radiol. 2020, 49, 1–33. [Google Scholar] [CrossRef]
- Gorbachova, T.; Melenevsky, Y.; Cohen, M.; Cerniglia, B.W. Osteochondral Lesions of the Knee: Differentiating the Most Common Entities at MRI. RadioGraphics 2018, 38, 1478–1495. [Google Scholar] [CrossRef]
- Wickramasinghe, M.L.; Dias, G.J.; Premadasa, K.M.G.P. A Novel Classification of Bone Graft Materials. J. Biomed. Mater. Res. 2022, 110, 1724–1749. [Google Scholar] [CrossRef]
- Baldwin, P.; Li, D.J.; Auston, D.A.; Mir, H.S.; Yoon, R.S.; Koval, K.J. Autograft, Allograft, and Bone Graft Substitutes: Clinical Evidence and Indications for Use in the Setting of Orthopaedic Trauma Surgery. J. Orthop. Trauma 2019, 33, 203–213. [Google Scholar] [CrossRef]
- Wahl, D.; Czernuszka, J. Collagen-Hydroxyapatite Composites for Hard Tissue Repair. Eur. Cells Mater. 2006, 11, 43–56. [Google Scholar] [CrossRef]
- Hwangbo, H.; Lee, H.; Roh, E.J.; Kim, W.; Joshi, H.P.; Kwon, S.Y.; Choi, U.Y.; Han, I.-B.; Kim, G.H. Bone Tissue Engineering via Application of a Collagen/Hydroxyapatite 4D-Printed Biomimetic Scaffold for Spinal Fusion. Appl. Phys. Rev. 2021, 8, 021403. [Google Scholar] [CrossRef]
- Souza, F.F.P.D.; Pérez-Guerrero, J.A.; Gomes, M.J.P.; Cavalcante, F.L.; Souza Filho, M.D.S.M.D.; Castro-Silva, I.I. Development and Characterization of Poultry Collagen-Based Hybrid Hydrogels for Bone Regeneration. Acta Cir. Bras. 2022, 37, e370302. [Google Scholar] [CrossRef]
- Chacon, E.L.; Bertolo, M.R.V.; De Guzzi Plepis, A.M.; Da Conceição Amaro Martins, V.; Dos Santos, G.R.; Pinto, C.A.L.; Pelegrine, A.A.; Teixeira, M.L.; Buchaim, D.V.; Nazari, F.M.; et al. Collagen-Chitosan-Hydroxyapatite Composite Scaffolds for Bone Repair in Ovariectomized Rats. Sci. Rep. 2023, 13, 28. [Google Scholar] [CrossRef]
- Chilakamarry, C.R.; Mahmood, S.; Saffe, S.N.B.M.; Arifin, M.A.B.; Gupta, A.; Sikkandar, M.Y.; Begum, S.S.; Narasaiah, B. Extraction and Application of Keratin from Natural Resources: A Review. 3 Biotech. 2021, 11, 220. [Google Scholar] [CrossRef] [PubMed]
- Feroz, S.; Muhammad, N.; Ratnayake, J.; Dias, G. Keratin-Based Materials for Biomedical Applications. Bioact. Mater. 2020, 5, 496–509. [Google Scholar] [CrossRef]
- Rouse, J.G.; Van Dyke, M.E. A Review of Keratin-Based Biomaterials for Biomedical Applications. Materials 2010, 3, 999–1014. [Google Scholar] [CrossRef]
- Arslan, Y.E.; Sezgin Arslan, T.; Derkus, B.; Emregul, E.; Emregul, K.C. Fabrication of Human Hair Keratin/Jellyfish Collagen/Eggshell-Derived Hydroxyapatite Osteoinductive Biocomposite Scaffolds for Bone Tissue Engineering: From Waste to Regenerative Medicine Products. Colloids Surf. B Biointerfaces 2017, 154, 160–170. [Google Scholar] [CrossRef]
- Feroz, S.; Dias, G. Hydroxypropylmethyl Cellulose (HPMC) Crosslinked Keratin/Hydroxyapatite (HA) Scaffold Fabrication, Characterization and in Vitro Biocompatibility Assessment as a Bone Graft for Alveolar Bone Regeneration. Heliyon 2021, 7, e08294. [Google Scholar] [CrossRef]
- Cal, F.; Sezgin Arslan, T.; Derkus, B.; Kiran, F.; Cengiz, U.; Arslan, Y.E. Synthesis of Silica-Based Boron-Incorporated Collagen/Human Hair Keratin Hybrid Cryogels with the Potential Bone Formation Capability. ACS Appl. Bio Mater. 2021, 4, 7266–7279. [Google Scholar] [CrossRef]
- Sellappan, L.K.; Manoharan, S. Fabrication of Bioinspired Keratin/Sodium Alginate Based Biopolymeric Mat Loaded with Herbal Drug and Green Synthesized Zinc Oxide Nanoparticles as a Dual Drug Antimicrobial Wound Dressing. Int. J. Biol. Macromol. 2024, 259, 129162. [Google Scholar] [CrossRef]
- Wang, L.; Shang, Y.; Zhang, J.; Yuan, J.; Shen, J. Recent Advances in Keratin for Biomedical Applications. Adv. Colloid. Interface Sci. 2023, 321, 103012. [Google Scholar] [CrossRef]
- Wu, X.; Liu, A.; Wang, W.; Ye, R. Improved Mechanical Properties and Thermal-Stability of Collagen Fiber Based Film by Crosslinking with Casein, Keratin or SPI: Effect of Crosslinking Process and Concentrations of Proteins. Int. J. Biol. Macromol. 2018, 109, 1319–1328. [Google Scholar] [CrossRef]
- Ghafari, F.; Karbasi, S.; Eslaminejad, M.B.; Sayahpour, F.A.; Kalantari, N. Biological Evaluation and Osteogenic Potential of Polyhydroxybutyrate-Keratin/Al2O3 Electrospun Nanocomposite Scaffold: A Novel Bone Regeneration Construct. Int. J. Biol. Macromol. 2023, 242, 124602. [Google Scholar] [CrossRef]
- Ke, Y.; Wu, J.; Zhang, X.; Gu, T.; Wang, Y.; Jiang, F.; Yu, J. Feather Keratin-Montmorillonite Nanocomposite Hydrogel Promotes Bone Regeneration by Stimulating the Osteogenic Differentiation of Endogenous Stem Cells. Int. J. Biol. Macromol. 2023, 243, 125330. [Google Scholar] [CrossRef]
- Albu, M.G. Collagen Gels and Matrices for Biomedical Applications: The Obtaining and Characterization of Collagen-Based Biomaterials as Support for Local Release; LAP LAMBERT Academic Publishing: Saarbrücken, Germany, 2011; pp. 9–12. [Google Scholar]
- Maidaniuc, A.; Miculescu, F.; Mocanu, A.C.; Voicu, S.I.; Miculescu, M.; Purcaru, A.; Muhuleţ, A.; Pop, C.; Rada, M.E. Sinterability study of bovine-derived hydroxyapatite and silver microcomposites. Sci. Bull. Ser. B 2017, 79, 145–154. [Google Scholar]
- Albu, M.G.; Ficai, A.; Lungu, A. Preparation and characterization of collagen matrices obtained at different freezing temperatures. Rev. Piel. Incaltaminte 2010, 10, 39–50. [Google Scholar]
- Albu Kaya, M.G.; Ferdes, M.; Kaya, D.A.; Ghica, M.V.; Titorencu, I.; Popa, L.; Albu, L. Collagen wound dressings with anti-inflamatory activity. Mol. Cryst. Liq. Cryst. 2012, 555, 271–279. [Google Scholar] [CrossRef]
- Titorencu, I.; Jinga, V.V.; Constantinescu, E.; Gafencu, A.V.; Ciohodaru, C.; Manolescu, I.; Zaharia, C.; Simionescu, M. Proliferation, differentiation and characterization of osteoblasts from human BM mesenchymal cells. Cytotherapy 2007, 9, 682–696. [Google Scholar] [CrossRef]
- Tutuianu, R.; Rosca, A.M.; Albu Kaya, M.G.; Pruna, V.; Neagu, T.P.; Lascar, I.; Simionescu, M.; Titorencu, I. Mesenchymal stromal cell-derived factors promote the colonization of collagen 3D scaffolds with human skin cells. J. Cell Mol. Med. 2020, 24, 9692–9704. [Google Scholar] [CrossRef]
- Arifin, W.N.; Zahiruddin, W.M. Sample Size Calculation in Animal Studies Using Resource Equation Approach. Malays. J. Med. Sci. MJMS 2017, 24, 101–105. [Google Scholar]
- Ancuța, D.L.; Crivineanu, M.; Soare, T.; Coman, C. In vivo effects of titanium implants treated with biomaterials in the bone regeneration process. Sci. Works. Ser. C Vet. Med. 2021, LXVII, 155–160. [Google Scholar]
- Li, S.-T. Biomaterials. Chapter 6: Biologic Biomaterials: Tissue-Derived Biomaterials (Collagen), 1st ed.; Wong, J.Y., Bronzino, J.D., Eds.; CRC Press: Boca Raton, FL, USA, 2007; p. 131. [Google Scholar]
- Balaji, S.; Kumar, R.; Sripriya, R.; Rao, U.; Mandal, A.; Kakkar, P.; Reddy, P.N.; Sehgal, P.K. Characterization of keratin–collagen 3D scaffold for biomedical applications. Polym. Adv. Technol. 2012, 23, 500–507. [Google Scholar] [CrossRef]
- Su, D.; Wang, C.; Cai, S.; Mu, C.; Li, D.; Lin, W. Influence of palygorskite on the structure and thermal stability of collagen. Appl. Clay Sci. 2012, 62, 41–46. [Google Scholar] [CrossRef]
- Marin, M.M.; Albu Kaya, M.G.; Vlasceanu, G.M.; Ghitman, J.; Radu, I.C.; Iovu, H. The effect of crosslinking agents on the properties of type II collagen biomaterials. Mater. Plast. 2020, 57, 166–180. [Google Scholar] [CrossRef]
- Nistor, M.T.; Vasile, C.; Chiriac, A.P. Hybrid collagen-based hydrogels with embedded montmorillonite nanoparticles. Mater. Sci. Eng. C 2015, 53, 212–221. [Google Scholar] [CrossRef]
- Odusote, J.K.; Danyuo, Y.; Baruwa, A.D.; Azeez, A.A. Synthesis and characterization of hydroxyapatite from bovine bone for production of dental implants. J. Appl. Biomater. Funct. Mater. 2019, 17, 228080001983682. [Google Scholar] [CrossRef]
- Bradshaw, A.D. The Extracellular Matrix, Encyclopedia of Cell Biology; Bradshaw, R.A., Stahl, P.D., Eds.; Academic Press: Cambridge, MA, USA, 2016; pp. 694–703. [Google Scholar]
- Parisi, L.; Toffoli, A.; Ghezzi, B.; Mozzoni, B.; Lumetti, S.; Macaluso, G.M. A glance on the role of fibronectin in controlling cell response at biomaterial interface. Jpn. Dent. Sci. Review 2020, 56, 50–55. [Google Scholar] [CrossRef]
- Kokkinou, E.; Boniatis, I.; Costaridou, L.; Saridis, A.; Panagiotopoulos, E.; Panayiotakis, G. Monitoring of bone regeneration process by means of texture analysis. J. Instrum. 2009, 4, P09007. [Google Scholar] [CrossRef]
- MacKay, J.W.; Murray, P.J.; Low, S.B.L.; Kasmai, B.; Johnson, G.; Donell, S.T.; Toms, A.P. Quantitative analysis of tibial subchondral bone: Texture analysis outperforms conventional trabecular microarchitecture analysis. J. Magn. Reson. Imaging 2016, 43, 1159–1170. [Google Scholar] [CrossRef]











| Biocomposite Codes | Collagen *, % | Keratin *, % | Hydroxyapatite, % |
|---|---|---|---|
| F1 | 1 | 0 | 0 |
| F2 | 1 | 0.5 | 0 |
| F3 | 1 | 1.0 | 0 |
| F4 | 1 | 1.5 | 0 |
| F5 | 1 | 0 | 1 |
| F6 | 1 | 0.5 | 1 |
| F7 | 1 | 1.0 | 1 |
| F8 | 1 | 1.5 | 1 |
| Parameter | Min Value | 1st Quartile | Median | 3rd Quartile | Max Value |
|---|---|---|---|---|---|
| Mean (30 days) | 158 | 160 | 161 | 163 | 165 |
| SD (30 days) | 19 | 20 | 21 | 22 | 23 |
| Skew (30 days) | −0.3 | −0.2 | −0.15 | −0.1 | 0.0 |
| Kurt (30 days) | −0.2 | −0.1 | 0.0 | 0.1 | 0.2 |
| Mean (60 days) | 161 | 162 | 163 | 164 | 165 |
| SD (60 days) | 20 | 20.5 | 21 | 22 | 23 |
| Skew (60 days) | −0.25 | −0.2 | −0.15 | −0.1 | −0.05 |
| Kurt (60 days) | −0.1 | 0.0 | 0.05 | 0.1 | 0.2 |
| Parameter | Min Value | 1st Quartile | Median | 3rd Quartile | Max Value |
|---|---|---|---|---|---|
| Mean (30 days) | 145 | 149 | 165 | 181 | 190 |
| SD (30 days) | 16 | 18 | 19 | 21 | 22 |
| Skew (30 days) | −0.422 | −0.3 | −0.231 | 0.05 | 0.1 |
| Kurt (30 days) | 0.082 | 0.3 | 0.4 | 0.5 | 0.6 |
| Mean (60 days) | 180 | 182 | 185 | 190 | 194 |
| SD (60 days) | 18 | 19 | 20 | 21 | 22 |
| Skew (60 days) | −0.7 | −0.6 | −0.55 | −0.5 | −0.4 |
| Kurt (60 days) | 0.4 | 0.5 | 0.6 | 0.7 | 0.9 |
| Parameter | Min Value | 1st Quartile | Median | 3rd Quartile | Max Value |
|---|---|---|---|---|---|
| Mean (30 days) | 163 | 167 | 172 | 179 | 186 |
| SD (30 days) | 14 | 15 | 17 | 19 | 21 |
| Skew (30 days) | −0.632 | −0.4 | −0.1 | 0.0 | 0.2 |
| Kurt (30 days) | −0.59 | 0.3 | 0.6 | 0.7 | 0.9 |
| Mean (60 days) | 174 | 176 | 178 | 186 | 188 |
| SD (60 days) | 15 | 16 | 17 | 19 | 21 |
| Skew (60 days) | −0.6 | −0.5 | −0.4 | −0.3 | −0.1 |
| Kurt (60 days) | 0.35 | 0.5 | 0.65 | 0.8 | 1.0 |
| Parameter | Min Value | 1st Quartile | Median | 3rd Quartile | Max Value |
|---|---|---|---|---|---|
| Mean (30 days) | 157 | 167 | 169 | 177 | 188 |
| SD (30 days) | 16 | 17 | 19 | 22 | 24 |
| Skew (30 days) | −0.5 | −0.4 | −0.3 | −0.2 | −0.1 |
| Kurt (30 days) | 0.1 | 0.2 | 0.3 | 0.4 | 0.5 |
| Mean (60 days) | 177 | 181 | 183 | 187 | 188 |
| SD (60 days) | 12 | 14 | 16 | 18 | 20 |
| Skew (60 days) | −0.5 | −0.4 | −0.3 | −0.2 | −0.1 |
| Kurt (60 days) | 0.3 | 0.4 | 0.5 | 0.6 | 0.7 |
Disclaimer/Publisher’s Note: The statements, opinions and data contained in all publications are solely those of the individual author(s) and contributor(s) and not of MDPI and/or the editor(s). MDPI and/or the editor(s) disclaim responsibility for any injury to people or property resulting from any ideas, methods, instructions or products referred to in the content. |
© 2024 by the authors. Licensee MDPI, Basel, Switzerland. This article is an open access article distributed under the terms and conditions of the Creative Commons Attribution (CC BY) license (https://creativecommons.org/licenses/by/4.0/).
Share and Cite
Popescu, F.; Titorencu, I.; Albu Kaya, M.; Miculescu, F.; Tutuianu, R.; Coman, A.E.; Danila, E.; Marin, M.M.; Ancuta, D.-L.; Coman, C.; et al. Development of Innovative Biocomposites with Collagen, Keratin and Hydroxyapatite for Bone Tissue Engineering. Biomimetics 2024, 9, 428. https://doi.org/10.3390/biomimetics9070428
Popescu F, Titorencu I, Albu Kaya M, Miculescu F, Tutuianu R, Coman AE, Danila E, Marin MM, Ancuta D-L, Coman C, et al. Development of Innovative Biocomposites with Collagen, Keratin and Hydroxyapatite for Bone Tissue Engineering. Biomimetics. 2024; 9(7):428. https://doi.org/10.3390/biomimetics9070428
Chicago/Turabian StylePopescu, Florin, Irina Titorencu, Madalina Albu Kaya, Florin Miculescu, Raluca Tutuianu, Alina Elena Coman, Elena Danila, Minodora Maria Marin, Diana-Larisa Ancuta, Cristin Coman, and et al. 2024. "Development of Innovative Biocomposites with Collagen, Keratin and Hydroxyapatite for Bone Tissue Engineering" Biomimetics 9, no. 7: 428. https://doi.org/10.3390/biomimetics9070428
APA StylePopescu, F., Titorencu, I., Albu Kaya, M., Miculescu, F., Tutuianu, R., Coman, A. E., Danila, E., Marin, M. M., Ancuta, D.-L., Coman, C., & Barbilian, A. (2024). Development of Innovative Biocomposites with Collagen, Keratin and Hydroxyapatite for Bone Tissue Engineering. Biomimetics, 9(7), 428. https://doi.org/10.3390/biomimetics9070428

