The Influence of the Number of Spiking Neurons on Synaptic Plasticity
Abstract
1. Introduction
1.1. Long-Term Plasticity
1.2. Hebbian Learning in Artificial Systems
1.3. The Number of Neurons in SNNs
1.4. The Goal and Motivation of the Current Research
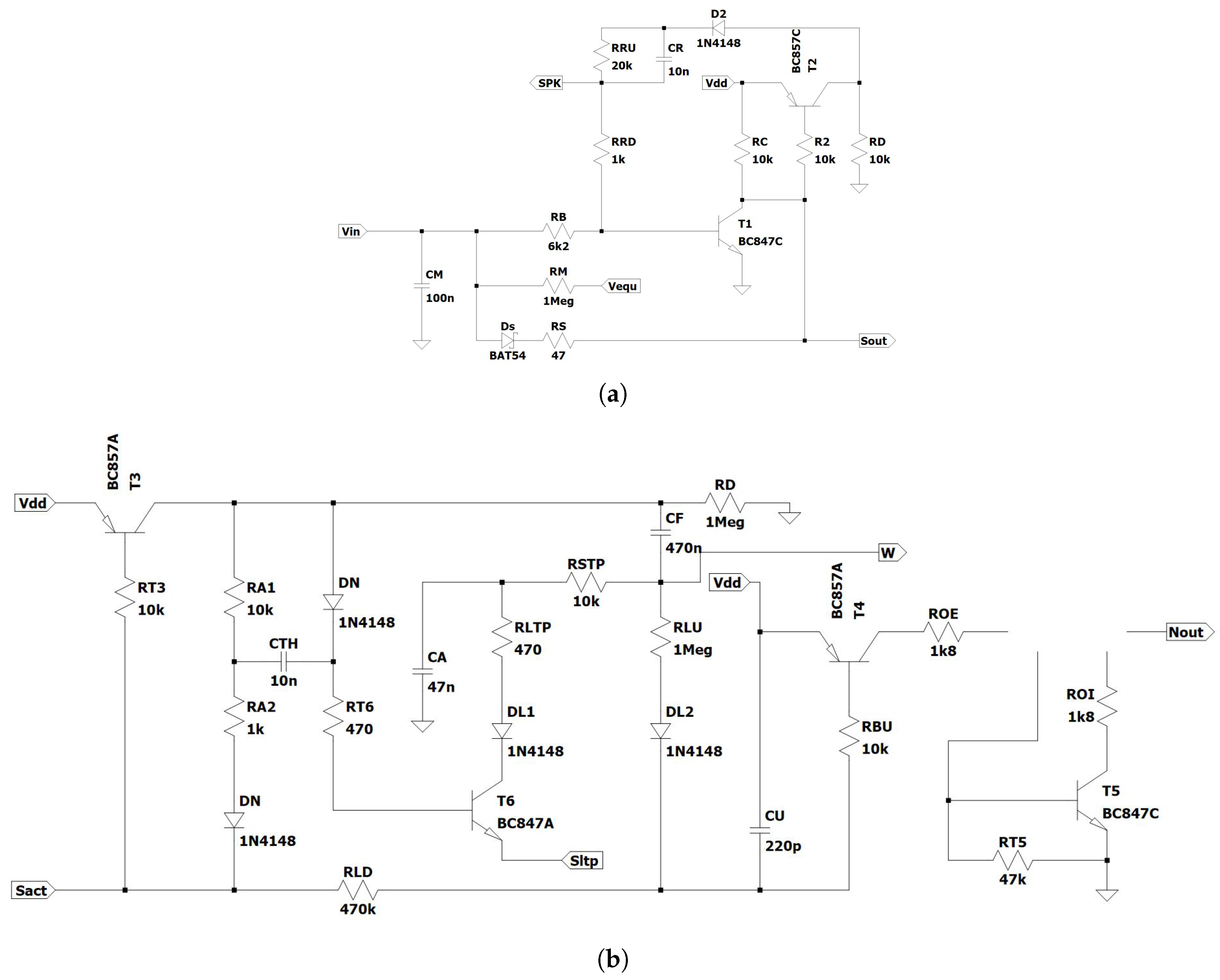
2. Materials and Methods
2.1. The Model of the Artificial Neuron
2.2. Model for PTP and LTP
2.3. The Structure of the SNN
2.4. Experimental Phases
3. Results
3.1. Preliminary Phase
3.2. The Efficiency of Hebbian Learning
4. Discussion and Conclusions
Author Contributions
Funding
Institutional Review Board Statement
Informed Consent Statement
Data Availability Statement
Conflicts of Interest
Abbreviations
| ANN | Artificial neural network |
| LDT | Long-term depression |
| LTP | Long-term potentiation |
| PCB | Printed circuit board |
| PTP | Post-tetanic potentiation |
| SMA | Shape memory alloy |
| SNN | Spiking neural network |
Appendix A

References
- Maass, W. Networks of spiking neurons: The third generation of neural network models. Neural Netw. 1997, 10, 1659–1671. [Google Scholar] [CrossRef]
- Blachowicz, T.; Grzybowski, J.; Steblinski, P.; Ehrmann, A. Neuro-Inspired Signal Processing in Ferromagnetic Nanofibers. Biomimetics 2021, 6, 32. [Google Scholar] [CrossRef] [PubMed]
- Bi, G.Q.; Poo, M.M. Synaptic modifications in cultured hippocampal neurons: Dependence on spike timing, synaptic strength, and postsynaptic cell type. J. Neurosci. 1990, 18, 10464–10472. [Google Scholar] [CrossRef] [PubMed]
- Karmarkar, R.; Buonomano, D. A Model of Spike-Timing Dependent Plasticity: One or Two Coincidence Detectors? J. Neurophysiol. 2002, 88, 507–513. [Google Scholar] [CrossRef]
- Sjostrom, P.J.; Turrigiano, G.; Nelson, S. Rate, Timing, and Cooperativity Jointly Determine Cortical Synaptic Plasticity. Neuron 2001, 32, 1149–1164. [Google Scholar] [CrossRef]
- Whitlock, J.R.; Heynen, A.J.; Shuler, M.G.; Bear, M.F. Learning Induces Long-Term Potentiation in the Hippocampus. Science 2006, 313, 1093. [Google Scholar] [CrossRef]
- Barrionuevo, G.; Brown, T.H. Associative long-term potentiation in hippocampal slices. Proc. Natl. Acad. Sci. USA 1983, 80, 7347–7351. [Google Scholar] [CrossRef]
- Mcclelland, J. How far can you go with Hebbian learning, and when does it lead you astray. Atten. Perform. 2006, 21, 33–69. [Google Scholar]
- Gavrilov, A.; Panchenko, K. Methods of Learning for Spiking Neural Networks. A Survey. In Proceedings of the 13th International Scientific-Technical Conference APEIE, Novosibirsk, Russia, 3–6 October 2016. [Google Scholar]
- Alemanno, F.; Aquaro, M.; Kanter, I.; Barra, A.; Agliari, E. Supervised Hebbian Learning. Europhys. Lett. 2022, 141, 11001. [Google Scholar] [CrossRef]
- Hopfield, J.J. Neural networks and physical systems with emergent collective computational abilities. Proc. Natl. Acad. Sci. USA 1982, 79, 2554–2558. [Google Scholar] [CrossRef]
- Kempter, R.; Gerstner, W.; van Hemmen, L. Hebbian learning and spiking neurons. Phys. Rev. E 1999, 59, 4498. [Google Scholar] [CrossRef]
- Song, S.; Miller, K.D.; Abbott, L. Competitive Hebbian learning through spike-timing-dependent synaptic plasticity. Nat. Neurosci. 2000, 3, 919–926. [Google Scholar] [CrossRef]
- Hulea, M.; Uleru, G.I.; Caruntu, C.F. Adaptive SNN for anthropomorphic finger control. Sensors 2021, 28, 2730. [Google Scholar] [CrossRef] [PubMed]
- Uleru, G.I.; Hulea, M.; Manta, V.I. Using hebbian learning for training spiking neural networks to control fingers of robotic hands. Int. J. Humanoid Robot. 2022, 2250024. [Google Scholar] [CrossRef]
- Powell, C.M.; Castillo, P.E. 4.36—Presynaptic Mechanisms in Plasticity and Memory. In Learning and Memory: A Comprehensive Reference; Byrne, J.H., Ed.; Academic Press: Cambridge, MA, USA, 2008; pp. 741–769. [Google Scholar]
- Fioravante, D.; Regehr, W.G. Short-term forms of presynaptic plasticity. Curr. Opin. Neurobiol. 2011, 21, 269–274. [Google Scholar] [CrossRef] [PubMed]
- Yang, Y.; Calakos, N. Presynaptic long-term plasticity. Front. Synaptic Neurosci. 2013, 17, 8. [Google Scholar] [CrossRef]
- Kano, M.; Watanabe, M. 4—Cerebellar circuits. In Neural Circuit and Cognitive Development (Second Edition); Rubenstein, J., Rakic, P., Chen, B., Kwan, K.Y., Eds.; Academic Press: Cambridge, MA, USA, 2020; pp. 79–102. [Google Scholar]
- Buice, M.A.; Chow, C.C. Dynamic Finite Size Effects in Spiking Neural Networks. PLoS Comput. Biol. 2013, 9, 1659–1671. [Google Scholar] [CrossRef]
- Dimovska, M.; Johnston, T.; Schuman, C.; Mitchell, J.; Potok, T. Multi-Objective Optimization for Size and Resilience of Spiking Neural Networks. In Proceedings of the IEEE 10th Annual Ubiquitous Computing, Electronics & Mobile Communication Conference (UEMCON), New York, NY, USA, 10–12 October 2019; pp. 433–439. [Google Scholar]
- Hussain, I.; Thounaojam, D.M. SpiFoG: An efficient supervised learning algorithm for the network of spiking neurons. Sci. Rep. 2020, 4, 13122. [Google Scholar] [CrossRef]
- Hulea, M.; Barleanu, A. Electronic Neural Network For Modelling The Pavlovian Conditioning. In Proceedings of the International Conference on System Theory, Control and Computing (ICSTCC), Sinaia, Romania, 19–21 October 2017. [Google Scholar]
- Uleru, G.I.; Hulea, M.; Burlacu, A. Bio-Inspired Control System for Fingers Actuated by Multiple SMA Actuators. Biomimetics 2022, 7, 62. [Google Scholar] [CrossRef]
- Hulea, M.; Uleru, G.I.; Burlacu, A.; Caruntu, C.F. Bioinspired SNN For Robotic Joint Control. In Proceedings of the International Conference on Automation, Quality and Testing, Robotics (AQTR), Cluj-Napoca, Romania, 21–23 May 2020; pp. 1–5. [Google Scholar]
- Hulea, M.; Burlacu, A.; Caruntu, C.F. Intelligent motion planning and control for robotic joints using bio-inspired spiking neural networks. Int. J. Hum. Robot. 2019, 16, 1950012. [Google Scholar] [CrossRef]
- Hulea, M.; Barleanu, A. Refresh Method For The Weights of The Analogue Synapses. In Proceedings of the International Conference on System Theory, Control and Computing (ICSTCC), Sinaia, Romania, 8–10 October 2020; pp. 102–105. [Google Scholar]
- Hulea, M. Electronic Circuit for Modelling an Artificial Neuron. Patent RO126249 (A2), 29 November 2018. [Google Scholar]
- Hulea, M.; Ghassemlooy, Z.; Rajbhandari, S.; Younus, O.I.; Barleanu, A. Optical Axons for Electro-Optical Neural Networks. Sensors 2020, 20, 6119. [Google Scholar] [CrossRef] [PubMed]








Disclaimer/Publisher’s Note: The statements, opinions and data contained in all publications are solely those of the individual author(s) and contributor(s) and not of MDPI and/or the editor(s). MDPI and/or the editor(s) disclaim responsibility for any injury to people or property resulting from any ideas, methods, instructions or products referred to in the content. |
© 2023 by the authors. Licensee MDPI, Basel, Switzerland. This article is an open access article distributed under the terms and conditions of the Creative Commons Attribution (CC BY) license (https://creativecommons.org/licenses/by/4.0/).
Share and Cite
Uleru, G.-I.; Hulea, M.; Barleanu, A. The Influence of the Number of Spiking Neurons on Synaptic Plasticity. Biomimetics 2023, 8, 28. https://doi.org/10.3390/biomimetics8010028
Uleru G-I, Hulea M, Barleanu A. The Influence of the Number of Spiking Neurons on Synaptic Plasticity. Biomimetics. 2023; 8(1):28. https://doi.org/10.3390/biomimetics8010028
Chicago/Turabian StyleUleru, George-Iulian, Mircea Hulea, and Alexandru Barleanu. 2023. "The Influence of the Number of Spiking Neurons on Synaptic Plasticity" Biomimetics 8, no. 1: 28. https://doi.org/10.3390/biomimetics8010028
APA StyleUleru, G.-I., Hulea, M., & Barleanu, A. (2023). The Influence of the Number of Spiking Neurons on Synaptic Plasticity. Biomimetics, 8(1), 28. https://doi.org/10.3390/biomimetics8010028

