A Comprehensive Review of Equalization Techniques for Reconfigured Second-Life Battery Systems
Abstract
1. Introduction
2. Battery Reconfiguration and Equalization Management
2.1. Battery Reconfiguration System
2.2. Equalization Management Technology
3. Battery Reconfiguration System with Passive Equalization
3.1. Topology Structure
3.2. Control Strategy
4. Battery Reconfiguration System with Active Equalization
4.1. Topology Structure
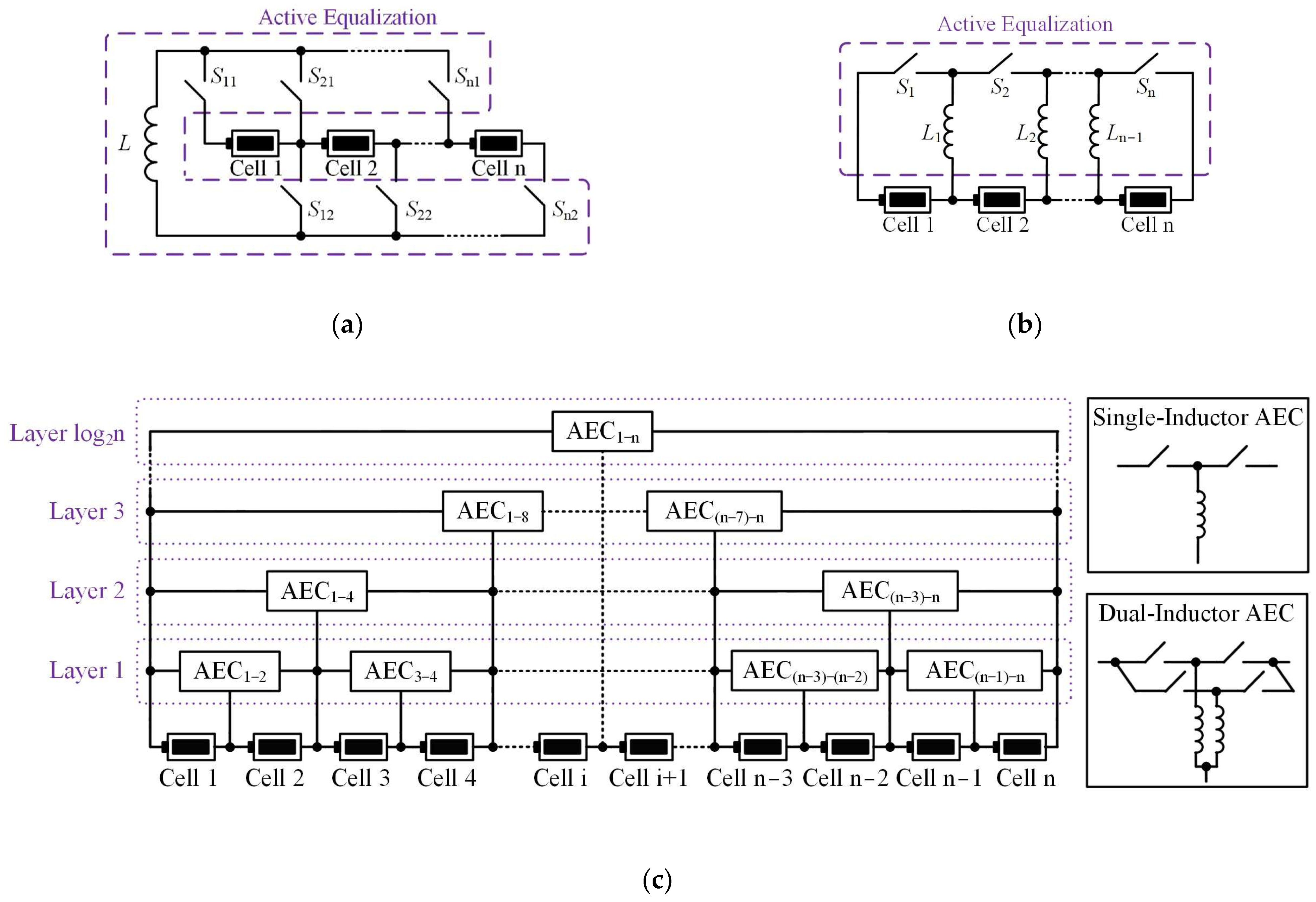
4.1.1. Inductor-Based Active Equalization System
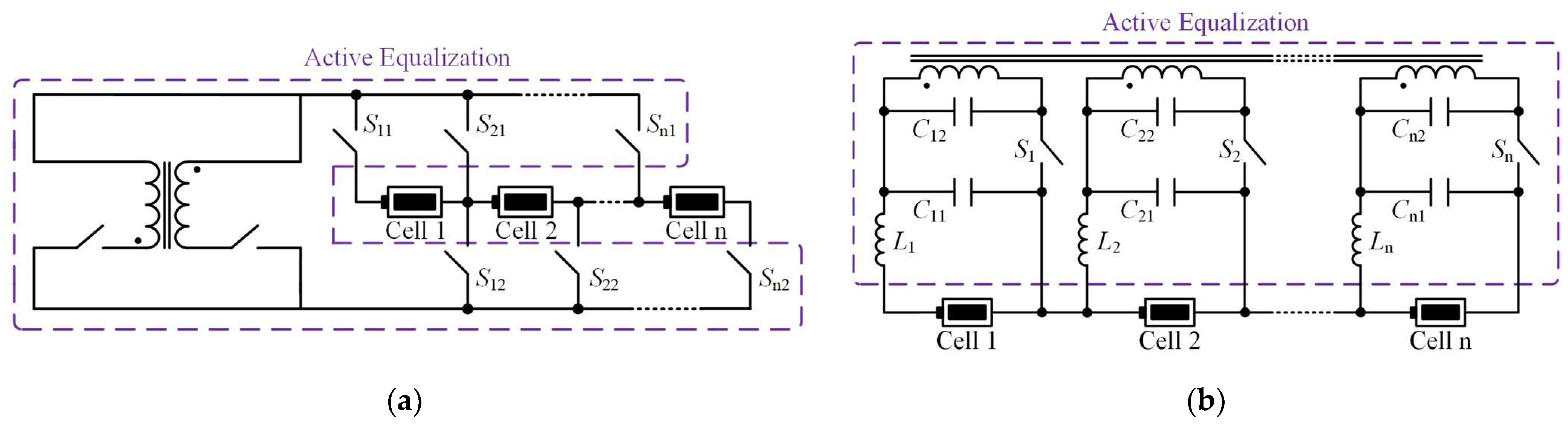
4.1.2. Capacitor-Based Active Equalization System
4.1.3. Transformer-Based Active Equalization System
4.1.4. Power Electronic Converter-Based Active Equalization System
4.2. Control Strategy
4.2.1. Control Variable
4.2.2. Control Algorithm
5. Battery Reconfiguration System with Dynamic Equalization
5.1. Topology Structure
5.1.1. Switch Array-Based Dynamic Equalization System
5.1.2. Multilevel Converter-Based Dynamic Equalization System
5.2. Control Strategy
5.2.1. Switch Array-Based Dynamic Equalization System
5.2.2. Multilevel Converter-Based Dynamic Equalization System
6. Technical Challenges and Future Directions
6.1. Comparison of Typical Equalization Approaches
6.2. Current Limitations and Technical Challenges
6.3. Emerging Trends in Second-Life Battery Equalization Technologies
7. Conclusions
Funding
Data Availability Statement
Conflicts of Interest
Abbreviations
| Li-ion | lithium-ion |
| EV | electric vehicles |
| ESS | energy storage system |
| DC | direct current |
| AC | alternating current |
| SOC | state-of-charge |
| SOH | state-of-health |
| BMS | battery management system |
| PEC | passive equalization circuits |
| AEC | active equalization circuits |
| SI | switched inductor |
| SC | switched capacitor |
| ZCS | zero-current switching |
| ZVS | zero-voltage switching |
| RBS | reconfigurable battery systems |
| ESU | energy storage unit |
| CHB | cascaded H-bridge |
| MMC | modular multilevel converter |
References
- Costa, C.M.; Barbosa, J.C.; Goncalves, R.; Castro, H.; Del Campo, F.J.; Lanceros-Mendez, S. Recycling and Environmental Issues of Lithium-Ion Batteries: Advances, Challenges and Opportunities. Energy Storage Mater. 2021, 37, 433–465. [Google Scholar] [CrossRef]
- Jin, S.; Mu, D.; Lu, Z.; Li, R.; Liu, Z.; Wang, Y.; Tian, S.; Dai, C. A Comprehensive Review on the Recycling of Spent Lithium-Ion Batteries: Urgent Status and Technology Advances. J. Clean. Prod. 2022, 340, 130535. [Google Scholar] [CrossRef]
- Zhao, G.; Li, B.; Hu, Y.; Dong, R.; Wang, F. Overview of the Echelon Utilization Technology and Engineering Application of Retired Power Batteries. Energy Storage Sci. Technol. 2023, 12, 2319–2332. [Google Scholar]
- Hossain, E.; Murtaugh, D.; Mody, J.; Faruque, H.M.R.; Sunny, M.S.H.; Mohammad, N. A Comprehensive Review on Second-Life Batteries: Current State, Manufacturing Considerations, Applications, Impacts, Barriers & Potential Solutions, Business Strategies, and Policies. IEEE Access 2019, 7, 73215–73252. [Google Scholar] [CrossRef]
- Li, J.; Li, Y.; Lyu, C.; Zhao, W.; Zhou, J. Key Technology and Research Status of Cascaded Utilization in Decommissioned Power Battery. Autom. Electr. Power Syst. 2020, 44, 172–183. [Google Scholar]
- Hoque, M.M.; Hannan, M.A.; Mohamed, A.; Ayob, A. Battery Charge Equalization Controller in Electric Vehicle Applications: A Review. Renew. Sustain. Energy Rev. 2017, 75, 1363–1385. [Google Scholar] [CrossRef]
- Carter, J.; Fan, Z.; Cao, J. Cell Equalisation Circuits: A Review. J. Power Sources 2020, 448, 227489. [Google Scholar] [CrossRef]
- Lai, X.; Qiao, D.; Zheng, Y.; Ouyang, M.; Han, X.; Zhou, L. A Rapid Screening and Regrouping Approach Based on Neural Networks for Large-Scale Retired Lithium-Ion Cells in Second-Use Applications. J. Clean. Prod. 2019, 213, 776–791. [Google Scholar] [CrossRef]
- Zhou, Z.; Duan, B.; Kang, Y.; Shang, Y.; Cui, N.; Chang, L.; Zhang, C. An Efficient Screening Method for Retired Lithium-Ion Batteries Based on Support Vector Machine. J. Clean. Prod. 2020, 267, 121882. [Google Scholar] [CrossRef]
- Zhou, Z.; Ran, A.; Chen, S.; Zhang, X.; Wei, G.; Li, B.; Kang, F.; Zhou, X.; Sun, H. A Fast Screening Framework for Second-Life Batteries Based on an Improved Bisecting K-Means Algorithm Combined with Fast Pulse Test. J. Energy Storage 2020, 31, 101739. [Google Scholar] [CrossRef]
- Han, W.; Zou, C.; Zhang, L.; Ouyang, Q.; Wik, T. Near-Fastest Battery Balancing by Cell/Module Reconfiguration. IEEE Trans. Smart Grid 2019, 10, 6954–6964. [Google Scholar] [CrossRef]
- Han, W.; Wik, T.; Kersten, A.; Dong, G.; Zou, C. Next-Generation Battery Management Systems: Dynamic Reconfiguration. IEEE Ind. Electron. Mag. 2020, 14, 20–31. [Google Scholar] [CrossRef]
- Wei, Z.; Cui, H.; Liu, X.; Li, Y.; Wang, R. Real-Time Reconfiguration-Based All-Cell Flexibility and Capacity Maximum Utilization of Second- Life Batteries. IEEE Trans. Transp. Electrif. 2025, 11, 1035–1047. [Google Scholar] [CrossRef]
- Lin, Q.; Wang, J.; Xiong, R.; Shen, W.; He, H. Towards a Smarter Battery Management System: A Critical Review on Optimal Charging Methods of Lithium Ion Batteries. Energy 2019, 183, 220–234. [Google Scholar] [CrossRef]
- Amin; Ismail, K.; Nugroho, A.; Kaleg, S. Passive Balancing Battery Management System Using MOSFET Internal Resistance as Balancing Resistor. In Proceedings of the 2017 International Conference on Sustainable Energy Engineering and Application (ICSEEA), Jakarta, Indonesia, 23–26 October 2017. [Google Scholar]
- Gallardo-Lozano, J.; Romero-Cadaval, E.; Isabel Milanes-Montero, M.; Guerrero-Martinez, M.A. Battery Equalization Active Methods. J. Power Sources 2014, 246, 934–949. [Google Scholar] [CrossRef]
- Kim, T.; Qiao, W.; Qu, L. Power Electronics-Enabled Self-X Multicell Batteries: A Design toward Smart Batteries. IEEE Trans. Power Electron. 2012, 27, 4723–4733. [Google Scholar]
- Omariba, Z.B.; Zhang, L.; Sun, D. Review of Battery Cell Balancing Methodologies for Optimizing Battery Pack Performance in Electric Vehicles. IEEE Access 2019, 7, 129335–129352. [Google Scholar] [CrossRef]
- Xu, J.; Mei, X.; Wang, J. A High Power Low-Cost Balancing System for Battery Strings. In Proceedings of the 10th International Conference on Applied Energy (ICAE), Hong Kong, 22–25 August 2018. [Google Scholar]
- Cai, M.; Zhang, E.; Lin, J.; Wang, K.; Jiang, K.; Zhou, M. Review on Balancing Topology of Lithium-Ion Battery Pack. Proc. Chin. Soc. Electr. Eng. 2021, 41, 5294–5311. [Google Scholar]
- Hua, Y.; Cordoba-Arenas, A.; Warner, N.; Rizzoni, G. A Multi Time-Scale State-of-Charge and State-of-Health Estimation Framework Using Nonlinear Predictive Filter for Lithium-Ion Battery Pack with Passive Balance Control. J. Power Sources 2015, 280, 293–312. [Google Scholar] [CrossRef]
- Paidi, R.; Gudey, S.K. Active and Passive Cell Balancing Techniques for Li-Ion Batteries Used in EVs. In Proceedings of the 3rd IEEE International Power and Renewable Energy Conference (IPRECON), Kollam, India, 16–18 December 2022. [Google Scholar]
- Ghaeminezhad, N.; Ouyang, Q.; Hu, X.; Xu, G.; Wang, Z. Active Cell Equalization Topologies Analysis for Battery Packs: A Systematic Review. IEEE Trans. Power Electron. 2021, 36, 9119–9135. [Google Scholar] [CrossRef]
- Izadi, Y.; Beiranvand, R. A Comprehensive Review of Battery and Super-Capacitor Cells Voltage-Equalizer Circuits. IEEE Trans. Power Electron. 2023, 38, 15671–15692. [Google Scholar] [CrossRef]
- Vardhan, R.K.; Selvathai, T.; Reginald, R.; Sivakumar, P.; Sundaresh, S. Modeling of Single Inductor Based Battery Balancing Circuit for Hybrid Electric Vehicles. In Proceedings of the 43rd Annual Conference of the IEEE-Industrial-Electronics-Society (IECON), Beijing, China, 29 October–1 November 2017. [Google Scholar]
- Zheng, X.; Liu, X.; He, Y.; Zeng, G. Active Vehicle Battery Equalization Scheme in the Condition of Constant-Voltage/Current Charging and Discharging. IEEE Trans. Veh. Technol. 2017, 66, 3714–3723. [Google Scholar]
- Phung, T.H.; Collet, A.; Crebier, J.-C. An Optimized Topology for Next-to-next Balancing of Series-Connected Lithium-Ion Cells. IEEE Trans. Power Electron. 2014, 29, 4603–4613. [Google Scholar] [CrossRef]
- Dong, B.; Li, Y.; Han, Y. Parallel Architecture for Battery Charge Equalization. IEEE Trans. Power Electron. 2015, 30, 4906–4913. [Google Scholar] [CrossRef]
- Dong, B.; Han, Y. A New Architecture for Battery Charge Equalization. In Proceedings of the 2011 IEEE Energy Conversion Congress and Exposition (ECCE), Phoenix, AZ, USA, 17–22 September 2011. [Google Scholar]
- Daowd, M.; Antoine, M.; Omar, N.; van den Bossche, P.; van Mierlo, J. Single Switched Capacitor Battery Balancing System Enhancements. Energies 2013, 6, 2149–2174. [Google Scholar] [CrossRef]
- Kim, M.-Y.; Kim, C.-H.; Kim, J.-H.; Moon, G.-W. A Chain Structure of Switched Capacitor for Improved Cell Balancing Speed of Lithium-Ion Batteries. IEEE Trans. Ind. Electron. 2014, 61, 3989–3999. [Google Scholar] [CrossRef]
- Ye, Y.; Cheng, K.W.E. Modeling and Analysis of Series-Parallel Switched-Capacitor Voltage Equalizer for Battery/Supercapacitor Strings. IEEE J. Emerg. Sel. Top. Power Electron. 2015, 3, 977–983. [Google Scholar] [CrossRef]
- Baughman, A.; Ferdowsi, M. Double-Tiered Capacitive Shuttling Method for Balancing Series-Connected Batteries. In Proceedings of the 2005 IEEE Vehicle Power and Propulsion Conference (VPPC), Chicago, IL, USA, 7–9 September 2005. [Google Scholar]
- Shang, Y.; Zhang, C.; Cui, N.; Mi, C.C. A Delta-Structured Switched-Capacitor Equalizer for Series-Connected Battery Strings. IEEE Trans. Power Electron. 2019, 34, 452–461. [Google Scholar]
- Shang, Y.; Xia, B.; Lu, F.; Zhang, C.; Cui, N.; Wang, C.; Mi, C. A Star-Structured Switched-Capacitor Equalizer for Series-Connected Battery Strings. In Proceedings of the 2017 Annual IEEE Energy Conversion Congress & Exposition (ECCE), Cincinnati, OH, USA, 1–5 October 2017. [Google Scholar]
- Shang, Y.; Zhang, Y. A Mesh-Structured Switched-Capacitor Equalizer for Lithium-Ion Battery Strings of Electric Vehicles. In Proceedings of the 2018 IEEE Transportation and Electrification Conference and Expo (ITEC), Long Beach, CA, USA, 13–15 June 2018. [Google Scholar]
- Shang, Y.; Zhang, Q.; Cui, N.; Duan, B.; Zhang, C. An Optimized Mesh-Structured Switched-Capacitor Equalizer for Lithium-Ion Battery Strings. IEEE Trans. Transp. Electrif. 2019, 5, 252–261. [Google Scholar] [CrossRef]
- Sahoo, A.K.; Sankaranarayanan, V. A Bridge-Structured Switched-Capacitor Voltage Equalizer for Li-Ion Battery Strings. In Proceedings of the 2024 International Conference on Power Electronics, Drives and Energy Systems (PEDES), Mangalore, India, 18–21 December 2024. [Google Scholar]
- Shang, Y.; Cui, N.; Duan, B.; Zhang, C. Analysis and Optimization of Star-Structured Switched-Capacitor Equalizers for Series-Connected Battery Strings. IEEE Trans. Power Electron. 2018, 33, 9631–9646. [Google Scholar] [CrossRef]
- Du, J.; Wang, Y.; Tripathi, A.; Lam, J.S.L. Li-Ion Battery Cell Equalization by Modules with Chain Structure Switched Capacitors. In Proceedings of the 2016 Asian Conference on Energy, Power and Transportation Electrification (ACEPT), Singapore, 25–27 October 2016. [Google Scholar]
- Luo, L.; Wang, J.; Zhou, Y.; Ci, S. Topology, Modeling, and Optimization of Switched-Capacitor Equalizer Based on Multiplexing Technology for Multiple Battery Strings. IEEE Trans. Power Electron. 2025, 40, 11452–11466. [Google Scholar] [CrossRef]
- Lee, K.-M.; Chung, Y.-C.; Sung, C.-H.; Kang, B. Active Cell Balancing of Li-Ion Batteries Using LC Series Resonant Circuit. IEEE Trans. Ind. Electron. 2015, 62, 5491–5501. [Google Scholar] [CrossRef]
- Liu, L.; Sun, W.; Han, P.; Mai, R.; He, Z.; Li, W. Design of Zero-Current Parallel-Switched-Capacitor Voltage Equalizer for Battery Strings. In Proceedings of the 34th Annual IEEE Applied Power Electronics Conference and Exposition (APEC), Anaheim, CA, USA, 17–21 March 2019. [Google Scholar]
- Liu, L.; Mai, R.; Xu, B.; Sun, W.; Zhou, W.; He, Z. Design of Parallel Resonant Switched-Capacitor Equalizer for Series-Connected Battery Strings. IEEE Trans. Power Electron. 2021, 36, 9160–9169. [Google Scholar] [CrossRef]
- Yu, Y.; Saasaa, R.; Khan, A.; Eberle, W. A Series Resonant Energy Storage Cell Voltage Balancing Circuit. IEEE J. Emerg. Sel. Top. Power Electron. 2020, 8, 3151–3161. [Google Scholar] [CrossRef]
- Yuanmao, Y.; Cheng, K.W.E.; Yeung, Y.P.B. Zero-Current Switching Switched-Capacitor Zero-Voltage-Gap Automatic Equalization System for Series Battery String. IEEE Trans. Power Electron. 2012, 27, 3234–3242. [Google Scholar] [CrossRef]
- Das, U.K.; Tey, K.S.; Idris, M.Y.I.; Mekhilef, S. A Star-Structured LC Resonant Switched Capacitor Equalizer for Lithium-Ion Battery Strings. In Proceedings of the 4th IEEE International Future Energy Electronics Conference (IFEEC), Singapore, 24–28 November 2019. [Google Scholar]
- Guo, X.; Liu, Z.; Hu, Z.; Ai, Y.; Geng, J. Research on Balancing Method for Series Battery Pack Based on LC-L Energy Storage. J. Power Supply 2022, 20, 78–85. [Google Scholar]
- La, P.-H.; Choi, S.-J. Direct Cell-to-Cell Equalizer for Series Battery String Using Switch-Matrix Single-Capacitor Equalizer and Optimal Pairing Algorithm. IEEE Trans. Power Electron. 2022, 37, 8625–8639. [Google Scholar] [CrossRef]
- Lee, K.-M.; Lee, S.-W.; Choi, Y.-G.; Kang, B. Active Balancing of Li-Ion Battery Cells Using Transformer as Energy Carrier. IEEE Trans. Ind. Electron. 2017, 64, 1251–1257. [Google Scholar] [CrossRef]
- Imtiaz, A.M.; Khan, F.H.; Kamath, H. A Low-Cost Time Shared Cell Balancing Technique for Future Lithium-Ion Battery Storage System Featuring Regenerative Energy Distribution. In Proceedings of the 26th Annual IEEE Applied Power Electronics Conference and Exposition (APEC), Fort Worth, TX, USA, 6–11 March 2011. [Google Scholar]
- Li, S.; Mi, C.C.; Zhang, M. A High-Efficiency Active Battery-Balancing Circuit Using Multiwinding Transformer. IEEE Trans. Ind. Appl. 2013, 49, 198–207. [Google Scholar] [CrossRef]
- Shang, Y.; Xia, B.; Zhang, C.; Cui, N.; Yang, J.; Mi, C.C. An Automatic Equalizer Based on Forward-Flyback Converter for Series-Connected Battery Strings. IEEE Trans. Ind. Electron. 2017, 64, 5380–5391. [Google Scholar] [CrossRef]
- Nie, J.; Fu, R.; Cai, C.; Ma, J.; Shu, Z.; Ma, L. A High Efficiency Battery Equalizing Circuit Based on Half Bridge Topology with Multiport Transformer. IEEE Trans. Ind. Electron. 2024, 71, 2522–2532. [Google Scholar] [CrossRef]
- Cai, C.; Nie, J.; Jiao, S.; Liu, S.; Wang, S.; Ma, L.; Shu, Z. An Active Isolated Battery Equalizer for 24-Cell Based on Soft-Switching Resonant Circuits. IEEE Trans. Ind. Electron. 2025; early access. [Google Scholar]
- Liu, L.; Xu, B.; Yan, Z.; Zhou, W.; Li, Y.; Mai, R.; He, Z. A Low-Cost Multiwinding Transformer Balancing Topology for Retired Series-Connected Battery String. IEEE Trans. Power Electron. 2021, 36, 4931–4936. [Google Scholar] [CrossRef]
- Chen, K.; Liu, L.; Zang, T.; Zhou, Y.; Yan, Z.; Xu, Y.; Xu, B.; Zhang, P.; Cai, C. Double-Layer Multiwinding Transformer-Based Modular-Integrated Equalizer for Extended Battery String. IEEE Trans. Power Electron. 2024, 39, 2767–2776. [Google Scholar] [CrossRef]
- Mai, R.; Xu, B.; Yan, Z.; Zhou, W.; Liu, L. A Compact-Size Multi-Winding Transformer-Based Discharge Equalizer for Electric Two-Wheelers and Three-Wheelers Vehicles Power Battery. IEEE Trans. Veh. Technol. 2022, 71, 4889–4897. [Google Scholar] [CrossRef]
- Liu, F.; Zou, R.; Liu, Y.; Wang, Y. A Modularized Voltage Equalizer Based on Phase-Shift Modulation for Series-Connected Battery Strings. IEEE Trans. Ind. Electron. 2023, 70, 12475–12485. [Google Scholar] [CrossRef]
- Liu, L.; Yan, Z.; Xu, B.; Zhang, P.; Cai, C.; Yang, H. A Highly Scalable Integrated Voltage Equalizer Based on Parallel-Transformers for High-Voltage Energy Storage Systems. IEEE Trans. Ind. Electron. 2024, 71, 595–603. [Google Scholar] [CrossRef]
- Moghaddam, A.F.; Van den Bossche, A. A Cuk Converter Cell Balancing Technique by Using Coupled Inductors for Lithium-Based Batteries. Energies 2019, 12, 2881. [Google Scholar] [CrossRef]
- Chauhan, A.; Valluru, S.K.; Ramana, V.V. ZCS Switched-Capacitor Cell Balancing Circuit with Bidirectional Buck-Boost Charging. In Proceedings of the 10th IEEE International Conference on Electronics, Computing and Communication Technologies (CONECCT), Bangalore, India, 12–14 July 2024. [Google Scholar]
- Dam, S.K.; John, V. A Modular Fast Cell-to-Cell Battery Voltage Equalizer. IEEE Trans. Power Electron. 2020, 35, 9443–9461. [Google Scholar] [CrossRef]
- Pham, V.-L.; Khan, A.B.; Nguyen, T.-T.; Choi, W. A Low Cost, Small Ripple, and Fast Balancing Circuit for Lithium-Ion Battery Strings. In Proceedings of the 2016 IEEE Transportation Electrification Conference and Expo, Asia-Pacific (ITEC Asia-pacific), Busan, Republic of Korea, 1–4 June 2016. [Google Scholar]
- Lu, X.; Qian, W.; Peng, F.Z. Modularized Buck-Boost plus Cuk Converter for High Voltage Series Connected Battery Cells. In Proceedings of the 27th Annual IEEE Applied Power Electronics Conference and Exposition (APEC), Orlando, FL, USA, 5–9 February 2012. [Google Scholar]
- Uno, M.; Tanaka, K. Double-Switch Single-Transformer Cell Voltage Equalizer Using a Half-Bridge Inverter and a Voltage Multiplier for Series-Connected Supercapacitors. IEEE Trans. Veh. Technol. 2012, 61, 3920–3930. [Google Scholar] [CrossRef]
- Uno, M.; Kukita, A. String-to-Battery Voltage Equalizer Based on a Half-Bridge Converter with Multistacked Current Doublers for Series-Connected Batteries. IEEE Trans. Power Electron. 2019, 34, 1286–1298. [Google Scholar] [CrossRef]
- Uno, M.; Kukita, A. Double-Switch Equalizer Using Parallel- or Series-Parallel-Resonant Inverter and Voltage Multiplier for Series-Connected Supercapacitors. IEEE Trans. Power Electron. 2014, 29, 812–828. [Google Scholar] [CrossRef]
- Uno, M.; Kukita, A. Single-Switch Single-Transformer Cell Voltage Equalizer Based on Forward-Flyback Resonant Inverter and Voltage Multiplier for Series-Connected Energy Storage Cells. IEEE Trans. Veh. Technol. 2014, 63, 4232–4247. [Google Scholar] [CrossRef]
- Wei, Z.; Chung, H.S.-H.; Zhang, R. Autonomous Battery Equalization Module Using Capacitively Coupled Input-Parallel Output-Series Structure. IEEE Trans. Power Electron. 2025, 40, 6162–6176. [Google Scholar] [CrossRef]
- Cai, R.; Ma, Y.; Dai, R.; Zhao, Z.; Wang, P.; Wang, P. An Any-Cell-to-Any-Cell Equalization Based on Half-Bridge CLLC Converters for Lithium-Ion Battery Strings. In Proceedings of the 14th Annual IEEE Energy Conversion Congress and Exposition (ECCE), Detroit, MI, USA, 9–14 October 2022. [Google Scholar]
- Liu, F.; Zou, R.; Liu, Y. An Any-Cell-to-Any-Cell Battery Equalizer Based on Half-Bridge LC Converter. IEEE Trans. Power Electron. 2023, 38, 4218–4223. [Google Scholar] [CrossRef]
- He, X.; Ling, R.; Li, D. A Novel ZCS Bidirectional CUK Equalizer for Energy Balance of Battery Cells Connected in Series. In Proceedings of the 13th IEEE Energy Conversion Congress and Exposition (ECCE), Vancouver, BC, Canada, 10–14 October 2021. [Google Scholar]
- Wei, Z.; Chung, H.; Zhang, R. Battery Equalization Architecture Using Capacitively-Coupled ZETA-Derived Topology. In Proceedings of the 2024 IEEE Energy Conversion Congress and Exposition (ECCE), Phoenix, AZ, USA, 20–24 October 2024. [Google Scholar]
- Liu, S.; Wang, Y.; Wang, S.; Zhao, W.; Shang, Y. A Compact Large-Current Equalizer Based on Flyback Conversion for Large-Scale Battery Packs. IEEE Trans. Power Electron. 2025, 40, 738–748. [Google Scholar] [CrossRef]
- Wei, Z.; Wang, H.; Lu, Y.; Ning, G.; Fu, M. Bidirectional Constant Current S2C Battery Equalizer Based on Fixed-Frequency L2C3 Resonant Converter. In Proceedings of the 37th Annual IEEE Applied Power Electronics Conference and Exposition (APEC), Houston, TX, USA, 20–24 March 2022. [Google Scholar]
- Lu, J.; Wang, Y.; Li, X. Isolated Bidirectional DC-DC Converter with Quasi-Resonant Zero-Voltage Switching for Battery Charge Equalization. IEEE Trans. Power Electron. 2019, 34, 4388–4406. [Google Scholar] [CrossRef]
- Qi, X.; Fang, M.; Wang, Y.; Wang, Y.; Chen, Z. An Equalization Current Ripple Cancellation (ECRC) Converter-Based Centralized Equalization System for Series-Connected Battery Strings. IEEE Trans. Transp. Electrif. 2023, 9, 2765–2777. [Google Scholar] [CrossRef]
- Sugumaran, G.; Amutha Prabha, N. A Comprehensive Review of Various Topologies and Control Techniques for DC-DC Converter-Based Lithium-Ion Battery Charge Equalization. Int. Trans. Electr. Energy Syst. 2023, 2023, 3648488. [Google Scholar] [CrossRef]
- Tavakoli, A.; Khajehoddin, S.A.; Salmon, J. Control and Analysis of a Modular Bridge for Battery Cell Voltage Balancing. IEEE Trans. Power Electron. 2018, 33, 9722–9733. [Google Scholar] [CrossRef]
- Feng, F.; Hu, X.; Liu, J.; Lin, X.; Liu, B. A Review of Equalization Strategies for Series Battery Packs: Variables, Objectives, and Algorithms. Renew. Sustain. Energy Rev. 2019, 116, 109464. [Google Scholar] [CrossRef]
- Wadi, A.; Abdel-Hafez, M.; Hussein, A.; Alkhawaja, F. Alleviating Dynamic Model Uncertainty Effects for Improved Battery SOC Estimation of EVs in Highly Dynamic Environments. IEEE Trans. Veh. Technol. 2021, 70, 6554–6566. [Google Scholar] [CrossRef]
- Samanta, A.; Chowdhuri, S. Active Cell Balancing of Lithium-Ion Battery Pack Using Dual DC-DC Converter and Auxiliary Lead-Acid Battery. J. Energy Storage 2021, 33, 102109. [Google Scholar] [CrossRef]
- Einhorn, M.; Roessler, W.; Fleig, J. Improved Performance of Serially Connected Li-Ion Batteries with Active Cell Balancing in Electric Vehicles. IEEE Trans. Veh. Technol. 2011, 60, 2448–2457. [Google Scholar] [CrossRef]
- Zhang, C.; Jiang, Y.; Jiang, J.; Cheng, G.; Diao, W.; Zhang, W. Study on Battery Pack Consistency Evolutions and Equilibrium Diagnosis for Serial- Connected Lithium-Ion Batteries. Appl. Energy 2017, 207, 510–519. [Google Scholar] [CrossRef]
- Peng, F.; Lu, Y.; Zhou, M.; Wang, H. Hierarchical Modular Battery Equalizer with Open-loop Control and Mitigated Recovery Effect. CPSS Trans. Power Electron. Appl. 2021, 6, 310–319. [Google Scholar] [CrossRef]
- La, P.-H.; Lee, H.-H.; Choi, S.-J. A Single-Capacitor Equalizer Using Optimal Pairing Algorithm for Series-Connected Battery Cells. In Proceedings of the 11th Annual IEEE Energy Conversion Congress and Exposition (ECCE), Baltimore, MD, USA, 29 September–3 October 2019. [Google Scholar]
- Lee, Y.; Cheng, M. Intelligent Control Battery Equalization for Series Connected Lithium-Ion Battery Strings. IEEE Trans. Ind. Electron. 2005, 52, 1297–1307. [Google Scholar] [CrossRef]
- Shang, Y.; Xia, B.; Yang, J.; Zhang, C.; Cui, N.; Mi, C. A Delta-Structured Switched-Capacitor Equalizer for Series-Connected Battery Strings. In Proceedings of the 9th Annual IEEE Energy Conversion Congress & Exposition (ECCE), Cincinnati, OH, USA, 1–5 October 2017. [Google Scholar]
- Zhang, Z.; Cai, Y.-Y.; Zhang, Y.; Gu, D.-J.; Liu, Y.-F. A Distributed Architecture Based on Microbank Modules with Self-Reconfiguration Control to Improve the Energy Efficiency in the Battery Energy Storage System. IEEE Trans. Power Electron. 2016, 31, 304–317. [Google Scholar] [CrossRef]
- Altaf, F.; Egardt, B.; Mardh, L.J. Load Management of Modular Battery Using Model Predictive Control: Thermal and State-of-Charge Balancing. IEEE Trans. Control Syst. Technol. 2017, 25, 47–62. [Google Scholar] [CrossRef]
- Alahmad, M.; Hess, H.; Mojarradi, M.; West, W.; Whitacre, J. Battery Switch Array System with Application for JPL’s Rechargeable Micro-Scale Batteries. J. Power Sources 2008, 177, 566–578. [Google Scholar] [CrossRef]
- Komsiyska, L.; Buchberger, T.; Diehl, S.; Ehrensberger, M.; Hanzl, C.; Hartmann, C.; Holzle, M.; Kleiner, J.; Lewerenz, M.; Liebhart, B.; et al. Critical Review of Intelligent Battery Systems: Challenges, Implementation, and Potential for Electric Vehicles. Energies 2021, 14, 5989. [Google Scholar] [CrossRef]
- Zhang, C.; Shi, M.; Xu, C.; Huang, Z.; Ci, S. Intrinsic Safety Mechanism and Case Analysis of Energy Storage Systems Based on Dynamically Reconfigurable Battery Network. Energy Storage Sci. Technol. 2022, 11, 2442–2451. [Google Scholar]
- Ci, S.; Zhang, C.; Liu, B.; Zhou, Y. Dynamic Reconfigurable Battery Energy Storage Technology: Principle and Application. Energy Storage Sci. Technol. 2023, 12, 3445–3455. [Google Scholar]
- Kim, T.; Qiao, W.; Qu, L. Series-Connected Reconfigurable Multicell Battery: A Novel Design towards Smart Batteries. In Proceedings of the IEEE Energy Conversion Congress and Exposition (ECCE), Atlanta, GA, USA, 12–16 September 2010. [Google Scholar]
- Engelhardt, J.; Zepter, J.M.; Marinelli, M.; Piegari, L. Efficiency Characteristic and Operating Area of High-Power Reconfigurable Batteries. IEEE Trans. Ind. Appl. 2024, 60, 3676–3684. [Google Scholar] [CrossRef]
- Kim, Y.; Park, S.; Wang, Y.; Xie, Q.; Chang, N.; Poncino, M.; Pedram, M. Balanced Reconfiguration of Storage Banks in a Hybrid Electrical Energy Storage System. In Proceedings of the 2011 IEEE/ACM International Conference on Computer-Aided Design (ICCAD), San Jose, CA, USA, 7–10 November 2011. [Google Scholar]
- Kim, H.; Shin, K.G. DESA: Dependable, Efficient, Scalable Architecture for Management of Large-Scale Batteries. IEEE Trans. Ind. Inform. 2012, 8, 406–417. [Google Scholar] [CrossRef]
- Visairo, H.; Kumar, P. A Reconfigurable Battery Pack for Improving Power Conversion Efficiency in Portable Devices. In Proceedings of the 7th International Caribbean Conference on Devices, Circuits and Systems, Cancun, Mexico, 28–30 April 2008. [Google Scholar]
- Ci, S.; Zhang, J.; Sharif, H.; Alahmad, M. A Novel Design of Adaptive Reconfigurable Multicell Battery for Power-Aware Embedded Networked Sensing Systems. In Proceedings of the IEEE Global Telecommunications Conference (GLOBECOM), Washington, DC, USA, 26–30 November 2007. [Google Scholar]
- Huang, H.; Ghias, A.M.; Acuna, P.; Dong, Z.; Zhao, J.; Reza, M.S. A Fast Battery Balance Method for A Modular-Reconfigurable Battery Energy Storage System. Appl. Energy 2024, 356, 122470. [Google Scholar] [CrossRef]
- Ooi, C.A.; Rogers, D.; Jenkins, N. Balancing Control for Grid-Scale Battery Energy Storage System. Proc. Inst. Civ. Eng. Energy 2015, 168, 145–157. [Google Scholar] [CrossRef]
- Quraan, M.; Tricoli, P.; D’Arco, S.; Piegari, L. Efficiency Assessment of Modular Multilevel Converters for Battery Electric Vehicles. IEEE Trans. Power Electron. 2017, 32, 2041–2051. [Google Scholar] [CrossRef]
- Li, Z.; Yang, A.; Chen, G.; Tashakor, N.; Zeng, Z.; Peterchev, A.V.; Goetz, S.M. A Rapidly Reconfigurable DC Battery for Increasing Flexibility and Efficiency of Electric Vehicle Drive Trains. IEEE Trans. Transp. Electrif. 2024, 10, 2322–2331. [Google Scholar] [CrossRef]
- Ci, S.; Zhang, J.; Sharif, H.; Alahmad, M. Dynamic Reconfigurable Multi-Cell Battery: A Novel Approach to Improve Battery Performance. In Proceedings of the 27th Annual IEEE Applied Power Electronics Conference and Exposition (APEC), Orlando, FL, USA, 5–9 February 2012. [Google Scholar]
- Chatzinikolaou, E.; Rogers, D.J. Hierarchical Distributed Balancing Control for Large-Scale Reconfigurable AC Battery Packs. IEEE Trans. Power Electron. 2018, 33, 5592–5602. [Google Scholar] [CrossRef]
- Chatzinikolaou, E.; Rogers, D.J. Cell SoC Balancing Using a Cascaded Full-Bridge Multilevel Converter in Battery Energy Storage Systems. IEEE Trans. Ind. Electron. 2016, 63, 5394–5402. [Google Scholar] [CrossRef]
- Chen, T.; Zeng, G.; Jing, L.; Wang, S.; Zhang, W. Current Ripple Mitigation Strategy of Modular Multilevel DCDC Converter for Battery Energy Storage System. IEEE Trans. Ind. Electron. 2023, 70, 11555–11565. [Google Scholar] [CrossRef]













| Category | Passive Equalization | Active Equalization | Dynamic Equalization |
|---|---|---|---|
| Energy Regulation | Excess energy dissipated as heat | Energy transferred from high-charge to low-charge cells | Cell charge/discharge controlled via topology switching |
| Energy Efficiency | Low | Medium to high | High |
| Circuit Complexity | Low | Medium (requires inductors, capacitors, or DC-DC circuits) | High (requires switch matrix and state monitoring) |
| Control Complexity | Low | Medium (real-time voltage/SOC feedback and modulation) | High (state estimation and topology reconfiguration needed) |
| Suitable Scenarios | Low-cost, small systems with minimal efficiency demand | EVs, portable ESS, medium-scale systems | Large ESS, reconfigured systems with high inconsistency |
| Key Challenges | High energy loss, thermal management burden | Costly, accuracy depends on state estimation | High complexity in communication, computation, and coordination |
| Topology | Core Components | Reported Operating Range | Efficiency | Balancing Speed | References |
|---|---|---|---|---|---|
| Switched Shunt PEC | One resistor and one switch per cell | Low voltage (e.g., 3–12 cells in series) | Extremely low, with all the energy dissipated as heat | Slow | [20,22] |
| SI-based AEC | One inductor and 2N switches for N cells, or at least one inductor and one switch per cell | Medium to high voltage (e.g., 8–100 cells in series) | About 90–95%, depending on control and design | Medium to fast | [26,27] |
| SC-based AEC | One capacitor and 2N switches for N cells, or at least one capacitor and two switches per cell | Low to medium voltage (e.g., 4–32 cells in series) | About 90%, limited by capacitor losses | Medium to fast | [34,35,36] |
| Transformer-based AEC | One transformer and at least N switches for N cells | High voltage (up to 800 V for large strings) | Typical more than 95%, with transformer integration | Medium to fast | [52,54,56] |
| Converter-based AEC | Oner convertor or N convertors with multiple switches for N cells | Wide voltage range | Up to 95%, for optimized converter designs | Fast | [67,77,78] |
| RBS (Dynamic Equalization Circuit) | At least one switch per cell, or a multilevel converter for N cells | Flexible with dynamic reconfiguration | Varies with reconfiguration strategy (typically more than 90%) | Medium to fast | [105,108,109] |
Disclaimer/Publisher’s Note: The statements, opinions and data contained in all publications are solely those of the individual author(s) and contributor(s) and not of MDPI and/or the editor(s). MDPI and/or the editor(s) disclaim responsibility for any injury to people or property resulting from any ideas, methods, instructions or products referred to in the content. |
© 2025 by the authors. Licensee MDPI, Basel, Switzerland. This article is an open access article distributed under the terms and conditions of the Creative Commons Attribution (CC BY) license (https://creativecommons.org/licenses/by/4.0/).
Share and Cite
Qi, J.; Xu, Y.; Chen, S.; Shen, J.; Yang, R.; Xu, H. A Comprehensive Review of Equalization Techniques for Reconfigured Second-Life Battery Systems. Batteries 2025, 11, 327. https://doi.org/10.3390/batteries11090327
Qi J, Xu Y, Chen S, Shen J, Yang R, Xu H. A Comprehensive Review of Equalization Techniques for Reconfigured Second-Life Battery Systems. Batteries. 2025; 11(9):327. https://doi.org/10.3390/batteries11090327
Chicago/Turabian StyleQi, Jiajin, Yuefei Xu, Shizhe Chen, Jinggui Shen, Ranchen Yang, and Huajun Xu. 2025. "A Comprehensive Review of Equalization Techniques for Reconfigured Second-Life Battery Systems" Batteries 11, no. 9: 327. https://doi.org/10.3390/batteries11090327
APA StyleQi, J., Xu, Y., Chen, S., Shen, J., Yang, R., & Xu, H. (2025). A Comprehensive Review of Equalization Techniques for Reconfigured Second-Life Battery Systems. Batteries, 11(9), 327. https://doi.org/10.3390/batteries11090327

