Inductor-Based Active Balancing Topology with Wide Voltage Range Capability
Abstract
1. Introduction
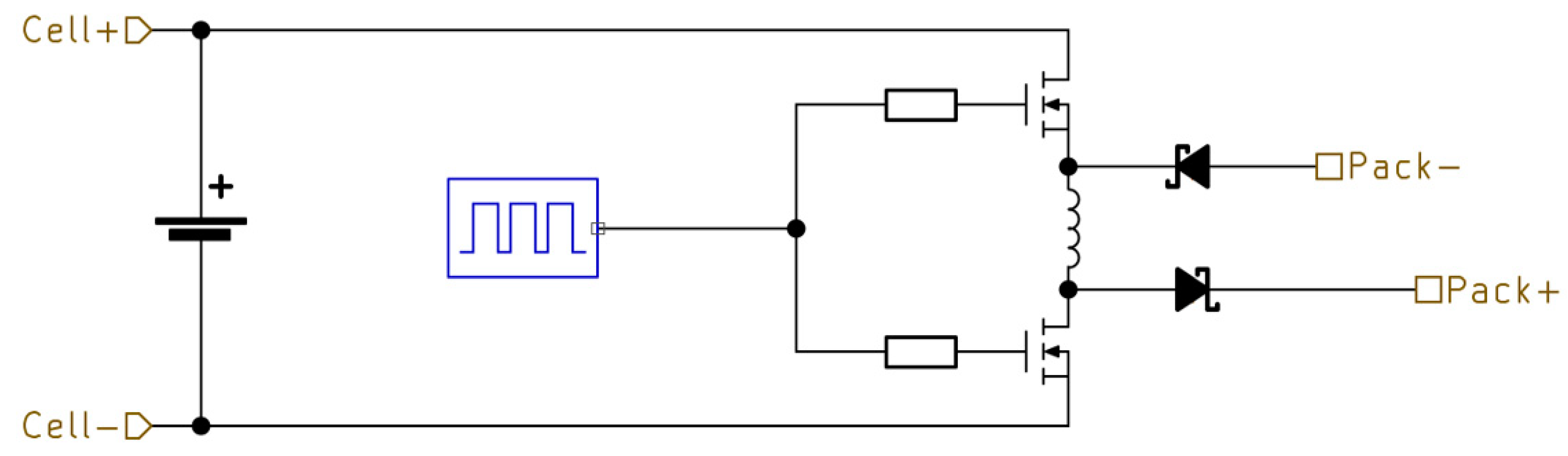
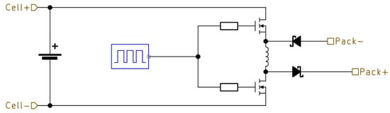
2. Proposed Balancing Topology Description
3. Control Signal Generation and Efficiency Analysis
PWM Signal Generation
4. Experimental Setup and Test Results
4.1. Components Selection Guide and Application Note
4.1.1. MOSFET Selection
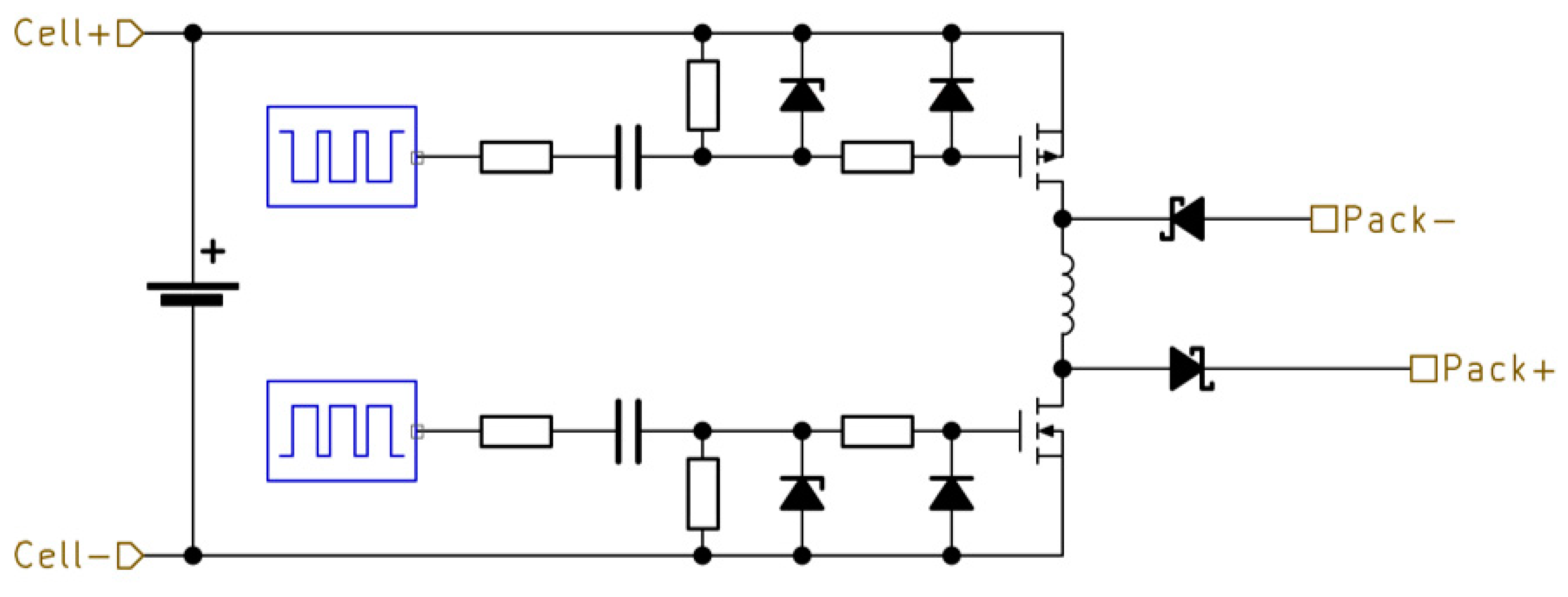
4.1.2. Driver IC Selection
4.1.3. Inductor Selection
4.1.4. Diode Selection
4.2. Experiment Setup
4.3. Balancing Circuit Verification
4.4. Control Algorithm
4.5. Experimental Results
5. Conclusions
Author Contributions
Funding
Data Availability Statement
Conflicts of Interest
References
- Ye, Y.; Lin, J.; Li, Z.; Wang, X. Double-Tiered Cell Balancing System with Switched-Capacitor and Switched-Inductor. IEEE Access 2019, 7, 183356–183364. [Google Scholar] [CrossRef]
- Global EV Outlook 2023—Analysis. Available online: https://www.iea.org/reports/global-ev-outlook-2023 (accessed on 9 January 2025).
- Wang, H.; Rasheed, M.; Hassan, R.; Kamel, M.; Tong, S.; Zane, R. Life-Extended Active Battery Control for Energy Storage Using Electric Vehicle Retired Batteries. IEEE Trans. Power Electron. 2023, 38, 6801–6805. [Google Scholar] [CrossRef]
- Zhu, J.; Mathews, I.; Ren, D.; Li, W.; Cogswell, D.; Xing, B.; Sedlatschek, T.; Kantareddy, S.N.R.; Yi, M.; Gao, T.; et al. End-of-Life or Second-Life Options for Retired Electric Vehicle Batteries. Cell Rep. Phys. Sci. 2021, 2, 100537. [Google Scholar] [CrossRef]
- Wang, H.; Bai, H.; Fu, Y.; Tao, Z.; Xiao, H.; Si, N.; Bai, H.; Deng, S. The Capacity Effect on Consistency of Energy Storage Batteries. In Proceedings of the 2018 International Conference on Electronics Technology (ICET), Chengdu, China, 23–27 May 2018; pp. 1–5. [Google Scholar]
- Omariba, Z.B.; Zhang, L.; Sun, D. Review of Battery Cell Balancing Methodologies for Optimizing Battery Pack Performance in Electric Vehicles. IEEE Access 2019, 7, 129335–129352. [Google Scholar] [CrossRef]
- Izadi, Y.; Beiranvand, R. A Comprehensive Review of Battery and Supercapacitor Cells Voltage-Equalizer Circuits. IEEE Trans. Power Electron. 2023, 38, 15671–15692. [Google Scholar] [CrossRef]
- Ye, Y.; Cheng, K.W.E.; Fong, Y.C.; Xue, X.; Lin, J. Topology, Modeling, and Design of Switched-Capacitor-Based Cell Balancing Systems and Their Balancing Exploration. IEEE Trans. Power Electron. 2017, 32, 4444–4454. [Google Scholar] [CrossRef]
- Shang, Y.; Lu, F.; Xia, B.; Zhang, C.; Cui, N.; Mi, C. A Switched-Coupling-Capacitor Equalizer for Series-Connected Battery Strings. In Proceedings of the 2017 IEEE Applied Power Electronics Conference and Exposition (APEC), Tampa, FL, USA, 26–30 March 2017; pp. 1425–1429. [Google Scholar]
- Ye, Y.; Cheng, K.W.E. Modeling and Analysis of Series–Parallel Switched-Capacitor Voltage Equalizer for Battery/Supercapacitor Strings. IEEE J. Emerg. Sel. Top. Power Electron. 2015, 3, 977–983. [Google Scholar] [CrossRef]
- Lu, J.; Wang, Y.; Li, X. Isolated Bidirectional DC–DC Converter with Quasi-Resonant Zero-Voltage Switching for Battery Charge Equalization. IEEE Trans. Power Electron. 2019, 34, 4388–4406. [Google Scholar] [CrossRef]
- Conway, T. An Isolated Active Balancing and Monitoring System for Lithium Ion Battery Stacks Utilizing a Single Transformer Per Cell. IEEE Trans. Power Electron. 2021, 36, 3727–3734. [Google Scholar] [CrossRef]
- Li, S.; Mi, C.C.; Zhang, M. A High-Efficiency Active Battery-Balancing Circuit Using Multiwinding Transformer. IEEE Trans. Ind. Appl. 2013, 49, 198–207. [Google Scholar] [CrossRef]
- Lee, K.-M.; Lee, S.-W.; Choi, Y.-G.; Kang, B. Active Balancing of Li-Ion Battery Cells Using Transformer as Energy Carrier. IEEE Trans. Ind. Electron. 2017, 64, 1251–1257. [Google Scholar] [CrossRef]
- Zilio, A.; Fogagnolo, D.; Gallo, E.; Biadene, D.; Mattavelli, P. A Multiport Converter for Flexible Active Balancing in Li-Ion Batteries. IEEE Trans. Ind. Electron. 2024, 71, 7085–7094. [Google Scholar] [CrossRef]
- Al-Smadi, M.K.; Abu Qahouq, J.A. Evaluation of Current-Mode Controller for Active Battery Cells Balancing with Peak Efficiency Operation. IEEE Trans. Power Electron. 2023, 38, 1610–1621. [Google Scholar] [CrossRef]
- Xu, G.; Chen, E.; Liu, F.; Liu, Y.; Xiong, W.; Su, M. Multicell-to-Multicell Equalizer with Hybrid Pulsewidth Modulation and Phase-Shift Modulation. IEEE Trans. Power Electron. 2024, 39, 4400–4411. [Google Scholar] [CrossRef]
- Kutkut, N.H. A Modular Nondissipative Current Diverter for EV Battery Charge Equalization. In Proceedings of the APEC ’98 Thirteenth Annual Applied Power Electronics Conference and Exposition, Anaheim, CA, USA, 15–19 February 1998; Volume 2, pp. 686–690. [Google Scholar]
- Park, S.-H.; Kim, T.-S.; Park, J.-S.; Moon, G.-W.; Yoon, M.-J. A New Buck-Boost Type Battery Equalizer. In Proceedings of the 2009 Twenty-Fourth Annual IEEE Applied Power Electronics Conference and Exposition, Washington, DC, USA, 15–19 February 2009; pp. 1246–1250. [Google Scholar]
- Ding, X.; Zhang, D.; Cheng, J.; Wang, B.; Chai, Y.; Zhao, Z.; Xiong, R.; Luk, P.C.K. A Novel Active Equalization Topology for Series-Connected Lithium-Ion Battery Packs. IEEE Trans. Ind. Appl. 2020, 56, 6892–6903. [Google Scholar] [CrossRef]
- Wang, S.; Yang, S.; Yang, W.; Wang, Y. A New Kind of Balancing Circuit with Multiple Equalization Modes for Serially Connected Battery Pack. IEEE Trans. Ind. Electron. 2021, 68, 2142–2150. [Google Scholar] [CrossRef]
- Phung, T.H.; Collet, A.; Crebier, J.-C. An Optimized Topology for Next-to-Next Balancing of Series-Connected Lithium-Ion Cells. IEEE Trans. Power Electron. 2014, 29, 4603–4613. [Google Scholar] [CrossRef]
- Liu, F.; Zou, R.; Liu, Y. An Any-Cell-to-Any-Cell Battery Equalizer Based on Half-Bridge LC Converter. IEEE Trans. Power Electron. 2023, 38, 4218–4223. [Google Scholar] [CrossRef]
- He, Y.; Liu, X.; Liu, X.; Zheng, X.; Su, L. Research on the High Speed Inductor-Based Active Battery Equalization Schemes. In Proceedings of the 2016 IEEE 8th International Power Electronics and Motion Control Conference (IPEMC-ECCE Asia), Hefei, China, 22–26 May 2016; pp. 1389–1393. [Google Scholar]












| References: [11,12,13,14,15,16,17,19] #, [21,23] * | References: [1,8,9,10,18,20,22] ** | References: [24] *** | Proposed | |
|---|---|---|---|---|
| Maintaining a consistent balancing speed regardless of imbalance levels | ✔ | ✔ | ✔ | |
| Eliminating isolated power modules and gate drivers | ✔ | ✔ | ||
| Avoiding complex control systems or specific controller ICs | ✔ | ✔ | ✔ |
| Symbol | Unit | Description |
|---|---|---|
| Interval when signal pulse is set to high | ||
| Interval when inductor is discharging | ||
| Deadtime | ||
| Resistance of P-channel MOSFET fully on | ||
| Resistance of N-channel MOSFET fully on | ||
| Inductor resistance | ||
| Inductor inductance | ||
| - | Number of cells | |
| Cell voltage | ||
| Pack voltage | ||
| Diode forward voltage drop | ||
| Inductor current | ||
| Inductor peak current | ||
| Average cell current during balancing | ||
| Average diode current during balancing | ||
| Energy stored in inductor | ||
| Energy loss due to series resistance | ||
| Energy loss due to diode forward voltage |
| Condition | Typical | |
|---|---|---|
| <16.5 mΩ | ||
| <9.5 mΩ | ||
| - | ||
| - |
| Component | Value | Number | 1st Consideration | 2nd Consideration | |
|---|---|---|---|---|---|
| Cells | Li-ion | INR18650-25R | 5 | N/A | N/A |
| Analog front-end | Multiplexer | MUX507 | 1 | N/A | N/A |
| Op-amp | INA826 | 1 | N/A | N/A | |
| Controller | Microcontroller | STM32G0 series | 1 | ADC resolution | Cost |
| Driving circuit | Dual-output Driver | UCC21525 | 1 * | Cost | N/A |
| Capacitor (boot) | 2 * | Cost | Voltage rating | ||
| Resistor (gate) | 2 * or 4 ** | Cost | Gate current | ||
| Resistor (gate-source) | 2 * | Cost | N/A | ||
| Diode | 1N4148 | 2 * | Cost | Recovery time | |
| Zener Diode (Optional) | 15 V | 2 * | Cost | Voltage rating | |
| Balancing circuit | Power Inductor | 10 uH | 1 * | Current rating | Switching time |
| MOSFET Pair | AO4614B | 1 * | Voltage rating | Current rating | |
| Schottky Diode | PMEG4030ER | 2 * | Voltage rating | Current rating |
Disclaimer/Publisher’s Note: The statements, opinions and data contained in all publications are solely those of the individual author(s) and contributor(s) and not of MDPI and/or the editor(s). MDPI and/or the editor(s) disclaim responsibility for any injury to people or property resulting from any ideas, methods, instructions or products referred to in the content. |
© 2025 by the authors. Licensee MDPI, Basel, Switzerland. This article is an open access article distributed under the terms and conditions of the Creative Commons Attribution (CC BY) license (https://creativecommons.org/licenses/by/4.0/).
Share and Cite
Song, H.; Hredzak, B.; Fletcher, J. Inductor-Based Active Balancing Topology with Wide Voltage Range Capability. Batteries 2025, 11, 77. https://doi.org/10.3390/batteries11020077
Song H, Hredzak B, Fletcher J. Inductor-Based Active Balancing Topology with Wide Voltage Range Capability. Batteries. 2025; 11(2):77. https://doi.org/10.3390/batteries11020077
Chicago/Turabian StyleSong, Hourong, Branislav Hredzak, and John Fletcher. 2025. "Inductor-Based Active Balancing Topology with Wide Voltage Range Capability" Batteries 11, no. 2: 77. https://doi.org/10.3390/batteries11020077
APA StyleSong, H., Hredzak, B., & Fletcher, J. (2025). Inductor-Based Active Balancing Topology with Wide Voltage Range Capability. Batteries, 11(2), 77. https://doi.org/10.3390/batteries11020077

