Evaluating a Nickel–Metal Hydride (NiMH) Battery Regeneration Patent Based on a Non-Intrusive and Unsupervised Prototype
Abstract
1. Introduction
2. Materials and Methods
2.1. General Description
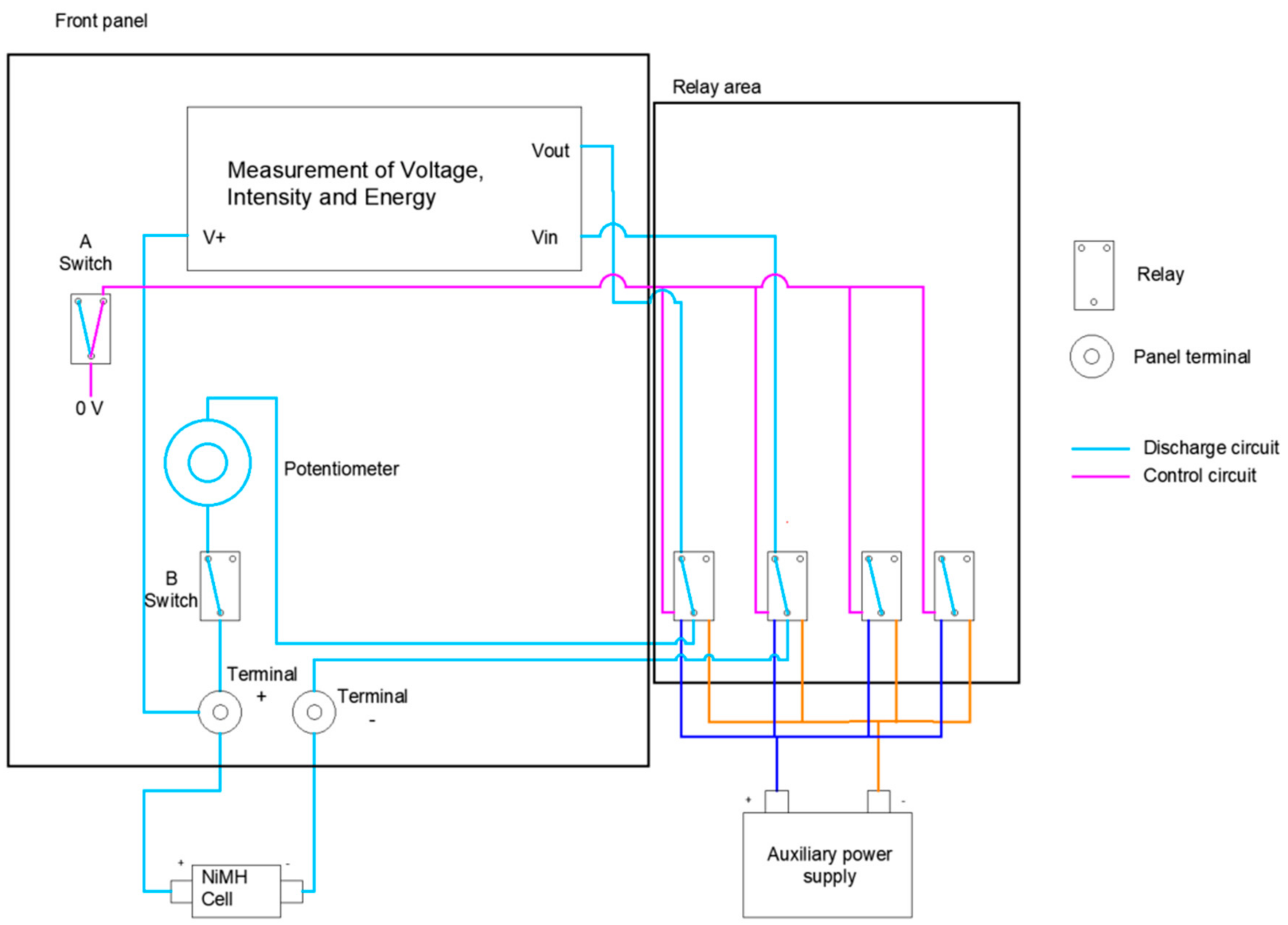
2.2. Prototype Description and Implementation
3. Case Study
4. Results
5. Discussion
6. Conclusions
Author Contributions
Funding
Data Availability Statement
Conflicts of Interest
References
- Kumar, R.R.; Alok, K. Adoption of electric vehicle: A literature review and prospects for sustainability. J. Clean. Prod. 2020, 253, 119911. [Google Scholar] [CrossRef]
- Mounce, R.; Nelson, J.D. On the potential for one-way electric vehicle car-sharing in future mobility systems. Transp. Res. Part. A Policy Pract. 2019, 120, 17–30. [Google Scholar] [CrossRef]
- Chian, T.Y.; Wei, W.L.J.; Ze, E.L.M.; Ren, L.Z.; Ping, Y.E.; Abu Bakar, N.Z.; Faizal, M.; Sivakumar, S. A Review on Recent Progress of Batteries for Electric Vehicles. Int. J. Appl. Eng. Res. 2019, 14, 4441–4461. [Google Scholar]
- Nurdiawati, A.; Agrawal, T.K. Creating a circular EV battery value chain: End-of-life strategies and future perspective. Resour. Conserv. Recycl. 2022, 185, 106484. [Google Scholar] [CrossRef]
- Mauler, L.; Duffner, F.; Zeier, W.G.; Leker, J. Battery cost forecasting: A review of methods and results with an outlook to 2050. Energy Environ. Sci. 2021, 14, 4712–4739. [Google Scholar] [CrossRef]
- Turcheniuk, K.; Bondarev, D.; Amatucci, G.G.; Yushin, G. Battery materials for low-cost electric transportation. Mater. Today 2021, 42, 57–72. [Google Scholar] [CrossRef]
- Preeti, M.; Sayali, A. Scientometric Analysis of Research on End-oflife Electronic Waste and Electric Vehicle Battery Waste. J. Scientometr. Res. 2021, 10, 37–46. [Google Scholar] [CrossRef]
- Yang, J.; Gu, F.; Guo, J. Environmental feasibility of secondary use of electric vehicle lithium-ion batteries in communication base stations. Resour. Conserv. Recycl. 2020, 156, 104713. [Google Scholar] [CrossRef]
- Moore, E.A.; Russell, J.D.; Babbitt, C.W.; Tomaszewski, B.; Clark, S.S. Spatial modeling of a second-use strategy for electric vehicle batteries to improve disaster resilience and circular economy. Resour. Conserv. Recycl. 2020, 160, 104889. [Google Scholar] [CrossRef]
- Ahmadi, L.; Yip, A.; Fowler, M.; Young, S.B.; Fraser, R.A. Environmental feasibility of re-use of electric vehicle batteries. Sustain. Energy Technol. Assess. 2014, 6, 64–74. [Google Scholar] [CrossRef]
- Ahmadi, L.; Young, S.B.; Fowler, M.; Fraser, R.A.; Achachlouei, M.A. A cascaded life cycle: Reuse of electric vehicle lithium-ion battery packs in energy storage systems. Int. J. Life Cycle Assess. 2017, 22, 111–124. [Google Scholar] [CrossRef]
- Rosenberg, S.; Kurz, L.; Huster, S.; Wehrstein, S.; Kiemel, S.; Schultmann, F.; Reichert, F.; Wörner, R.; Glöser-Chahoud, S. Combining dynamic material flow analysis and life cycle assessment to evaluate environmental benefits of recycling—A case study for direct and hydrometallurgical closed-loop recycling of electric vehicle battery systems. Resour. Conserv. Recycl. 2023, 198, 107145. [Google Scholar] [CrossRef]
- Hao, H.; Qiao, Q.; Liu, Z.; Zhao, F. Impact of recycling on energy consumption and greenhouse gas emissions from electric vehicle production: The China 2025 case. Resour. Conserv. Recycl. 2017, 122, 114–125. [Google Scholar] [CrossRef]
- Hossain, E.; Murtaugh, D.; Mody, J.; Faruque, H.M.R.; Haque Sunny, M.d.S.; Mohammad, N. A Comprehensive Review on Second-Life Batteries: Current State, Manufacturing Considerations, Applications, Impacts, Barriers & Potential Solutions, Business Strategies, and Policies. IEEE Access 2019, 7, 73215–73252. [Google Scholar] [CrossRef]
- Zhao, Y.; Pohl, O.; Bhatt, A.I.; Collis, G.E.; Mahon, P.J.; Rüther, T.; Hollenkamp, A.F. A Review on Battery Market Trends, Second-Life Reuse, and Recycling. Sustain. Chem. 2021, 2, 167–205. [Google Scholar] [CrossRef]
- Deng, Y.; Zhang, Y.; Luo, F.; Mu, Y. Operational Planning of Centralized Charging Stations Utilizing Second-Life Battery Energy Storage Systems. IEEE Trans. Sustain. Energy 2021, 12, 387–399. [Google Scholar] [CrossRef]
- Shahjalal, M.; Roy, P.K.; Shams, T.; Fly, A.; Chowdhury, J.I.; Ahmed, M.d.R.; Liu, K. A review on second-life of Li-ion batteries: Prospects, challenges, and issues. Energy 2022, 241, 122881. [Google Scholar] [CrossRef]
- Kotak, Y.; Marchante Fernández, C.; Canals Casals, L.; Kotak, B.S.; Koch, D.; Geisbauer, C.; Trilla, L.; Gómez-Núñez, A.; Schweiger, H.-G. End of Electric Vehicle Batteries: Reuse vs. Recycle. Energies 2021, 14, 2217. [Google Scholar] [CrossRef]
- Glöser-Chahoud, S.; Huster, S.; Rosenberg, S.; Baazouzi, S.; Kiemel, S.; Singh, S.; Schneider, C.; Weeber, M.; Miehe, R.; Schultmann, F. Industrial disassembling as a key enabler of circular economy solutions for obsolete electric vehicle battery systems. Resour. Conserv. Recycl. 2021, 174, 105735. [Google Scholar] [CrossRef]
- Li, M.; Yang, J.; Liang, S.; Hou, H.; Hu, J.; Liu, B.; Kumar, R. Review on clean recovery of discarded/spent lead-acid battery and trends of recycled products. J. Power Sources 2019, 436, 226853. [Google Scholar] [CrossRef]
- Yu, Y.; Chen, B.; Huang, K.; Wang, X.; Wang, D. Environmental Impact Assessment and End-of-Life Treatment Policy Analysis for Li-Ion Batteries and Ni-MH Batteries. Int. J. Environ. Res. Public Health 2014, 11, 3185–3198. [Google Scholar] [CrossRef] [PubMed]
- Pindar, S.; Dhawan, N. Recycling of mixed discarded lithium-ion batteries via microwave processing route. Sustain. Mater. Technol. 2020, 25, e00157. [Google Scholar] [CrossRef]
- Zeng, X.; Li, J.; Ren, Y. Prediction of various discarded lithium batteries in China. In Proceedings of the 2012 IEEE International Symposium on Sustainable Systems and Technology (ISSST), Boston, MA, USA, 16–18 May 2012; IEEE: Piscataway, NJ, USA, 2012; pp. 1–4. [Google Scholar] [CrossRef]
- Jo, C.-H.; Myung, S.-T. Efficient recycling of valuable resources from discarded lithium-ion batteries. J. Power Sources 2019, 426, 259–265. [Google Scholar] [CrossRef]
- Innocenzi, V.; Ippolito, N.M.; De Michelis, I.; Prisciandaro, M.; Medici, F.; Vegliò, F. A review of the processes and lab-scale techniques for the treatment of spent rechargeable NiMH batteries. J. Power Sources 2017, 362, 202–218. [Google Scholar] [CrossRef]
- Zhang, P.; Yokoyama, T.; Itabashi, O.; Wakui, Y.; Suzuki, T.M.; Inoue, K. Hydrometallurgical process for recovery of metal values from spent nickel-metal hydride secondary batteries. Hydrometallurgy 1998, 50, 61–75. [Google Scholar] [CrossRef]
- Zhang, P.; Yokoyama, T.; Itabashi, O.; Wakui, Y.; Suzuki, T.M.; Inoue, K. Recovery of metal values from spent nickel–metal hydride rechargeable batteries. J. Power Sources 1999, 77, 116–122. [Google Scholar] [CrossRef]
- Pietrelli, L.; Bellomo, B.; Fontana, D.; Montereali, M.R. Rare earths recovery from NiMH spent batteries. Hydrometallurgy 2002, 66, 135–139. [Google Scholar] [CrossRef]
- Rabah, M.A.; Farghaly, F.E.; Abd-El Motaleb, M.A. Recovery of nickel, cobalt and some salts from spent Ni-MH batteries. Waste Manag. 2008, 28, 1159–1167. [Google Scholar] [CrossRef]
- Meshram, P.; Somani, H.; Pandey, B.D.; Mankhand, T.R.; Deveci, H.; Abhilash. Two stage leaching process for selective metal extraction from spent nickel metal hydride batteries. J. Clean. Prod. 2017, 157, 322–332. [Google Scholar] [CrossRef]
- Santos, V.E.O.; Celante, V.G.; Lelis, M.F.F.; Freitas, M.B.J.G. Chemical and electrochemical recycling of the nickel, cobalt, zinc and manganese from the positives electrodes of spent Ni–MH batteries from mobile phones. J. Power Sources 2012, 218, 435–444. [Google Scholar] [CrossRef]
- Nayl, A.A. Extraction and separation of Co(II) and Ni(II) from acidic sulfate solutions using Aliquat 336. J. Hazard Mater. 2010, 173, 223–230. [Google Scholar] [CrossRef] [PubMed]
- Provazi, K.; Campos, B.A.; Espinosa, D.C.R.; Tenório, J.A.S. Metal separation from mixed types of batteries using selective precipitation and liquid–liquid extraction techniques. Waste Manag. 2011, 31, 59–64. [Google Scholar] [CrossRef] [PubMed]
- Kanamori, T.; Matsuda, M.; Miyake, M. Recovery of rare metal compounds from nickel–metal hydride battery waste and their application to CH4 dry reforming catalyst. J. Hazard. Mater. 2009, 169, 240–245. [Google Scholar] [CrossRef] [PubMed]
- Innocenzi, V.; Vegliò, F. Recovery of rare earths and base metals from spent nickel-metal hydride batteries by sequential sulphuric acid leaching and selective precipitations. J. Power Sources 2012, 211, 184–191. [Google Scholar] [CrossRef]
- Bertuol, D.A.; Amado, F.D.R.; Veit, H.; Ferreira, J.Z.; Bernardes, A.M. Recovery of Nickel and Cobalt from Spent NiMH Batteries by Electrowinning. Chem. Eng. Technol. 2012, 35, 2084–2092. [Google Scholar] [CrossRef]
- Li, L.; Xu, S.; Ju, Z.; Wu, F. Recovery of Ni, Co and rare earths from spent Ni–metal hydride batteries and preparation of spherical Ni(OH)2. Hydrometallurgy 2009, 100, 41–46. [Google Scholar] [CrossRef]
- Rodrigues, L.E.O.C.; Mansur, M.B. Hydrometallurgical separation of rare earth elements, cobalt and nickel from spent nickel–metal–hydride batteries. J. Power Sources 2010, 195, 3735–3741. [Google Scholar] [CrossRef]
- Gasser, M.S.; Aly, M.I. Separation and recovery of rare earth elements from spent nickel–metal-hydride batteries using synthetic adsorbent. Int. J. Miner. Process 2013, 121, 31–38. [Google Scholar] [CrossRef]
- Innocenzi, V.; Veglio, F. Separation of manganese, zinc and nickel from leaching solution of nickel-metal hydride spent batteries by solvent extraction. Hydrometallurgy 2012, 129–130, 50–58. [Google Scholar] [CrossRef]
- Ahn, N.-K.; Shim, H.-W.; Kim, D.-W.; Swain, B. Valorization of waste NiMH battery through recovery of critical rare earth metal: A simple recycling process for the circular economy. Waste Manag. 2020, 104, 254–261. [Google Scholar] [CrossRef]
- Sun, R.L.; Hu, P.Q.; Wang, R.; Qi, L.Y. A new method for charging and repairing Lead-acid batteries. IOP Conf. Ser. Earth Environ. Sci. 2020, 461, 12031. [Google Scholar] [CrossRef]
- Martínez-Sánchez, R.; Molina-García, A.; Ramallo-González, A.P. Regeneration of Hybrid and Electric Vehicle Batteries: State-of-the-Art Review, Current Challenges, and Future Perspectives. Batteries 2024, 10, 101. [Google Scholar] [CrossRef]
- Rodrigo Gómez Pérez, R.; Omaña Martin, A. Method to Regenerate Ni-MH Batteries. ES201331851A, 9 June 2016. [Google Scholar]
- Zhang, J.; Yu, J.; Cha, C.; Yang, H. The effects of pulse charging on inner pressure and cycling characteristics of sealed Ni/MH batteries. J. Power Sources 2004, 136, 180–185. [Google Scholar] [CrossRef]
- Li, L.; Wu, F.; Chen, R.; Gao, X.; Shan, Z. A new regeneration process for spent nickel/metal hydride batteries. Trans. Noferrous Metal. Soc. China 2005, 4, 764–768. [Google Scholar]
- Chen, P.; Yang, F.; Cao, Z.; Jhang, J.; Gao, H.; Yang, M.; Huang, K.D. Reviving Aged Lithium-Ion Batteries and Prolonging their Cycle Life by Sinusoidal Waveform Charging Strategy. Batter. Supercaps 2019, 2, 673–677. [Google Scholar] [CrossRef]
- Shen, Y.; Starborg, S. Method for Reconditioning Nimh Battery Cells. US20230102119A1, 30 March 2023. [Google Scholar]
- Blanke, H.; Bohlen, O.; Buller, S.; De Doncker, R.W.; Fricke, B.; Hammouche, A.; Linzen, D.; Thele, M.; Sauer, D.U. Impedance measurements on lead–acid batteries for state-of-charge, state-of-health and cranking capability prognosis in electric and hybrid electric vehicles. J. Power Sources 2005, 144, 418–425. [Google Scholar] [CrossRef]
- Li, W.; Rentemeister, M.; Badeda, J.; Jöst, D.; Schulte, D.; Sauer, D.U. Digital twin for battery systems: Cloud battery management system with online state-of-charge and state-of-health estimation. J. Energy Storage 2020, 30, 101557. [Google Scholar] [CrossRef]
- Kim, J.; Yu, J.; Kim, M.; Kim, K.; Han, S. Estimation of Li-ion Battery State of Health based on Multilayer Perceptron: As an EV Application. IFAC-PapersOnLine 2018, 51, 392–397. [Google Scholar] [CrossRef]
- Galeotti, M.; Giammanco, C.; Cinà, L.; Cordiner, S.; Di Carlo, A. Synthetic methods for the evaluation of the State of Health (SOH) of nickel-metal hydride (NiMH) batteries. Energy Convers. Manag. 2015, 92, 1–9. [Google Scholar] [CrossRef]
- Wang, Z.; Feng, G.; Zhen, D.; Gu, F.; Ball, A. A review on online state of charge and state of health estimation for lithium-ion batteries in electric vehicles. Energy Rep. 2021, 7, 5141–5161. [Google Scholar] [CrossRef]
- Kim, I.-S. Nonlinear State of Charge Estimator for Hybrid Electric Vehicle Battery. IEEE Trans. Power Electron. 2008, 23, 2027–2034. [Google Scholar] [CrossRef]
- Wu, G.; Lu, R.; Zhu, C.; Chan, C.C. State of charge Estimation for NiMH Battery based on electromotive force method. In Proceedings of the 2008 IEEE Vehicle Power and Propulsion Conference, Harbin, China, 3–5 September 2008; IEEE: Piscataway, NJ, USA, 2008; pp. 1–5. [Google Scholar] [CrossRef]
- Bundy, K.; Karlsson, M.; Lindbergh, G.; Lundqvist, A. An electrochemical impedance spectroscopy method for prediction of the state of charge of a nickel-metal hydride battery at open circuit and during discharge. J. Power Sources 1998, 72, 118–125. [Google Scholar] [CrossRef]
- Barré, A.; Deguilhem, B.; Grolleau, S.; Gérard, M.; Suard, F.; Riu, D. A review on lithium-ion battery ageing mechanisms and estimations for automotive applications. J. Power Sources 2013, 241, 680–689. [Google Scholar] [CrossRef]
- Xing, Y.; Williard, N.; Tsui, K.-L.; Pecht, M. A comparative review of prognostics-based reliability methods for Lithium batteries. In Proceedings of the 2011 Prognostics and System Health Managment Confernece, Shenzhen, China, 24–25 May 2011; IEEE: Piscataway, NJ, USA, 2011; pp. 1–6. [Google Scholar] [CrossRef]
- Hu, X.; Feng, F.; Liu, K.; Zhang, L.; Xie, J.; Liu, B. State estimation for advanced battery management: Key challenges and future trends. Renew. Sustain. Energy Rev. 2019, 114, 109334. [Google Scholar] [CrossRef]
- Cohen, J. Statistical Power Analysis for the Behavioral Sciences; Routledge: London, UK, 2013. [Google Scholar] [CrossRef]
- Zhu, J.; Mathews, I.; Ren, D.; Li, W.; Cogswell, D.; Xing, B.; Sedlatschek, T.; Kantareddy, S.N.R.; Yi, M.; Gao, T.; et al. End-of-life or second-life options for retired electric vehicle batteries. Cell Rep. Phys. Sci. 2021, 2, 100537. [Google Scholar] [CrossRef]
- Maharajan, S.; Jana, M.; Basu, S. Handling of the End of Life Electric Vehicle Batteries for Stationary Storage Applications. In Proceedings of the 2019 IEEE Transportation Electrification Conference (ITEC-India), Bengaluru, India, 17–19 December 2019; IEEE: Piscataway, NJ, USA, 2019; pp. 1–5. [Google Scholar] [CrossRef]
- Martínez-Sánchez, R.; Molina-García, Á.; Ramallo-González, A.P.; Sánchez-Valverde, J.; Úbeda-Miñarro, B. A Low-Cost Hardware Architecture for EV Battery Cell Characterization Using an IoT-Based Platform. Sensors 2023, 23, 816. [Google Scholar] [CrossRef]
- Martinez-Laserna, I.E.; Gandiaga, E.; Sarasketa-Zabala, J.; Badeda, D.-I.; Stroe, M.; Swierczynski, A. Goikoetxea, Battery second life: Hype, hope or reality? A critical review of the state of the art. Renew. Sustain. Energy Rev. 2018, 93, 701–718. [Google Scholar] [CrossRef]
- Pinsky, N. Electric Vehicle Battery 2nd Use Study; Argonne National Laboratory: Argonne, IL, USA, 1998. [Google Scholar]
- Cready, E.; Lippert, J.; Pihl, J.; Weinstock, I. Technical and Economic Feasibility of Applying Used EV Batteries in Stationary Applications; No. SAND2002-4084; Sandia National Lab. (SNL-NM): Albuquerque, NM, USA; Sandia National Lab. (SNL-CA): Livermore, CA, USA, 2003. [Google Scholar]
- Wang, S.; Yu, J.; Okubo, K. Life cycle assessment on the reuse and recycling of the nickel-metal hydride battery: Fleet-based study on hybrid vehicle batteries from Japan. J. Ind. Ecol. 2021, 25, 1236–1249. [Google Scholar] [CrossRef]
- Azizighalehsari, S.; Venugopal, P.; Pratap Singh, D.; Batista Soeiro, T.; Rietveld, G. Empowering Electric Vehicles Batteries: A Comprehensive Look at the Application and Challenges of Second-Life Batteries. Batteries 2024, 10, 161. [Google Scholar] [CrossRef]



















| Year of Publication | Published by | Method | Destructive Testing | Reference |
|---|---|---|---|---|
| 2004 | Paper | Current Pulses | No | [45] |
| 2005 | Paper | Ultrasound | No | [46] |
| 2014 | Patent | Current Pulses | No | [44] |
| 2021 | Patent | O2 addition | Yes | [48] |
| Charging Values | Range |
|---|---|
| Voltage range | 0–30 V |
| Current range | 0–5 A |
| Discharging values | |
| Temperature range | −10–+60 °C |
| Voltage range | 0–8.5 V |
| Current range | 0–1 A |
| Operating and control values | |
| Capacity measurement range | 0–99,999.9 Wh |
| Sample time | 1 s |
| Minimum voltage power supply | 7.5 V |
| Trigger (value for mode change) | 0 V |
| Component | Provided by | Model | Main Characteristics |
|---|---|---|---|
| Power supply for cells | Mlink (Beijing, China) | APS3005S | Adjustable power supply 0–30 V 0–5 A |
| Additional power supply | Mlink (Beijing, China) | APS6005D | Adjustable power supply 0–60 V 0–5 A |
| Potentiometer | TE Connectivity (Schaffhausen, Switzerland) | Type 23 Series | 22 kΩ, one turn, panel mount |
| Display monitoring system | Caredy (Frederick, MD, USA) | DT3010 | 8–300 V DC, 0–100 A |
| Relay | Elego (Shenzhen, China) | ASDIOFJ1 | |
| Switch | RS PRO (Fort Worth, TX, USA) | 1858229 |
Disclaimer/Publisher’s Note: The statements, opinions and data contained in all publications are solely those of the individual author(s) and contributor(s) and not of MDPI and/or the editor(s). MDPI and/or the editor(s) disclaim responsibility for any injury to people or property resulting from any ideas, methods, instructions or products referred to in the content. |
© 2024 by the authors. Licensee MDPI, Basel, Switzerland. This article is an open access article distributed under the terms and conditions of the Creative Commons Attribution (CC BY) license (https://creativecommons.org/licenses/by/4.0/).
Share and Cite
Martínez-Sánchez, R.; Molina-García, A.; Mateo-Aroca, A.; Ramallo-González, A.P. Evaluating a Nickel–Metal Hydride (NiMH) Battery Regeneration Patent Based on a Non-Intrusive and Unsupervised Prototype. Batteries 2024, 10, 402. https://doi.org/10.3390/batteries10110402
Martínez-Sánchez R, Molina-García A, Mateo-Aroca A, Ramallo-González AP. Evaluating a Nickel–Metal Hydride (NiMH) Battery Regeneration Patent Based on a Non-Intrusive and Unsupervised Prototype. Batteries. 2024; 10(11):402. https://doi.org/10.3390/batteries10110402
Chicago/Turabian StyleMartínez-Sánchez, Rafael, Angel Molina-García, Antonio Mateo-Aroca, and Alfonso P. Ramallo-González. 2024. "Evaluating a Nickel–Metal Hydride (NiMH) Battery Regeneration Patent Based on a Non-Intrusive and Unsupervised Prototype" Batteries 10, no. 11: 402. https://doi.org/10.3390/batteries10110402
APA StyleMartínez-Sánchez, R., Molina-García, A., Mateo-Aroca, A., & Ramallo-González, A. P. (2024). Evaluating a Nickel–Metal Hydride (NiMH) Battery Regeneration Patent Based on a Non-Intrusive and Unsupervised Prototype. Batteries, 10(11), 402. https://doi.org/10.3390/batteries10110402

