Next Article in Journal
Measuring the Impact of Relative Deprivation on Tea Farmers’ Pesticide Application Behavior: The Case of Shaanxi, Sichuan, Zhejiang, and Anhui Province, China
Previous Article in Journal
Nitrogen Interactions Cause Soil Degradation in Greenhouses: Their Relationship to Soil Preservation in China
 
 
Font Type:
Arial Georgia Verdana
Font Size:
Aa Aa Aa
Line Spacing:
Column Width:
Background:
Article

Evaluation of the Effect of 1-MCP Treatment on Flesh and Surface Color of Selected European and Asian Plum Fruit Using Machine Vision

1
Institute of Food Science and Technology, Hungarian University of Agriculture and Life Sciences, 1118 Budapest, Hungary
2
Faculty of Food Science and Technology, Ho Chi Minh City University of Food Industry, Ho Chi Minh 700000, Vietnam
3
Faculty of Chemical and Food Technology, Ho Chi Minh City University of Technology and Education, Ho Chi Minh 700000, Vietnam
*
Author to whom correspondence should be addressed.
Horticulturae 2023, 9(3), 341; https://doi.org/10.3390/horticulturae9030341
Submission received: 3 February 2023 / Revised: 28 February 2023 / Accepted: 2 March 2023 / Published: 4 March 2023

Abstract

The aim of this work was to evaluate how 1-methylcyclopropene (1-MCP) treatment affects appearance of plum fruit. Fruit of ‘Angeleno’ and ‘Topend’ cultivars were treated with 625 ppb gaseous 1-MCP at 1 °C for 24 h after harvest. Samples without treatment, called control, and those subjected to the treatment were stored at 1 °C for 8 weeks (Topend) and 10 weeks (Angeleno). The subgroup of initial samples and those withdrawn from cold storage were also measured after 7 d storage at 20 °C. According to measured parameters of ethylene, CO2 production, firmness, and total soluble solids content, there was a clear difference between 1-MCP- treated and control samples for both cultivars. Color attributes of hue angle and saturation changed significantly during storage, especially for flesh color measured on fruit cut in half. The comparison revealed that saturation responded more sensitively to changes. Firmness correlated significantly with color attributes, and flesh saturation reached the highest value of Pearson’s correlation of r = 0.608 (p < 0.01) and Spearman’s rank correlation of ρ = 0.636 (p < 0.01). The specific plum color was also evaluated with a normalized blue value, which obtained significant linear correlation with firmness (r = −0.7414, p < 0.001). There was significant difference between cultivars in terms of surface color and its correlation with firmness as Pearson’s correlation obtained r = 0.833 (p < 0.001) for ‘Topend’ and r = 0.556 (p > 0.05) for ‘Angeleno’.

1. Introduction

Currently, fresh fruit is one of the fastest growing sectors due to consumer demand. However, fruit is a perishable product and quality loss often results in food waste. Postharvest loss of fruits and vegetables is a global issue, a particularly more serious problem for developing countries [1]. Quality assessment methods that can detect problems and help management of food storage and retail are of great interest.
Plum is one of the most popular fruits because of its nutritional values and taste [2,3]. Postharvest storage of plum is limited to several weeks because of softening, internal browning, and decay [4]. Some plum cultivars exhibit a typical climacteric fruit pattern with significant increase in ethylene production during ripening [5]. Thus, rapid softening and microbial spoilage are the main problems causing postharvest loss of plum [6]. Abdi et al. [7] compared the effect of 1-methylcyclopropene (1-MCP) on climacteric and suppressed-climacteric plums (involving Prunus salicina L. and Prunus persica L.). Stone fruit ripen quickly as climacteric has commenced. The process can be delayed with inhibitors of ethylene production. The response of plum cultivars to 1-MCP treatment was found to be similar within group but markedly different between climacteric (‘Gulfruby’ and ‘Beauty’) and suppressed-climacteric (‘Shiro’ and ‘Rubyred’) ones [7]. The 1-aminocyclopropane-1-carboxylic acid (ACC) is converted to ethylene in climacteric fruit, while it accumulates in suppressed-climacteric fruit. 1-MCP connects to receptors triggering autocatalytic ethylene production, affecting genes for ACC synthase [7]. The use of 1-MCP in maintaining the quality of fruits and vegetables is widely applied [8]. The 1-MCP treatment was successfully applied on ‘President’ plum with 300 ppb and 500 ppb doses. Maintenance of color in cold storage at 1 °C, by means of chroma index, was correlated with 1-MCP concentration, with r = 0.83 for bulk and r = 0.90 for packaged samples [8]. 1-MCP treatment could delay the ripening and retain the quality of plum after harvest [9]. Japanese type (‘Angeleno’ and ‘Fortune’) and European type (‘President’) plums responded to 1-MCP treatment above 300 ppb with less change in firmness and color (hue angle) during cold storage at 0 °C and simulated shelf life at 20 °C [9]. Additionally, 1-MCP treatment reduced Monilinia laxa-induced brown rot at 300 ppb in ‘Angeleno’ and 500 ppb in ‘Angeleno’ and ‘Fortune’.
Consumers are looking for high quality fruit, in terms of freshness, ripeness, nutritional value, and attractive appearance. Crisosto et al. [10] evaluated what factors contribute to consumer acceptance and observed that consumers have expectations on the specific color of fruit. Appearance primarily contributes to the decision of purchase. Quality assessment using sensory evaluation is subjective, laborious, and is limited to small quantities of samples [11]. Physico-chemical analysis is accurate with standard methods and calibrated instruments, but also a laborious, typically long procedure, including sample preparation, and is limited to a selected small quantity. Both of the above-mentioned approaches are destructive. The advantage of the machine vision system is that it can rapidly perform measurements using a non-contact and nondestructive method [12]. Hue spectra (cumulated saturation data) acquired on the surface of sweet cherry (Prunus avium L. ‘Hudson’) was able to predict fruit firmness with high accuracy of R2 = 0.971 and prediction error of 0.024 N [12]. Based on the same hue and saturation data, soluble solids content of sweet cherry was estimated with R2 = 0.96 and a prediction error of 0.13%. The method resulted in an R2 = 0.8675 prediction model for chlorophyll content of pepper (Capsicum annuum L. ‘Kapitány’) [13]. Plum flesh color was found to have close relationship with anthocyanin concentration [14]. Those authors used sensory evaluation to assign discoloration level to individual cut fruit halves and summarized results for each measurement group. Prior results encourage color analysis in relation to reference quality parameters. The machine vision system and digital camera can obtain standardized color coordinates using the sRGB color space (IEC 61966-2-1:1999). Such color information might be enough to follow changes in ripeness and detect disorders [12,13].
The aim of this work was to evaluate the effect of 1-MCP treatment after harvest on two plum cultivars (‘Angeleno’ and ‘Topend’). Cultivars were selected due to their market share in Hungary and postharvest ripening ability. Both surface and flesh color were investigated in the experiment since food industry and consumers are also interested in cut fruit. Reference parameters of respiration, ethylene production, firmness, and soluble solid content were measured during cold storage and warmer simulated shelf-life storage to evaluate the ripening fruit.

2. Materials and Methods

2.1. Materials

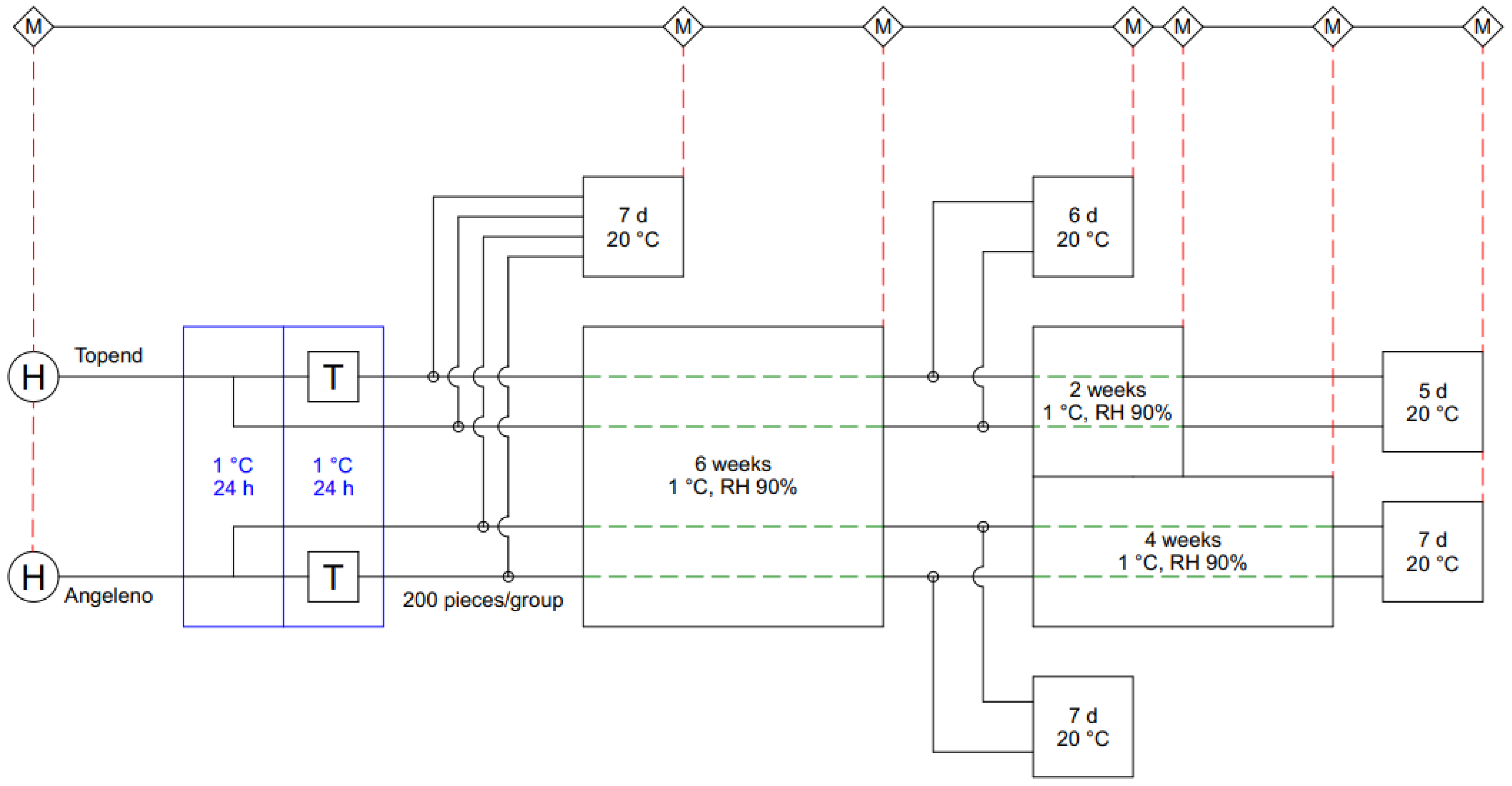
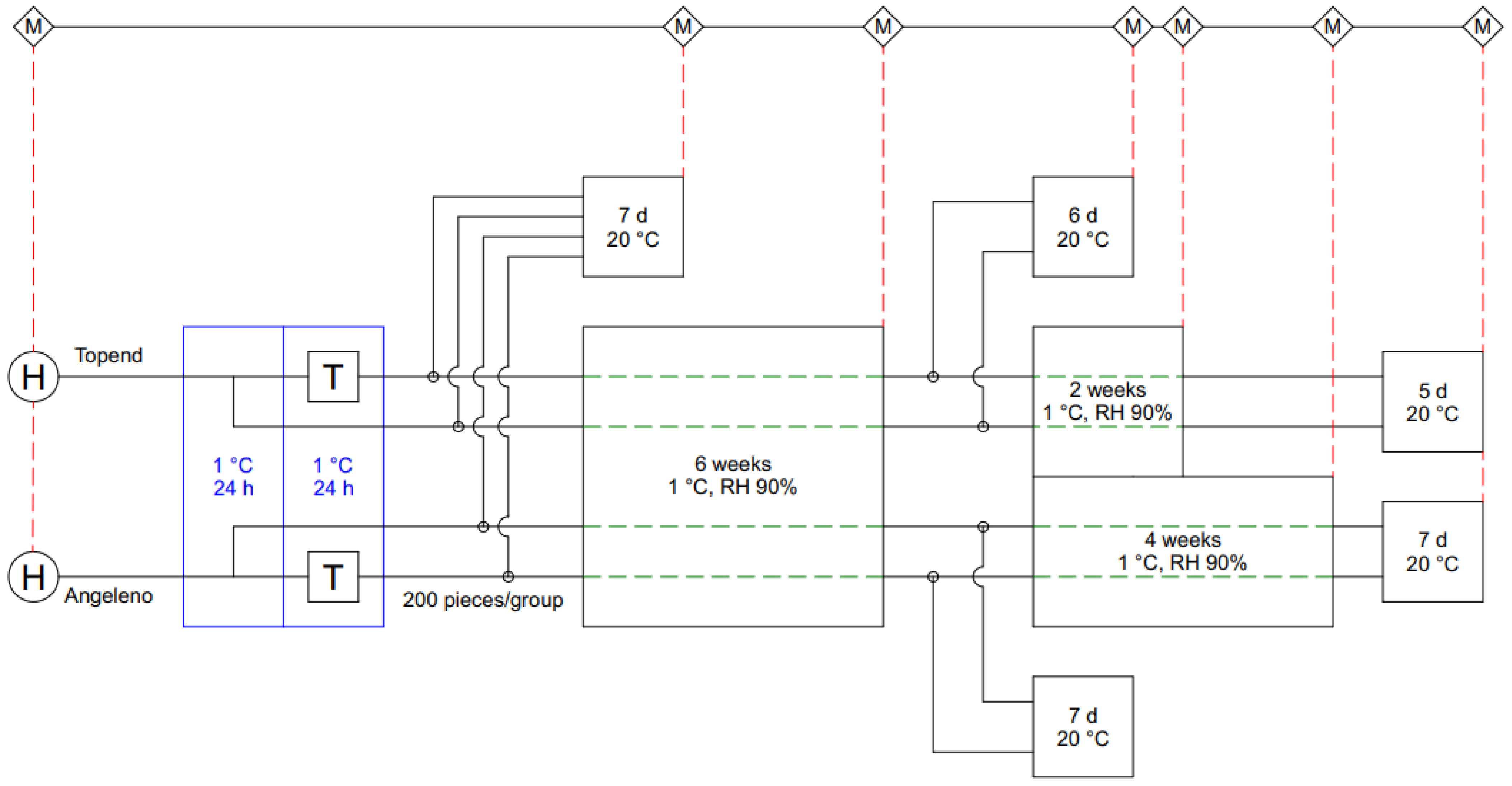
Fruit of ‘Angeleno’ (Prunus salicina L.) and ‘Topend’ (Prunus domestica L.) plums were collected from a commercial orchard (Kiskőrös and Dánszentmiklós, Hungary, respectively) at the beginning of September. Samples were harvested manually at ready for storage maturity above a minimum firmness of 55 N for ‘Angeleno’ and 30 N for ‘Topend’, while refractions should be above the minimum of 12 °Brix value according to the Hungarian harvesting practice.
The 1-MCP (0.14% 1-MCP, AgroFresh, Philadelphia, PA, USA) as an application of the SmartFresh® system was provided by Rohm and Haas Polska Sp.z.o.o. (Warsaw, Poland). The 1-MCP application procedure followed Nguyen et al. [15]. Samples were kept at 1 °C for 24 h before 1-MCP treatment. The total amount of 400 pieces of fruit for each cultivar were selected for experiment with uniform size (45 mm × 41 mm average diameter × height for ‘Angeleno’ and 38 mm × 45 mm for ‘Topend’) and without defects. Fruit was divided randomly into 2 groups per cultivar. Each group consisted of 200 plums per cultivar. The control group did not receive any treatment. The other group was subjected to 1-MCP treatment.

2.2. 1-MCP Treatment

Samples were treated with 650 ppb gaseous 1-MCP in a sealed chamber at 1 °C for 24 h. During 24 h of 1-MCP treatment, the control group (untreated) was kept at 1 °C.

2.3. Storage

After 1-MCP application, 20 pieces of each group were moved to room temperature at 20 °C for a postharvest application shelf-life test; the rest of the samples were kept in air at 1 °C (relative humidity 90%), and subject to subsequent warmer extended ‘shelf-life’ storage at 20 °C (Figure 1). Based on the quality change of samples, ‘Topend’ plums were stored for 8 weeks, and ‘Angeleno’ plums were kept for 10 weeks at 1 °C.
The measurement procedure followed Nguyen et al. [15] and Baranyai et al. [16]. Ethylene and CO2 production, flesh firmness, total soluble solid content, and decay were determined at harvest (0 d), after cold storage and subsequent simulated shelf-life storage. The measurements were conducted at 20 °C. Since ethylene and CO2 production depend on temperature, samples were kept at 20 °C for 1 d after being withdrawn from cold storage.

2.4. Fruit Firmness

Fruit firmness was recorded with a handheld fruit firmness tester (FT 327, T.R. Turoni srl, Forlì, Italy). The instrument was mounted on a vertical stand to make measurement more stable. A cylindrical probe of 7.9 mm diameter was penetrated into the tissue of peeled plum to a 10 mm depth. The maximum force was measured at two opposite points on the external circumference. The average was recorded for each fruit. The instrument provided values in kg cm−2, which was transformed to the unit of N. Twenty pieces were evaluated in each group for each measurement day [13].

2.5. Soluble Solids Content

The soluble solids content (SSC) was measured with a hand-held refractometer (Atago Co. Ltd., Tokyo, Japan) and expressed as %. Twenty plums were evaluated in each group for each measurement day.

2.6. Ethylene Production

Ethylene production was determined at 20 °C by an ICA-56 hand-held ethylene analyzer (International Controlled Atmosphere Ltd., Paddock Wood, UK). Around 1 kg of fruit was placed in a hermetically closed plastic container of 4 L for 1 h before measurement was performed. Measurement was repeated in triplicate. Results are expressed in μL kg−1 h−1 on a fresh weight basis.

2.7. Carbon Dioxide Production

The system was built with hermetically closed acrylic sheet containers equipped with FY A600-CO2H carbon dioxide sensors (Ahlborn Mess-und Regelungstechnik GmbH, Holzkirchen, Germany). An Almemo 3290-8 data logger (Ahlborn Mess-und Regelungstechnik GmbH, Germany) recorded the measurements. Around 1 kg of fruit was placed in a container. Results are expressed in milliliter of CO2 produced per kilogram of fruit in 1 h (mL kg−1 h−1). Measurement was repeated in triplicate.

2.8. Decay

Plum was examined for mold growth on the fruit skin during the cold storage period and shelf-life storage. The decay was calculated as the percentage of infected fruit in each group.

2.9. Image Processing

Samples were placed on white background and a digital image was captured using a Canon PowerShot A720 IS camera. Images were saved for sound fruit to measure surface color, and for cut fruit halves to measure flesh color. The region of interest (ROI) was selected manually with an elliptic shape to avoid segmentation of skin on half cut pictures and discoloration at the edge of sound plum due to background reflection. Red, green, and blue average intensity values were recorded for each ROI. The parameters hue and saturation were calculated as angles pointing toward the measured color and distance from origin of the color plane, respectively.

2.10. Statistical Analysis

The data were processed by R (version 4.2.1, R Foundation for Statistical Computing, Vienna, Austria) and RStudio (version 2022.07.2, Posit Software PBC, Boston, MA, USA). Analysis of variance (ANOVA) was performed with the following factors: treatment, storage time. Tukey’s post hoc test was applied to compare controls and treated groups with a significance level of p < 0.05. Results are presented on figures with mean value and standard deviation.

3. Results

3.1. CO2 and Ethylene Production

The carbon dioxide production of fruit during cold storage and shelf-life storage was shown in Figure 2. The ‘Angeleno’ plum had the lower values in carbon dioxide production than those of the ‘Topend’ plum. Carbon dioxide production of both untreated and treated ‘Topend’ fruit increased during storage, but at different rates. 1-MCP treatment affected CO2 production of treated fruit compared to that of controls.
The effectiveness of 1-MCP treatment depended on cultivar and storage length. For the ‘Angeleno’ plum, at postharvest shelf-life test, no difference was observed in the carbon dioxide production between treated and untreated fruit. Later on, the respiration of the ‘Angeleno’ control fruit increased gradually over the storage period, whereas in case of the ‘Topend’ plum, the carbon dioxide production of control and treated samples rose strongly.
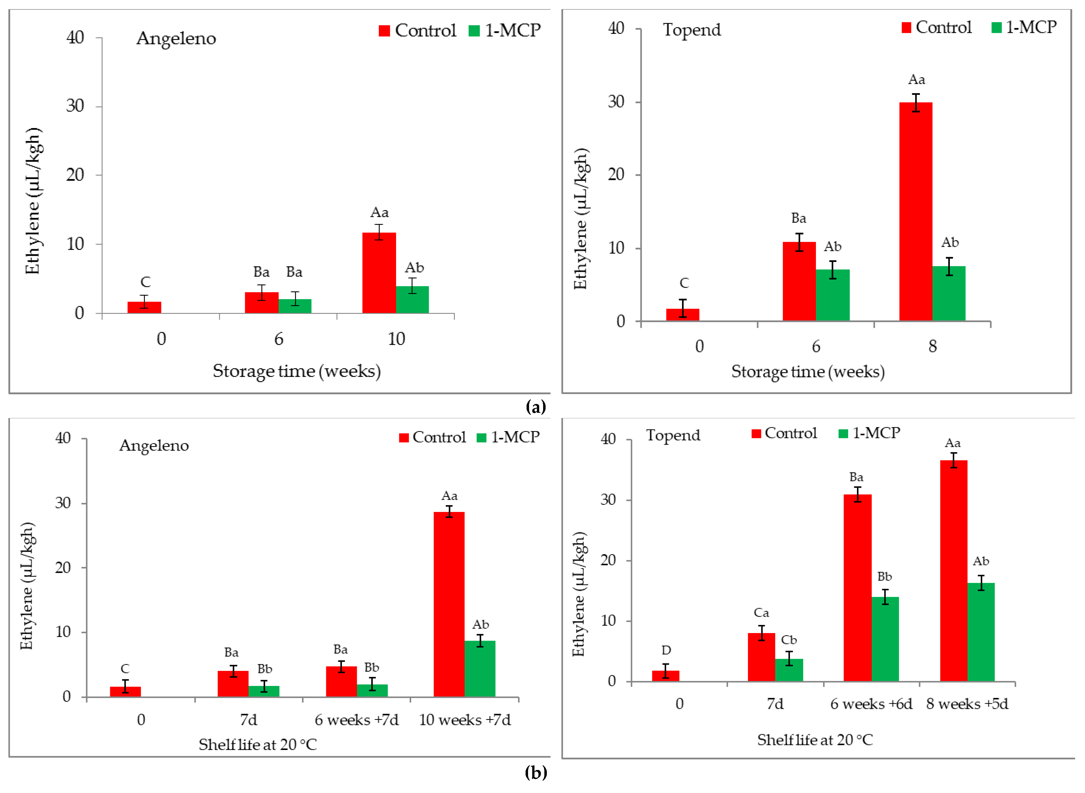
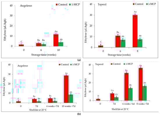
Ethylene production from all samples levelled up during cold storage and shelf-life storage, but at different rates (Figure 3). The treated fruit had lower values in ethylene production in comparison with the control for two cultivars, obviously indicating a response to 1-MCP application. During the first 6 weeks of storage, the ethylene production of the ‘Angeleno’ plum was at low level for both control and treated samples; however, after 10 weeks there was a dramatic increase (Figure 3).
The ‘Angeleno’ plum showed lower values in ethylene production during the cold storage and shelf-life storage compared to the ‘Topend’ plum.
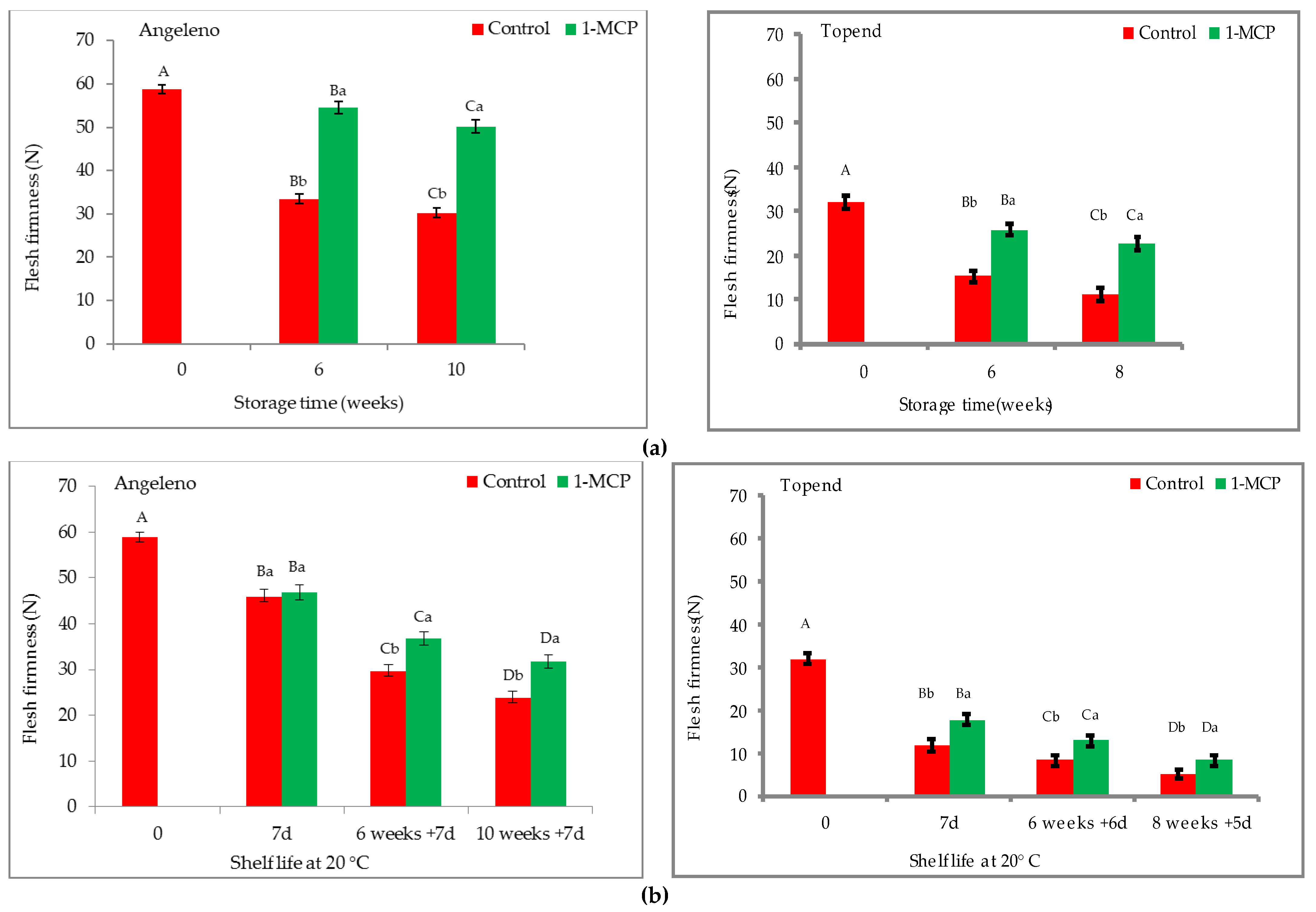
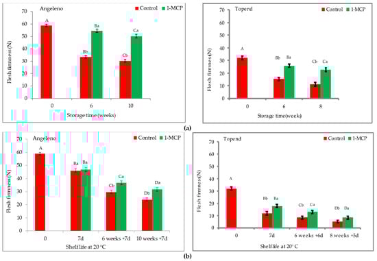
The flesh firmness of all plums declined throughout the storage period (Figure 4).
For the postharvest shelf-life test, there was no significant different in firmness between treated and untreated samples for the ‘Angeleno’ cultivar; however, during cold storage and subsequent shelf-life storage, softening of 1-MCP treated samples was lower than that of untreated samples. The 1-MCP treated plum retained higher values in flesh firmness than controls over the storage period for both cultivars (Figure 4). The results indicated that 1-MCP treatment dramatically affected the softening of fruit. The rate of softening also depends on cultivar. The ‘Topend’ plum became softer more rapidly than the ‘Angeleno’ plum, particularly during shelf-life storage.
As shown in Figure 5, the soluble solid content of all samples increased throughout cold storage and shelf-life storage.
No effect of 1-MCP treatment on soluble solid content was detected for both cultivars. In the case of the ‘Topend’ cultivar, there was a minor change in soluble solid content during cold storage at 1 °C; however, the most significant difference was observed between the initial and the shelf-life storage value at the end of the experiment. For the ‘Angeleno’ plum, no effect of storage time and treatment was detected after 6 weeks of cold storage and subsequent shelf-life storage. Later on, there was a significant difference in soluble solid content between the 6 week and 10 week samples.

3.2. Disease Severity

Fungal growth is the main decay during storage for all plum cultivars. 1-MCP could decrease the rot of plum over cold and shelf-life storage. ‘Angeleno’ plum had less rot than the ‘Topend’ cultivar (Table 1).
No symptom of decay was detected for treated ‘Angeleno’ fruit after 6 weeks of cold storage and shelf-life storage, whereas fungal growth was observed for ‘Topend’ (Table 2). The percentage of decay increased dramatically at shelf-life storage of 20 °C for control ‘Topend’ plums. The storage period strongly affected the number of rot cases for the ‘Topend’ cultivar.

3.3. Image Processing

The analysis of the main effects on hue angle and saturation revealed that color changed significantly during storage and shelf life. Saturation responded with higher sensitivity compared to hue angle, in terms of ANOVA F values. Image type (whole fruit or half) obviously determined the color. The initial flesh color of cultivars is compared in Figure 6. Its statistical results are also presented in Table 3 for reference and comparison. Plum cultivars show different behavior as reflected by the highest F value computed for cultivar effect on saturation values and significant F value for hue angle. These results confirm observations that surface color vividness was the primary difference between plum cultivars. Storage time had similar influence on both color parameters, which was primarily based on the shelf-life measurements. The effect of 1-MCP treatment was reflected in color change but only saturation responded with a significant change.
According to the detailed analysis of cultivars (Table 4), ‘Angeleno’ plum samples did not show significant change of hue angle in response to 1-MCP treatment, especially in the case of surface color. Because of the dark surface, the results showed a high variance of hue angle, overlapping the effect of treatment.
Results of two-way ANOVA analysis in Table 4 show that saturation outperformed hue angle as it responded sensitively to both 1-MCP treatment and storage time. The significant interaction (Treatment × Time) indicates that control and treated plum samples showed different behavior over time.
The effect of storage time and 1-MCP treatment of flesh color is best observed on the ‘Topend’ flesh data (Figure 7). Both hue angle and saturation increased differences between control and treated samples along storage time. A similar tendency can be observed for shelf life up to 6 weeks. Control samples moved towards a red color due to discoloration close to the seed. The difference decreased during shelf-life storage following 8 weeks of cold storage, because some samples were not suitable for measurement. Those pieces that had red discoloration of the flesh earlier, reached a high level of decay at 8 weeks.
There was significant correlation between saturation values of surface and flesh with r = 0.503 (p < 0.05) for Pearson’s correlation and ρ = 0.519 (p < 0.01) for Spearman’s rank correlation, but hue angle did not show a similar relationship.
When color parameters were tested against firmness, the surface hue angle did not show significant relationship, but all the others did, with r = 0.517, 0.532, and 0.608 (p < 0.01) for Pearson’s correlation of surface saturation, flesh hue angle, and flesh saturation, respectively. The Spearman’s rank correlation test indicated significant relationship between firmness and all color parameters with ρ = 0.452 (p < 0.05), 0.496 (p < 0.05), 0.572 (p < 0.01), and 0.636 (p < 0.001) for surface hue angle, surface saturation, flesh hue angle, and flesh saturation, respectively. Separation of cultivar measurements in the dataset showed that flesh hue angle achieved the highest correlation with firmness by cultivars. The Pearson’s correlation reached r = 0.833 (p < 0.001) for ‘Topend’ and r = 0.556 (p > 0.05) for ‘Angeleno’.
Due to the significant differences in color, especially in saturation, the plum surface color was evaluated with blue dominance as well. This feature was computed by the normalization of blue color, the ratio of blue intensity against the sum of all color components. According to this calculation, values above 0.33 can be considered dominant. The relationship between normalized blue color and firmness is presented in Figure 8. The mean values of measurement groups are shown in the figure. The Pearson’s correlation coefficient achieved r = −0.7414 (p < 0.001).

4. Discussion

The result of this work showed that 1-MCP reduced the respiration rate and ethylene production; this was coincident with earlier findings for ‘Angeleno’ and ‘Hauszwetsche’ plums [6,9]. Those authors found that fruit treated with 1-MCP had lower values of carbon dioxide production compared to control. In the presented study, 1-MCP treatments markedly reduced the ethylene and carbon dioxide production of fruit of both plum cultivars. Similar results were also reported for ‘Younai’ plum [17] and President plum [8]. In addition, application of 1-MCP could maintain the fruit firmness. The efficiency of 1-MCP in retaining the firmness was also found for other fruits including cantaloupe [12,18], pear [15,19], apple [16], and apricot [20]. Unlike in the present study, Menniti et al. [9] observed a difference between firmness changes of ‘Angeleno’ (Japanese type) and ‘President’ (European type) plums during cold storage and shelf-life storage [9]. This could be the effect of the botanic origin and the lower dose of gaseous 1-MCP as well. On the other hand, 1-MCP treatment could reduce brown rot only in ‘Angeleno’ samples [9], in agreement with the presented results of disease severity.
This study indicated that flesh firmness, respiration, and ethylene production of plum were affected by 1-MCP treatment but did not affect total soluble solid content for both cultivars. An earlier report also indicated that 1-MCP retards the softening of the ‘Angeleno’ plum after 60 d of cold storage; however, no effect on soluble solid content was observed for several tested cultivars [9], in agreement with the presented study. Nevertheless, the effect of 1-MCP on soluble solid content depends on cultivar. The 1-MCP treatment decreased the soluble solid content for the ‘President’ (European type) plum compared to control [8,9], while it had no effect on this parameter for ‘Fortune’ (Japanese type) plums [9]. A difference was observed between the aroma production of ‘Beauty’ (typical climacteric) and Shiro (suppressed-climacteric) plums in response to 1-MCP treatment [7]. In this research, there was no difference between soluble solid content of control and treated fruit for both cultivars.
According to the observed results, 1-MCP successfully delayed the ripening of both evaluated plum cultivars. This is important because softening and surface changes facilitate microbial growth and decrease quality. Such studies were reported for cantaloupe, since it is a ground crop with high amount of microorganisms on the surface. Alves et al. [21] concluded that 1-MCP was successful in inhibiting microbial development on the ‘Orange Flesh’ cultivar by maintaining the firmness. The peel or rind of fruits is a natural barrier protecting against microbial contamination as well. The obtained results showed differences between cultivars from this point of view, as no decay was detected for ‘Angeleno’ plums until the end of shelf-life storage following 10 weeks of cold storage, but ‘Topend’ plums suffered from infection early. Even though decay appeared late for ‘Angeleno’ fruit, there was no difference between control and treated samples in this parameter. In case of ‘Topend’ plums, the effect of treatment was detected as control samples obtained higher infection rate (decay, %) than treated ones. Abdi et al. [7] concluded that climacteric and suppressed-climacteric varieties may have different biochemical pathways what affects their behavior. The botanic origins of the evaluated ‘Angeleno’ (Japanese type) and ‘Topend’ (European type) plums probably contributed to observed differences as well.
Flesh color was found to turn red after removal from cold storage for the ‘Friar’ plum [14]. This color change was considered beneficial as it indicated an increase in anthocyanin concentration of the flesh and nutritional value. Those authors concluded that flesh color may predict valuable bioactive compounds and recommend its visual check. Similar behavior was observed for ‘Topend’ and ‘Angeleno’ plums as well. The hue angle initial value was around 60° (yellow), then decreased during cold storage and even faster during shelf-life storage toward 0° (red). Kaur et al. [22] discovered a relationship between surface color of the ‘Satluj Purple’ plum and its chemical compounds. Acidity achieved a strong relationship with surface average green intensity (R2 > 0.99) and total soluble solids content with red to green ratio (R2 > 0.84). That cultivar has a strong purple color and is brighter than the plums evaluated in this work. The surface colors of ‘Angeleno’ and ‘Topend’ were dark and closer to blue. There is agreement with that report in terms of firmness evaluation, since significant correlations were found in this presented work, but the correlations were too low to build a successful estimation model. Meng et al. [23] used hyperspectral imaging technique in the wavelength range of 390–1030 nm to estimate plum fruit firmness and soluble solids content. Prediction of soluble solids content (R2 > 0.9) was more successful than that of firmness (R2 > 0.6). Based on the performance of the hyperspectral system and chemometric data analysis, the significant correlation of firmness with normalized blue color (r = −0.7414) and flesh hue angle of ‘Topend’ cultivar (r = 0.833) are comparable results. Valero et al. [8] evaluated four plum cultivars (‘Blackamber’, ‘Larry Ann’, ‘Golden Globe’, and ‘Songold’) treated with edible coating. The surface color change was measured with colorimeter instrument and standard CIE, L*, a*, and b* values were collected. Significant decrease of chroma index (saturation) was observed after 3 d shelf-life storage at 20 °C following cold storage at 2 °C. Those authors also observed faster color change during shelf-life storage than that of cold storage. Similar results were presented in this work for ‘Angeleno’ and ‘Topend’ plums.
The effect of a wax layer on the surface of plum was evaluated in the study of Wisuthiphaet et al. [24]. They concluded that the wax layer thickness can modify surface color due to its optical properties. Such influence of the wax layer was observed in the presented experiments as well. This was the reason why a manually selected ROI (region of interest) was used, and potential mistakes caused by reflections or modified visible color were minimized.
Plum kernels were compared and classified by Ropelewska et al. [25] based on their color pattern. The evaluated three cultivars (‘Emper’, ‘Kalipso’, and ‘Polinka’) were recognized with high accuracy. Texture features of standard Lab color space and color channel b (blue-yellow) achieved the highest discriminative performance in the machine learning model. Although the subject of that investigation was the kernel, finding about importance of color components agrees with presented results. The normalized blue color component (blue dominance) can be a suitable parameter evaluating plum color changes. It achieved the highest correlation with flesh firmness in this study.

5. Conclusions

It was observed that surface color and flesh color of cut fruit were significantly different, and also behaved differently in response to 1-MCP treatment and storage. The novelty of the presented work is the evaluation of both surface and flesh colors, using a machine vision technique instead of colorimeter or spectrometer instruments. According to the results, standardized color attributes measured with camera are sensitive enough to follow color changes of fruit. The cultivars ‘Angeleno’ (Japanese type) and ‘Topend’ (European type) had different appearances in terms of color. Color attributes of hue angle and saturation changed significantly for ‘Topend’ but only saturation showed similar statistics for ‘Angeleno’. Both cultivars changed color during the experiment but trajectory on the color plane was probably affected by the cultivar and its botanic origin as well. In comparison of hue and saturation, the latter was more sensitive and obtained higher F values in the ANOVA test. Surface and flesh color (saturation) correlated significantly, but r = 0.503 does not allow prediction of flesh color from the surface. Fruit firmness also correlated significantly to color attributes, and flesh color achieved higher correlation than that of the surface. The higher values of Spearman’s rank correlation compared to Pearson’s correlation suggest that the relationship between firmness and color is non-linear. The blue color dominance reached the highest Pearson’s correlation value with firmness (r = −0.7414, p < 0.001). When collected data were analyzed separately for cultivars, the statistical performance was different in favor of ‘Topend’. The observed dark color of ‘Angeleno’ resulted in high variance of calculated parameters, overlapping with the effect of factors. According to the observed different behavior of cultivars, future work shall build models for fruits of the same type (Japanese or European) or specific to cultivar.
The machine-vision-based color analysis was able to reveal significant relationship between color and firmness. Hue, saturation, and color dominance (calculated as normalized color intensity) are suggested for monitoring purposes and further analysis for each cultivar.

Author Contributions

Conceptualization, L.L.P.N., T.Z. and G.H.; methodology, L.L.P.N., T.Z., G.H.; software, L.B.; validation, L.L.P.N., T.Z. and G.H.; formal analysis, L.L.P.N. and L.B.; investigation, N.T.T.H., T.T.P., H.X.M., M.G. and Z.H.-M.; resources, Q.D.N. and L.F.F.; data curation, M.G. and Z.H.-M.; writing—original draft preparation, N.T.T.H., T.T.P., H.X.M. and L.L.P.N.; writing—review and editing, N.T.T.H., L.L.P.N., L.B., T.Z. and G.H.; visualization, N.T.T.H., T.T.P., H.X.M., M.G. and Z.H.-M.; supervision, L.L.P.N., Q.D.N., G.H.; funding acquisition, Q.D.N. and L.F.F. All authors have read and agreed to the published version of the manuscript.

Funding

This research received no external funding.

Institutional Review Board Statement

Not applicable.

Informed Consent Statement

Not applicable.

Data Availability Statement

Data is available upon request.

Acknowledgments

The authors acknowledge the Doctoral School of Food Science of the Hungarian University of Agriculture and Life Sciences for the support in this study. Special gratitude is given to HCMC University of Technology and Education and University of Food Industry, Ho Chi Minh, Vietnam.

Conflicts of Interest

The authors declare no conflict of interest.

References

  1. Duan, Y.; Wang, G.B.; Fawole, O.A.; Verboven, P.; Zhang, X.R.; Wu, D.; Opara, U.L.; Nicolai, B.; Chen, K. Postharvest precooling of fruit and vegetables: A review. Trends Food Sci. Technol. 2020, 100, 278–291. [Google Scholar] [CrossRef]
  2. Cevallos-Casals, B.A.; Byrne, D.; Okie, W.R.; Cisneros-Zevallos, L. Selecting new peach and plum genotypes rich in phenolic compounds and enhanced functional properties. Food Chem. 2006, 96, 273–280. [Google Scholar] [CrossRef]
  3. Zezulová, E.; Ondrášek, I.; Kiss, T.; Nečas, T. Qualitative and Nutritional Characteristics of Plum Cultivars Grown on Different Rootstocks. Horticulturae 2022, 8, 1123. [Google Scholar] [CrossRef]
  4. Lippert, F.; Blanke, M.M. Effect of mechanical harvest and timing of 1-MCP application on respiration and fruit quality of European plums Prunus domestica L. Postharvest Biol. Technol. 2004, 34, 305–311. [Google Scholar] [CrossRef]
  5. Bi, X.; Dai, Y.; Zhou, Z.; Xing, Y.; Che, Z. Combining natamycin and 1-methylcyclopropene with modified atmosphere packaging to evaluate plum (Prunus salicina cv. ‘Cuihongli’) quality. Postharvest Biol. Technol. 2022, 183, 111749. [Google Scholar] [CrossRef]
  6. Kumar, P.; Sethi, S.; Sharma, R.R.; Srivastav, M.; Singh, D.; Varghese, E. Edible coatings influence the cold-storage life and quality of ‘Santa Rosa’plum (Prunus salicina Lindell). J. Food Sci. Technol. 2018, 55, 2344–2350. [Google Scholar] [CrossRef]
  7. Abdi, N.; McGlasson, W.B.; Holford, P.; Williams, M.; Mizrahi, Y. Responses of climacteric and suppressed-climacteric plums to treatment with propylene and 1-methylcyclopropene. Postharvest Biol. Technol. 1998, 14, 29–39. [Google Scholar] [CrossRef]
  8. Valero, D.; Martınez-Romero, D.; Valverde, J.M.; Guillén, F.; Castillo, S.; Serrano, M. Could the 1-MCP treatment effectiveness in plum be affected by packaging? Postharvest Biol. Technol. 2004, 34, 295–303. [Google Scholar] [CrossRef]
  9. Menniti, A.M.; Gregori, R.; Donati, I. 1-Methylcyclopropene retards postharvest softening of plums. Postharvest Biol. Technol. 2004, 31, 269–275. [Google Scholar] [CrossRef]
  10. Crisosto, C.H.; Crisosto, G.M.; Metheney, P. Consumer acceptance of ‘Brooks’ and ‘Bing’cherries is mainly dependent on fruit SSC and visual skin color. Postharvest Biol. Technol. 2003, 28, 159–167. [Google Scholar] [CrossRef]
  11. Wu, D.; Sun, D.W. Colour measurements by computer vision for food quality control–A review. Trends Food Sci. Technol. 2013, 29, 5–20. [Google Scholar] [CrossRef]
  12. Nguyen, L.L.P.; Visy, A.; Baranyai, L.; Friedrich, L.; Mahajan, P.V. Application of hue spectra fingerprinting during cold storage and shelf-life of packaged sweet cherry. J. Food Meas. Charact. 2020, 14, 2689–2702. [Google Scholar] [CrossRef]
  13. Nguyen, L.L.P.; Baranyai, L.; Nagy, D.; Mahajan, P.V.; Zsom-Muha, V.; Zsom, T. Color analysis of horticultural produces using hue spectra fingerprinting. MethodsX 2021, 8, 101594. [Google Scholar] [CrossRef]
  14. Wang, L.; Sang, W.; Xu, R.; Cao, J. Alteration of flesh color and enhancement of bioactive substances via the stimulation of anthocyanin biosynthesis in ‘Friar’ plum fruit by low temperature and the removal. Food Chem. 2020, 310, 125862. [Google Scholar] [CrossRef]
  15. Nguyen, L.L.P.; Pham, T.T.; Syium, Z.H.; Zsom-Muha, V.; Baranyai, L.; Zsom, T.; Hitka, G. Delay of 1-MCP Treatment on Post-Harvest Quality of ‘Bosc Kobak’ Pear. Horticulturae 2022, 8, 89. [Google Scholar] [CrossRef]
  16. Baranyai, L.; Nguyen, L.L.P.; Sao Dam, M.; Zsom, T.; Hitka, G. Evaluation of precooling temperature and 1-MCP treatment on quality of ‘Golden Delicious’ apple. J. Appl. Bot. Food Qual. 2020, 93, 130–135. [Google Scholar] [CrossRef]
  17. Lin, Y.; Lin, Y.; Lin, H.; Lin, M.; Li, H.; Yuan, F.; Chen, Y.; Xiao, J. Effects of paper containing 1-MCP postharvest treatment on the disassembly of cell wall polysaccharides and softening in Younai plum fruit during storage. Food Chem. 2018, 264, 1–8. [Google Scholar] [CrossRef]
  18. Phuong, L.N.L.; Horváth, V.; Dam, M.S.; Hitka, G.; Zsom, T.; Kókai, Z. Effect of 1-MCP, ethylene absorber and ozone on melon quality during storage. Prog. Agric. Eng. Sci. 2018, 14, 101–110. [Google Scholar] [CrossRef]
  19. Hitka, G.; Zsom, T.; Nguyen, L.; Balla, C. Effect of 1-methylcyclopropene on ‘Bosc Kobak’ pears. Acta Aliment. 2014, 43 (Suppl. S1), 73–77. [Google Scholar] [CrossRef]
  20. Nguyen, L.P.L.; Hitka, G.; Zsom, T.; Kókai, Z. Application of 1-MCP on apricots at different temperatures and days after harvest. Acta Aliment. 2016, 45, 542–550. [Google Scholar] [CrossRef]
  21. Alves, R.E.; Filgueiras, H.A.C.; Almeida, A.S.; Machado, F.L.C.; Bastos, M.S.R.; Lima, M.A.C.; Miranda, M.R.A. Postharvest use of 1-MCP to extend storage life of melon in Brazil—Current research status. Acta Hortic. 2005, 682, 2233–2238. [Google Scholar] [CrossRef]
  22. Kaur, H.; Sawhney, B.K.; Jawandha, S.K. Evaluation of plum fruit maturity by image processing techniques. J. Food Sci. Technol. 2018, 55, 3008–3015. [Google Scholar] [CrossRef] [PubMed]
  23. Meng, Q.; Shang, J.; Huang, R.; Zhang, Y. Determination of soluble solids content and firmness in plum using hyperspectral imaging and chemometric algorithms. J. Food Process Eng. 2021, 44, e13597. [Google Scholar] [CrossRef]
  24. Wisuthiphaet, N.; Damerow, L.; Blanke, M.M. Non-destructive detection of the wax bloom on European plum during post-harvest handling. J. Food Eng. 2014, 140, 46–51. [Google Scholar] [CrossRef]
  25. Ropelewska, E.; Cai, X.; Zhang, Z.; Sabanci, K.; Aslan, M.F. Benchmarking Machine Learning Approaches to Evaluate the Cultivar Differentiation of Plum (Prunus domestica L.) Kernels. Agriculture 2022, 12, 285. [Google Scholar] [CrossRef]
Figure 1. Flowchart of the experiment from harvest (H) with 1-MCP treatments [T] and measurements <M>.
Figure 1. Flowchart of the experiment from harvest (H) with 1-MCP treatments [T] and measurements <M>.
Horticulturae 09 00341 g001
Figure 2. CO2 production of plum after cold storage at 1 °C (a) and subsequent shelf-life storage at 20 °C (b). Presented values are mean ± SD. Upper case is for the comparisons of time (Tukey’s, p < 0.05). Lower case is for the comparisons of treatment (Tukey’s, p < 0.05).
Figure 2. CO2 production of plum after cold storage at 1 °C (a) and subsequent shelf-life storage at 20 °C (b). Presented values are mean ± SD. Upper case is for the comparisons of time (Tukey’s, p < 0.05). Lower case is for the comparisons of treatment (Tukey’s, p < 0.05).
Horticulturae 09 00341 g002
Figure 3. Ethylene production of plum during cold storage at 1 °C (a) and subsequent shelf-life storage at 20 °C (b). Presented values are mean ± SD. Upper case is for the comparisons of time (Tukey’s, p < 0.05). Lower case is for the comparisons of treatment (Tukey’s, p < 0.05).
Figure 3. Ethylene production of plum during cold storage at 1 °C (a) and subsequent shelf-life storage at 20 °C (b). Presented values are mean ± SD. Upper case is for the comparisons of time (Tukey’s, p < 0.05). Lower case is for the comparisons of treatment (Tukey’s, p < 0.05).
Horticulturae 09 00341 g003
Figure 4. Flesh firmness of plum during cold storage at 1 °C (a) and subsequent shelf-life storage at 20 °C (b). Presented values are mean ± SD. Upper case is for the comparisons of time (Tukey’s, p < 0.05). Lower case is for the comparisons of treatment (Tukey’s, p < 0.05).
Figure 4. Flesh firmness of plum during cold storage at 1 °C (a) and subsequent shelf-life storage at 20 °C (b). Presented values are mean ± SD. Upper case is for the comparisons of time (Tukey’s, p < 0.05). Lower case is for the comparisons of treatment (Tukey’s, p < 0.05).
Horticulturae 09 00341 g004
Figure 5. Soluble solid content of plum during cold storage at 1 °C (a) and subsequent shelf-life storage at 20 °C (b). Presented values are mean ± SD. Upper case is for the comparisons of time (Tukey’s, p < 0.05). Lower case is for the comparisons of treatment (Tukey’s, p < 0.05).
Figure 5. Soluble solid content of plum during cold storage at 1 °C (a) and subsequent shelf-life storage at 20 °C (b). Presented values are mean ± SD. Upper case is for the comparisons of time (Tukey’s, p < 0.05). Lower case is for the comparisons of treatment (Tukey’s, p < 0.05).
Horticulturae 09 00341 g005
Figure 6. Initial flesh color of ‘Angeleno’ (a) and ‘Topend’ (b) samples.
Figure 6. Initial flesh color of ‘Angeleno’ (a) and ‘Topend’ (b) samples.
Horticulturae 09 00341 g006
Figure 7. Hue angle (left) and saturation (right) of flesh of ‘Topend’ samples during cold storage at 1 °C (a) and subsequent shelf-life storage at 20 °C (b). Upper case is for the comparisons of time (Tukey’s, p < 0.05). Lower case is for the comparisons of treatment (Tukey’s, p < 0.05).
Figure 7. Hue angle (left) and saturation (right) of flesh of ‘Topend’ samples during cold storage at 1 °C (a) and subsequent shelf-life storage at 20 °C (b). Upper case is for the comparisons of time (Tukey’s, p < 0.05). Lower case is for the comparisons of treatment (Tukey’s, p < 0.05).
Horticulturae 09 00341 g007
Figure 8. Relationship of normalized blue value and firmness for ‘Angeleno’ and ‘Topend’ cultivars.
Figure 8. Relationship of normalized blue value and firmness for ‘Angeleno’ and ‘Topend’ cultivars.
Horticulturae 09 00341 g008
Table 1. Decay of ’Angeleno’ plum during storage.
Table 1. Decay of ’Angeleno’ plum during storage.
Angeleno
Decay (%)Control1-MCP
6 weeks00
6 weeks + 7 days shelf life00
10 weeks00
10 weeks + 7 days shelf life2.52.5
Table 2. Decay of ‘Topend’ plum during storage.
Table 2. Decay of ‘Topend’ plum during storage.
Topend
Decay (%)Control1-MCP
6 weeks2.50
6 weeks + 5 days shelf life25.05.0
8 weeks7.55.0
8 weeks + 5 days shelf life47.512.5
Table 3. ANOVA F value of main effects on hue and saturation.
Table 3. ANOVA F value of main effects on hue and saturation.
SourceHue AngleSaturation
F ValueSignificanceF ValueSignificance
Cultivar9.59p < 0.01550.26p < 0.001
Treatment2.16n.s.63.32p < 0.001
Time29.64p < 0.00123.96p < 0.001
Image type *2513.69p < 0.0013409.04p < 0.001
* Image type: surface color or flesh color. n.s.: not significant
Table 4. ANOVA F values of 1-MCP treatment and storage time on color by cultivars.
Table 4. ANOVA F values of 1-MCP treatment and storage time on color by cultivars.
SourceSurface ColorFlesh Color
Hue AngleSaturationHue AngleSaturation
Topend
Treatment5.31 +41.48 *14.92 *364.50 *
Time1.82198.30 *210.62 *47.98 *
Treatment × Time3.364.76 +3.95 +30.68 *
Angeleno
Treatment0.0215.82 *3.2053.91 *
Time6.65 *14.77 *3.90 +104.98 *
Treatment × Time0.077.35 *0.2419.95 *
Significant values are marked as + p < 0.05, * p < 0.01.
Disclaimer/Publisher’s Note: The statements, opinions and data contained in all publications are solely those of the individual author(s) and contributor(s) and not of MDPI and/or the editor(s). MDPI and/or the editor(s) disclaim responsibility for any injury to people or property resulting from any ideas, methods, instructions or products referred to in the content.

Share and Cite

MDPI and ACS Style

Ha, N.T.T.; Pham, T.T.; Mac, H.X.; Nguyen, L.L.P.; Horváth-Mezofi, Z.; Göb, M.; Nguyen, Q.D.; Baranyai, L.; Zsom, T.; Friedrich, L.F.; et al. Evaluation of the Effect of 1-MCP Treatment on Flesh and Surface Color of Selected European and Asian Plum Fruit Using Machine Vision. Horticulturae 2023, 9, 341. https://doi.org/10.3390/horticulturae9030341

AMA Style

Ha NTT, Pham TT, Mac HX, Nguyen LLP, Horváth-Mezofi Z, Göb M, Nguyen QD, Baranyai L, Zsom T, Friedrich LF, et al. Evaluation of the Effect of 1-MCP Treatment on Flesh and Surface Color of Selected European and Asian Plum Fruit Using Machine Vision. Horticulturae. 2023; 9(3):341. https://doi.org/10.3390/horticulturae9030341

Chicago/Turabian Style

Ha, Nga Thi Thanh, Thanh Tung Pham, Hoa Xuan Mac, Lien Le Phuong Nguyen, Zsuzsanna Horváth-Mezofi, Mónika Göb, Quang Duc Nguyen, László Baranyai, Tamás Zsom, László Ferenc Friedrich, and et al. 2023. "Evaluation of the Effect of 1-MCP Treatment on Flesh and Surface Color of Selected European and Asian Plum Fruit Using Machine Vision" Horticulturae 9, no. 3: 341. https://doi.org/10.3390/horticulturae9030341

APA Style

Ha, N. T. T., Pham, T. T., Mac, H. X., Nguyen, L. L. P., Horváth-Mezofi, Z., Göb, M., Nguyen, Q. D., Baranyai, L., Zsom, T., Friedrich, L. F., & Hitka, G. (2023). Evaluation of the Effect of 1-MCP Treatment on Flesh and Surface Color of Selected European and Asian Plum Fruit Using Machine Vision. Horticulturae, 9(3), 341. https://doi.org/10.3390/horticulturae9030341

Note that from the first issue of 2016, this journal uses article numbers instead of page numbers. See further details here.

Article Metrics

Back to TopTop