Stability of Carboxyl-Functionalized Carbon Nanotubes in Simulated Cement Pore Solution and Its Effect on the Compressive Strength and Porosity of Cement-Based Nanocomposites
Abstract
:1. Introduction
2. Materials and Methods
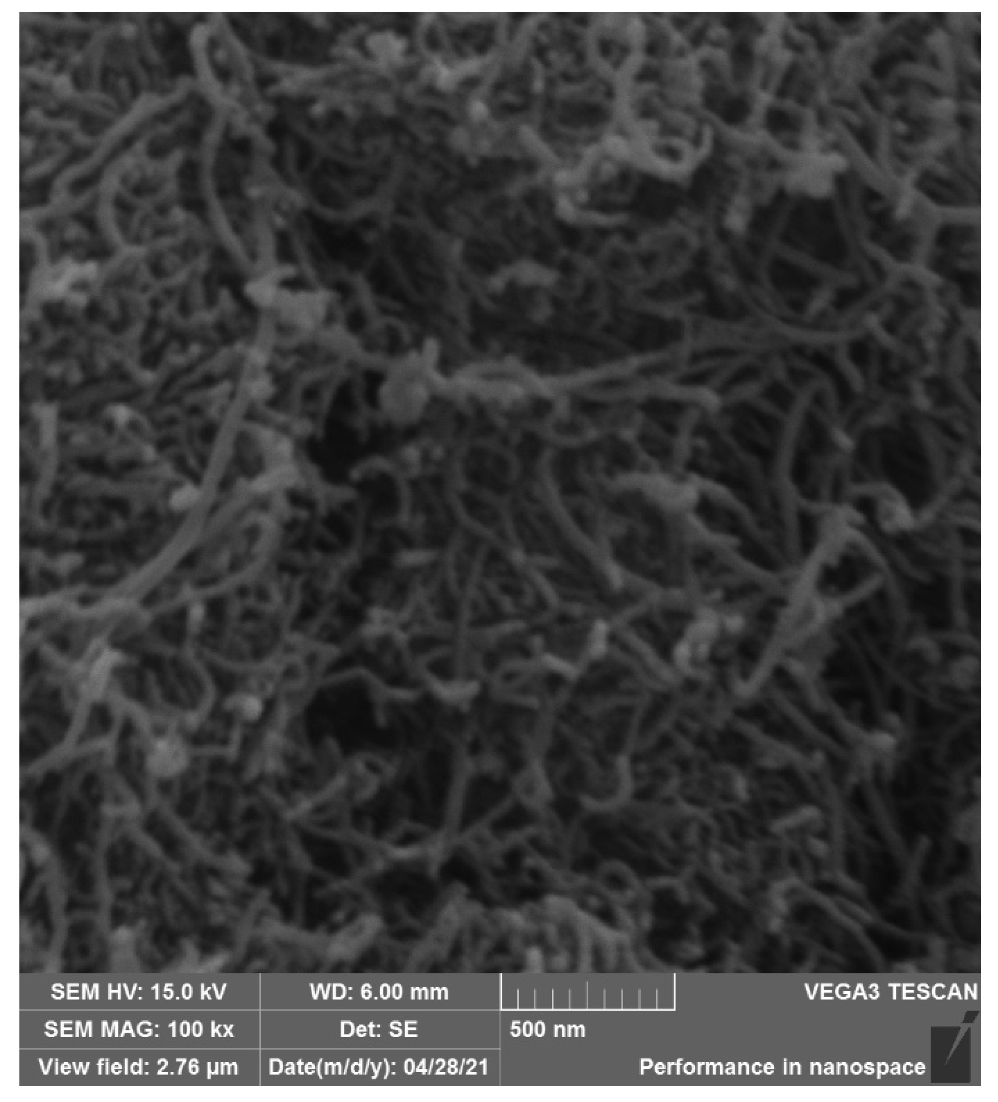
2.1. Materials
2.2. Methods
2.2.1. UV–Visible Spectroscopy
2.2.2. Cement Pastes
3. Results and Discussion
3.1. UV–Visible Spectroscopy
3.2. Compressive Strength
3.3. Porosity
4. Conclusions
Author Contributions
Funding
Institutional Review Board Statement
Informed Consent Statement
Data Availability Statement
Acknowledgments
Conflicts of Interest
References
- D’Alessandro, A.; Tiecco, M.; Meoni, A.; Ubertini, F. Improved Strain Sensing Properties of Cement-Based Sensors through Enhanced Carbon Nanotube Dispersion. Cem. Concr. Compos. 2021, 115, 103842. [Google Scholar] [CrossRef]
- Siahkouhi, M.; Razaqpur, G.; Hoult, N.A.; Hajmohammadian Baghban, M.; Jing, G. Utilization of Carbon Nanotubes (CNTs) in Concrete for Structural Health Monitoring (SHM) Purposes: A Review. Constr. Build. Mater. 2021, 309, 125137. [Google Scholar] [CrossRef]
- Silvestro, L.; Gleize, P.J.P. Effect of Carbon Nanotubes on Compressive, Flexural and Tensile Strengths of Portland Cement-Based Materials: A Systematic Literature Review. Constr. Build. Mater. 2020, 264, 120237. [Google Scholar] [CrossRef]
- Ma, P.C.; Siddiqui, N.A.; Marom, G.; Kim, J.K. Dispersion and Functionalization of Carbon Nanotubes for Polymer-Based Nanocomposites: A Review. Compos. Part A Appl. Sci. Manuf. 2010, 41, 1345–1367. [Google Scholar] [CrossRef]
- Assi, L.; Alsalman, A.; Bianco, D.; Ziehl, P.; El-Khatib, J.; Bayat, M.; Hussein, F.H. Multiwall Carbon Nanotubes (MWCNTs) Dispersion & Mechanical Effects in OPC Mortar & Paste: A Review. J. Build. Eng. 2021, 43, 102512. [Google Scholar] [CrossRef]
- Sahoo, N.G.; Rana, S.; Cho, J.W.; Li, L.; Chan, S.H. Polymer Nanocomposites Based on Functionalized Carbon Nanotubes. Prog. Polym. Sci. 2010, 35, 837–867. [Google Scholar] [CrossRef]
- Hirsch, A. Functionalization of Single-Walled Carbon Nanotubes. Angew. Chem. Int. 2002, 41, 1853–1859. [Google Scholar] [CrossRef]
- Wang, Y.; Hu, H.; Rong, C. The Effect of the Diameter of Carbon Nanotube on the Mechanical and Electrical Properties of Cement Mortar. Key Eng. Mater. 2017, 730, 479–485. [Google Scholar] [CrossRef]
- Manzur, T.; Yazdani, N. Optimum Mix Ratio for Carbon Nanotubes in Cement Mortar. KSCE J. Civ. Eng. 2015, 19, 1405–1412. [Google Scholar] [CrossRef]
- Sobolkina, A.; Mechtcherine, V.; Khavrus, V.; Maier, D.; Mende, M.; Ritschel, M.; Leonhardt, A. Dispersion of Carbon Nanotubes and Its Influence on the Mechanical Properties of the Cement Matrix. Cem. Concr. Compos. 2012, 34, 1104–1113. [Google Scholar] [CrossRef]
- Ahmed, H.; Bogas, J.A.; Guedes, M.; Pereira, M.F.C. Dispersion and Reinforcement Efficiency of Carbon Nanotubes in Cementitious Composites. Mag. Concr. Res. 2019, 71, 408–423. [Google Scholar] [CrossRef]
- Silvestro, L.; Ruviaro, A.; Lima, G.; De Matos, P.; De Azevedo, A.R.G.; Monteiro, S.N.; Gleize, P. Influence of Ultrasonication of Functionalized Carbon Nanotubes on the Rheology, Hydration, and Compressive Strength of Portland Cement Pastes. Materials 2021, 14, 5248. [Google Scholar] [CrossRef] [PubMed]
- Zou, B.; Chen, S.J.; Korayem, A.H.; Collins, F.; Wang, C.M.; Duan, W.H. Effect of Ultrasonication Energy on Engineering Properties of Carbon Nanotube Reinforced Cement Pastes. Carbon N. Y. 2015, 85, 212–220. [Google Scholar] [CrossRef]
- Batiston, E.; De Matos, P.R.; Jean, P.; Gleize, P.; Fediuk, R.; Klyuev, S.; Vatin, N.; Karelina, M. Combined Functionalization of Carbon Nanotubes (CNT) Fibers with H2SO4/HNO3 and Ca(OH)2 for Addition in Cementitious Matrix. Fibers 2021, 9, 14. [Google Scholar] [CrossRef]
- Şimşek, B. Multi-Walled Carbon Nanotubes with Different Features Reinforced Cement Pastes: A Compressive and Systematic Approach Using Principal Component Analysis. J. Build. Eng. 2020, 32, 101792. [Google Scholar] [CrossRef]
- Musso, S.; Tulliani, J.M.; Ferro, G.; Tagliaferro, A. Influence of Carbon Nanotubes Structure on the Mechanical Behavior of Cement Composites. Compos. Sci. Technol. 2009, 69, 1985–1990. [Google Scholar] [CrossRef]
- Mendoza, O.; Sierra, G.; Tobón, J.I. Influence of Super Plasticizer and Ca(OH)2 on the Stability of Functionalized Multi-Walled Carbon Nanotubes Dispersions for Cement Composites Applications. Constr. Build. Mater. 2013, 47, 771–778. [Google Scholar] [CrossRef]
- Li, S.; Zhang, Y.; Cheng, C.; Wei, H.; Du, S.; Yan, J. Surface-Treated Carbon Nanotubes in Cement Composites: Dispersion, Mechanical Properties and Microstructure. Constr. Build. Mater. 2021, 310, 125262. [Google Scholar] [CrossRef]
- Silvestro, L.; Spat Ruviaro, A.; Ricardo de Matos, P.; Pelisser, F.; Zambelli Mezalira, D.; Jean Paul Gleize, P. Functionalization of Multi-Walled Carbon Nanotubes with 3-Aminopropyltriethoxysilane for Application in Cementitious Matrix. Constr. Build. Mater. 2021, 311, 125358. [Google Scholar] [CrossRef]
- Silvestro, L.; Dos Santos Lima, G.T.; Ruviaro, A.S.; De Matos, P.R.; Mezalira, D.Z.; Gleize, P.J.P. Evaluation of Different Organosilanes on Multi-Walled Carbon Nanotubes Functionalization for Application in Cementitious Composites. J. Build. Eng. 2022, 51, 104292. [Google Scholar] [CrossRef]
- Silvestro, L.; Dos Santos Lima, G.T.; Ruviaro, A.S.; Mezalira, D.Z.; Gleize, P.J.P. Effect of Multiwalled Carbon Nanotube Functionalization with 3-Aminopropyltriethoxysilane on the Rheology and Early-Age Hydration of Portland Cement Pastes. J. Mater. Civ. Eng. 2022, 34, 04022176. [Google Scholar] [CrossRef]
- Gao, Y.; Jing, H.; Du, M.; Chents, W. Dispersion of Multi-Walled Carbon Nanotubes Stabilized by Humic Acid in Sustainable Cement Composites. Nanomaterials 2018, 8, 858. [Google Scholar] [CrossRef] [PubMed] [Green Version]
- Li, Z.F.; Luo, G.H.; Zhou, W.P.; Wei, F.; Xiang, R.; Liu, Y.P. The Quantitative Characterization of the Concentration and Dispersion of Multi-Walled Carbon Nanotubes in Suspension by Spectrophotometry. Nanotechnology 2006, 17, 3692–3698. [Google Scholar] [CrossRef]
- De Siqueira, J.E.L.; Gleize, P.J.P. Effect of Carbon Nanotubes Sonication on Mechanical Properties of Cement Pastes. Rev. IBRACON Estrut. Mater. 2020, 13, 455–463. [Google Scholar] [CrossRef]
- Alrekabi, S.; Cundy, A.; Lampropoulos, A.; Savina, I. Experimental Investigation on the Effect of Ultrasonication on Dispersion and Mechanical Performance of Multi-Wall Carbon Nanotube-Cement Mortar Composites. Int. J. Civil Environ. Struct. Constr. Archit. Eng. 2016, 10, 11. [Google Scholar]
- Jiang, L.; Gao, L.; Sun, J. Production of Aqueous Colloidal Dispersions of Carbon Nanotubes. J. Colloid Interface Sci. 2003, 260, 89–94. [Google Scholar] [CrossRef]
- Dai, W.; Wang, J.; Gan, X.; Wang, H.; Su, X.; Xi, C. A Systematic Investigation of Dispersion Concentration and Particle Size Distribution of Multi-Wall Carbon Nanotubes in Aqueous Solutions of Various Dispersants. Colloids Surfaces A Physicochem. Eng. Asp. 2020, 589, 124369. [Google Scholar] [CrossRef]
- Attal, S.; Thiruvengadathan, R.; Regev, O. Determination of the Concentration of Single-Walled Carbon Nanotubes in Aqueous Dispersions Using UV-Visible Absorption Spectroscopy. Anal. Chem. 2006, 78, 8098–8104. [Google Scholar] [CrossRef]
- Baskaran, D.; Mays, J.W.; Bratcher, M.S. Noncovalent and Nonspecific Molecular Interactions of Polymers with Multiwalled Carbon Nanotubes. Chem. Mater. 2005, 17, 3389–3397. [Google Scholar] [CrossRef] [Green Version]
- Jeong, S.H.; Kim, K.K.; Jeong, S.J.; An, K.H.; Lee, S.H.; Lee, Y.H. Optical Absorption Spectroscopy for Determining Carbon Nanotube Concentration in Solution. Synth. Met. 2007, 157, 570–574. [Google Scholar] [CrossRef]
- Collins, F.; Lambert, J.; Duan, W.H. The Influences of Admixtures on the Dispersion, Workability, and Strength of Carbon Nanotube-OPC Paste Mixtures. Cem. Concr. Compos. 2012, 34, 201–207. [Google Scholar] [CrossRef]
- Garg, M.; Das, C.S.; Gupta, R. Use of Silica Particles to Improve Dispersion of -COOH CNTs/Carbon Fibers to Produce HyFRCC. Constr. Build. Mater. 2020, 250, 118777. [Google Scholar] [CrossRef]
- Sezer, N.; Koç, M. Oxidative Acid Treatment of Carbon Nanotubes. Surf. Interfaces 2019, 14, 1–8. [Google Scholar] [CrossRef]
- Sabziparvar, A.M.; Hosseini, E.; Chiniforush, V.; Korayem, A.H. Barriers to Achieving Highly Dispersed Graphene Oxide in Cementitious Composites: An Experimental and Computational Study. Constr. Build. Mater. 2019, 199, 269–278. [Google Scholar] [CrossRef]
- Rhee, I.; Kim, Y.A.; Shin, G.O.; Kim, J.H.; Muramatsu, H. Compressive Strength Sensitivity of Cement Mortar Using Rice Husk-Derived Graphene with a High Specific Surface Area. Constr. Build. Mater. 2015, 96, 189–197. [Google Scholar] [CrossRef]
- Scrivener, K.; Snellings, R.; Lothenbach, B. A Practical Guide to Microstructural Analysis of Cementitious Materials; CRC Press: Boca Raton, FL, USA, 2018; ISBN 9781498738675. [Google Scholar]
- Nochaiya, T.; Chaipanich, A. Behavior of Multi-Walled Carbon Nanotubes on the Porosity and Microstructure of Cement-Based Materials. Appl. Surf. Sci. 2011, 257, 1941–1945. [Google Scholar] [CrossRef]
- Hu, Y.; Luo, D.; Li, P.; Li, Q.; Sun, G. Fracture Toughness Enhancement of Cement Paste with Multi-Walled Carbon Nanotubes. Constr. Build. Mater. 2014, 70, 332–338. [Google Scholar] [CrossRef]
- Li, G.Y.; Ming, P.; Zhao, X. Mechanical Behavior and Microstructure of Cement Composites Incorporating Surface-Treated Multi-Walled Carbon Nanotubes. Carbon 2005, 43, 1239–1245. [Google Scholar] [CrossRef]
- Torabian Isfahani, F.; Li, W.; Redaelli, E. Dispersion of Multi-Walled Carbon Nanotubes and Its Effects on the Properties of Cement Composites. Cem. Concr. Compos. 2016, 74, 154–163. [Google Scholar] [CrossRef]
- Reales, O.A.M.; Toledo Filho, R.D. A Review on the Chemical, Mechanical and Microstructural Characterization of Carbon Nanotubes-Cement Based Composites. Constr. Build. Mater. 2017, 154, 697–710. [Google Scholar] [CrossRef]






| Inside Diameter (nm) | Outside Diameter (nm) | Length (µm) | SSA (m2/g) | Purity | –COOH Content (%) |
|---|---|---|---|---|---|
| 5–10 | 20–30 | 10–30 | ˃200 | 95% | 1.9–2.1% |
| Cement Paste | Cumulative Intrusion Volume (mL/g), d ˃ 50 nm | Cumulative Intrusion Volume (mL/g), d < 50 nm | Average Pore Diameter (nm) | Porosity (%) |
|---|---|---|---|---|
| 0.0% CNT | 0.0671 | 0.0350 | 31.6 | 15.11 |
| 0.1% CNT | 0.0701 | 0.0322 | 32.9 | 15.06 |
Publisher’s Note: MDPI stays neutral with regard to jurisdictional claims in published maps and institutional affiliations. |
© 2022 by the authors. Licensee MDPI, Basel, Switzerland. This article is an open access article distributed under the terms and conditions of the Creative Commons Attribution (CC BY) license (https://creativecommons.org/licenses/by/4.0/).
Share and Cite
Silvestro, L.; Lima, G.T.D.S.; Ruviaro, A.S.; Gleize, P.J.P. Stability of Carboxyl-Functionalized Carbon Nanotubes in Simulated Cement Pore Solution and Its Effect on the Compressive Strength and Porosity of Cement-Based Nanocomposites. C 2022, 8, 39. https://doi.org/10.3390/c8030039
Silvestro L, Lima GTDS, Ruviaro AS, Gleize PJP. Stability of Carboxyl-Functionalized Carbon Nanotubes in Simulated Cement Pore Solution and Its Effect on the Compressive Strength and Porosity of Cement-Based Nanocomposites. C. 2022; 8(3):39. https://doi.org/10.3390/c8030039
Chicago/Turabian StyleSilvestro, Laura, Geannina Terezinha Dos Santos Lima, Artur Spat Ruviaro, and Philippe Jean Paul Gleize. 2022. "Stability of Carboxyl-Functionalized Carbon Nanotubes in Simulated Cement Pore Solution and Its Effect on the Compressive Strength and Porosity of Cement-Based Nanocomposites" C 8, no. 3: 39. https://doi.org/10.3390/c8030039
APA StyleSilvestro, L., Lima, G. T. D. S., Ruviaro, A. S., & Gleize, P. J. P. (2022). Stability of Carboxyl-Functionalized Carbon Nanotubes in Simulated Cement Pore Solution and Its Effect on the Compressive Strength and Porosity of Cement-Based Nanocomposites. C, 8(3), 39. https://doi.org/10.3390/c8030039

