PoreVision: A Program for Enhancing Efficiency and Accuracy in SEM Pore Analyses of Gels and Other Porous Materials
Abstract
1. Introduction
2. Results and Discussion
2.1. How to Use the Program
2.2. Validation
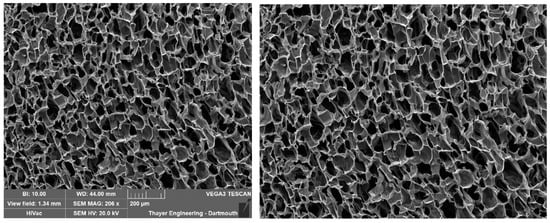
2.2.1. Sample Workflow
2.2.2. Additional Workflow Techniques
2.2.3. Individual Pore Comparison to Manual ImageJ Measurement
2.3. PoreVision Versus Manual ImageJ Measurements
2.4. PoreVision Limitations and Future Directions
3. Conclusions
4. Materials and Methods
4.1. Porous Gel Scaffold Fabrication
4.2. Scanning Electron Microscopy (SEM)
4.3. Manual Pore Measurements
4.3.1. ImageJ Pore Analysis
4.3.2. Individual Pore Comparison to Manual ImageJ Measurements
4.4. Software
4.4.1. Requirements
4.4.2. Content Localized Adaptive Histogram Equalization (CLAHE)
4.4.3. Denoising
4.4.4. Cutoff
4.4.5. Contour Detection
4.4.6. Program Fidelity
4.4.7. Saved Data
4.5. Statistics
Supplementary Materials
Author Contributions
Funding
Institutional Review Board Statement
Informed Consent Statement
Data Availability Statement
Acknowledgments
Conflicts of Interest
References
- Langer, R.; Vacanti, J.P. Tissue Engineering. Science 1993, 260, 920–926. [Google Scholar] [CrossRef] [PubMed]
- Chen, G.; Ushida, T.; Tateishi, T. Scaffold Design for Tissue Engineering. Macromol. Biosci. 2002, 2, 67–77. [Google Scholar] [CrossRef]
- Jang, J.-W.; Min, K.-E.; Kim, C.; Shin, J.; Lee, J.; Yi, S. Review: Scaffold Characteristics, Fabrication Methods, and Biomaterials for the Bone Tissue Engineering. Int. J. Precis. Eng. Manuf. 2023, 24, 511–529. [Google Scholar] [CrossRef]
- Pattanayak, I.; Alex, Y.; Mohanty, S. Advancing strategies towards the development of tissue engineering scaffolds: A review. J. Mater. Sci. 2023, 58, 12847–12898. [Google Scholar] [CrossRef]
- Kim, Y.-H.; Vijayavenkataraman, S.; Cidonio, G. Biomaterials and scaffolds for tissue engineering and regenerative medicine. BMC Methods 2024, 1, 2. [Google Scholar] [CrossRef]
- Whitaker, M.J.; Quirk, R.A.; Howdle, S.M.; Shakesheff, K.M. Growth factor release from tissue engineering scaffolds. J. Pharm. Pharmacol. 2010, 53, 1427–1437. [Google Scholar] [CrossRef] [PubMed]
- Mahumane, G.D.; Kumar, P.; Toit, L.C.D.; Choonara, Y.E.; Pillay, V. 3D scaffolds for brain tissue regeneration: Architectural challenges. Biomater. Sci. 2018, 6, 2812–2837. [Google Scholar] [CrossRef] [PubMed]
- Flores-Rojas, G.G.; Gómez-Lazaro, B.; López-Saucedo, F.; Vera-Graziano, R.; Bucio, E.; Mendizábal, E. Electrospun Scaffolds for Tissue Engineering: A Review. Macromol 2023, 3, 524–553. [Google Scholar] [CrossRef]
- Pawelec, K.M.; Wardale, R.J.; Best, S.M.; Cameron, R.E. The effects of scaffold architecture and fibrin gel addition on tendon cell phenotype. J. Mater. Sci. Mater. Med. 2015, 26, 13. [Google Scholar] [CrossRef][Green Version]
- Chan, B.P.; Leong, K.W. Scaffolding in tissue engineering: General approaches and tissue-specific considerations. Eur. Spine J. 2008, 17, 467–479. [Google Scholar] [CrossRef] [PubMed]
- Huo, L.; Li, Q.; Jiang, L.; Jiang, H.; Zhao, J.; Yang, K.; Dong, Q.; Shao, Y.; Chu, C.; Xue, F.; et al. Porous Mg–Zn–Ca scaffolds for bone repair: A study on microstructure, mechanical properties and in vitro degradation behavior. J. Mater. Sci. Mater. Med. 2024, 35, 22. [Google Scholar] [CrossRef] [PubMed]
- Koumentakou, I.; Michopoulou, A.; Noordam, M.J.; Terzopoulou, Z.; Bikiaris, D.N. 3D-printed scaffolds for tissue engineering applications using thermosensitive hydrogels based on biopolymer blends. J. Mater. Sci. 2024, 59, 9021–9041. [Google Scholar] [CrossRef]
- Kozan, N.G.; Joshi, M.; Sicherer, S.T.; Grasman, J.M. Porous biomaterial scaffolds for skeletal muscle tissue engineering. Front. Bioeng. Biotechnol. 2023, 11, 1245897. [Google Scholar] [CrossRef] [PubMed]
- Cheng, A.; Schwartz, Z.; Kahn, A.; Li, X.; Shao, Z.; Sun, M.; Ao, Y.; Boyan, B.D.; Chen, H. Advances in Porous Scaffold Design for Bone and Cartilage Tissue Engineering and Regeneration. Tissue Eng. Part B Rev. 2019, 25, 14–29. [Google Scholar] [CrossRef]
- Masood, S.H.; Singh, J.P.; Morsi, Y. The design and manufacturing of porous scaffolds for tissue engineering using rapid prototyping. Int. J. Adv. Manuf. Technol. 2005, 27, 415–420. [Google Scholar] [CrossRef]
- Sharma, A.; Bhat, S.; Vishnoi, T.; Nayak, V.; Kumar, A. Three-Dimensional Supermacroporous Carrageenan-Gelatin Cryogel Matrix for Tissue Engineering Applications. Biomed Res. Int. 2013, 2013, 478279. [Google Scholar] [CrossRef] [PubMed]
- Loh, Q.L.; Choong, C. Three-Dimensional Scaffolds for Tissue Engineering Applications: Role of Porosity and Pore Size. Tissue Eng. Part B Rev. 2013, 19, 485–502. [Google Scholar] [CrossRef] [PubMed]
- Rigby, S.P.; Porosimetry, M. Structural Characterisation of Natural and Industrial Porous Materials: A Manual; Springer International Publishing: Cham, Switzerland, 2020; pp. 49–68. [Google Scholar] [CrossRef]
- Gigac, J.; Stankovská, M.; Fišerová, M. Comparison of Capillary Flow Porometry and Mercury Intrusion Porosimetry in Determination Pore Size Distribution of Papers. Wood Res. 2017, 62, 587–596. [Google Scholar]
- Peinador, R.I.; Calvo, J.I.; Aim, R.B. Comparison of Capillary Flow Porometry (CFP) and Liquid Extrusion Porometry (LEP) Techniques for the Characterization of Porous and Face Mask Membranes. Appl. Sci. 2020, 10, 5703. [Google Scholar] [CrossRef]
- Han, K.-S.; Song, J.E.; Tripathy, N.; Kim, H.; Moon, B.M.; Park, C.H.; Khang, G. Effect of pore sizes of silk scaffolds for cartilage tissue engineering. Macromol. Res. 2015, 23, 1091–1097. [Google Scholar] [CrossRef]
- Lien, S.-M.; Ko, L.-Y.; Huang, T.-J. Effect of pore size on ECM secretion and cell growth in gelatin scaffold for articular cartilage tissue engineering. Acta Biomater. 2009, 5, 670–679. [Google Scholar] [CrossRef] [PubMed]
- Hixon, K.R.; Eberlin, C.T.; Kadakia, P.U.; McBride-Gagyi, S.H.; Jain, E.; Sell, S.A. A comparison of cryogel scaffolds to identify an appropriate structure for promoting bone regeneration. Biomed. Phys. Eng. Express 2016, 2, 035014. [Google Scholar] [CrossRef]
- Sutrisno, L.; Chen, H.; Chen, Y.; Yoshitomi, T.; Kawazoe, N.; Yang, Y.; Chen, G. Composite scaffolds of black phosphorus nanosheets and gelatin with controlled pore structures for photothermal cancer therapy and adipose tissue engineering. Biomaterials 2021, 275, 120923. [Google Scholar] [CrossRef]
- Wu, R.; Menner, A.; Bismarck, A. Macroporous polymers made from medium internal phase emulsion templates: Effect of emulsion formulation on the pore structure of polyMIPEs. Polymer 2013, 54, 5511–5517. [Google Scholar] [CrossRef]
- Bartoš, M.; Suchý, T.; Foltán, R. Note on the use of different approaches to determine the pore sizes of tissue engineering scaffolds: What do we measure? Biomed. Eng. Online 2018, 17, 110. [Google Scholar] [CrossRef] [PubMed]
- Hojat, N.; Gentile, P.; Ferreira, A.M.; Šiller, L. Automatic pore size measurements from scanning electron microscopy images of porous scaffolds. J. Porous Mater. 2023, 30, 93–101. [Google Scholar] [CrossRef]
- Habibovic, P.; Yuan, H.; van der Valk, C.M.; Meijer, G.; van Blitterswijk, C.A.; de Groot, K. 3D microenvironment as essential element for osteoinduction by biomaterials. Biomaterials 2005, 26, 3565–3575. [Google Scholar] [CrossRef] [PubMed]
- Xu, R.; Bai, Y.; Zhao, J.; Xia, H.; Kong, Y.; Yao, Z.; Yan, R.; Zhang, X.; Hu, X.; Liu, M.; et al. Silicone rubber membrane with specific pore size enhances wound regeneration. J. Tissue Eng. Regen. Med. 2018, 12, E905–E917. [Google Scholar] [CrossRef] [PubMed]
- Dainiak, M.B.; Allan, I.U.; Savina, I.N.; Cornelio, L.; James, E.S.; James, S.L.; Mikhalovsky, S.V.; Jungvid, H.; Galaev, I.Y. Gelatin–fibrinogen cryogel dermal matrices for wound repair: Preparation, optimisation and in vitro study. Biomaterials 2010, 31, 67–76. [Google Scholar] [CrossRef] [PubMed]
- Prodanov, D. Granulometry. ImageJ. 2003. Available online: https://imagej.net/ij/plugins/granulometry.html (accessed on 6 June 2024).
- Jiang, K.; Zhou, W.; Jia, N.; Liu, R.; Wang, H.; Zhou, Q.; Tang, C. Analytical Model of Shale Gas Permeability Based on the Pore Size Distribution from FE-SEM and Image Analysis. Arab. J. Sci. Eng. 2024, 49, 8661–8677. [Google Scholar] [CrossRef]
- Gómez-de-Mariscal, E.; García-López-de-Haro, C.; Ouyang, W.; Donati, L.; Lundberg, E.; Unser, M.; Muñoz-Barrutia, A.; Sage, D. DeepImageJ: A user-friendly environment to run deep learning models in ImageJ. Nat. Methods 2021, 18, 1192–1195. [Google Scholar] [CrossRef]
- Haeri, M.; Haeri, M. ImageJ Plugin for Analysis of Porous Scaffolds used in Tissue Engineering. J. Open Res. Softw. 2015, 3, e1. [Google Scholar] [CrossRef]
- Olevsky, L.M.; Anup, A.; Jacques, M.; Keokominh, N.; Holmgren, E.P.; Hixon, K.R. Direct Integration of 3D Printing and Cryogel Scaffolds for Bone Tissue Engineering. Bioengineering 2023, 10, 889. [Google Scholar] [CrossRef]
- ImageJ Documentation Wiki: Analyze Particles. Available online: https://imagejdocu.list.lu/gui/analyze/analyze_particles (accessed on 12 April 2019).
- Singhal, A.; Grande, J.C.; Zhou, Y. Micro/Nano-CT for Visualization of Internal Structures. Micros. Today 2013, 21, 16–22. [Google Scholar] [CrossRef]
- Jackson, S.J.; Niu, Y.; Manoorkar, S.; Mostaghimi, P.; Armstrong, R.T. Deep learning of multi-resolution X-Ray micro-CT images for multi-scale modelling. arXiv 2021, arXiv:2111.01270. [Google Scholar]
- Reedy, C.L.; Reedy, C.L. High-resolution micro-CT with 3D image analysis for porosity characterization of historic bricks. Herit. Sci. 2022, 10, 83. [Google Scholar] [CrossRef]
- Cobos, S.F.; Norley, C.J.; Pollmann, S.I.; Holdsworth, D.W. Cost-effective micro-CT system for non-destructive testing of titanium 3D printed medical components. PLoS ONE 2022, 17, e0275732. [Google Scholar] [CrossRef] [PubMed]
- Matsiko, A.; Gleeson, J.P.; O’Brien, F.J. Scaffold Mean Pore Size Influences Mesenchymal Stem Cell Chondrogenic Differentiation and Matrix Deposition. Tissue Eng. Part A 2015, 21, 486–497. [Google Scholar] [CrossRef] [PubMed]
- O’Brien, F.J.; Harley, B.A.; Waller, M.A.; Yannas, I.V.; Gibson, L.J.; Prendergast, P.J. The effect of pore size on permeability and cell attachment in collagen scaffolds for tissue engineering. Technol. Health Care 2006, 15, 3–17. [Google Scholar] [CrossRef]
- Lee, H.-B.; Jung, M.-H.; Kim, Y.-H.; Park, E.-B.; Jang, W.-S.; Kim, S.-J.; Choi, K.; Park, J.; Hwang, K.; Shim, J.-H.; et al. Deep learning image segmentation for the reliable porosity measurement of high-capacity Ni-based oxide cathode secondary particles. J. Anal. Sci. Technol. 2023, 14, 47. [Google Scholar] [CrossRef]
- AlMarzooqi, F.A.; Bilad, M.R.; Mansoor, B.; Arafat, H.A. A comparative study of image analysis and porometry techniques for characterization of porous membranes. J. Mater. Sci. 2016, 51, 2017–2032. [Google Scholar] [CrossRef]
- Tytgat, L.; Kollert, M.R.; Van Damme, L.; Thienpont, H.; Ottevaere, H.; Duda, G.N.; Geissler, S.; Dubruel, P.; Van Vlierberghe, S.; Qazi, T.H. Evaluation of 3D Printed Gelatin-Based Scaffolds with Varying Pore Size for MSC-Based Adipose Tissue Engineering. Macromol. Biosci. 2020, 20, e1900364. [Google Scholar] [CrossRef] [PubMed]
- Von Heimburg, D.; Kuberka, M.; Rendchen, R.; Hemmrich, K.; Rau, G.; Pallua, N. Preadipocyte-Loaded Collagen Scaffolds with Enlarged Pore Size for Improved Soft Tissue Engineering. Int. J. Artif. Organs 2003, 26, 1064–1076. [Google Scholar] [CrossRef] [PubMed]
- Mathews, A.; Colombus, S.; Krishnan, V.K.; Krishnan, L.K. Vascular tissue construction on poly(ε-caprolactone) scaffolds by dynamic endothelial cell seeding: Effect of pore size. J. Tissue Eng. Regen. Med. 2012, 6, 451–461. [Google Scholar] [CrossRef] [PubMed]
- Kathuria, N.; Tripathi, A.; Kar, K.; Kumar, A. Synthesis and characterization of elastic and macroporous chitosan–gelatin cryogels for tissue engineering. Acta Biomater. 2009, 5, 406–418. [Google Scholar] [CrossRef]
- Buades, A.; Coll, B.; Morel, J.-M. Non-Local Means Denoising. Image Process. Line 2011, 1, 208–212. [Google Scholar] [CrossRef]
- Suzuki, S. Topological structural analysis of digitized binary images by border following. Comput. Vis. Graph. Image Process 1985, 30, 32–46. [Google Scholar] [CrossRef]
- Fitzgibbon, A.; Fisher, R. A Buyer’s Guide to Conic Fitting. In Proceedings of the British Machine Vision Conference 1995; British Machine Vision Association: Glasgow, UK, 1995; pp. 51.1–51.10. [Google Scholar] [CrossRef]
- Thomas, A.; Agarwal, A.K.; Kashyap, Y.S.; Kumar, I.P.; Bera, J. Quantifying pore characteristics in polymer glass–ceramics composite scaffolds using micro-tomography. J. Mater. Res. 2024, 39, 1258–1272. [Google Scholar] [CrossRef]
- Krishnamurithy, G.; Mohan, S.; Yahya, N.A.; Mansor, A.; Murali, M.R.; Raghavendran, H.R.B.; Choudhary, R.; Sasikumar, S.; Kamarul, T. The physicochemical and biomechanical profile of forsterite and its osteogenic potential of mesenchymal stromal cells. PLoS ONE 2019, 14, e0214212. [Google Scholar] [CrossRef] [PubMed]



















| Setting | Description |
|---|---|
| Minimum Pore Size: | The minimum size of pore, in pixels, that the program will consider for analysis. Can be useful for preventing the reading of noise and other features such as dust, cracks, and folds in the cryogel that are sometimes read as contours (i.e., detected pores that are too small may not be real pores) |
| Maximum Pore Size: | The maximum size of contour, in pixels, that the program will consider for analysis |
| Denoising Strength: | The strength of the denoising operation |
| Denoising Size: | The size of the kernel (in pixels) used for the denoising operation |
| Grayscale Threshold: | The cutoff value used for binary thresholding |
| CLAHE size: | The size of the kernel used for CLAHE |
| Supply Scale: | Allows the user to analyze the image in terms of pixels, a supplied scale, or attempt to read the scale from the image (some models of Tescan SEMs work) |
| Setting | Description |
|---|---|
| Detected Contours: | This option displays the contours detected by the last analysis pass in green on the original image. It is on by default. |
| Saved Contours: | This option displays contours saved by the user in gold. It is on by default. These contours will persist between analysis passes. |
| Removed Contours: | This option displays contours removed due to size (blue), hierarchy (magenta), or by the user (orange). |
| Orientation Lines: | This option displays different options to visualize the “directionality” of pores including orientation, major axis, minor axis, and fitted ellipse. |
| Number Labels: | This option prints a number in red on each detected pore on the resulting image. |
| PoreVision | ImageJ | % Difference | |||||||
|---|---|---|---|---|---|---|---|---|---|
| Area (µm2) | Perimeter (µm2) | Orientation (°) | Area (µm2) | Perimeter (µm2) | Orientation (°) | Area (µm2) | Perimeter (µm2) | Orientation (°) | |
| 1 | 1000 | 151 | 51 | 1271 | 192 | 78 | 21.3% | 21.3% | 34.0% |
| 2 | 1262 | 139 | 124 | 1269 | 134 | 137 | 0.5% | 3.4% | 9.6% |
| 3 | 1119 | 137 | 108 | 1123 | 137 | 129 | 0.4% | 0.4% | 16.3% |
| 4 | 1238 | 191 | 170 | 1096 | 166 | 140 | 13.0% | 14.9% | 21.0% |
| 5 | 487 | 88 | 121 | 442 | 84 | 129 | 10.2% | 4.4% | 6.5% |
| 6 | 866 | 179 | 163 | 876 | 178 | 163 | 1.1% | 0.4% | 0.2% |
| 7 | 4730 | 421 | 111 | 4772 | 393 | 120 | 0.9% | 7.2% | 8.0% |
| 8 | 2710 | 275 | 96 | 2696 | 259 | 80 | 0.5% | 6.1% | 19.7% |
| 9 | 4942 | 362 | 101 | 5228 | 312 | 100 | 5.5% | 16.0% | 1.0% |
| 10 | 2613 | 250 | 115 | 2551 | 242 | 125 | 2.4% | 3.2% | 7.7% |
| Average % Difference: | 5.6% | 7.7% | 12.4% | ||||||
| Mean of Averages | Standard Deviation of Averages | Mean of Standard Deviations | ||
|---|---|---|---|---|
| ImageJ | Area (µm2) | 2313.2 | 581.6 | 1399.4 |
| Perimeter (µm) | 172.6 | 24.0 | 52.0 | |
| Orientation (°) | 111.8 | 5.2 | 24.0 | |
| Time (min) | 30.0 | 6.1 | 6.1 | |
| PoreVision | Area (µm2) | 1728.8 | 302.6 | 1652.2 |
| Perimeter (µm) | 214.0 | 24.3 | 139.4 | |
| Orientation (°) | 101.0 | 1.6 | 37.2 | |
| Time (min) | 31.0 | 13.4 | 13.4 | |
| % Difference | Area (µm2) | −25.3% | −48.0% | 18.1% |
| Perimeter (µm) | * 24.0% | 1.2% | * 168.3% | |
| Orientation (°) | * −9.7% | * −68.8% | * 55.0% | |
| Time (min) | 3.3% | 119.1% | 119.1% |
Disclaimer/Publisher’s Note: The statements, opinions and data contained in all publications are solely those of the individual author(s) and contributor(s) and not of MDPI and/or the editor(s). MDPI and/or the editor(s) disclaim responsibility for any injury to people or property resulting from any ideas, methods, instructions or products referred to in the content. |
© 2025 by the authors. Licensee MDPI, Basel, Switzerland. This article is an open access article distributed under the terms and conditions of the Creative Commons Attribution (CC BY) license (https://creativecommons.org/licenses/by/4.0/).
Share and Cite
Olevsky, L.M.; Jacques, M.G.; Hixon, K.R. PoreVision: A Program for Enhancing Efficiency and Accuracy in SEM Pore Analyses of Gels and Other Porous Materials. Gels 2025, 11, 132. https://doi.org/10.3390/gels11020132
Olevsky LM, Jacques MG, Hixon KR. PoreVision: A Program for Enhancing Efficiency and Accuracy in SEM Pore Analyses of Gels and Other Porous Materials. Gels. 2025; 11(2):132. https://doi.org/10.3390/gels11020132
Chicago/Turabian StyleOlevsky, Levi M., Mason G. Jacques, and Katherine R. Hixon. 2025. "PoreVision: A Program for Enhancing Efficiency and Accuracy in SEM Pore Analyses of Gels and Other Porous Materials" Gels 11, no. 2: 132. https://doi.org/10.3390/gels11020132
APA StyleOlevsky, L. M., Jacques, M. G., & Hixon, K. R. (2025). PoreVision: A Program for Enhancing Efficiency and Accuracy in SEM Pore Analyses of Gels and Other Porous Materials. Gels, 11(2), 132. https://doi.org/10.3390/gels11020132

