A Simple Picaxe Microcontroller Pulse Source for Juxtacellular Neuronal Labelling †
Abstract
:1. Introduction
2. Experimental Section
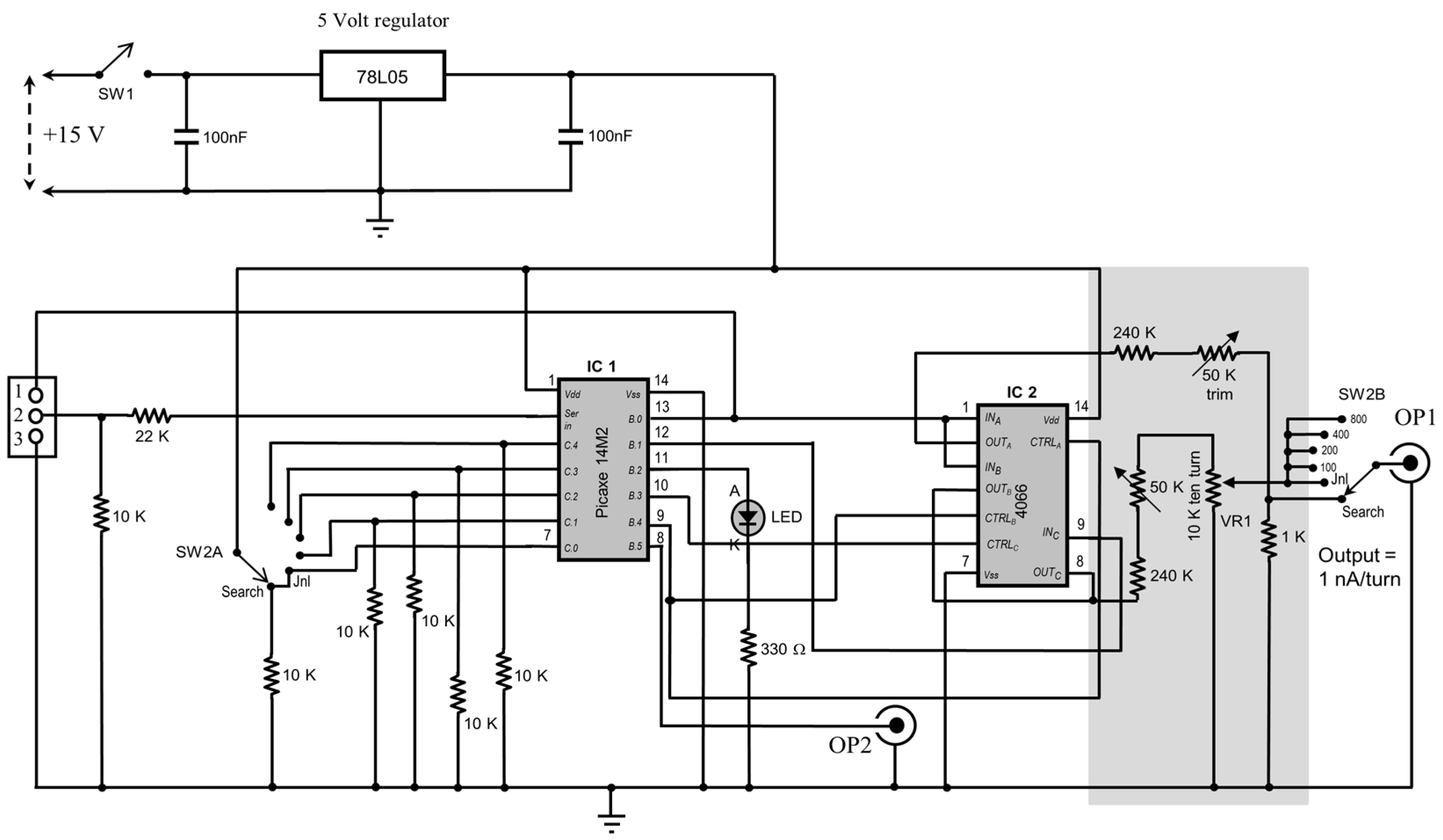
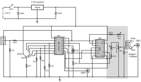
2.1. Overall Design
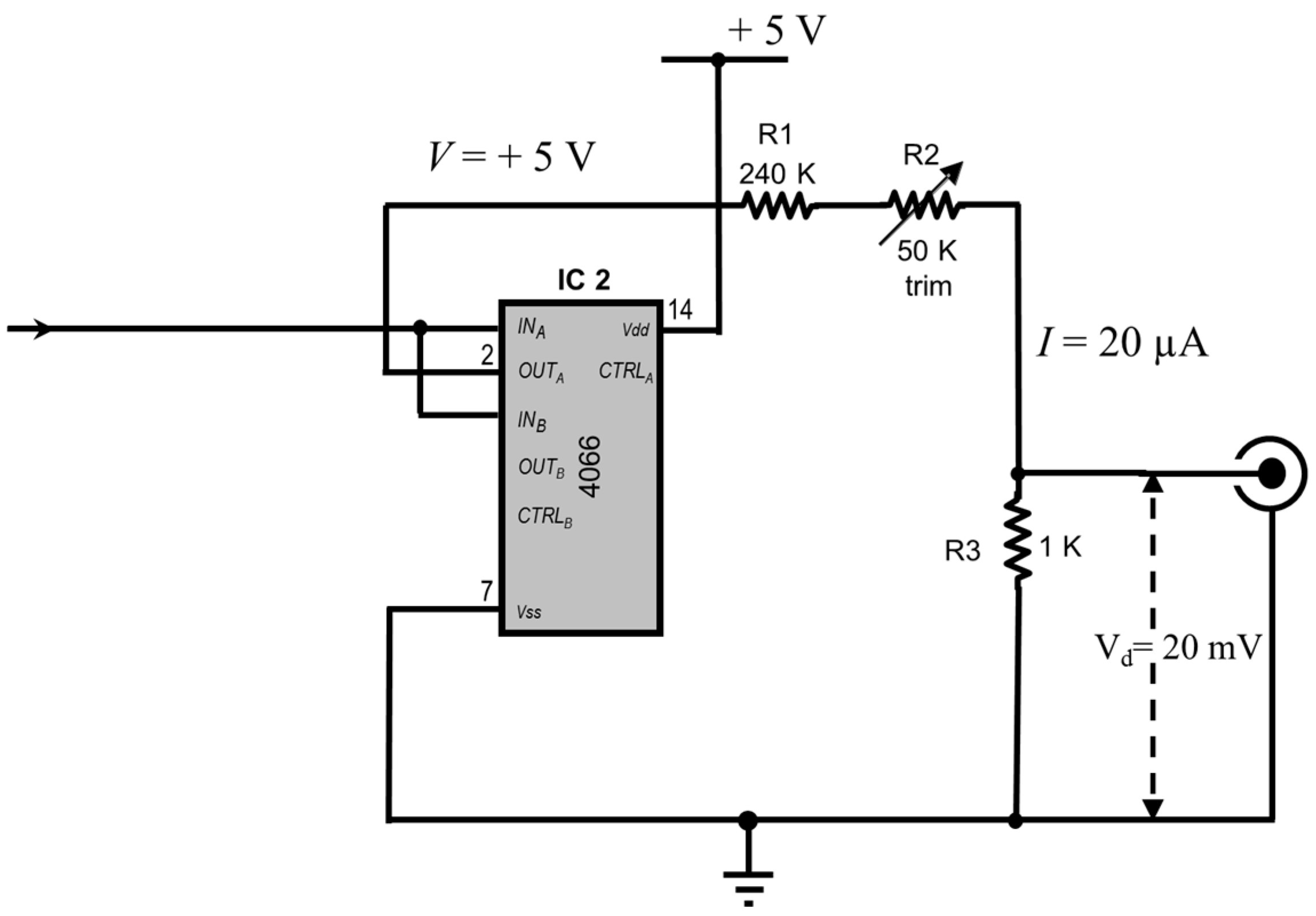
2.2. Circuit Design
2.3. Code Operation
2.4. Calibration
2.5. Programming the 14M2 Chip
2.6. Operation
3. Conclusion
Supplementary Materials
Acknowledgments
Author contributions
Conflicts of Interest
References
- Pinault, D. Golgi-like labeling of a single neuron recorded extracellularly. Neurosci. Lett. 1994, 170, 255–260. [Google Scholar] [CrossRef]
- Pinault, D. A novel single-cell staining procedure performedin vivo under electrophysiological control: Morpho-functional features of juxtacellularly labeled thalamic cells and other central neurons with biocytin or neurobiotin. J. Neurosci. Meth. 1996, 65, 113–136. [Google Scholar] [CrossRef]
- Kitai, S.T.; Penny, G.R.; Chang, H.T. Intracellular labeling and immunocytochemistry. In Neuroanatomical Tract-Tracing Methods 2. Recent Progress; Heimer, L., Zaborsky, L., Eds.; Plenum Press: New York, NY, USA, 1989; pp. 173–199. [Google Scholar]
- Burman, K.J.; Sartor, D.M.; Verberne, A.J.M.; Llewellyn-Smith, I.J. Cocaine- and amphetamine-regulated transcript in catecholamine and non-catecholamine bulbospinal, barosensitive neurons of the rat rostral ventrolateral medulla. J. Comp. Neurol. 2004, 476, 19–31. [Google Scholar] [CrossRef] [PubMed]
- Sartor, D.M.; Verberne, A.J.M. Phenotypic identification of rat rostroventrolateral medullary presympathetic neurons inhibited by exogenous cholecystokinin. J. Comp. Neurol. 2003, 465, 467–479. [Google Scholar] [CrossRef] [PubMed]
- Verberne, A.J.M.; Stornetta, R.L.; Guyenet, P.G. Properties of C1 and other ventrolateral medullary neurones with hypothalamic projections in the rat. J. Physiol. (Lond.) 1999, 517, 477–494. [Google Scholar] [CrossRef]
- Andrew, R.D.; Fagan, M. A technique for controlling the membrane potential of neurons during unit recording. J. Neurosci. Meth. 1990, 33, 55–60. [Google Scholar] [CrossRef]
- Kurtz, T.E. BASIC. In History of Programming Languages; Wexelblat, R.L., Ed.; ACM: New York, NY, USA, 1981; pp. 515–537. [Google Scholar]
- Houweling, A.R.; Doron, G.; Voigt, B.C.; Herfst, L.J.; Brecht, M. Nanostimulation: Manipulation of single neuron activity by juxtacellular current injection. J. Neurophysiol. 2010, 103, 1696–1704. [Google Scholar] [CrossRef] [PubMed]
- Wiltronics. Available online: https://wiltronics.com.au/ (accessed on 7 September 2016).
- Picaxe. Available online: http://www.picaxe.com/Software/PICAXE/PICAXE-Editor-6/ (accessed on 7 September 2016).



| Semiconductors | Picaxe 14M2 Microcontroller Chip LM78L05 Low Power 3 Terminal 5 V Regulator Light Emitting Diode (A standard red or green led is compatible with the 330 ω resistor used in the prototype. If a blue or white led is chosen, the value of the resistor will need to be adjusted.) |
| Resistors | 240 K, 1% × 2 22 K, 1% 10 K, 1% × 6 1 K, 1% 330 Ω, 1% 10 K Helical 10-turn Potentiometer 50 K 10-turn trim potentiometer × 2 |
| Capacitors | 100 nF Polyester × 2 |
| Hardware | 14 pin DIP IC Socket × 2 2 pole, 6 Position Switch Stereo Phono Socket 3.5 mm, PCB Mount Printed Circuit Board (See Text for Details) Picaxe AXE027 USB Cable BNC Socket |
© 2016 by the author; licensee MDPI, Basel, Switzerland. This article is an open access article distributed under the terms and conditions of the Creative Commons Attribution (CC-BY) license (http://creativecommons.org/licenses/by/4.0/).
Share and Cite
Verberne, A.J.M. A Simple Picaxe Microcontroller Pulse Source for Juxtacellular Neuronal Labelling. Bioengineering 2016, 3, 27. https://doi.org/10.3390/bioengineering3040027
Verberne AJM. A Simple Picaxe Microcontroller Pulse Source for Juxtacellular Neuronal Labelling. Bioengineering. 2016; 3(4):27. https://doi.org/10.3390/bioengineering3040027
Chicago/Turabian StyleVerberne, Anthony J. M. 2016. "A Simple Picaxe Microcontroller Pulse Source for Juxtacellular Neuronal Labelling" Bioengineering 3, no. 4: 27. https://doi.org/10.3390/bioengineering3040027
APA StyleVerberne, A. J. M. (2016). A Simple Picaxe Microcontroller Pulse Source for Juxtacellular Neuronal Labelling. Bioengineering, 3(4), 27. https://doi.org/10.3390/bioengineering3040027

