Optimized Conditions for Electrical Tissue Stimulation with Biphasic, Charge-Balanced Impulses
Abstract
1. Introduction
- Development of a simple and sensitive method to quantify the electrochemical reactivity of biphasic stimulation impulses.
- Determination of the impact of charge balance on the electrochemical properties of biphasic stimulation impulses.
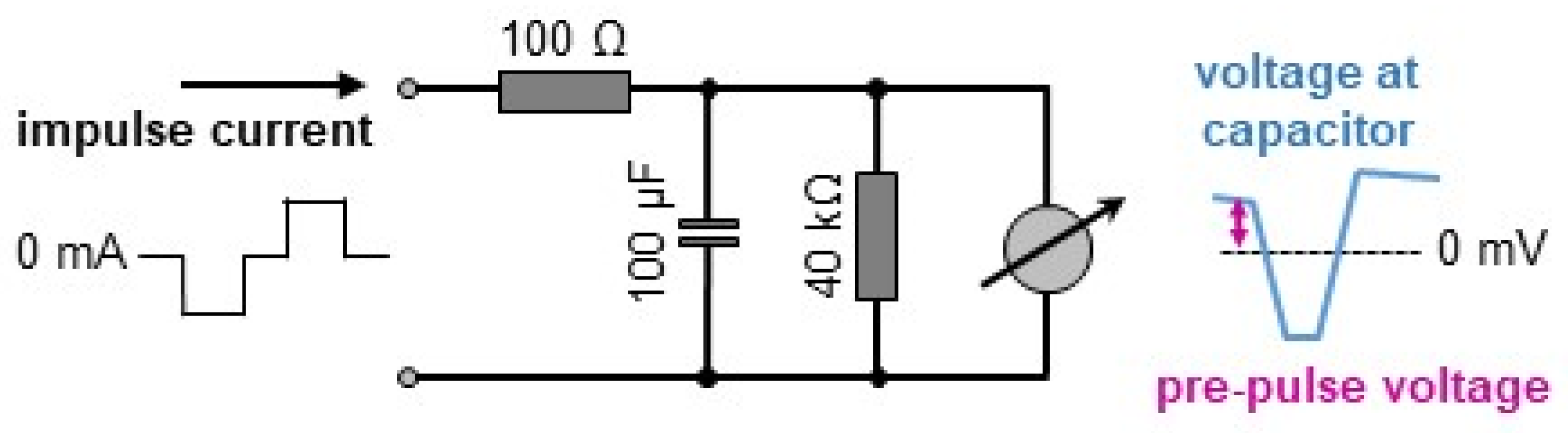
- Evaluation of capacitive electrode coupling and active impulse adaptation as the technical means to establish charge balance.
- Evaluation of various pulse configurations with regard to the individual biological excitation efficacy and electrochemical compatibility.
- Demonstration of the benefit of charge-balanced stimulation for the cultivation of adult pig myocardium.
2. Materials and Methods
2.1. Electrochemical Degradation of Phenol Red
2.2. Balance and Regulation of Stimulation Impulse Charges
2.3. Culture and Analysis of Living Heart Slices
2.4. Statistics
3. Results
3.1. Full Charge Balance of Biphasic Stimulation Minimizes the Degradation of the Redox-Indicator Phenol Red
3.2. Capacitive Electrode Coupling Enforces Charge Balance and Improves the Electrochemical Compatibility of Stimulation
3.3. Electrode Polarization Enables Active Feedback Regulation of Impulse Charges
3.4. Stimulation Efficacies of Various Impulse Configurations in Cultivated Pig Myocardium
3.5. Electrochemical Compatibility of Symmetric Biphasic Impulses with Various Pulse Timings
3.6. Electrochemical Damage in Continuously Stimulated Cultured Myocardium
4. Discussion
4.1. Principles of Pulsatile Field Stimulation and Charge Balance
4.2. Electrode Reactions of Phenol Red and Electrolyte Constituents
4.3. Technical Implementation of Charge Balance
4.4. Optimization of Impulse Shapes and Currents
5. Conclusions
Supplementary Materials
Author Contributions
Funding
Institutional Review Board Statement
Informed Consent Statement
Data Availability Statement
Acknowledgments
Conflicts of Interest
References
- Berger, H.J.; Prasad, S.K.; Davidoff, A.J.; Pimental, D.; Ellingsen, O.; Marsh, J.D.; Smith, T.W.; Kelly, R.A. Continual Electric Field Stimulation Preserves Contractile Function of Adult Ventricular Myocytes in Primary Culture. Am. J. Physiol. 1994, 266, H341–H349. [Google Scholar] [CrossRef] [PubMed]
- Meng, S.; Rouabhia, M.; Zhang, Z. Electrical Stimulation and Cellular Behaviors in Electric Field in Biomedical Research. Materials 2021, 15, 165. [Google Scholar] [CrossRef]
- Guette-Marquet, S.; Roques, C.; Bergel, A. Theoretical Analysis of the Electrochemical Systems Used for the Application of Direct Current/Voltage Stimuli on Cell Cultures. Bioelectrochemistry 2021, 139, 107737. [Google Scholar] [CrossRef] [PubMed]
- Cogan, S.F. Neural Stimulation and Recording Electrodes. Annu. Rev. Biomed. Eng. 2008, 10, 275–309. [Google Scholar] [CrossRef] [PubMed]
- Fischer, C.; Milting, H.; Fein, E.; Reiser, E.; Lu, K.; Seidel, T.; Schinner, C.; Schwarzmayr, T.; Schramm, R.; Tomasi, R.; et al. Long-Term Functional and Structural Preservation of Precision-Cut Human Myocardium under Continuous Electromechanical Stimulation in Vitro. Nat. Commun. 2019, 10, 117. [Google Scholar] [CrossRef] [PubMed]
- Poch, C.M.; Dendorfer, A.; Laugwitz, K.-L.; Moretti, A. Ex Vivo Culture and Contractile Force Measurements of Non-Human Primate Heart Slices. Bio Protoc. 2023, 13, e4750. [Google Scholar] [CrossRef]
- Weinberg, N.L.; Weinberg, H.R. Electrochemical Oxidation of Organic Compounds. Chem. Rev. 1968, 68, 449–523. [Google Scholar] [CrossRef]
- Afify, A.A.; Hassan, G.K.; Al-Hazmi, H.E.; Kamal, R.M.; Mohamed, R.M.; Drewnowski, J.; Majtacz, J.; Mąkinia, J.; El-Gawad, H.A. Electrochemical Production of Sodium Hypochlorite from Salty Wastewater Using a Flow-by Porous Graphite Electrode. Energies 2023, 16, 4754. [Google Scholar] [CrossRef]
- Verzola, M.A.; Oliveira, K.S.G.C.; Ruotolo, L.A.M. Optimization of Electrochemical Degradation of Organics Considering the Simultaneous Effects of Electroactive Area and Mass Transfer on Current Modulation. J. Environ. Chem. Eng. 2022, 10, 107395. [Google Scholar] [CrossRef]
- Persat, A.; Suss, M.E.; Santiago, J.G. Basic Principles of Electrolyte Chemistry for Microfluidic Electrokinetics. Part II: Coupling between Ion Mobility, Electrolysis, and Acid-Base Equilibria. Lab Chip 2009, 9, 2454–2469. [Google Scholar] [CrossRef] [PubMed]
- Hassel, A.W.; Fushimi, K.; Seo, M. An Agar-Based Silver|silver Chloride Reference Electrode for Use in Micro-Electrochemistry. Electrochem. Commun. 1999, 1, 180–183. [Google Scholar] [CrossRef]
- Merrill, D.R.; Bikson, M.; Jefferys, J.G.R. Electrical Stimulation of Excitable Tissue: Design of Efficacious and Safe Protocols. J. Neurosci. Methods 2005, 141, 171–198. [Google Scholar] [CrossRef]
- Chiu, L.L.Y.; Iyer, R.K.; King, J.-P.; Radisic, M. Biphasic Electrical Field Stimulation Aids in Tissue Engineering of Multicell-Type Cardiac Organoids. Tissue Eng. Part A 2011, 17, 1465–1477. [Google Scholar] [CrossRef] [PubMed]
- Pietronave, S.; Zamperone, A.; Oltolina, F.; Colangelo, D.; Follenzi, A.; Novelli, E.; Diena, M.; Pavesi, A.; Consolo, F.; Fiore, G.B.; et al. Monophasic and Biphasic Electrical Stimulation Induces a Precardiac Differentiation in Progenitor Cells Isolated from Human Heart. Stem Cells Dev. 2014, 23, 888–898. [Google Scholar] [CrossRef] [PubMed]
- Gabetti, S.; Sileo, A.; Montrone, F.; Putame, G.; Audenino, A.L.; Marsano, A.; Massai, D. Versatile Electrical Stimulator for Cardiac Tissue Engineering—Investigation of Charge-Balanced Monophasic and Biphasic Electrical Stimulations. Front. Bioeng. Biotechnol. 2023, 10, 1031183. [Google Scholar] [CrossRef]
- Hirt, M.N.; Boeddinghaus, J.; Mitchell, A.; Schaaf, S.; Börnchen, C.; Müller, C.; Schulz, H.; Hubner, N.; Stenzig, J.; Stoehr, A.; et al. Functional Improvement and Maturation of Rat and Human Engineered Heart Tissue by Chronic Electrical Stimulation. J. Mol. Cell. Cardiol. 2014, 74, 151–161. [Google Scholar] [CrossRef] [PubMed]
- Tandon, N.; Marsano, A.; Maidhof, R.; Wan, L.; Park, H.; Vunjak-Novakovic, G. Optimization of Electrical Stimulation Parameters for Cardiac Tissue Engineering. J. Tissue Eng. Regen. Med. 2011, 5, e115–e125. [Google Scholar] [CrossRef]
- Bassani, R.A.; Lima, K.A.; Gomes, P.A.P.; Oliveira, P.X.; Bassani, J.W.M. Combining Stimulus Direction and Waveform for Optimization of Threshold Stimulation of Isolated Ventricular Myocytes. Physiol. Meas. 2006, 27, 851–863. [Google Scholar] [CrossRef] [PubMed]
- Plonsey, R.; Barr, R.C. Bioelectricity: A Quantitative Approach, 3rd ed.; 2007 Edition; Springer: Boston, MA, USA, 2007; ISBN 978-0-387-48864-6. [Google Scholar]
- Rasouli, Z.; Abdollahi, H.; Maeder, M. Generalized Indicator-Based Determination of Solution pH. Anal. Chim. Acta 2020, 1109, 90–97. [Google Scholar] [CrossRef]
- Sanromán, M.A.; Pazos, M.; Ricart, M.T.; Cameselle, C. Electrochemical Decolourisation of Structurally Different Dyes. Chemosphere 2004, 57, 233–239. [Google Scholar] [CrossRef]
- Ismaili, D.; Schulz, C.; Horváth, A.; Koivumäki, J.T.; Mika, D.; Hansen, A.; Eschenhagen, T.; Christ, T. Human Induced Pluripotent Stem Cell-Derived Cardiomyocytes as an Electrophysiological Model: Opportunities and Challenges—The Hamburg Perspective. Front. Physiol. 2023, 14, 1132165. [Google Scholar] [CrossRef] [PubMed]
- Tandon, N.; Cannizzaro, C.; Chao, P.-H.G.; Maidhof, R.; Marsano, A.; Au, H.T.H.; Radisic, M.; Vunjak-Novakovic, G. Electrical Stimulation Systems for Cardiac Tissue Engineering. Nat. Protoc. 2009, 4, 155–173. [Google Scholar] [CrossRef]
- Spallacci, C.; Görlin, M.; Kumar, A.; D’Amario, L.; Cheah, M.H. Fabricating High-Purity Graphite Disk Electrodes as a Cost-Effective Alternative in Fundamental Electrochemistry Research. Sci. Rep. 2024, 14, 4258. [Google Scholar] [CrossRef]
- Mchedlov-Petrossyan, N.O.; Kukhtik, V.I.; Bezugliy, V.D. Dissociation, Tautomerism and Electroreduction of Xanthene and Sulfonephthalein Dyes in N,N-Dimethylformamide and Other Solvents. J. Phys. Org. Chem. 2003, 16, 380–397. [Google Scholar] [CrossRef]
- Hsieh, M.-T.; Whang, T.-J. Mechanistic Investigation on the Electropolymerization of Phenol Red by Cyclic Voltammetry and the Catalytic Reactions toward Acetaminophen and Dopamine Using Poly(Phenol Red)-Modified GCE. J. Electroanal. Chem. 2017, 795, 130–140. [Google Scholar] [CrossRef]
- Senne, J.K.; Marple, L.W. Electrochemical Reduction of Phenol Red. Anal. Chem. 1970, 42, 1147–1150. [Google Scholar] [CrossRef]
- Ehlich, J.; Vašíček, Č.; Dobeš, J.; Ruggiero, A.; Vejvodová, M.; Głowacki, E.D. Shattering the Water Window: Comprehensive Mapping of Faradaic Reactions on Bioelectronics Electrodes. ACS Appl. Mater. Interfaces 2024, 16, 53567–53576. [Google Scholar] [CrossRef] [PubMed]
- Heard, D.M.; Lennox, A.J.J. Electrode Materials in Modern Organic Electrochemistry. Angew. Chem. Int. Ed. 2020, 59, 18866–18884. [Google Scholar] [CrossRef]
- Wei, L.; Chen, Y. Degradation of Carbon Materials in Electrocatalysis. Curr. Opin. Electrochem. 2022, 36, 101159. [Google Scholar] [CrossRef]
- Rueffer, M.; Bejan, D.; Bunce, N.J. Graphite: An Active or an Inactive Anode? Electrochim. Acta 2011, 56, 2246–2253. [Google Scholar] [CrossRef]
- Yi, Y.; Weinberg, G.; Prenzel, M.; Greiner, M.; Heumann, S.; Becker, S.; Schlögl, R. Electrochemical Corrosion of a Glassy Carbon Electrode. Catal. Today 2017, 295, 32–40. [Google Scholar] [CrossRef]
- Brandenburger, M.; Wenzel, J.; Bogdan, R.; Richardt, D.; Nguemo, F.; Reppel, M.; Hescheler, J.; Terlau, H.; Dendorfer, A. Organotypic Slice Culture from Human Adult Ventricular Myocardium. Cardiovasc. Res. 2012, 93, 50–59. [Google Scholar] [CrossRef]
- Cao-Ehlker, X.; Fischer, C.; Lu, K.; Bruegmann, T.; Sasse, P.; Dendorfer, A.; Tomasi, R. Optimized Conditions for the Long-Term Maintenance of Precision-Cut Murine Myocardium in Biomimetic Tissue Culture. Bioengineering 2023, 10, 171. [Google Scholar] [CrossRef]
- Li, X.; Zhong, S.; Morizio, J. 16-Channel Biphasic Current-Mode Programmable Charge Balanced Neural Stimulation. BioMed. Eng. OnLine 2017, 16, 104. [Google Scholar] [CrossRef]
- Ceramic Capacitor. Wikipedia 2025. Available online: https://en.wikipedia.org/wiki/ceramic_capacitor (accessed on 1 January 2025).
- Yamashita, M. Weak Electric Fields Serve as Guidance Cues That Direct Retinal Ganglion Cell Axons in Vitro. Biochem. Biophys. Rep. 2015, 4, 83–88. [Google Scholar] [CrossRef] [PubMed]
- McCaig, C.D.; Rajnicek, A.M.; Song, B.; Zhao, M. Controlling Cell Behavior Electrically: Current Views and Future Potential. Physiol. Rev. 2005, 85, 943–978. [Google Scholar] [CrossRef] [PubMed]







Disclaimer/Publisher’s Note: The statements, opinions and data contained in all publications are solely those of the individual author(s) and contributor(s) and not of MDPI and/or the editor(s). MDPI and/or the editor(s) disclaim responsibility for any injury to people or property resulting from any ideas, methods, instructions or products referred to in the content. |
© 2025 by the authors. Licensee MDPI, Basel, Switzerland. This article is an open access article distributed under the terms and conditions of the Creative Commons Attribution (CC BY) license (https://creativecommons.org/licenses/by/4.0/).
Share and Cite
Sun, Z.; Sen, P.; Hamers, J.; Seidel, T.; Dendorfer, A.; Kameritsch, P. Optimized Conditions for Electrical Tissue Stimulation with Biphasic, Charge-Balanced Impulses. Bioengineering 2025, 12, 234. https://doi.org/10.3390/bioengineering12030234
Sun Z, Sen P, Hamers J, Seidel T, Dendorfer A, Kameritsch P. Optimized Conditions for Electrical Tissue Stimulation with Biphasic, Charge-Balanced Impulses. Bioengineering. 2025; 12(3):234. https://doi.org/10.3390/bioengineering12030234
Chicago/Turabian StyleSun, Zhengwu, Payel Sen, Jules Hamers, Thomas Seidel, Andreas Dendorfer, and Petra Kameritsch. 2025. "Optimized Conditions for Electrical Tissue Stimulation with Biphasic, Charge-Balanced Impulses" Bioengineering 12, no. 3: 234. https://doi.org/10.3390/bioengineering12030234
APA StyleSun, Z., Sen, P., Hamers, J., Seidel, T., Dendorfer, A., & Kameritsch, P. (2025). Optimized Conditions for Electrical Tissue Stimulation with Biphasic, Charge-Balanced Impulses. Bioengineering, 12(3), 234. https://doi.org/10.3390/bioengineering12030234

