Abstract
Prospective environmental and technological assessment of emerging chemical processes is necessary to identify, analyze and evaluate the technologies that are highly imperative in the transition towards climate neutrality. The investigation of the environmental impacts and material and energy requirements of the processes at the low technology readiness level (TRL) is important in making early decisions about the feasibility of adapting and upscaling the process to the industrial level. However, the upscaling of new chemical processes has always been a major challenge; and in this context, there is no general methodological guidance available in the literature. Hence, a new comprehensive methodological framework for upscaling of novel chemical processes is designed and presented based on thermodynamic process modeling and simulation. The practical implementation of the proposed methodology is extensively discussed by developing a scaled-up novel carbon capture and utilization (CCU) process comprised of sequestration of carbon dioxide (CO2) from blast furnace gas with a capacity of 1000 liter per hour (L/h) using methanol and its utilization as a precursor to produce methane (CH4). It was found that thermodynamic process modeling and simulations based on the perturbed-chain statistical associating (PC-SAFT) equation of state (EOS) can precisely estimate the CO2 solubility in methanol and conversion to CH4 at various temperature and pressure conditions. The achieved thermophysical property and kinetics parameters can be employed in process simulations to estimate scaled-up environmental flows and material and energy requirements of the process.
1. Introduction
Emerging technologies are often characterized based on their technological readiness level (TRL) between 2 (technology concept formulation) and 7 (demonstration plant) for clearer delineation. During upscaling of emerging technologies in prospective life cycle assessment (pLCA), the (emerging) technology studied is in an early phase of development, represented as ‘to’, as shown in Figure 1, but the technology is modelled at a future more developed phase, represented as ‘tf’ (pilot/industrial scale) [1,2,3].
Figure 1.
Schematic diagram of upscaling from the emerging process to the pilot/industrial scale.
The upscaling of chemical processes at the early stage of development is incorporated with numerous challenges and complications, among which lack of relevant data, uncertainties and scale-up factors are of paramount importance [4,5]. The unavailability of sufficient inventory data for emerging chemical technologies is a major challenge due to the scarcity of historic data on synthesis procedures and confidentiality reasons. Thus, the available data are usually not adequate to estimate scaled-up environmental impacts and material and energy flows [6,7].
Uncertainties in modeling novel chemical processes is another big issue because processes at the early stage of development do not show the same level of complexity as mature industrial processes because various process steps do not directly link with each other at this level [8,9]. Moreover, the type of process equipment used in the development phase are not equivalent to equipment used for the industrial scale [10,11]. In addition, the exploitation of large material and energy flowrates and equipment in industrial chemical processes may drastically change the transfer mechanisms and the outcome of the processes, since high volumes may create dangerous operating conditions [12].
Other crucial problems are related to scale-up factors, the estimation of which with high precision is very strenuous due to the huge differences between emerging and mature technologies and could be feasible after reaching a certain production volume [4]. These factors are concerned with processing methods complexity, sizing of unit processes and unit operation equipment, estimation of process yields, conversion rates and various efficiency constraints such as reuse and recycle of materials and process heat integration and utilization [13,14]. Therefore, it is necessary to develop a systematic methodology that can override the upscaling issues practically and predict scaled-up material and energy requirements and environmental emissions accurately.
Many scientists have presented methodological frameworks and techniques to address upscaling problems but it is still a huge milestone to reach because there is no standard approach and general agreement between life cycle assessment (LCA) practitioners and process engineers on how upscaling should be performed. The methods available in the literature lack significant steps in calculating scaling factors and do not take into account all process-related factors linked to recycling considerations, theoretical considerations, thermal characteristics, complex integration of process equipment [13,15,16]. In some studies, individual methods for scale-up, e.g., scaling laws, proxies, artificial neural networks, and theoretical methods based on engineering laws, etc. [17,18,19,20], have been used while others used a combination of different methods [11,13]. However, none of the studies has presented a method, technique or framework that can accommodate all previously mentioned issues related to upscaling and integrate all the complexities associating with modeling of chemical processes.
Hence, in this study, a novel methodological framework is developed based on thermodynamic process modeling and simulation with the aim of tackling all major challenges of upscaling chemical processes, considering all process-related factors and proposing a simpler, generic and reliable guideline. In this paper, I have proposed a comprehensive methodological guideline to perform environmental assessment and calculated scaled-up material and energy flows of chemical technologies in development phase with practical implementation of framework steps on the upscaling of new process based on carbon capture and utilization (CCU) described in Section 5. The process modelled with proposed framework is not only composed of sophisticated processes of CO2 sequestration from blast furnace gas (BFG) and its catalytic hydrogenation to synthetic natural gas (SNG) but also complex process integration that makes the method implementation more constructive and practicable for other complex and energy-intensive processes.
2. Materials and Methods
First, a literature review was conducted to assess state-of-the-art methods available in the context of upscaling emerging chemical processes. The methods were studied in broader context with their respective case studies and examples and their major advantages and drawbacks were identified. In next step, a comprehensive study was conducted to develop a methodological framework for upscaling of novel chemical processes based on thermodynamic process modeling and simulation. During the analysis, various thermodynamic models were studied and applied using mathematical modeling software MATLAB to produce thermodynamic data. The generated results were compared with thermophysical property databases of NIST and experimental datasets from research articles and patents. The models were then practiced on several pre-existing case studies using process simulation software to scrutinize model and calculation method.
For scaling up the novel CCU process presented in this study, the data on thermodynamic physical properties, equipment design and process intensification was collected from chemical and process engineering books and guidelines, research articles, patents, NIST thermo data engine (TDE), expert opinions, and laboratory and industrial visits. Using the gathered information, the thermodynamic process models were developed and implemented on Aspen Plus simulation software to estimate thermophysical pure and binary interaction parameters for the components participating in the process. After model validation by comparing the experimental data and model predictions, the process simulations were carried out and scaled-up material and energy flow streams were generated based on defined functional unit. The framework was constructed based on the steps that has been followed during the upscaling of process and organized in chronological order as discussed in Section 4. At the end, all steps of the resulted framework were re-considered and implemented again on the process to authenticate the framework and expected results.
3. The Literature Review
This section focuses on state-of-the-art methods in the literature that have been applied considerably to deal with issues concerned with upscaling of emerging chemical processes. In this section, various upscaling procedures based on engineering and empirical calculations, scientific principles, power laws, proxies, prognosis, and artificial neural networks, etc., described in the context of early stage assessment of emerging processes are reviewed [9,10,14,21,22] as shown in Figure 2. The literature showed that upscaling was mainly based on expert opinions, manual calculations, molecular structure based models (MSMs), pilot-plant data, experiments, and analogies with existing technologies which were considered as having a similar behavior [20,23,24]. The upscaling strategies for emerging chemical processes found in the literature review are described in following section.
Figure 2.
Methodologies for upscaling of emerging chemical processes.
3.1. Methodologies for Upscaling Emerging Chemical Processes
In this section, the widely adapted methodologies by previous studies in the literature for upscaling of emerging chemical processes are described in broader context. Also, it involves brief illustration and summarization of drawbacks and advantages associated with the methodologies.
3.1.1. Engineering-Based Theoretical Approach
Upscaling by engineering-based theoretical approach could be an effective method because the modelling of processes is based upon theories from engineering and scientific studies. The sources of data are usually published lab synthesis procedures, patents, scientific articles, books and expert opinions. The estimations are mainly performed by using engineering laws, process-related functions and equations, calculations based on average values and case specific analysis. For example, Piccino et al., 2016 developed first engineering-based approach to estimate environmental impact of chemical processes during early laboratory stage at industrial production level by deriving suitable calculation equations using formulas from different engineering-based literature [9]. Zhou et al., 2017 developed a systematic approach to convert experimental measurements into LCI data and, thereafter, scaled it up at the industrial scale by implementing on a case study of a multikilogram synthesis of 4—D-erythronolactone (4-DEL) [20]. The method involved identification of all operation steps followed by scale up of material flow and energy consumption of identified operation steps and sensitivity analysis. However, the developed procedure did not take into account recycle or recovery of materials or solvents and energy utilization of one unit process in other processes.
The theoretical engineering-based scale-up approach requires the availability of comparable chemical processes at the industrial scale, which is only feasible for specific case studies. In addition, upon upscaling of new technologies, the underlying mechanism of mass and heat transfer may change leading to estimation of non-linear scaling factors which is very challenging by theoretical calculations due to addition of numerous unknown variables [8,12]. Hence, the application of this scale-up approach is highly dependent on data availability from mature similar technologies and limited to very simple chemical processes.
3.1.2. Scaling Relationships
Empirical scaling relationships can be adapted in the form of power law correlation between some principal parameters and properties of complex systems particularly in the early stage of development with limited amount of available data. In various engineering applications, scaling laws have been developed to establish a relationship and estimate key properties in the same manner as for cost estimation methods [25]. These relationships can be a useful tool to scale-up a system and estimate inventory data [21,26] by relate two variables, i.e., ‘X’ and ‘Y’ to each other in the form of a power law:
Y = α Xβ
In Equation (1), α is normalization constant and β is the scaling factor. For example, Caduff et al., 2014 developed scaling laws by using two industrial heat producing equipment for quantitative assessment of the environmental impacts with respect to equipment performance [17]. Valsasina et al., 2016 applied scaling relationships and scenario analysis to predict capacity, energy consumption and velocity as major property parameters for upscaling of an high-energy consuming industrial homogenizer [27] using the upscaling relation:
Y2 = aY1b
Y2 and Y1 are key property parameters for which a scaling relationship has been derived in Equation (2). However, the scaling relationships have various tradeoffs and limitations that must be considered before practical implementation of the method. These relationships might be applicable for upscaling of certain industrial equipment, e.g., heat pumps or biomass furnaces but implementation on sophisticated chemical processes is highly impractical. In addition, the need for empirical data to derive a scaling relationship is imperative and they are often unavailable when modeling emerging technologies with very low TRL.
3.1.3. Proxies
This approach is based on collecting data from mature technologies analogous to emerging technology that need to be modelled and scaled-up. The data sources for proxy calculations could be life cycle inventory (LCI) databases, literature and engineering case studies, online catalogues of machines, and professional consultation by technology developers [10,18,24]. Energy flows, material flows and elementary flows can be estimated by using this method.
For example, Simon et al., 2016 proposed a framework with the objective of developing inventory data for a novel chemical technology by retrieving information from laboratory scale experimental analyses [10]. The structure for process scaling was based on the analyses of functions, dimensions and functionalities to conduct comprehensive qualitative investigation of unique laboratory synthesis protocols; quantitative analyses on distinct process parameters such as operating conditions and amount of reaction precursors and products produced; and examination of process characteristics of identical industrial-scale process. This distinctive combination of assessment techniques provides a possibility to generate scaled-up inventory flow data.
Villares et al., 2016 presented a framework based on proxy techniques using an example of novel bioleaching process for metal recovery [18]. The framework consisted of three stages: (i) modelling of laboratory process using information from experimental data on lab-scale and application of attributional LCA to assess potential hotspots, (ii) scaling up the laboratory process to the industrial scale applying a possible scenario, and (iii) comparing the results of scaled-up system with pre-existing industrialized processes.
However, the proxies scale-up approach is limited in terms of its practical implication due to limited data availability based on condition that identical chemical process is operating at the industrial scale and various uncertainties involved in calculations and estimating scaling factors due to the differences in emerging and proxy technologies.
3.1.4. Artificial Neural Networks
Neural networks are useful for broader identification of relationships between input and output data of processes, developing a connection between them using different activation functions such as binary step function, linear activation functions and non-linear activation functions. These data can be applied to analyze the process and predict data for upscaling. Insufficient or no inventory data can lead to large uncertainties and severe estimation errors in process-based inventory modelling.
For modeling chemical processes, models based on molecular structure could be applied to generate cradle-to-gate material flow data and environmental emissions through the complete production cycle by giving input data as molecular description [4,19]. Wernet et al., 2008 predicted LCI data and generated life cycle impact assessment reports for numerous chemical products by using artificial neural networks approach [19]. The training data included accurate information on energy utilization to estimate data on energy consumption. Multiple network arrangements and optimization schemes for neural networks has been investigated to develop models which represented good prospects of the method to predict scale-up factors for novel chemical processes. However, the methodology consists of various aspects that are highly impractical to consider in developing ANN models for upscaling such as collection of a huge amount of data comprising molecular description of various chemicals, pre-existing similar synthesis procedures and detailed product characteristics. Another example of using ANN is learning surrogate concept which is based on predicting inventory data by training of ANN based codes utilizing data on products attributes and characteristics [28]. Moreover, CliCC-Tool has also been employed to predict inventory or impact information for typical chemicals using an artificial neural network [22].
3.1.5. Prognosis
This scale-up approach is based on life cycle assessment of processes that have already developed to the pilot scale. The implementation of methodology is only feasible if the environmental assessment analysis of pilot plant is accessible in form of integrated process modules with associated input and output streams. This method is firstly focused on creating assumption and conditions such as specification of functional unit. The second aspect is to prioritize relevant facets of the process, for example, significant unit operation and unit processes and calculate material and energy requirements [13,14,16].
The third aspect of the method is deliberation of apparatus as a system, the physical dimensional increment of which can induce significant changes in material and energy requirements. Inclusion of optimization prospects in the integrated complex network of unit processes and unit operation equipment and up-stream and down-stream processes such as wastewater handling and co-product utilization are other major aspects of the approach. Although the prognosis scale-up approach covers considerable process-related aspects, the implementation of methodology can be executed only if pilot-scale data are available, which is inconceivable for emerging processes, showing inapplicability of the method for upscaling of novel chemical processes.
The exposure of different methodological aspects for upscaling of chemical processes at the early phase of development from the literature review is summarized in Table 1, highlighting their key advantages and drawbacks.
Table 1.
Key advantages and drawbacks of methods for upscaling of emerging chemical processes.
After the literature review, it was found that the major focus of the published methods is a single technology or process without providing essential information on significant steps or measures applicable to other case studies that are dealing with complex integrated network of large number of process equipment. The reviewed methodologies are either demanding a large set of data from developed similar chemical processes or lacking in applicability to model a complex integrated network of large number of process equipment such as reactors, separators, extractors, and distillation columns. In order to fulfil this major gap in the state-of-the-art, comprehensive methodological guidance is developed and presented in this study, which can accommodate sophisticated emerging chemical processes, contemplate all process-related factors and overcome associated uncertainties in pragmatic manner when executing the upscaling procedure.
4. A Framework for Upscaling of Emerging Chemical Processes Based on Thermodynamic Process Modeling and Simulation
A new methodological framework is proposed as shown in Figure 3, which can give process engineers and the LCA community a promising direction to perform evaluations, select promising technology among various technologies, and perform upscaling from the lab scale to the pilot scale and then to the industrial scale, by thermodynamic process modeling and simulation. The approach consists of ten steps to perform the evaluation and upscaling of new chemical processes involving various unit operations and unit processes. This methodology is a practical technique to make comparisons between technologies and scale-up at low TRL as it involves modeling based on chemistry and chemical engineering laws and principles and model validation with experimental data. After validation, the technology can be optimized and scaled-up to the pilot scale and then the commercial scale. The steps involved in procedure are described in the following section.
Figure 3.
Methodological framework for upscaling of emerging chemical processes based on thermodynamic process modeling and simulation.
- Functional Unit Specification
The functional unit serves as the reference quantity throughout the analyses. It is a quantified description of the function of the product that serves as the reference basis for all calculations [29]. Specification of a functional unit is the basis of performing all material and energy balance and design calculations for upscaling.
- Mass and Energy Balance Calculations
Mass and energy conservation laws are applied on the processes to estimate material and energy requirements based on specified functional unit, thermodynamics and kinetics of the process. The general conservation equation for any process system can be written as:
Mout = Min + Mgeneration − Mconsumption − Maccumulation
For a steady-state process, the accumulation term will be zero because mass is neither generated nor consumed. If a chemical reaction occurs, a particular chemical species may be formed or consumed, thus the accumulation term will not be zero. If there is no chemical reaction, the steady-state balance reduces to
Mout = Min
A general equation can be written for the conservation of energy based on first law of thermodynamics:
Eout = Ein + Egeneration − Econsumption − Eaccumulation
An energy balance can be written for any process step. If the chemical reaction involves a process, the energy will evolve and consumed for exothermic and endothermic reactions, respectively. For a steady-state process, the accumulation term will be zero for both mass and energy balance equations [30].
- Process Design
This step involves identification and selection of appropriate equipment, process integration and theoretical design of equipment for particular unit operations and unit processes. Consulting chemical and process engineering literature, patents, proxy analysis (pre-existing technologies at the industrial scale), expert opinions or manual selection of appropriate best available techniques from the sectoral reference documents can perform the appropriate techniques and equipment selection and design procedure [30,31,32,33,34].
After selection of equipment, integration of process equipment is performed to reuse/recycle of materials and recover process heat in efficient way that results into a process flow diagram. The process integration step provides valuable data to conclude equipment design and leads to a substantial reduction in the material and energy requirements of a process. One of the most successful technique for investigating energy integration is ‘pinch technology’, where a pinch usually occurs between the hot stream and cold stream curves to form a plot of system showing temperatures versus the heat transferred. The pinch represents a distinct thermodynamic break in the system and that, for minimum energy requirements, heat should not be transferred across the pinch [30,35].
The theoretical design of unit operation and unit process equipment is carried out based on defined functional unit to calculate design parameters to achieve specified process efficiency goals. The calculated parameters are utilized as input to execute process simulations runs.
- Process Modeling
Modeling and simulation are useful mechanisms to analyze the behavior of chemical and petrochemical industries. These are very effective tools for design, optimize and scale up of chemical processes and equipment by providing possibilities to anticipate and analyze various alternatives of unit operations and unit processes in highly effective and economical way. Phenomenological or deterministic modeling can be used to create a thermodynamic process model where mass, energy, and momentum conservation laws are applicable. In case these laws are not relevant, then stochastic models based on the uncertainty principle such as empirical models or population balance are of great concern [36].
Models can be classified into two types, i.e., lumped-parameter models and distributed-parameter models that further individually classified into steady-state and unsteady-state models as shown in Figure 4. The lumped-parameter model assumes a system homogeneous and consistent throughout the entire volume. Processes can be modelled using lumped-parameter model by simple algebraic mathematical equations (AEs) under steady-state conditions. In contrast, a distributed-parameter model considers a system heterogeneous and vary with respect to spatial coordinates across the entire volume. Under steady-state conditions, ordinary differential equations (ODEs) are sufficient to define the system, whereas partial differential equations (PDEs) are required to represent the system under unsteady-state or dynamic conditions [36]. After properly defining the system by mathematical equations comes the solving of the complex equations, for which numerical and analytical methods are employed using process simulations. Various computer tools, i.e., Aspen Plus, ChemCAD, MATLAB, etc., are used to model and simulate chemical equipment and processes in a highly convenient and effective manner [37,38,39].
Figure 4.
Model classification and their derived mathematical equations.
- Model Validation
The thermodynamic model is implemented on a simulation engine to compute thermodynamic and transport properties of species involved, and compare with experimental data from the literature or databases. The model parameters are needed to modify for particular process systems to make accurate estimations. If the regression model fits the experimental data well, the model is opted to run process simulations and make analyses.
- Process Simulation and Technology Evaluation
After model validation, the process flowsheet is transformed to a simulation engine by giving mass and energy balance values and design specifications of process equipment calculated in previous steps and process simulations are executed at various operating conditions and process parameters to perform the analyses and technology evaluation.
- Process Optimization
This step involves estimation of optimum process conditions to acquire high process efficiency using various methods such as statistical methods, e.g., design of experiments (DoE), which is used to recognize significant and insignificant variables of the process based on their effects on process operation and behavior. Response surface methodology is another statistical approach that represents the correlation between the process parameters and the response variables. Some process simulation softwares, e.g., Aspen Plus and ProSim, have built-in tools for performing process optimization. In process optimization, the effects of changes in process parameters on the performance of process are analyzed and compared. The optimal process configurations can be achieved by performing repeated calculations or experiments by making alteration in process variables and identification of most important among them.
- Process Scale-Up
After a successful run of process simulations and process optimization, the process can be scaled-up by development of the bench- or the pilot-scale operation based on simulations. The process and design parameters can be further modified by comparing bench- or pilot-scale experiments with simulation results and industrial scale-up can be executed using optimized process parameters.
5. Case Study: Novel Process for CO2 Capture from BFG and Its Utilization in Synthesis of CH4
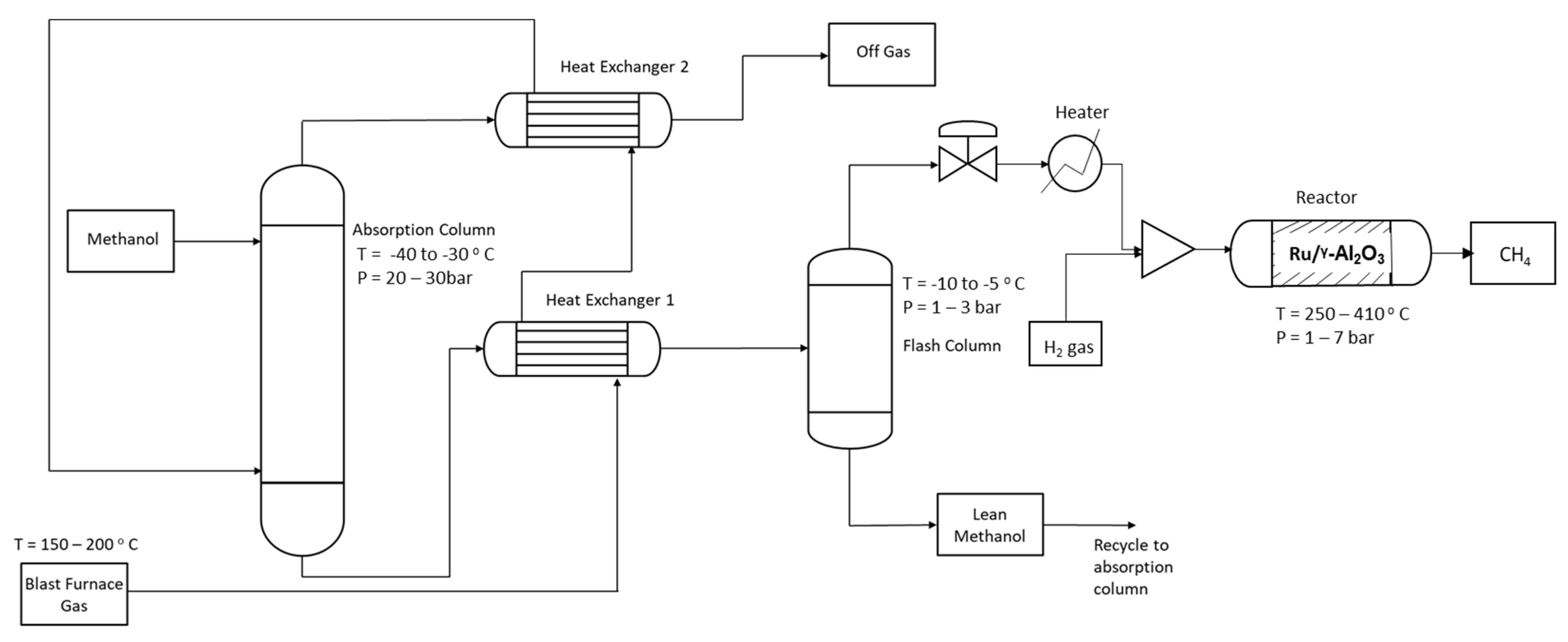
A novel process has been developed by me as shown in Figure 5, in which CO2 in blast furnace gas originating from the iron and steel industry is sequestrated using methanol as an absorbent and synthetic natural gas is produced by the catalytic hydrogenation of captured CO2. In this process, CO2 is separated from blast furnace gas using methanol by physical absorption process in the absorption column at low temperature and high-pressure conditions. Heat exchanger network system was designed to optimally utilize process heat from blast furnace gas through heat exchanger ‘1’ followed by passing of off-gas stream exiting from top of the absorption column through heat exchanger ‘2’, where BFG exchanges heat to off gas coming from top of the absorption column and cooled down to sub-zero temperatures. The CO2-rich methanol stream was then subjected to undergo flash separation at low pressure and enhanced temperature conditions in a flash column in order to separate CO2 and methanol. Then, the sequestrated CO2 stream was mixed with hydrogen gas in a stream mixer and entered into a tubular reactor with a fixed-bed reactor of 0.5% Ru/Al2O3 to synthesize CH4. The volume percentages of major gases in blast furnace gas are represented in Table 2.
Figure 5.
Novel process of carbon dioxide capture from blast furnace gas and its utilization in synthetic natural gas production.
Table 2.
The volume percentages of the major gas components in blast furnace gas.
After flash separation, lean methanol at the bottom can be recycled back to the absorption column as regenerated solvent that can massively reduce the requirement of fresh methanol. The major characteristics of this process are the CO2 capture efficiency of ˃95% and the purities of recovered CO2 and lean methanol solvent of approximately 80% and 99%, respectively. In addition, the conversion of CO2 reached approximately 83% with very high selectivity to CH4, which makes the process a valuable contribution to sustainable production technologies for carbon capture and utilization from the iron and steel industry.
6. Results and Discussion
In this section, the proposed methodology based on thermodynamic process modeling and simulation described in Section 4 is implemented on the case study presented in previous section. The realization of the framework on the process was carried out through systematic application of methodology, i.e., practically following each step of the framework and producing results, which serve as input to the succeeding step, as described in following subsections:
6.1. Functional Unit Specification
The functional unit was defined as 1000 L/h of blast furnace gas and all mass and energy balance and design calculations were based on it.
6.2. Material and Energy Balance
To achieve the required degree of CO2 separation from 1000 L/h blast furnace gas, the required minimum methanol flow rate for absorption was calculated as:
where Gs is the molar flow rate of BFG entering at Section 1 of column, Ls is the molar flow rate of methanol entering at Section 2 of column, and Y1, Y2, X1 and X2 are concentrations of solute in BFG, off gas, CO2-rich methanol, and methanol, respectively, as shown in Figure 6.
Gs (Y1 − Y2) = Ls (X1 − X2)
Figure 6.
Material balance diagram of the absorption column for the physical separation of CO2 from BFG using methanol.
If the flow rate, the composition, and enthalpy of the feed stream CO2-rich methanol coming from the absorption column, the top product and the bottom liquid product from the flash column are denoted as (Ls, zF,i, HF), (D, yD,i, HD), and (W, xW,i, HW), respectively, and QBFG is the rate of supply of heat to the heat exchanger by BFG as shown in Figure 7, the material and energy balance equations for the steady-state flash separation unit can be written as:
Figure 7.
Material and energy balance diagram for the flash separation of CO2 from methanol.
Total material balance:
Ls = D + W
Component balance
Ls zF,i = DyD,i + WxW,i
Enthalpy balance:
where ‘i’ in the component balance represents multicomponent mixture of methanol, CO2, CO and N2. CO2 reacts with hydrogen to form CH4 in a plug flow reactor (PFR) with fixed catalytic bed to activate reactive species and increase methane selectivity through the reaction equation:
Ls HF + QBFG = DHD + WHW
The rate constant ‘k’ was calculated by Arrhenius equation [40] (Equation (11)) and employed in rate equation to estimate the rate of reaction with respect to CO2 conversion (Equation (12)) [41]:
K = ko.exp(−Ea/R.T)
rCO2 = k{(PCO2)n(PH2)4n − [(PCH4)n(PH2O)2n/(Keq(T))n]}
ko is pre-exponential factor and Ea is activation energy in Equation (11), where rCO2 is the reaction rate with respect to the conversion of CO2, Keq is the equilibrium rate constant and n is the reaction order in Equation (12). The adapted kinetic equations and related parameters were further employed in material and energy balance calculations and input specifications for the reactor when executing process simulations.
The material component balance of the involved species (CO2, H2, CH4, H2O) in the fixed-bed reactor as shown in Figure 8 was derived as [40,41]:
dFi/dWcat = (vi)i
Figure 8.
Material and energy balance diagram for CO2 conversion to CH4 in a fixed-bed reactor.
In Equation (13), Fi is the molar flow rate of component ‘i’ entering the reactor at z, moving along the reactor axis and exiting at z + Δz; Wcat is the mass of the catalyst; vi is the stoichiometric coefficient for component ‘i’ and r is the reaction rate.
Overall enthalpy balance in the steady state was deduced in the form:
d/dWcat·∑FiHi = dQ/dWcat
Hi is the enthalpy of components (CO2, H2, CH4, H2O) participating in the chemical reaction; and Q is the heat released due to exothermic nature of reaction in Equation (14).
6.3. Identification/Selection of Unit Operations and Unit Processes Equipment
The selection of unit operations and unit processes equipment is highly case specific. It strictly depends upon the process conditions, process requirements and materials involved in the process. In this study, two major unit operations and a unit process are involved, i.e., physical absorption of CO2 followed by the stripping/desorption and catalytic hydrogenation of CO2 to CH4. Based on process requirements, an absorption column for CO2 capture, a flash column for CO2 recovery and a fixed-bed tubular reactor were considered and selected to achieve required separation and reaction.
6.4. Process Design
6.4.1. Process Intensification and Heat Integration
The unit operations equipment were integrated and heat exchangers network was designed such that the heat from blast furnace gas was recovered and utilized in first heat exchanger to enhance temperature of CO2-rich methanol solvent to facilitate flash separation. In second heat exchanger, the blast furnace gas was cooled down by off-gas coming from top of the absorption column before undergo separation process. The lean methanol regenerated from flash separation was recycled back to the absorption column, which significantly reduced the requirement of pure solvent. Hence, the designed integrated network of heat exchangers and flow streams facilitated maximal heat recovery and material utilization in the process.
6.4.2. Unit Operations Design Parameters and Configuration
The design parameters and configurations of the absorption column, the flash column and the reactor are necessary as input specifications in process simulation software. Based on functional unit of 1000 L/h BFG, these parameters were estimated from the literature, chemical engineering books, and commercialized processes and specified in Aspen Plus process simulation software.
The Absorption Column
The absorption column was rigorous two or three-phase fractionation column with internal packing. The mass transfer rate-based (non-equilibrium) calculation type was used to model the absorber because in the case of CO2 absorption, the phase equilibrium assumption was adequate due to the contemporary existence of mass transfer. In the rate based model, the two film theory concept was considered using a mass transfer correlation. The number of stages was taken as 10 arbitrarily with BFG entering on stage 10 and methanol solvent entering on stage 1. The dimensions of absorber were taken as diameter = 1 m and section packed height = 7 m. The column internal type was packed with Intalox Saddles of ceramics with dimension of 0.5 inches.
The Flash Column
The flash column was a simple one inlet and two-outlet separation vessel into which CO2-rich methanol stream was entered at process conditions, i.e., T = −5 °C and P = 1 bar, resulting in the separation of gas and liquid phases through equilibrium vaporization. The input specifications were given in terms of temperature, pressure, flow rates and phase compositions.
The Reactor
A packed-bed plug flow reactor was used for the catalytic hydrogenation of CO2 into CH4. The packet bed consisted of 0.5% Ru/ᵧ-Al2O3 with a particle density of 12.41 gm/cm3. The catalyst loading was calculated as 8169.58 gm based on gas hourly space velocity at standard temperature and pressure conditions (GHSV) = 5 L(STP)/h/gcat.
6.5. Thermodynamic Process Modeling and Model Validation
Thermodynamic process modeling was performed for system of blast furnace gas methanol, H2, CH4, and H2O to estimate scalar and temperature dependent pure and binary interaction parameters of all components. The perturbed-chain statistical associating (PC-SAFT) equation of state (EOS) thermodynamic model was used to describe the solubility of CO2 in methanol and CO2 conversion to CH4. With conventional one-fluid mixing rules, the PC-SAFT EOS can be applied to mixtures of small spherical molecules such as gases, non-spherical solvents, and chainlike polymers [42,43]. The PC-SAFT equation is usually written in terms of residual Helmholtz free energy. The equations for compressibility factor, fugacity coefficients, and caloric properties can be derived from the Helmholtz free energy by applying classical thermodynamics [43]. The equation of state could be extended to mixtures of gases and solvents by applying one-fluid mixing rules. The parameters for a pair of unlike segments, i.e., CO2 and methanol were obtained by conventional Berthelot–Lorentz combining rules:
where ‘σ’ is the segment diameter and ‘ε’ represents depth of pair potential. One binary interaction parameter, ‘kij’, was introduced to correct the segment-segment interactions of unlike chains. The binary pairs of CO2 and methanol can be corrected by estimating values of ‘kij’ and PC-SAFT model can predict the phase behavior of the system. The model was implemented on Aspen Plus process simulation software by modifying various scalar and temperature dependent interaction parameters and the model was analyzed at various temperature and pressure conditions using experimental data as shown in Figure 9.
σij = (σi + σj)/2
εij = (εi·εj)1/2 (1 − kij)
Figure 9.
Comparison between experimental and PC-SAFT EOS model estimated equilibrium P-x and P-y plots of CO2-methanol.
The experimental values for vapor-liquid equilibrium (VLE) data of CO2-Methanol were gathered from the literature [44] to compare the estimated VLE data by PC-SAFT EOS model at various temperatures and pressures covering the operating range of process conditions of the process. The regression results showed close approximation of estimated values to the experimental data at defined temperature and pressure conditions. Specifically, at temperature of −23.15 °C, the P-x and P-y plots drawn by PC-SAFT EOS model exhibited high accuracy and model authentication to estimate CO2 solubility in methanol at operating process conditions. Hence, the process modeling and model validation results show high capability of PC-SAFT EOS model to run the simulations under process operating conditions with high accuracy.
To study the model behavior for the catalytic hydrogenation of CO2, the reaction was simulated in a packed-bed reactor with design input specifications explained in Section 6.4. The simulations were executed at temperature range of 250–410 °C to investigate the effect of temperature on CO2 conversion under atmospheric pressure and GHSV = 5 L(STP)/h/gcat and the results were compared with experimental data from Falbo et al., 2018 as shown in Figure 10. CO2 conversion at 250 °C is 11.3% estimated by model and the value increased by increasing the temperature until it reached the maximum value of 82.3% at 370 °C. The trend of the graph was changed and conversion value started to decrease upon further increment in temperature due to attaining of thermodynamic equilibrium. It was found that the model behaved very well to predict values for CO2 conversion to CH4 at various temperatures when compared with laboratory-scale data by following the experimental trend line [40,41].
Figure 10.
Comparison of experimental CO2 conversion to model predictions at various temperatures.
To further investigate the model suitability for its implementation in process simulations, a comparison between predicted and experimental CO2 conversion data was carried out by studying the effect of change in GHSV on conversion at two different temperatures, i.e., 310 °C and 290 °C as shown in Figure 11. The trend lines showed that CO2 conversion reduces from 65.6% to 30.6% and 45% to 18.7% at 310 o C and 290 °C, respectively, by increasing GHSV from 3.75 to 10 L/h/gcat. The model estimated values at 310 °C represented some disparity from experimental data by increasing GHSV, which showed that some kinetic or thermodynamic model parameters would need to be identified and modified if the process is run at high GHSV values [40,41]. However, the PCSAFT-EOS model provided fair approximations for CO2 solubility in methanol and its conversion to CH4. Hence, the model was implemented to simulate the whole process.
Figure 11.
Comparison of experimental CO2 conversion to model predictions at various gas hourly space velocities (GHSV).
6.6. Process Simulation, Technical Evaluation, Process Optimization and Upscaling
After performing thermodynamic process modeling, the process flow diagram was added in Aspen Plus as shown in Figure 12. All the unit operation and unit processes equipment were modelled using design parameters defined in Section 6.4. The technical evaluation of the process was performed using sensitivity analysis. The assessment was carried out by executing numerous simulation runs by manipulating various design specifications and process parameters, i.e., temperatures, pressures, flow rates and compositions to analyze uncertain process response and effects of process variables.
Figure 12.
Aspen Plus process simulations flow diagram.
In process optimization, the Aspen Plus optimizer tool based on the sequential quadratic programming algorithm was employed for flowsheet optimization. It was used to minimize or maximize the objective functions by manipulating process variables. The defined objective functions were minimizing the mole fraction of CO2 in outlet stream GASOUT from the absorption section, maximizing CO2 mole fraction in the outlet stream CO2 from desorption section and maximizing CH4 yield in the outlet stream CH4 + H2O from the reaction section represented in Figure 12. The manipulated variables were temperature and pressure for absorption and desorption section; for reaction section, these were temperature, pressure and GHSV. Based on results, an optimized range was specified for process operation to achieve required CO2 capture efficiency and recovery shown in process flow sheet diagram (Figure 5).
For upscaling the process with a capacity of 1000 L BFG/h, having a degree of CO2 separation from BFG ˃ 95% and CO2 conversion into CH4 (XCO2) 83%; the process simulations were performed with scaled-up material and energy flows and equipment design specifications based on optimized process conditions and modified design parameters; obtained after technology evaluation and process optimization. The employed process conditions were T = −30 °C, P = 28 bar in absorption section; T = −5 °C, P = 1 bar in desorption section; and T = 370 °C, P = 1 bar, and GHSV(STP) = 5 L/h/gcat in reaction section. The upscaling results with process stream data are presented in Table 3.
Table 3.
Process streams results from process simulations on Aspen Plus based on 1000 L/h BFG.
The resulted process streams data analyses from upscaling showed that thermodynamic process modeling and simulations could be very useful tool in realization of processes at higher scales. The detailed material and energy process streams generated from upscaling would be of great significance for process improvement and further development. However, the industrial scale-up is incorporated with numerous protocols, efficiency and safety measures and uncertainty factors that could not be estimated only by practicing thermodynamic process modeling and simulations but bench-scale and pilot-scale operations are necessary before proceeding to the industrial scale. The design parameters and process conditions estimated for a particular process would need further optimization by comparing experimental and simulation results at the bench and pilot scales. The scaled-up parameters and material and energy balances calculated by the applied method are very beneficial for preliminary assessment of emerging chemical processes and mechanical design of equipment internals and executing computational fluid dynamics (CFD) simulations to develop bench- and pilot-scale demonstration plants, prior to industrial transformation.
Performing pilot/bench-scale operations is necessary to modify and optimize the process parameters before industrial scale-up because the uncertainties and complexities involved at actual industrial plant cannot be compromised and neglected. Also, if various technologies need evaluation for particular functional unit, the results achieved by the implementation of the proposed methodological framework would be of immense significance because the detailed analyses on material and energy data and their comparison can provide a good insight into the technology and assist in making early decisions about adapting and further scaling it to a mature level.
7. Conclusions
A new methodology for upscaling of emerging chemical process technologies based on thermodynamic process modeling and simulation is proposed and practically applied on an example of a novel CCU process. The early-stage investigation of developing processes is of paramount importance for decision makers about the adaptability and feasibility of technology for further development. Data requirements from similar pre-existing mature technologies, inability to handle integrated complex process units, and uncertainty factors while performing scale-up of emerging technologies are major shortcomings of state-of-the-art methods. However, the practical implementation of the presented framework on this case study showed that the method can simulate complex and high-energy intensive chemical processes, estimate thermodynamic and kinetic process parameters and investigate the process behavior at different process conditions. In addition, the results generate in the form of process streams with detailed information about material and energy flows, which could be conveniently employed for process modification and advancement.
Although the method is highly practicable, reliable and considers all process-related factors and issues of upscaling, it consists of several steps and each step is associated with individual measures to take and objectives to fulfil that require good chemical and process engineering knowledge. Thermodynamic process modeling requires thermodynamic data to validate the model predictions. The implementation of thermodynamic model equations on simulation software and determination of precise values for thermodynamic properties and interaction parameters are very complicated. The achieved results can be very beneficial for the initial analysis of the process and its scale-up but industrial demonstration would be feasible only after investigating the process at the bench and then the pilot scale. However, the framework proposed is a very effective tool to estimate the material and energy requirements, and environmental emissions of the technologies and to make comparisons among various technologies in the emerging phase and gives new ground for future research to deal with upscaling challenges of more complicated and high-energy intensive chemical processes using thermodynamic process modeling and simulations.
Funding
This research was funded by the Austrian Federal Ministry for Climate Action, Environment, Energy, Mobility, Innovation and Technology.
Data Availability Statement
The original contributions presented in the study are included in the article.
Acknowledgments
I am thankful to Viktor Hacker, Institute of Chemical Engineering and Environmental Technology, Graz University of Technology, for his helpful discussions and providing Aspen Plus simulation software to execute my research.
Conflicts of Interest
The authors declare no conflict of interest.
References
- Arvidsson, R.; Tillman, A.M.; Sandén, B.A.; Janssen, M.; Nordelöf, A.; Kushnir, D.; Molander, S. Environmental Assessment of Emerging Technologies: Recommendations for Prospective LCA. J. Ind. Ecol. 2018, 22, 1286–1294. [Google Scholar] [CrossRef]
- Buyle, M.; Audenaert, A.; Billen, P.; Boonen, K.; Van Passel, S. The future of ex-ante LCA? Lessons learned and practical recommendations. Sustainability 2019, 11, 5456. [Google Scholar] [CrossRef]
- Cucurachi, S.; Van Der Giesen, C.; Guinée, J. Ex-ante LCA of Emerging Technologies. In Procedia CIRP; Elsevier B.V.: Leiden, The Netherlands, 2018; pp. 463–468. [Google Scholar] [CrossRef]
- Thonemann, N.; Schulte, A.; Maga, D. How to conduct prospective life cycle assessment for emerging technologies? A systematic review and methodological guidance. Sustainability 2020, 12, 1192. [Google Scholar] [CrossRef]
- Moni, S.M.; Mahmud, R.; High, K.; Carbajales-Dale, M. Life cycle assessment of emerging technologies: A review. J. Ind. Ecol. 2020, 24, 52–63. [Google Scholar] [CrossRef]
- Bergerson, J.A.; Brandt, A.; Cresko, J.; Carbajales-Dale, M.; MacLean, H.L.; Matthews, H.S.; McCoy, S.; McManus, M.; Miller, S.A.; Morrow, W.R.; et al. Life cycle assessment of emerging technologies: Evaluation techniques at different stages of market and technical maturity. J. Ind. Ecol. 2020, 24, 11–25. [Google Scholar] [CrossRef]
- Hetherington, A.C.; Borrion, A.L.; Griffiths, O.G.; McManus, M.C. Use of LCA as a development tool within early research: Challenges and issues across different sectors. Int. J. Life Cycle Assess. 2014, 19, 130–143. [Google Scholar] [CrossRef]
- Balgobin, T.; Evrard, D. A framework for modelling emerging processes’ upscaling from an environmental perspective. In Procedia CIRP; Elsevier B.V.: Amsterdam, The Netherlands, 2020; pp. 154–158. [Google Scholar] [CrossRef]
- Piccinno, F.; Hischier, R.; Seeger, S.; Som, C. From laboratory to industrial scale: A scale-up framework for chemical processes in life cycle assessment studies. J. Clean Prod. 2016, 135, 1085–1097. [Google Scholar] [CrossRef]
- Simon, B.; Bachtin, K.; Kiliç, A.; Amor, B.; Weil, M. Proposal of a framework for scale-up life cycle inventory: A case of nanofibers for lithium iron phosphate cathode applications. Integr. Environ. Assess. Manag. 2016, 12, 465–477. [Google Scholar] [CrossRef] [PubMed]
- Tsoy, N.; Steubing, B.; van der Giesen, C.; Guinée, J. Upscaling methods used in ex ante life cycle assessment of emerging technologies: A review. Int. J. Life Cycle Assess. 2020, 25, 1680–1692. [Google Scholar] [CrossRef]
- Laird, T. How to minimise scale-up difficulties. Chem. Ind. Digest 2010, 23, 51–56. [Google Scholar]
- Moni, S.M. A Framework for Life Cycle Assessment (LCA) of Emerging Technologies at Low Technology Readiness Levels. All Dissertations 2641. 2020. Available online: https://tigerprints.clemson.edu/all_dissertations/2641 (accessed on 15 April 2024).
- Shibasaki, M.; Fischer, M.; Barthel, L. Effects on Life Cycle Assessment—Scale Up of Processes. In Advances in Life Cycle Engineering for Sustainable Manufacturing Businesses; Takata, S., Umeda, Y., Eds.; Springer: London, UK, 2007. [Google Scholar] [CrossRef]
- Khanna, V.; Bakshi, B.R.; Lee, L.J. Life Cycle Energy Consumption and Environmental Impact. Carbon Nanofiber Prod. 2008, 12, 394–410. [Google Scholar] [CrossRef]
- Shibasaki, M.; Warburg, N.; Eyerer, P. Upscaling effect and Life Cycle Assessment. In Proceedings of the 13th CIRP International Conference on Life Cycle Engineering, Leuven, Belgium, 31 May–2 June 2006. [Google Scholar]
- Caduff, M.; Huijbregts, M.A.J.; Koehler, A.; Althaus, H.J.; Hellweg, S. Scaling Relationships in Life Cycle Assessment: The Case of Heat Production from Biomass and Heat Pumps. J. Ind. Ecol. 2014, 18, 393–406. [Google Scholar] [CrossRef]
- Villares, M.; Işildar, A.; Beltran, A.M.; Guinee, J. Applying an ex-ante life cycle perspective to metal recovery from e-waste using bioleaching. J. Clean. Prod. 2016, 129, 315–328. [Google Scholar] [CrossRef]
- Wernet, G.; Papadokonstantakis, S.; Hellweg, S.; Hungerbühler, K. Bridging data gaps in environmental assessments: Modeling impacts of fine and basic chemical production. Green Chem. 2009, 11, 1826–1831. [Google Scholar] [CrossRef]
- Zhou, Y.; Lee, C.K.; Sharratt, P. Bridging the Gap from Pilot Plant Experimental Records to Life Cycle Inventory. Ind. Eng. Chem. Res. 2017, 56, 10393–11041. [Google Scholar] [CrossRef]
- Caduff, M.; Huijbregts, M.A.J.; Althaus, H.J.; Hendriks, A.J. Power-law relationships for estimating mass, fuel consumption and costs of energy conversion equipments. Environ. Sci. Technol. 2011, 45, 751–754. [Google Scholar] [CrossRef] [PubMed]
- Song, R.; Keller, A.A.; Suh, S. Rapid Life-Cycle Impact Screening Using Artificial Neural Networks. Environ. Sci. Technol. 2017, 51, 10777–11078. [Google Scholar] [CrossRef] [PubMed]
- Parvatker, A.G.; Eckelman, M.J. Comparative Evaluation of Chemical Life Cycle Inventory Generation Methods and Implications for Life Cycle Assessment Results. ACS Sustain. Chem. Eng. 2019, 7, 350–367. [Google Scholar] [CrossRef]
- Sampaio, A.P.C.; de Sousa Filho, S.M.; Castro, A.L.A.; de Figueirêdo, M.C.B. Life cycle assessment from early development stages: The case of gelatin extracted from tilapia residues. Int. J. Life Cycle Assess. 2017, 22, 767–783. [Google Scholar] [CrossRef]
- Moore, F.T. Economies of scale: Some statistical evidence. Q. J. Econ. 1959, 73, 232–245. [Google Scholar] [CrossRef]
- Caduff, M.; Huijbregts, M.A.J.; Althaus, H.J.; Koehler, A.; Hellweg, S. Wind power electricity: The bigger the turbine, the greener the electricity? Environ. Sci. Technol. 2012, 46, 4725–4733. [Google Scholar] [CrossRef] [PubMed]
- Valsasina, L.; Pizzol, M.; Smetana, S.; Georget, E.; Mathys, A.; Heinz, V. Life cycle assessment of emerging technologies: The case of milk ultra-high pressure homogenisation. J. Clean. Prod. 2017, 142, 2209–2217. [Google Scholar] [CrossRef]
- Sousa, I.; Eisenhard, J.L.; Wallace, D. Approximate life-cycle assessment of product concepts using learning systems. J. Ind. Ecol. 2000, 4, 61–81. [Google Scholar] [CrossRef]
- Arzoumanidis, I.; D’Eusanio, M.; Raggi, A.; Petti, L. Functional Unit Definition Criteria in Life Cycle Assessment and Social Life Cycle Assessment: A Discussion. In Perspectives on Social LCA: Contributions from the 6th International Conference; Springer International Publishing: Cham, Switzerland, 2020. [Google Scholar] [CrossRef]
- Sinnott, R.K. Chemical Engineering Design, Coulson and Richardson’s Chemical Engineering, 4th ed.; Elsevier Butterworth-Heinemann: Oxford, UK, 2005; Volume 6. [Google Scholar]
- Richardson, J.F.; Harker, J.H.; Backhurst, J.R.; Coulson, J.M. Coulson and Richardson’s Chemical Engineering. Vol. 2, Particle Technology and Separation Processes, 5th ed.; Butterworth-Heinemann: Oxford, UK, 2002. [Google Scholar]
- Dutta, B.K. Principles of Mass Transfer and Separation Processes; PHI Learning Pvt. Ltd.: Delhi, India, 2009. [Google Scholar] [CrossRef]
- Coulson, J.M.; Richardson, J.F.; Backhurst, J.R.; Harker, J.H. Coulson & Richardson’s Chemical Engineering. Vol. 1, Fluid Flow, Heat Transfer and Mass Transfer, 6th ed.; Butterworth-Heinemann: Oxford, UK, 1999. [Google Scholar]
- Felder, R.M.; Rousseau, R.W. Elementary Principles of Chemical Processes, 3rd ed.; John Wiley & Sons: Hoboken, NJ, USA, 2005; Volume 53. [Google Scholar]
- Townsend, W.D.; Linnhoff, B. Designing total energy systems by systematic methods. Chem. Eng. 1982, 378, 91–97. [Google Scholar]
- Lona, L.M.F. A Step by Step Approach to the Modeling of Chemical Engineering Processes: Using Excel for Simulation; Springer International Publishing AG: Cham, Switzerland, 2017. [Google Scholar] [CrossRef]
- Madeddu, C.; Errico, M.; Baratti, R. CO2 Capture by Reactive Absorption-Stripping. 2019. Available online: http://link.springer.com/10.1007/978-3-030-04579-1 (accessed on 27 March 2023).
- Ban, Z.H.; Keong, L.K.; Shariff, A.M. Physical absorption of CO2 capture: A review. Adv. Mat. Res. 2014, 917, 134–143. [Google Scholar] [CrossRef]
- Gatti, M.; Martelli, E.; Marechal, F.; Consonni, S. Review, modeling, Heat Integration, and improved schemes of Rectisol ®-based processes for CO2 capture. Appl. Therm. Eng. 2014, 70, 1123–1140. [Google Scholar] [CrossRef]
- Falbo, L.; Martinelli, M.; Visconti, C.G.; Lietti, L.; Bassano, C.; Deiana, P. Kinetics of CO2 methanation on a Ru-based catalyst at process conditions relevant for Power-to-Gas applications. Appl Catal B 2018, 225, 354–363. [Google Scholar] [CrossRef]
- Lunde, P.J.; Kester, F.L. Rates of methane formation from carbon dioxide and hydrogen over a ruthenium catalyst. J. Catal. 1973, 30, 423–429. [Google Scholar] [CrossRef]
- Keller, A.; Langenbach, K.; Hasse, H. Comparison of predictions of the PC-SAFT equation of state and molecular simulations for the metastable region of binary mixtures. Fluid Phase Equilib. 2017, 444, 31–36. [Google Scholar] [CrossRef]
- Gross, J.; Sadowski, G. Perturbed-chain SAFT: An equation of state based on a perturbation theory for chain molecules. Ind. Eng. Chem. Res. 2001, 40, 1244–1260. [Google Scholar] [CrossRef]
- Hong, J.H.; Kobayashi, R. Vapor-liquid equilibrium studies for the carbon dioxide-methanol system. Fluid Phase Equilibria 1988, 41, 269–276. [Google Scholar] [CrossRef]
Disclaimer/Publisher’s Note: The statements, opinions and data contained in all publications are solely those of the individual author(s) and contributor(s) and not of MDPI and/or the editor(s). MDPI and/or the editor(s) disclaim responsibility for any injury to people or property resulting from any ideas, methods, instructions or products referred to in the content. |
© 2024 by the author. Licensee MDPI, Basel, Switzerland. This article is an open access article distributed under the terms and conditions of the Creative Commons Attribution (CC BY) license (https://creativecommons.org/licenses/by/4.0/).











