Energy Performance Analysis of a PV/T System Coupled with Domestic Hot Water System
Abstract
1. Introduction
2. State of the Art Study
3. System Modelling
4. Estimations and Model Validation
- TC: PV cell temperature.
- Cp_module: Thermal capacity of the PV module.
- t: time.
- Qin: Energy received due to solar irradiation.
- Qconv: Energy loss due to convection.
- Qelect: Electrical power generated.
- Tm: Module back surface temperature.
- Kpv: Thermal conductivity of PV cell.
- Lcell: Length of a PV cell.
- ΔT: Temperature difference Tc − Tm.
- Qconvection: Energy due to convection.
- hwater: Heat transfer coefficient.
- Tf: Fluid temperature.
- ΔT: Temperature difference Tm − Tf.
- : Emissivity of PV cell.
- σ: Stefan–Boltzmann constant.
- mw: Water mass flow (HTF).
- : Specific heat of water.
- TfHx: Maximum temperature difference at the heat exchanger heat tubes.
- t: Time.
- δQ: Heat transfer per element.
- Tf_in: Fluid temperature at inlet.
- Cp: Water specific heat.
- QThermal: Energy from thermal process.
- TfHx+1: Fluid temperature at thermal element 1.
- ΔT: Temperature difference TfH+1 − Tf in.
5. Results and Discussion
6. Conclusions
Author Contributions
Funding
Conflicts of Interest
References
- Sultan, S.M.; Efzan, M.N.E. Review on recent Photovoltaic/Thermal (PV/T) technology advances and applications. Sol. Energy 2018, 173, 939–954. [Google Scholar] [CrossRef]
- Imteaz, M.A.; Ahsan, A. Solar panels: Real efficiencies, potential productions and payback periods for major Australian cities. Sustain. Energy Technol. Assess. 2018, 25, 119–125. [Google Scholar] [CrossRef]
- Hossain, M.S.; Pandey, A.; Selvaraj, J.; Rahim, N.A.; Rivai, A.; Tyagi, V.V. Thermal performance analysis of parallel serpentine flow based photovoltaic/thermal (PV/T) system under composite climate of Malaysia. Appl. Therm. Eng. 2019, 153, 861–871. [Google Scholar] [CrossRef]
- Tan, L.; Date, A.; Fernandes, G.; Singh, B.; Ganguly, S. Efficiency Gains of Photovoltaic System Using Latent Heat Thermal Energy Storage. Energy Procedia 2017, 110, 83–88. [Google Scholar] [CrossRef]
- Online, C.K.; Kandilli, C. A comparative study on the energetic-exergetic and economical performance of a photovoltaic thermal system (PVT). Res. Eng. Struct. Mater. 2019, 5, 75–89. [Google Scholar]
- Reddy, S.R.; Ebadian, M.A.; Lin, C.X. A review of PV-T systems: Thermal management and efficiency with single phase cooling. Int. J. Heat Mass Transf. 2015, 91, 861–871. [Google Scholar] [CrossRef]
- Lupu, A.G.; Homutescu, V.M.; Balanescu, D.T.; Popescu, A. A review of solar photovoltaic systems cooling technologies. In IOP Conference Series: Materials Science and Engineering; IOP Publishing: Bristol, UK, 2018; p. 444. [Google Scholar]
- Popovici, C.G.; Hudişteanu, S.V.; Mateescu, T.D.; Cherecheş, N.C. Efficiency Improvement of Photovoltaic Panels by Using Air Cooled Heat Sinks. Energy Procedia 2016, 85, 425–432. [Google Scholar] [CrossRef]
- Grubisić-Čabo, T.G.; Nizetić, F.; Marco, S. Photovoltaic Panels: A Review of the Cooling Techniques. Trans. FAMENA 2016, 40, 63–74. [Google Scholar]
- Odeh, S.; Behnia, M. Improving photovoltaic module efficiency using water cooling. Heat Transf. Eng. 2009, 30, 499–505. [Google Scholar] [CrossRef]
- Fakouriyan, S.; Saboohi, Y.; Fathi, A. Experimental analysis of a cooling system effect on photovoltaic panels’ efficiency and its preheating water production. Renew. Energy 2018, 134, 1362–1368. [Google Scholar] [CrossRef]
- Kazem, H.A. Evaluation and analysis of water-based photovoltaic/thermal (PV/T) system. Case Stud. Therm. Eng. 2019, 13, 100401. [Google Scholar] [CrossRef]
- Akeiber, H.; Nejat, P.; Majid, M.Z.A.; Wahid, M.A.; Jomehzadeh, F.; Famileh, I.Z.; Calautit, J.K.; Hughes, B.R.; Zaki, S.A. A review on phase change material (PCM) for sustainable passive cooling in building envelopes. Renew. Sustain. Energy Rev. 2016, 60, 1470–1497. [Google Scholar] [CrossRef]
- Souayfane, F.; Fardoun, F.; Biwole, P.H. Phase change materials (PCM) for cooling applications in buildings: A review. Energy Build. 2016, 129, 396–431. [Google Scholar] [CrossRef]
- Chandel, S.S.; Agarwal, T. Review of cooling techniques using phase change materials for enhancing efficiency of photovoltaic power systems. Renew. Sustain. Energy Rev. 2017, 73, 1342–1351. [Google Scholar] [CrossRef]
- Peng, Z.; Herfatmanesh, M.R.; Liu, Y. Cooled solar PV panels for output energy efficiency optimisation. Energy Convers. Manag. 2017, 150, 949–955. [Google Scholar] [CrossRef]
- Elminshawy, N.A.S.; Mohamed, A.M.I.; Morad, K.; Elhenawy, Y.; Alrobaian, A.A. Performance of PV panel coupled with geothermal air cooling system subjected to hot climatic. Appl. Therm. Eng. 2019, 148, 1–9. [Google Scholar] [CrossRef]
- Rajput, U.J.; Yang, J. Comparison of heat sink and water type PV/T collector for polycrystalline photovoltaic panel cooling. Renew. Energy 2018, 116, 479–491. [Google Scholar] [CrossRef]
- Herrando, M.; Markides, C.N.; Hellgardt, K. A UK-based assessment of hybrid PV and solar-thermal systems for domestic heating and power: System performance. Appl. Energy 2014, 122, 288–309. [Google Scholar] [CrossRef]
- Saikrishnan, V.; Jagadeesh, P.S.; Jayasuriyaa, K.R. Experimental Investigation of Solar Paraffin Wax Melting Unit Integrated with Phase Change Heat Energy Storage by Using Phase Change Material. Appl. Mech. Mater. 2015, 766, 451–456. [Google Scholar] [CrossRef]
- Mehrotra, S.; Rawat, P.; Debbarma, M.; Sudhakar, K. Performance of A Solar Panel with Water Immersion Cooling Technique. Environ. Technol. 2014, 3, 1161–1172. [Google Scholar]
- Irwan, Y.M.; Leow, W.Z.; Irwanto, M.; Fareq, M.; Hassan, S.I.S.; Safwati, I.; Amelia, A.R. Comparison of solar panel cooling system by using dc brushless fan and dc water. In Proceedings of the 3rd International Conference on Science & Engineering in Mathematics, Chemistry and Physics 2015 (ScieTech 2015), Bali, Indonesia, 31 January–1 April 2015. [Google Scholar]
- Borkar, D.S.; Gotmare, J.; Ambedkar, D. Performance Evaluation of Photovoltaic Solar Panel Using Thermoelectric Cooling. Int. J. Eng. Res. 2014, 3, 536–539. [Google Scholar] [CrossRef]
- Nižetić, S.; Čoko, D.; Yadav, A.; Grubišić-Čabo, F. Water spray cooling technique applied on a photovoltaic panel: The performance response. Energy Convers. Manag. 2016, 108, 287–296. [Google Scholar] [CrossRef]
- Khordehgah, N.; Guichet, V.; Lester, S.P.; Jouhara, H. Computational study and experimental validation of a solar photovoltaics and thermal technology. Renew. Energy 2019, 143, 1348–1356. [Google Scholar] [CrossRef]
- Jouhara, H.; Chauhan, A.; Nannou, T.; Almahmoud, S.; Delpech, B.; Wrobel, L.C. Heat pipe based systems—Advances and applications. Energy 2017, 128, 729–754. [Google Scholar] [CrossRef]
- Jouhara, H.; Milko, J.; Danielewicz, J.; Sayegh, M.A.; Szulgowska-Zgrzywa, M.; Ramos, J.B.; Lester, S.P. The performance of a novel flat heat pipe based thermal and PV/T solar collector that can be used as an energy-active building envelope material. Energy 2016, 108, 148–154. [Google Scholar] [CrossRef]
- Jouhara, H.; Szulgowska-Zgrzywa, M.; Sayegh, M.A.; Milko, J.; Danielewicz, J.; Nannou, T.K.; Lester, S.P. The performance of a heat pipe based solar PV/T roof collector and its potential contribution in district heating applications. Energy 2017, 136, 117–125. [Google Scholar] [CrossRef]
- Beckman, W.A.; Broman, L.; Fiksel, A.; Klein, S.A.; Lindberg, E.; Schuler, M.; Thornton, J. TRNSYS The most complete solar energy system modeling and simulation software. Renew. Energy 1994, 5, 486–488. [Google Scholar] [CrossRef]
- Castillo, A.; Gutiérrez, A.; Gutiérrez, J.M.; Gómez, J.M.; García-López, E. Water Consumption on Spanish Households. Int. J. Humanit. Soc. Sci. 2013, 7, 532–535. [Google Scholar]
- Lévesque, B.; Lavoie, M.; Joly, J. Residential water heater temperature: 49 or 60 degrees Celsius? Can. J. Infect. Dis. 2004, 15, 11–12. [Google Scholar] [CrossRef]
- Sami, S. Modeling and Simulation of a Novel Combined Solar Photovoltaic-Thermal Panel and Heat Pump Hybrid System. Clean Technol. 2018, 1, 89–113. [Google Scholar] [CrossRef]











| Reference | Description | Method | Advantages | Disadvantages |
|---|---|---|---|---|
| Saikrishnan et al. [20] | Experimental Investigation of Solar Paraffin Wax Melting Unit Integrated with Phase Change Heat Energy Storage by Using Phase Change Material. | PCM was used as a type of heat storage material which was attached to the back of the PV panels. When the PV was subjected to solar radiation, the PCM material underwent a phase change from a solid to liquid condition, along with heat absorption. | Ability to store large amounts of energy in the daytime (during melting process) and releasing it at night. Increases the performance of the system around 5%, along with a rising electrical power production to 8%. | Low phase-change enthalpy, low thermal conductivity, and possible risk of flammability. Over time the material’s adsorptive capabilities degrade. The system cannot achieve the same performance during seasonal change, especially during winter and summer. |
| Mehrotra et al. [21] | Performance of a Solar Panel with the Water Immersion Cooling Technique. | Submerging the solar panel into the water to sustain their temperature, especially in peak solar radiation hours and hot climate. | Reduced PV module temperature. Effective increased efficiency when the accurate submersion depth is reached. | The nature of the technique used can affect the electrical efficiency after a period of time. |
| Irwan et al. [22] | Comparison of a Solar Panel Cooling System by Using a DC Brushless Fan and DC Water. | Used a DC brushless fan and water pump with an inlet and outlet manifold to obtain a steady movement of fresh air and circulation of water at both sides of the PV module. | Feasible technique which can increase the electrical output power significantly. The payback period of the investment can be reduced. | The technique consumes electricity and there can be a risk of break down Might require maintenance. |
| Borkar et al. [23] | Performance Evaluation of Photovoltaic Solar Panel Using Thermoelectric Cooling. | Thermoelectric cooling was used to increase the efficiency of the overall power output from the system by taking advantage of thermoelectric effect. | The technique used the waste heat from the panels to promote higher overall output efficiency. No direct contact with the PV module. | The development of the technology is slow and can be expensive. Low conversion efficiency rate was obtained. |
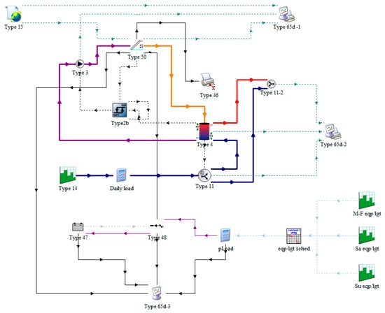
| Type | Name |
|---|---|
| 15 | Weather Data Processor |
| 50 | PV-Thermal Module |
| 4 | Storage Tank |
| 3 | Pump |
| 47 | Electrical Storage Battery |
| 48 | Inverter |
| 11 | Diverter/Tee Piece |
| 12 | Tempering Valve |
| 14 | Time Dependent Forcing Function (Load Profile) |
| 2 | Differential Controller |
| 46 | Integrator Printer |
| 65 | Online graphical plotter |
| Component | Descriptions | Value |
|---|---|---|
| PV/T Module | Module Area | 6.4 m2 |
| Fluid Specific Heat | 4.18 kJ/kg.K | |
| PV Reference Condition Efficiency | 15 % | |
| PV Cell Reference Temperature | 30 °C | |
| Solar Cell Efficiency Temperature Coefficient | 0.5%/K | |
| Packing Factor (ratio of PV cell area to absorber area) | 1 | |
| Inclination Angle | 36˚ | |
| Facing Orientation | South | |
| Pump | Maximum Flowrate | 60 kg/h |
| Maximum Power | 200 kJ/h (0.056 kW) | |
| Storage Tank | Tank Volume | 250 L |
| Maximum Heating Rate of Elements | 5000 kJ/h (1.39 kW) | |
| Battery Bank | Energy Capacity | 15 kWh |
© 2020 by the authors. Licensee MDPI, Basel, Switzerland. This article is an open access article distributed under the terms and conditions of the Creative Commons Attribution (CC BY) license (http://creativecommons.org/licenses/by/4.0/).
Share and Cite
Khordehgah, N.; Żabnieńska-Góra, A.; Jouhara, H. Energy Performance Analysis of a PV/T System Coupled with Domestic Hot Water System. ChemEngineering 2020, 4, 22. https://doi.org/10.3390/chemengineering4020022
Khordehgah N, Żabnieńska-Góra A, Jouhara H. Energy Performance Analysis of a PV/T System Coupled with Domestic Hot Water System. ChemEngineering. 2020; 4(2):22. https://doi.org/10.3390/chemengineering4020022
Chicago/Turabian StyleKhordehgah, Navid, Alina Żabnieńska-Góra, and Hussam Jouhara. 2020. "Energy Performance Analysis of a PV/T System Coupled with Domestic Hot Water System" ChemEngineering 4, no. 2: 22. https://doi.org/10.3390/chemengineering4020022
APA StyleKhordehgah, N., Żabnieńska-Góra, A., & Jouhara, H. (2020). Energy Performance Analysis of a PV/T System Coupled with Domestic Hot Water System. ChemEngineering, 4(2), 22. https://doi.org/10.3390/chemengineering4020022

