Abstract
When scanning beam interference lithography (SBIL) technology is used for grating fabrication, the stroke, bearing capacity, and accuracy of the workbench determine the size and accuracy of the grating. For large-area gratings with dimensions exceeding the meter level, the existing workbench cannot fully meet the requirements. Therefore, the structure design, drive type, and assembly technology of the workbench were studied in this research, and a two-dimensional workbench with a large stroke, heavy load, and high precision was developed. The performance of this workbench was tested. The stroke of the workbench can reach 1800 mm × 700 mm; the straightness is better than 1.5 μm for the whole stroke range. The load can be up to 2.5 t and the positioning accuracy can achieve the nanometer level. A scanning exposure experiment was carried out with this workbench and a grating of 1400 mm × 420 mm was made. The performance index of the grating was outstanding, achieving the intended goals of the experiment.
1. Introduction
Large-area high-precision diffraction gratings, characterized by their large size, heavy mass, and high precision, are widely applied in high-tech fields, such as aerospace and inertial confinement fusion. The demand for these gratings is urgent. However, their fabrication is extremely challenging. Scanning beam interference lithography (SBIL) technology is a grating fabrication technology that combines the fabrication methods of engraving grating and holographic grating. It employs two small Gaussian lasers to create interference fringes. These interference fringes are recorded on a photoresist layer through the precise stepping and scanning motions of a high-precision workbench. This process enables the fabrication of large-area, high-precision grating masks [1,2,3].
In an SBIL system, the stroke, load, and accuracy of the two-dimensional workbench directly determine the size and quality of the grating [4]. Konkola made a 300 mm × 300 mm grating using a set of two-dimensional moving workbenches called “Nanoruler”, with a stroke of 310 mm × 470 mm [5]. The straightness of the Nanoruler was ±1.5 μm/310 mm, and the maximum positioning accuracy was 30 nm. Jiang et al. used a two-dimensional moving workpiece table with a stroke of 100 mm × 100 mm to build an SBIL system and completed the production of an 80 mm × 70 mm grating [6,7,8,9]. In 2006, the Nanoruler was upgraded to Nanoruler II, whose stroke was extended to 920 mm × 600 mm. The repeatable positioning accuracy of the Nanoruler II can reach ±2.9 nm [10,11,12,13]. Additionally, the Nanoruler II can realize the fabrication of a 910 mm × 420 mm grating. The diffraction efficiency is above 94% and the diffraction wavefront is better than λ/3 [13]. Furthermore, Plymouth Grating Laboratory is upgrading its equipment to achieve the fabrication of gratings with dimensions ranging from 1.3 m to 1.5 m. According to the existing literature, the workbench in the existing SBIL system can only meet the fabrication requirements of submeter gratings [14]. The fabrication of meter-level gratings is limited by the accuracy and stroke range of the two-dimensional workbench. So, it is necessary to develop a two-dimensional workbench that satisfies the stroke, accuracy, and load.
Researchers have developed a variety of linear workbenches that utilize aerostatic guideways for support and employ friction drives, ball screws, or linear motors for the drive. These advancements have achieved positioning accuracies at the sub-micron and even nanometer levels [15,16,17,18,19,20]. However, these workbenches generally have low payload capacities, with stroke ranges mostly limited to within 500 mm. There are a few reports of workbenches with stroke ranges exceeding 1000 mm, payload capacities over 500 kg, and a positioning accuracy at sub-micron or higher levels. This is because the stroke range, load capacity, and precision are often mutually conflicting parameters. The keys to achieving a large stroke, heavy load capacity, and high precision in a workbench system are the appropriate mechanical structure, drive type, and guideway. In addition, as the stroke range and load capacity increase, the difficulty of machining individual parts, as well as the complexity of system assembly and debugging, also increase significantly.
To address the aforementioned challenges, this manuscript presents the relevant research from multiple perspectives, including the structural design, drive type, and machining and assembly technologies. A two-dimensional workbench for an SBIL system has been developed to fabricate meter-level holographic gratings. Based on the principle of aerostatic pressure, an aerostatic guide pair with a large stroke and high stiffness has been designed. A two-stage driving system that can achieve both a large stroke and high precision has also been developed. According to the precision machining theory, a machining and assembly technology for large-size and high-precision parts has been proposed. Based on the above research, a high-precision workbench with a large stroke and heavy load was developed here, and its performance was tested and analyzed.
2. Design of Workbench System
The workbench system primarily consists of a granite base, an X-direction workbench component, a Y-direction workbench component, and a measurement feedback component, with its structure depicted in Figure 1. The structure of the X-direction and Y-direction workbench components are similar, each comprising a pair of guideways, a work surface, a driving system, and a measurement feedback system.
Figure 1.
The composition of the workbench system.
2.1. Design of Aerostatic Guide Rail Pair of Workbench
The structure of the X/Y guide rail pair is illustrated in Figure 2. Each guide rail pair consists of one fixed guide rail and multiple groups of sliders.
Figure 2.
Structure of X/Y guide rail pair.
To ensure the running accuracy of the X and Y workbenches, as well as the surface accuracy of the countertops and the support stiffness, the fixed guide rail of the aerostatic guide pair is made from granite, which is known for easily obtaining high machining accuracy [21]. The slide block is made from an alumina ceramic material, which offers higher stiffness. The material properties of the granite and alumina ceramic are presented in Table 1.
Table 1.
Various material parameters of the guide rail pair.
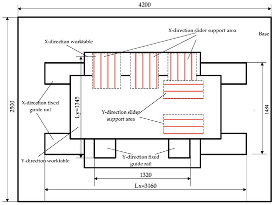
To minimize the deformation caused by the load as much as possible, efforts have been made not only to enhance the stiffness of the supported components but also to arrange the X and Y sliders according to the principle of minimum deformation. Based on the stroke requirements, calculations have determined that the total length of the X-direction fixed guide rail is 3160 mm, with three groups of sliders installed on each rail. For the Y-direction, the total length of the fixed guide rail is 1345 mm, with two groups of sliders provided on each rail. The layout of the X and Y workbenches is illustrated in Figure 3.
Figure 3.
The layout of X/Y-direction workbench.
To ensure the capacity and stiffness of the X and Y guide rail pairs, based on the theory of aerostatic pressure [22], a flat closed-type aerostatic guide is proposed, with the orifice restriction selected, as shown in Figure 4. This type of aerostatic guide pair is characterized by its high load capacity and precision, making it suitable for large-stroke, high-precision workbenches [23,24,25].
Figure 4.
Flat closed-type aerostatic guide pair.
For the aerostatic guide pair, the pressure distribution determines the bearing capacity and stiffness of the guide pair. Assuming that the gas flow in the guide rail pair is a stable flow without inertia, the equation for the gas motion can be expressed as
where p is the pressure; x, y, and z are the Cartesian coordinate directions; u and w are the velocity; and η is the viscosity of the gas.
The gas continuity equation is
The gas state equation is
where pa represents the pressure and a is the density.
Based on the above assumptions, the Reynolds equation for the square of the pressure in a hydrostatic chamber is
In the equation, for a node with a throttle hole, the value of δi is 1, and for a node without a throttle hole, the value of δi is 0; Q is the quantity of the flow.
Equation (4) is highly challenging to solve. Therefore, the finite element method (FEM) is employed to address it. The Reynolds equation is modified, and the flow is incorporated into it as a term. The variational extremum process is utilized, along with the pressure interpolation function for the triangular elements. The Newton–Raphson iteration method is then applied to the calculations.
For a single triangular element, the interpolation function of the pressure square distribution is
The undetermined constants are A0, B0, and C0. and are the coordinates of any point within the cell. The pressure squared distribution at the three vertices of the triangular element is then given by
From Equation (6), the following can be obtained:
In Equation (7), .
Substitute Equation (7) into Equation (5) and arrange it. We can obtain
where , , , , and , .
Using Equation (8), we can obtain the pressure square distribution of any point in the element body, and the finite element solution process is shown in Figure 5.
Figure 5.
Flow chart for calculating load capacity and stiffness of hydrostatic guide pair.
From the calculations, the orifice diameter is determined to be 0.3 mm, the gas film thickness is 15 μm, and the gas pressure is set at 0.4 MPa. Under these conditions, the design load capacities of the X and Y workbenches are presented in Table 2, along with the corresponding loads for the X and Y workbenches. As shown in Table 2, the design load capacities of the X and Y workbenches are very high and fully meet the actual load requirements.
Table 2.
The design load capacities and the actual loads of the X and Y workbenches.
2.2. Design of Drive System of Workbench
2.2.1. Design of Friction Drive
The friction drive structures in the X- and Y-directions are similar, as depicted in Figure 6. They primarily consist of a drive unit, auxiliary wheel train, friction rod, frame, circular grating element, pressure mechanism, and coupling. By adjusting the compression of the butterfly spring in the pressure mechanism and applying an appropriate preload between the drive shaft and the friction rod, the friction drive pair can continuously convert the rotation motion of the drive shaft into the linear motion of the friction guide rail [15,16,17,18,19,26].
Figure 6.
(a) Friction drive mechanism structure; (b) friction drive section view.
The relationship [27] between the friction-driving traction force T and the pre-pressure P is as follows:
In this equation, C is the traction coefficient, which typically ranges from 0.1 to 0.2. This paper assumes C = 0.1. The total mass of the X workbench is 2330 kg. Considering the mass of the other components, the X workbench’s load mass is calculated as m = 2500 kg. The acceleration of the workbench is set to a = 0.004 m/s2. The friction force of each contact part of the X workbench table is f = 135 N. Therefore, the driving force of the X workbench is calculated as follows:
The required pre-pressure is calculated as follows:
To ensure a sufficient driving force, a certain safety factor is incorporated, leading to the determination of the friction-driving pre-pressure at P = 3000 N. According to the Hertzian contact theory, static calculations for each friction-driven component are performed. Upon verification, all the components meet the requirements.
There is microscopic sliding due to the friction drive. If the slip rate is λ,
where Vr is the linear speed of the drive shaft, and ; θ is the value of the circular grating; and VS is the linear speed of the friction rod. Then, the linear speed of the friction rod is
The linear displacement of the friction rod can be expressed as
In Equation (14), the radius R of the drive shaft has machining errors and a deformation δ. The machining errors primarily consist of size error r, cylindricity error rw, and eccentricity e. The deformation δ is mainly caused by the pre-pressure and can be calculated using the Hertz contact theory. Thus, Equation (14) can be rewritten as
In the workbench system, the machining accuracy and rigidity of the drive shaft are extremely high. The machining errors r, , and , and deformation error δ are very small compared to R and can be neglected. Therefore, Equation (15) can be simplified to Equation (14). It is evident that an appropriate sliding rate λ can enhance the resolution of the friction drive. However, an excessively large sliding rate λ will not only reduce system stability but also lead to lifespan issues. For the X-direction friction drive, the radius R = 30 mm, and the precision of the circular grating system is 1″. According to Equation (14), the theoretical accuracy of the designed friction drive can reach at least 0.15 μm. The design of the Y-direction friction drive is similar and, thus, not detailed here.
2.2.2. Design of Micro-Displacement Drive
To achieve nano-level positioning accuracy, a micro-displacement mechanism based on a flexible hinge and piezoelectric actuator is employed in the workbench system to compensate for the positioning error of the friction drive. This mechanism enables the system to achieve extremely high positioning accuracy under a large stroke [20]. To reduce the cross-coupling errors, a double-parallel four-bar flexure hinge structure is utilized [28]. As shown in Figure 7, the structure primarily consists of piezoelectric ceramics, a flexure hinge, internal frame, and external frame.
Figure 7.
Micro-displacement drive mechanism.
The external frame is rigidly mounted to the workbench, while the internal frame is connected to the friction drive mechanism via a coupling element. The piezoelectric ceramic is affixed to the external frame using screws. A steel ball contacts the internal frame, ensuring that the thrust generated by the piezoelectric ceramic actuator is applied solely to the external frame and the workbench. This design eliminates any potential interference from the straightness of the workbench. To avoid driving gaps, a pre-pressure is applied to the flexure hinge by adjusting the length of the piezoelectric ceramic actuator between the internal and external frames.
When the system is in operation, the friction drive mechanism moves to the specified position and remains stationary. The piezoelectric ceramic actuator then extends, pushing the external frame and the workbench until the target position is reached, causing the deformation of the flexure hinge. However, piezoelectric ceramics are incapable of providing a tensile force. Therefore, when the workbench needs to move in the opposite direction, only the elastic deformation energy stored in the flexure hinge can drive the workbench in the reverse direction, as illustrated in Figure 8. The flexure hinge, designed based on its desired characteristics, is made of 40Cr and has been tempered. According to the stiffness calculation equation for the flexure hinge, its stiffness is calculated to be 110 N/μm [28].
Figure 8.
Working principle of micro-displacement drive.
The P-235.1S model from PI company is selected as the piezoelectric actuator, with its main technical parameters listed in Table 3. This actuator has a stroke of 15 μm, a maximum thrust of 30 KN, and a closed-loop resolution of 0.3 nm, which meet the positioning requirements of the X-direction workbench.
Table 3.
The technical parameters of P-235.1S.
3. Precision Machining and Assembly Debugging Technology of the Workbench System
For a large-stroke, high-precision workbench, the machining technology of the appropriate parts and the assembly debugging process are the essential keys to achieving the desired performance of the workbench system, in addition to an appropriate structure and suitable drive type.
3.1. Precision Machining of Key Parts
The machining accuracy of the individual parts forms the foundation for a system to achieve high precision. In this system, the parts are large in size, high in precision, and challenging to machine. The key components include the base, X/Y fixed guide rails, X/Y sliders, and X/Y work surfaces, as shown in Figure 9.
Figure 9.
Key parts of the workbench.
All the parts are processed using the grinding method to achieve the required precision. During grinding, the parts are tested iteratively until the desired accuracy is attained. The materials used for the parts are granite and alumina ceramics, and the grinding plate is also made from granite and alumina ceramics.
For the machining of the base and the X/Y work surfaces, some granite grinding plates are utilized. The removal area and removal amount are determined based on the test data. The machining site of the base and the test results are shown in Figure 10. The process of machining, testing, and re-machining is repeated until the flatness is less than 5 μm.
Figure 10.
(a) Machining and testing site of the base; (b) test data for the surface of the base.
The machining of the X and Y guide pairs involves machining both the fixed guides and the sliders. The fixed guides and sliders exist in pairs separately. To ensure consistency among the same parts, a combined machining technology is fully utilized during machining. Specifically, the elements on the same part should be machined together. Combined machining not only ensures dimensional consistency but also maintains the consistency of the trend of the machined elements. The two fixed guides are positioned face-to-face or back-to-back during machining to achieve the same trend. After machining, they are assembled according to the principle of error compensation and correction, which improves the straightness of the guide pairs. Figure 11 illustrates the placement of the fixed guides during machining and assembly.
Figure 11.
(a) Placement during machining; (b) placement during assembly.
The X and Y sliders are made of alumina ceramic, a material known for its high hardness and high dimensional accuracy. During machining, it is essential not only to ensure dimensional consistency among the same parts but also to maintain dimensional accuracy to ensure the precision of the gas film thickness. The machining technology used is similar to that for the fixed guide rails, as illustrated in Figure 12.
Figure 12.
(a) Machining of side plates; (b) machining of top plates; (c) dimensional requirements for slider machining; and (d) machining site of side plates.
3.2. Assembly of and Debugging Process for the Workbench
The assembly of the workbench system is carried out in accordance with the principle of “bottom-up and test while assembling”. When assembling the X guide pairs, an autocollimator is used to check for their straightness, as shown in Figure 13. Subsequently, an adjustment tool is employed to correct their yaw straightness and the parallelism between the two guides until the requirements are achieved.
Figure 13.
(a) Use an autocollimator to test the straightness of the X-direction guide rails; (b) use an adjustment tool to correct the straightness of the X-direction guide rails.
The assembly of the Y-direction guide rails is similar to that of the X-direction guide rails. However, in addition to the aforementioned requirements, it is essential to ensure the orthogonality between the X and Y guide rails. Figure 14 illustrates the assembly and testing method for orthogonality.
Figure 14.
(a) When the reference mirror is at the 0° position, the capacitance probe moves with the X workbench. (b) When the reference mirror is at the 90° position, the capacitance probe moves with the Y workbench. (c) Orthogonal test component. (d) Capacitance probe and reference mirror.
When conducting the orthogonality test, adjust the high-precision multi-tooth division table firstly to ensure that the mirror is at the 0° position. Position the capacitance probe to respond to the plane mirror. Next, move the X-direction workbench and use the capacitance probe to measure the data. Then, rotate the multi-tooth division table to the 90° position and move the Y-direction workbench, measuring the data with the capacitance probe. The orthogonality between the X and Y workbenches can be calculated by fitting the two sets of data into lines, as illustrated in Figure 15.
Figure 15.
Fitting lines in orthogonality test.
When the X-direction workbench moves, the recorded data are fitted to a straight line, and the inclination angle of this line is denoted as ∠1. Similarly, when the Y-direction workbench moves, the recorded data are fitted to another straight line, with its inclination angle denoted as ∠2. Both ∠1 and ∠2 are determined as positive or negative according to the right-hand rule. The angle between the X and Y workbenches is
Then, the orthogonality is
At this time, the X and Y guide pairs have been assembled. Subsequently, the X and Y drive systems, along with the measurement feedback systems, are installed at their designated positions on the workbench to complete the assembly of the workbench system, as illustrated in Figure 16.
Figure 16.
The assembled workbench system.
4. Performance Test of the Workbench System
During grating fabrication, the stepping workbench (X-direction workbench) moves the grating substrate by a grating distance and holds it stationary. Then, the scanning workbench (Y-direction workbench) drives the grating substrate to move at a constant speed for grating line carving. These actions are repeated multiple times to complete the grating fabrication. It is evident that an SBIL system demands high levels of straightness and orthogonality from both the stepping and scanning workbenches. Additionally, the stepping workbench must exhibit an extremely high step positioning accuracy and static stability, while the scanning workbench should have high speed stability. Four tests were conducted on the assembled workbench system—straightness and orthogonality, step positioning accuracy, static stability, and speed stability—to evaluate the performance of the workbench.
4.1. Straightness and Orthogonality Tests
An autocollimator and mirror were used to test the straightness of the X-direction and the Y-direction workbenches, respectively. The autocollimator model was the HR series by Möller-Wedel. The parameters of the autocollimator are listed in Table 4.
Table 4.
Parameters of autocollimator.
The measuring accuracy of the autocollimator was ±0.01″. The test results are shown in Figure 17. The yaw straightness of the X-direction workbench was within 0.15 μm, and the pitch straightness was within 0.6 μm. For the Y-direction workbench, the yaw straightness was within 0.14 μm, and the pitch straightness was within 1.5 μm.
Figure 17.
(a) Yaw straightness of X-direction workbench; (b) pitch straightness of X-direction workbench; (c) yaw straightness of Y-direction workbench; and (d) pitch straightness of Y-direction workbench.
The orthogonality between the X- and Y-directions was tested by using a high-precision plane mirror and a precision multi-tooth division table. The measuring accuracy of the multi-tooth division table was 0.02″. The test data were plotted as a curve and then fitted to a straight line, as shown in Figure 18. From this, we obtained ∠1 = +0.35″ and ∠2 = −0.07″. The orthogonality between the X- and Y-axes was −0.425″, which met the system’s orthogonality requirement.
Figure 18.
(a) Angle of inclination in X-direction; (b) angle of inclination in Y-direction.
4.2. Step Positioning Accuracy Test
To simulate the grating fabrication process, the X-direction workbench was made to step at 80 nm, 50 nm, and 30 nm, respectively. A laser interferometer was used to measure the step accuracy [29]. The interferometer used was an Agilent dual-frequency laser interferometer. Its model number was 5517D. The parameters of the interferometer are shown in Table 5.
Table 5.
The parameters of 5517D.
Because the laser interferometer had high requirements for environmental parameters, such as temperature, humidity, and air pressure, an optical sealing mechanism was designed to ensure a stable measurement environment, in addition to constructing a closed workspace for the SBIL system. It consisted of an extendable sealing tube, a driving mechanism, and a guiding mechanism. The measurement principle and the schematic optical path sealing design are shown in Figure 19.
Figure 19.
(a) Measurement principle of interferometer; (b) schematic of optical path sealing design.
When the step positioning accuracy test began, the optical path sealing mechanism moved along with the X-direction workbench to ensure that the optical path remained sealed, thereby reducing the impact of environmental factors on the measurement accuracy. The laser interferometer recorded the motion parameters of the X-direction workbench. The results are shown in Figure 20.

Figure 20.
(a) Step experiment at 80 nm; (b) step experiment at 50 nm; and (c) step experiment at 30 nm.
As illustrated in Figure 20, the X-direction workbench accurately achieved step positioning with a fluctuation error within ±15 nm at a 80 nm step size. At a step size of 50 nm, the step was clearly defined, and step positioning was achieved with a fluctuation error still within ±15 nm. At a step size of 30 nm, although the step was not initially obvious, the corresponding step was still achieved with a fluctuation error remaining within ±15 nm.
4.3. Static Stability Test
The workbench system is supported by aerostatic guide rails. When the workbench is in a steady state, it will generate some vibration [30]. This vibration is detrimental to the workbench system, so it was necessary to test the static stability of the workbench to confirm its stability.
The friction drive motor was enabled, and the workbench was set to a steady state. A laser interferometer was used to measure the position of the workbench. The data collected during the test are presented in Figure 21. The data reveal that the jitter of the workbench system in the steady state was less than ±15 nm. The results confirm that the workbench meets the necessary stability requirements for an SBIL system.
Figure 21.
Steady-state test curve.
4.4. Speed Stability Test
The speed stability of the Y-direction workbench significantly affects the quality of the grating. During the test, the Y-direction speed was set at 40 mm/s, and a laser interferometer was used to monitor this speed. The results are shown in Figure 22, indicating that the speed stability was about 0.4–0.5%.
Figure 22.
Speed stability test of Y-direction workbench.
5. Scanning Exposure Experiment
The grating substrate, with dimensions of 1400 mm × 420 mm, was placed on the assembled workbench system for the grating exposure experiment, as shown in Figure 23.
Figure 23.
Scanning exposure experiment.
The workbench performed multiple step and scan motions repeatedly to complete the grating fabrication. Subsequently, the grating was tested, and the results for the diffraction wavefront error are shown in Figure 24.
Figure 24.
(a) The grating after exposure; (b) the results of the diffraction wavefront error measurement.
From Figure 24b, the diffraction wavefront error of the 1400 mm × 420 mm holographic grating is 0.46 λ @632.8 nm. For a grating of such a large area, this result is highly impressive. The quality of the diffraction wavefront is a crucial metric for evaluating the performance of a grating, directly influencing the spectral resolution, energy transfer efficiency, imaging quality, and stability of the optical systems [31,32,33].
One of the main causes of the diffraction wavefront error is the grating groove error, which is primarily determined by the precision of the workbench [34]. The straightness and positioning accuracy directly affect the position accuracy of the grating grooves, thereby influencing the diffraction wavefront and ghost line intensity of the grating. A higher-precision workbench leads to a higher-precision grating. However, the precision of a workbench is affected by multiple factors. Subsequently, efforts will be made to further enhance the precision of the workbench by focusing on four key aspects: the motion control algorithm of the workbench, the accuracy of the measurement system, the environmental control, and the drive type.
6. Conclusions
In this manuscript, we developed a large-stroke, high-precision, and heavy-load workbench system for an SBIL system, starting with its structure, drive type, and manufacturing, assembly, and debugging processes.
Utilizing the principle of aerostatic pressure, the guide rail support structure of the workbench was studied, and a large-stroke, high-precision, heavy-load aerostatic guide rail pair was designed. The guide rail pair can achieve a stroke of up to 1700 mm and a load capacity of up to 2.5 tons, with a straightness accuracy better than 1.5 μm over the full stroke. A high-precision driving system was designed. A friction drive was used to achieve a large-stroke motion, while a micro-displacement drive was employed for high-precision positioning. Based on this, the workbench can achieve a positioning accuracy of ±15 nm.
Tests for straightness, step positioning accuracy, and speed stability were performed on the workbench system, with all the test results being excellent. A scanning exposure experiment was conducted on a 1400 mm × 420 mm substrate, and the results indicated that the grating diffraction wavefront error was less than 0.46 λ@632.8 nm. This fully demonstrates that the performance of the developed workbench is excellent and meets the requirements for fabricating large-area, high-precision gratings.
Although the experiment achieved the expected goals, there is still room for improvement in the workbench system. In the future, we will conduct in-depth research on the control algorithms for this high-precision workbench, precision measurement feedback for large-stroke movements, ultra-high environmental control, and precision drive type.
Once the workbench achieves a higher precision, its application prospects are very extensive. We could use it not only to fabricate large-area gratings for astronomical observation and inertial confinement fusion, but also to produce grating scales for high-end computer numerical control (CNC) machine tools.
Author Contributions
Conceptualization and methodology, Q.C., H.B. and X.H.; software, H.C.; formal analysis, X.Y.; writing—manuscript and editing, G.Y. All authors have read and agreed to the published version of the manuscript.
Funding
This research was funded by the National Key R&D Program of China, grant number 2022YFB3606100; and the National Key Scientific Instrument and Equipment Development Project of China, grant numbers 61227901 and U21A20509.
Institutional Review Board Statement
Not applicable.
Informed Consent Statement
Not applicable.
Data Availability Statement
The data are contained within this paper.
Conflicts of Interest
The authors declare no conflicts of interest.
References
- Montoya, J. Toward Nano-Accuracy in Scanning Beam Interference Lithography. Ph.D. Thesis, Massachusetts Institute of Technology, Cambridge, MA, USA, 2006. [Google Scholar]
- Chen, C.G.; Konkola, P.T.; Heilmann, R.K.; Joo, C.; Schattenburg, M.L. Nanometer-Accurate Grating Fabrication with Scanning Beam Interference Lithography. In Proceedings of the Nano-and Microtechnology: Materials, Processes, Packaging, and Systems, Melbourne, Australia, 16–18 December 2002; pp. 126–134. [Google Scholar]
- Yu, B.; Jia, W.; Zhou, C.; Cao, H.; Sun, W. Grating imaging scanning lithography. Chin. Opt. Lett. 2013, 11, 80501. [Google Scholar]
- Shen, Y. Structure Optimization and Control of Large Area and High Precision Diffraction Grating Rulling Engine. PhD. Thesis, University of Science and Technology of China, Hefei, China, 2012. [Google Scholar]
- Konkola, P.T. Design and Analysis of a Scanning Beam Interference Lithography System for Patterning Gratings with Nanometer-Level Distortions. Ph.D. Thesis, Massachusetts Institute of Technology, Cambridge, MA, USA, 2003. [Google Scholar]
- Jiang, S. Study on Measurement and Adjustment of Interference Fringes for Scanning Beam Interference Lithography System. Ph.D. Thesis, Changchun Institute of Optics, Fine Mechanics and Physics, Chinese Academy of Sciences, Changchun, China, 2015. [Google Scholar]
- Liu, Z. Study on Wavefront Control of Grating Diffraction on Scanning Beam Interference Lithography System. Ph.D. Thesis, Changchun Institute of Optics, Fine Mechanics and Physics, Chinese Academy of Sciences, Changchun, China, 2017. [Google Scholar]
- Song, Y. Research on the Interference Fringe Static and Dynamic Phase-Locking Technology in the Lithography System of the Holographic Grating. Ph.D. Thesis, Changchun Institute of Optics, Fine Mechanics and Physics, Chinese Academy of Sciences, Changchun, China, 2014. [Google Scholar]
- Wang, W. Study on Beam Quality Control of the Scanning Beam Interference Lithography System. Ph.D. Thesis, Changchun Institute of Optics, Fine Mechanics and Physics, Chinese Academy of Sciences, Changchun, China, 2017. [Google Scholar]
- Zhao, Y. Ultra-high Precision Scanning Beam Interference Lithography and its Application- Spatial Frequency Multiplication. Ph.D. Thesis, Massachusetts Institute of Technology, Cambridge, MA, USA, 2008. [Google Scholar]
- Pati, G.S.; Heilmann, R.K.; Konkola, P.T.; Joo, C.; Chen, C.G.; Murphy, E.; Schattenburg, M.L. Generalized scanning beam interference lithography system for patterning gratings with variable period progressions. J. Vac. Sci. Technol. B Microelectron. Nanometer Struct. Process. Meas. Phenom. 2002, 20, 2617–2621. [Google Scholar] [CrossRef]
- Schattenburg, M.; Chang, C.; Heilmann, R.; Montoya, J.; Zhao, Y.; Glenn, P.; Smith, D.; Chargin, D.; Ivanov, S. Advanced Interference Lithography for Nanomanufacturing. In Proceedings of the International Symposium on Nanomanufacturing, Karlsruhe, Germany, 1 November 2006; p. TS3C-44. [Google Scholar]
- Jitsuno, T.; Motokoshi, S.; Okamoto, T.; Mikami, T.; Smith, D.; Schattenburg, M.; Kitamura, H.; Matsuo, H.; Kawasaki, T.; Kondo, K. Development of 91 cm size gratings and mirrors for LEFX laser system. J. Phys. Conf. Ser. 2008, 112, 32002. [Google Scholar] [CrossRef]
- Lu, S.; Yang, K.; Zhu, Y.; Wang, L.; Zhang, M.; Yang, J. Design and control of ultra-precision fine positioning stage for scanning beam interference lithography. Acta Opt. Sin. 2017, 37, 1012006. [Google Scholar]
- Mekid, S. High precision linear slide. Part I: Design and construction. Int. J. Mach. Tools Manuf. 2000, 40, 1039–1050. [Google Scholar] [CrossRef]
- Mekid, S.; Olejniczak, O. High precision linear slide. Part II: Control and measurements. Int. J. Mach. Tools Manuf. 2000, 40, 1051–1064. [Google Scholar] [CrossRef]
- Mekid, S. Precision design aspects for friction actuation with error compensation. J. Mech. Sci. Technol. 2009, 23, 2873–2884. [Google Scholar] [CrossRef]
- Mizumoto, H.; Nomura, K.; Matsubara, T.; Shimizu, T. An ultraprecision positioning system using a twist-roller friction drive. Precis. Eng. 1993, 15, 180–184. [Google Scholar] [CrossRef]
- Moix, T.; Ilic, D.; Fracheboud, B.; Bleuler, H. Design of a Friction Drive Actuator with Integrated Force and Torque Sensors. In Proceedings of the IEEE Instrumentation and Measurement Technology Conference Proceedings, Ottawa, ON, Canada, 16–19 May 2005; pp. 1762–1766. [Google Scholar]
- Zhang, G.; Jin, H.; Lin, Y.-J. Attaining ultraprecision machining by feed drive system stability control with piezoelectric preloading actuators. Appl. Sci. 2021, 11, 8491. [Google Scholar] [CrossRef]
- Qi, N.; Tao, J.; Guan, Y.; Wang, W. Discussion on error homogenization of air float guide. J. Harbin Inst. Technol. 1997, 29, 61–63. [Google Scholar]
- Liu, D. Aerostatic Gas Lubrication; Harbin Institute of Technology Press: Harbin, China, 1990. [Google Scholar]
- Wang, Z. Research on Some Key Technologies of the Aerostatic Stage. Master’s Thesis, Tianjin University, Tianjin, China, 2009. [Google Scholar]
- Mo, D. Two-Dimensional Air-Bearing Table Structure Design is Suitable for the Large Stroke Raster Engraving. Master Thesis, Guangdong University of Technology, Guangzhou, China, 2013. [Google Scholar]
- Lu, Z.; Liu, X.; Lu, H.; Huang, P.; Zhu, S.; Liu, B.; Zhang, J. Calculation and Research on Bearing Performance of the Aerostatic Guideway of Two-dimensional Motion Platform. J. Mech. Eng. 2022, 58, 240–250. [Google Scholar]
- Deng, M.; Long, W.; Wang, H. Design and Research of Twist-roller Friction Drive in Aerostatic Guideway. New Technol. New Process 2013, 8, 36–38. [Google Scholar]
- Chu, K.; Li., Y. Friction drive and application. New Technol. New Process 1994, 3, 14–15. [Google Scholar]
- Wu, Y.; Zhou, Z. Deduction of Design Equation of Flexure Hinge. Chin. J. Sci. Instrument. 2004, 25, 125–128+137. [Google Scholar] [CrossRef]
- Liu, Z.; Yang, H.; Li, Y.; Jiang, S.; Wang, W.; Song, Y.; Bayanheshig; Li, W. Active control technology of a diffraction grating wavefront by scanning beam interference lithography. Opt. Express 2021, 29, 37066–37074. [Google Scholar] [CrossRef] [PubMed]
- Chen, H.; Li, L.; Li, R.; Yu, G.; Chen, Q. Design and Analysis of a Long-Stroke and High-Precision Positioning System for Scanning Beam Interference Lithography. Electronics 2023, 12, 4960. [Google Scholar] [CrossRef]
- Zhang, W.; Kong, W.; Wang, G.; Xing, F.; Zhang, F.; Zhang, H.; Fu, S. Review of pulse compression gratings for chirped pulse amplification system. Opt. Eng. 2021, 60, 20902. [Google Scholar] [CrossRef]
- Kukushkin, D.E.; Sazonenko, D.A.; Valyavin, G.G.; Bakholdin, A.V. High-resolution astronomical spectrograph design method with a single echelle grating. Appl. Opt. 2023, 62, 3004–3015. [Google Scholar] [CrossRef] [PubMed]
- Li, Y.; Li, J.; Ozcan, A. Nonlinear encoding in diffractive information processing using linear optical materials. Light Sci. Appl. 2024, 13, 173. [Google Scholar] [CrossRef] [PubMed]
- Li, X.; Bayanheshig; Qi, X.; Yu, H.; Tang, Y. Influence and Revising Method of Machine-Ruling Grating Line’s Curve Error, Location Error on Plane Grating’s Performance. Chin. J. Lasers 2013, 8, 308009-8. [Google Scholar]
Disclaimer/Publisher’s Note: The statements, opinions and data contained in all publications are solely those of the individual author(s) and contributor(s) and not of MDPI and/or the editor(s). MDPI and/or the editor(s) disclaim responsibility for any injury to people or property resulting from any ideas, methods, instructions or products referred to in the content. |
© 2025 by the authors. Licensee MDPI, Basel, Switzerland. This article is an open access article distributed under the terms and conditions of the Creative Commons Attribution (CC BY) license (https://creativecommons.org/licenses/by/4.0/).