Next Article in Journal
Enhancing Recovery of Low-Productivity Coalbed Methane Wells in Medium-Shallow Reservoirs by CO2 Huff-and-Puff
Previous Article in Journal
Advances in Miniaturized Liquid Chromatography for the Detection of Organic Pollutants in Food, Environmental, and Biological Samples
 
 
Font Type:
Arial Georgia Verdana
Font Size:
Aa Aa Aa
Line Spacing:
Column Width:
Background:
Article

Fluid Flow Dynamics and Micro-Dust Separation in Multi-Module Cyclone-Separators: Experimental Research and Comparative Analysis

by
Aleksandras Chlebnikovas
Research Institute of Mechanical Science, Vilnius Gediminas Technical University, Plytinės g. 25, 10105 Vilnius, Lithuania
Separations 2025, 12(11), 313; https://doi.org/10.3390/separations12110313
Submission received: 28 September 2025 / Revised: 31 October 2025 / Accepted: 6 November 2025 / Published: 11 November 2025
(This article belongs to the Special Issue Advances in Gas–Solid Separation for Solid Waste Recovery)

Abstract

An improved multi-module gas purification device is capable of removing micro-particles with an overall efficiency of over 95% at an average velocity of 16 m/s under a flow distribution ratio of 50/50. Its operation is based on the separation and filtration effect, and the multi-module design increases gas flow processing capacity without increasing the size of the device, and ensures good sustainable development as an innovation. The effects of one, dual, and triple-module configurations were experimentally investigated in terms of gas flow and distribution in channels, including pressure drag and separation level. For a comparative analysis of three pilot models of the device, granite micro-dust and wood ash were used as test particles. At an average micro-dust concentration of 4.5 g/m3, a pressure drop of less than 1600 Pa and a separation level of more than 93% were achieved.

1. Introduction

A gas (air) flow is dedusted using various types of cleaning devices. Particle traps are designed to separate particles released during technological processes from the exhaust air flow in ventilation systems. Specifically, fine particles of up to 2.5 µm and less (PM2.5) are much more harmful to human health and could penetrate deeper into the lungs and even the blood [1,2,3].
The conventional cyclone-separator is a well known and widely analyzed technology that can capture coarse and small particles from the gas flow and achieve more than 90% efficiency, and includes the Stairmand type, reverse-flow, few-stage, modified injection part, and vortex finder [4,5,6,7]. The use of the cyclone-separator to clean the gas from particles is the most common compared to other cleaning devices [8,9]. The main advantages of cyclone-separator devices are low cost, simple design, and ease of operation. As they have a unique design, which does not have moving parts or filter surfaces that require constant maintenance, cyclone-separators with relatively low aerodynamic resistance and high efficiency will remain competitive in the modern market for a long time to come [6,10,11,12,13].
The solution of the problem of cleaning gas contaminated with particles generated in industry remains one of the main tasks in the field of environmental engineering. Air pollution degrades the quality of the environment and creates unfavorable conditions for employees and equipment. When they enter the human body, solid particles cause damage to the eyes, skin, and respiratory tract, as well as diseases of the blood vessels and heart, and have a carcinogenic effect [14,15,16].
The operation of a conventional cyclone-separator is based on the widely used principle of separating particles under the action of centrifugal forces, which arise as a result of the vortex motion of the gas flow inside the device body. The cleaning efficiency of these cyclone-separators reaches 75–85%, and the gas is cleaned of particles larger than 20 microns in diameter. This is insufficient to achieve the objectives of the new revised Directive 2024/2881 on ambient air quality and cleaner air for Europe. This document includes lower limit values, including for particles PM2.5 and PM10, which will monitor a wide range of components in Europe to provide comprehensive data to support health studies.
The main disadvantage of cyclone-separators is their insufficient purification of gas flows from particles of various dispersions, especially those with a diameter of less than 10 microns [17,18]. Therefore, these devices are most often used for the primary purification of gas flows from non-sticky dry particles [19]. Particles of this type are most often bulk materials, such as sand, granite, grain crops, and the like. Such materials are stored in dry conditions to avoid compromising their quality [20]. Thermal drying of the particles prior to cleaning to reduce moisture content requires significant energy consumption, but this could partially reduce the stickiness and adhesion of the particles [21]. When the gas flow velocity exceeds 15 m/s, the efficiency of gas purification also decreases due to the suction that occurs at the junction of the hopper and the conical part of the cyclone-separator body. These devices often have high resistance, increasing energy consumption during operation and limiting the performance of the device [9,22,23,24].
One of the problems in calculating the efficiency of a cyclone-separator is the influence of flow dynamics parameters. In large cyclone-separators, the flow is turbulent and the influence of friction forces is significant [25]. In small cyclone-separators, flow and operating conditions—velocity, temperature, pressure, viscosity, or diameter of cyclone-separator—may be more important, since the flow in these cyclone-separators can be laminar, turbulent, or transitional. In laminar flow, the operating parameters have a greater influence on the efficiency of the cyclone-separator than in turbulent flow [26].
This study adopts a novel cyclone-separator with module design to de-dust the gas flow from granite and wood ash through the multi-module separation volume in the body of the device [27]. The operation of eight-channel cyclones is based on the action of centrifugal forces and an additional filtration process in the inter-channel zones. There are several works that examine spiral cyclone-separators under industrial conditions for the precipitation of wood particles [28]. The work uses a machine learning model to calculate the estimated efficiency of a complex device to reduce particle emissions from the exhaust gas flows emitted from ship systems [29]. The installation of several levels in a single housing has differences due to the appearance of communicating volumes both between channels and between levels. These features of novelty of the object, in contrast to prototypes [30,31], significantly expand the scope of study of this technology. The multi-module design of the cyclone-separator allows for a higher micro-dust mass flow rate at the same equipment parameters. The characteristics of aerodynamic resistance, flow dynamics, and separation efficiency were analyzed. The design of the internal elements and the particular gas flow ratio were applied.

2. Materials and Methods

An experimental stand for a new generation of gas purification devices has been installed at the Institute of Environmental Protection at Vilnius Gediminas Technical University (Vilnius Tech). A schematic diagram of the internal structure of the multi-channel cyclone device is shown in Figure 1. The designs of the single-, double-, and triple-module cyclone-separator separation chambers are similar, differing only in their number of modules. The diameter of the separation chamber is 630 mm for each module; the cross-section of the inlet to each module is 0.065 m × 0.300 m.
A two-phase gas flow enters tangentially through the inlet and enters the separation chamber, the first channel of the cyclone-separator, which is bounded by the peripheral wall and the first curved quarter ring. The flow, flowing out of the previous channel, encounters a semicircular (quarter-ring) wall and divides into two flows, peripheral and transit. Part of the peripheral flow enters the previous channel, thus filtering the contaminated flow with the reverse flow, and the transit flow enters the next channel in the direction of the device axis and exits the cyclone-separator. Thus, the gas flow is distributed through channels of varying curvature and filtered through the gaps between the quarter rings. Under the action of centrifugal forces created by the vortex flow and under the influence of the resulting filtration effect in the flow separation zone, micro-dust settles and accumulates in the cyclone-separator hopper, entering it through segmented ring slots. The purified gas that has passed through all the cyclone-separator channels exits the system through the gas flow outlet. The dusty gas is filtered in the active zone of the gaps between the channels as a result of the interaction of solid particles that coagulate. In a design with curved quarter rings with bent openings, closed contours have twice as many flow divergence zones as when using curved half rings. The installed plate deflectors with an angle of 5° allow the partially cleaned flow in the middle of the channel to return to the previous channel, thus increasing the flow filtration time. When using curved quarter-ring channels, the number of channels in the cyclone-separator is twice as many as when using curved half-ring channels.
During the research, a change in the gas flow velocity in individual channels and modules of one-, two-, and triple-module multi-channel cyclone-separators was established at a gas flow rate for each module of approximately 900 m3/h, with an average gas flow velocity in the cyclone-separator channels of 16 m/s. The change in velocity in the channels was established in an equal ratio of peripheral and transit flows of 50/50. In this study, two ratios of flow distribution were used; a schematic visualization is presented in Figure 2.
This flow ratio was selected as optimal on the basis of previous studies. To study aerodynamic drag and cleaning efficiency, additional studies were conducted with a predominant transit flow of 25/75, which, together with a flow distribution of 50/50, is one of the optimal ratios. This distribution is characteristic only of cyclones with internal channels, the design of which has not yet been thoroughly studied. However, there are studies that have concluded that one of the most effective cases is when the peripheral and transit flows are distributed equally, i.e., 50% each [28].
To determine the velocity by directly measuring the dynamic pressure, a Pitot tube with rubber hoses with an inner diameter of 6 mm and an outer diameter of 8 mm was connected to a Testo–400 (Testo, Titisee-Neustadt, Germany) (temperature measurement range: 20–70 °C, accuracy ±0.2 °C, velocity measurement range: 1–30 m/s, accuracy ±0.05 m/s).
Points were selected in each channel in a similar manner: at the beginning of the channel (0°) and at angles of 45° and 90° in the cross-sections of the channel, which are shown in Figure 1b. Three points were selected in each channel, located from the beginning of the channel (0°) to the cross-sections of the channel located at an angle of 90°. In Figure 1, the speed measurement points are numbered as follows: the first digit indicates the channel number, and the second digit indicates the sequence number of the measurement point in a given channel (1 means at the beginning of the channel, i.e., 0°; 2 is in the middle—45°; and 3 is at the end—90°), for example, 1.1 is the point at the beginning of the first channel, etc.
Gas flow velocities were investigated in the cyclone-separator channels using a Pitot tube at different heights (2 cm above the bottom of the separation chamber, in the middle of the channel height, and 2 cm below the separation chamber cover). Aerodynamic resistance was measured using a DSM-1 (Elintos MS, Vilnius, Lithuania) differential pressure gauge (measuring range 0–20,000 kPa; accuracy ±5 Pa).
The compressor is connected to a supply nozzle, which sucks in dust particles and feeds them directly into the cyclone-separator’s inlet gas flow channel, which has a diameter of 160 mm. Scales (accuracy ±0.5 mg) were used to determine the mass of the samples, and a Sekonda stopwatch recorded the air suction time (accuracy ±0.2 s).
Experimental studies of the cyclone-separator cleaning efficiency were conducted based on the LAND 28-98/M-08 method: “Determination of dust (solid particle) concentration. Weight method.”
For experimental testing, a fraction of particles with a size of 0–20 μm was used. The rest was received. During the experimental studies, the ambient temperature ranged from 20.5 °C to 21.5 °C, and the relative humidity reached 42–46%. Visual size analysis was performed using a scanning electron microscope (SEM). SEM JEOL JSM-7600F (Jeol, Akishima, Japan), complete with a Quorum Q150R ES (Quorum, Edinburgh, UK) automatic sample preparation device, was used. Low-aberration objective lenses provide stable, high-resolution images even at high beam intensities (over 200 nA at 15 kV). This allows for high-precision analysis of nanostructures, with a magnification ranging from 25-fold to 106-fold and a spatial resolution of up to 1 nm at 15 kV. Before scanning, the samples were treated with liquid nitrogen and coated with a layer of carbon. Each sample was attached to the microscope holder with carbon stickers and inserted between plates that had been pre-coated with a conductive layer of gold using a vacuum. The micro-dust views are presented in Figure 3.
The efficiency of particle capture was determined by varying the amount of selected micro-particles admitted. The composition of the size of the wood ash and granite particles is presented in Table 1. The concentration of granite particles (density 2900 kg/m3) and wood ash (density 850 kg/m3) in polluted gas flow ranged from 500 mg/m3 to 10 g/m3.

3. Results

In studies of a multi-module multi-channel cyclone-separator, the distributions of gas flow velocities in the modules and channels of the cyclone-separator were first determined, and their changes in the channels were analyzed at a flow distribution ratio of 50/50. The studies were carried out with single, double, and triple-module eight-channel cyclone-separators.
When analyzing the position of the quarters in a single-module eight-channel cyclone-separator at an average velocity of 16 m/s in the cyclone-separator, it was found that the maximum gas flow velocity was recorded at the end of the second channel, at the third measurement point (Figure 4). At the beginning of the second channel, the velocity was 17.5 m/s, and as it approached the end of the channel, the values increased 1.7-fold and reached 29.7 m/s. When cylindrical curved quarter rings are installed in the cylindrical body of the cyclone-separator, they are arranged in order of decreasing radius and indented depending on the width of the inlet. Due to this arrangement, the second quarter ring moves closer to the wall of the cyclone-separator, and at the end of the second channel, the cross-section of the channel decreases. Thus, the cross-sectional area of the second channel at the beginning is approximately 3-fold wider than at the end. A similar increase in velocity is observed in the first, third, and fourth channels, which narrow 1.3-fold. Based on the results obtained, it has been calculated that the average gas flow velocity in the second channel of a one-module cyclone-separator is 14.3% higher than in the first channel.
After examining the gas flow velocities in the fourth and subsequent channels, it can be concluded that the velocity in each channel decreases continuously. The difference between the velocities in the fourth and fifth channels is 3.8 m/s. The difference between the average velocity in the fifth and sixth channels is 0.7 m/s. In subsequent channels, the downward trend remains similar. Starting with the fourth channel, whose width remains constant, a uniform gas flow prevails. A noticeable difference between the fourth channels of the design under consideration is that in the outer channels (1–4), the gas flow velocity increased to 1 m/s, while in the inner channels (5–8), it decreased accordingly. The installed openings, whose plates are deflected at an angle of 5°, additionally return part of the gas flow, as a result of which the velocity in the outer channels increases. In the fifth to eighth channels, there is a decrease in velocity from the beginning of the channel to the end, with a decrease of 3–4%. The greatest decrease in velocity is observed in the fifth channel, reaching 4%. When passing through the channel, the gas flow constantly comes into contact with the walls of the channel and is subject to friction. The longer the path of the gas flow in the channel, the greater the friction force to which it is subjected. For this reason, in the fifth channel, whose width remains identical to the width of the subsequent channels, a greater decrease in velocity is observed.
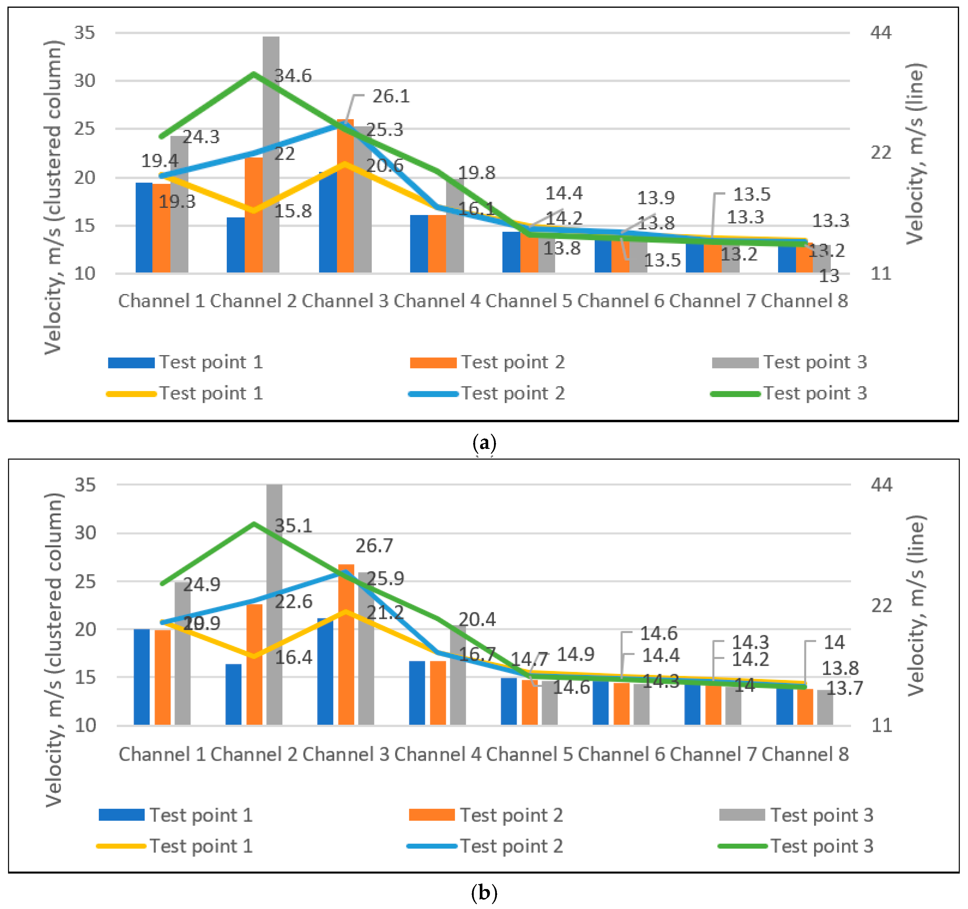
To compare the results of studies conducted with newly designed multi-channel cyclone-separators, a similar internal arrangement of quarters was installed in a dual-module eight-channel cyclone-separator. Transit gas flow was equal to peripheral flow (gas flow distribution ratio 50/50), and the average velocity in the cyclone-separator was 16 m/s. Therefore, the maximum gas flow velocity was established at the last measurement point of the second channel of the second level (Figure 5). The design of the cyclone separation chamber in the form of a cylinder with existing channels does not cause a significant pressure drop, but the speed at the 180° turn of the flow relative to the inlet duct, that is, at the end of the second channel, increases the most.
The velocity set at the beginning of the second channel of the second level is 14.0 m/s, and at the end, it increased to 15.8 m/s (Figure 5b). The tendency for the velocity to increase in the second channel is also observed at the first level. The velocity increases because the second channel is three times wider at the beginning than at the end, so the gas flow velocity increases approximately 2.2 times. The average gas flow velocity in the second channel of the first level was 17.3% higher than in the first channel due to the internal design of the cyclone separation chamber. The difference between the average velocity of the fourth and fifth channels of the first level is 0.8 m/s, and at the second level, it is 0.8 m/s, respectively. In the subsequent channels, the downward trend remains the same. Since the width of the fourth and subsequent channels remains constant, the gas movement becomes uniform.
In the first and second level channels, from the fifth to the eighth, there is a decrease in velocity from the beginning of the channel to its end, with an average change of 3% to 5%. The largest decrease in velocity was recorded in the fifth channel, at 4.9%. Assessing the average velocity of the first and second levels, we can conclude that the average velocity of the second level channels was 0.6 m/s higher than the average velocity of the first level (15.7 m/s). The largest difference was recorded between the gas flow velocity values set at both levels and was 0.7 m/s. It can be assumed that this result was influenced by the inflow of additional gas from the first level. As in the case of one-module multi-channel, four-leaf dampers, whose plates are deflected at an angle of 5°, they direct most of the gas flow from the inner (far) channels to the outer (near) channels, the first to fourth channels. For this reason, the gas flow velocity in the outer channels increases, whereas in the more distant channels, the velocity decreases by approximately 7%.
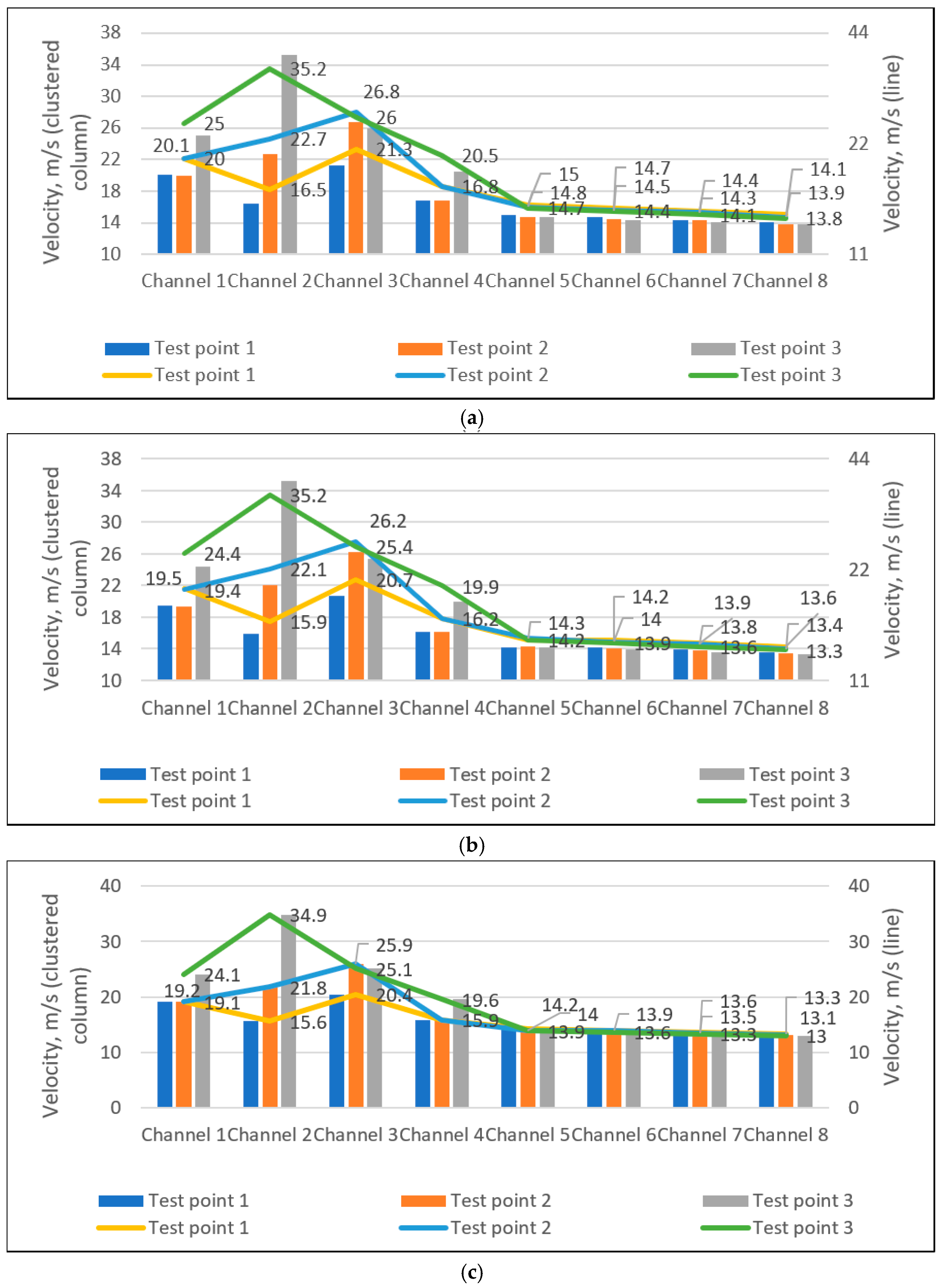
In the triple-module design of the multi-channel cyclone-separator (Figure 6), the maximum gas flow velocity was recorded at the last measurement point of the second channel of the third stage (Figure 6c). At the beginning of the second channel, the velocity was 15.6 m/s, and at the end, it increased to 34.9 m/s. The upward trend in the first channel is observed at both the first and second levels. The main reasons for the increase in velocity for one- and dual-module cyclone-separators are the changes in the cross-sectional area of the channels. In the second channel, due to the narrowing of the cylindrical-shaped body, the cross-sectional area in the middle of the channel is 30% smaller, and at the end of the channel, it is 55% smaller than at the beginning of the channel. In the third and fourth channels, this ratio decreases due to the shift in the curved elements and the expansion of the cross-section. At the third level, there is a partial replenishment of the volumetric flow rate of all levels above the first from the common axial zone, which has outlet openings at each level in the form of a manifold. This partially reduces the pressure losses caused by the flow passing through a series of obstacles in the form of channels, folded opening slots, and outlet openings. The average gas flow velocity in the second channel of the first level was 17.3% higher than in the first channel. In one- and dual-module cyclone-separators, the change in gas flow velocity in the internal channels at the first level was insignificant.
In a triple-module cyclone-separator, the average velocities in the channels differ slightly. The average velocity of the second-level channels exceeds the average velocity of the first level (15.5 m/s) by 0.3 m/s, and the difference between the average velocity of the third and second levels is 0.5 m/s (Figure 6b,c).
The largest difference is observed between the eighth channel of the first and third levels and is 1.1 m/s (Figure 6a,c). The highest values of gas flow velocity are recorded at the third level. In the case of three levels, the flow of the second level is replenished by the flow flowing out of the first level, and the flow of the third level is replenished by the flow flowing out of the second and third levels, respectively. In the internal design of the cyclone-separator, which uses curved quarter rings with plates deflected at an angle of 5°, it was found that the gas flow velocity in the initial channels increased by an average of 7%, while in the subsequent channels the velocity decreased similarly.
Aerodynamic resistance, as a typical parameter of a gas cleaning device, determines the static pressure drop due to local pressure losses and losses along the flow path. This parameter can also be defined as the energy loss of the flow. The results of studies of the aerodynamic resistance of eight-channel single-, double-, and triple-module cyclone-separators of various designs are presented in Figure 7. At an average gas flow velocity of 16 m/s in the cyclone-separator channels, it was found that with an equal flow distribution ratio of 50/50, the maximum aerodynamic drag reached 1525 Pa, which was established during the testing of a triple-module cyclone-separator. As a rule, aerodynamic drag decreases as the number of modules in the cyclone-separator design decreases. When comparing the aerodynamic resistance parameters of cyclone-separators with three- and dual-modules, it was found that the value decreased by 6.9% and reached 1420 Pa. However, when comparing two- and one-module cyclone-separators, the decrease in values was not so significant, with a difference of 3.5% between them.
The results of the studies show that when the proportion of the peripheral gas flow, that is, the flow that moves into the previous channel, is reduced, the aerodynamic drag decreases (Figure 7). The aerodynamic resistance of a one-module multi-channel cyclone-separator is 1330 Pa, which is 2.9% less than in the case of a 50/50 flow distribution ratio. This difference increases with the number of modules in multi-channel cyclone-separators.
In the case of a dual-module cyclone-separator, the difference between the values obtained for the above-mentioned flow distribution cases is 4.9%, and in the case of a triple-module cyclone-separator, it is 6.9%.
The cleaning efficiency of multi-module multi-channel cyclone-separators was studied using granite and wood micro-dust, with sizes reaching 20 μm. The results of the experimental studies are presented with an analysis of single-, dual-, and triple-module cyclone-separators at a flow distribution ratio of 25/75 and an average gas flow velocity in the cyclone-separator channels of 16 m/s (Figure 8).
The maximum efficiency of cleaning the contaminated gas flow reached 90.6% when using granite micro-dust, cleaning the flow of the triple-module eight-channel cyclone-separator. When the values obtained in the study of single- and dual-module cyclone-separators are compared, it can be concluded that the efficiency of dual-module and triple-module cyclone-separators is approximately the same, with values varying within the margin of error. The efficiency of the one-module multi-channel cyclone-separator was the lowest of all those studied, at 88.8% (the standard deviation is equal to 0.36), i.e., 1.4% less than that of the dual-module cyclone-separator (90.2%, when the standard deviation is equal to 0.43) and 1.8% (90.6%, when the standard deviation is equal to 0.52) less than that of the triple-module cyclone-separator.
The separation of wood ash from the gas flow in the dual-module cyclone-separator was 81.1% (the standard deviation is equal to 0.46), that is, 2% less than in the case of the triple-module cyclone-separator. When comparing the efficiency of single-module (79%, when the standard deviation is equal to 0.39) and triple-module cyclone-separators, the results presented (83.1%, when the standard deviation is equal to 0.48) show that the difference between the values is 4.1%. Considering the above dependencies, it can be assumed that the increase in efficiency when using wood ash micro-dust—which has characteristic physical properties such as low specific gravity and adhesion—correlates with an increase in the number of modules in the design of a multi-channel cyclone-separator. As the number of cyclone-separator modules increases, the optimal gas flow velocity in the channels is established, which simultaneously intensifies the filtration process because of the repeated precipitation of the micro-dust contained in the flow. Micro-dust particles, ranging in size from 1 to 10 microns, are particularly important for cleaning contaminated gas flow by filtration, as the centrifugal forces acting on them are insufficient. The mass of such particles is not large, and they are not effectively directed to the outer wall to settle.
The cleaning efficiency of single- and dual-module cyclone-separators from granite micro-dust is lower, at 92.0% (the standard deviation is equal to 0.35) and 92.7% (the standard deviation is equal to 0.40), respectively (Figure 9). In this case, the contaminated flow of granite micro-dust in the triple-module cyclone-separator is cleaned with an efficiency of 1.3%, i.e., 0.6% more efficiently (93.3%, when the standard deviation is equal to 0.47) than in single- and dual-module cyclone-separators, respectively. In conclusion, the additional modules are installed in the multi-module cyclone-separators, improving the characteristics of this optimized technology by increasing the cleaning efficiency of micro-dust as well as increasing the quantity of volume flow.
When analyzing the efficiency of cleaning a contaminated stream from wood ash micro-dust, whose dispersion is up to 20 μm, it was found that the maximum value is also achieved when using a triple-module eight-channel cyclone-separator and is 86.4% (the standard deviation is equal to 0.45). When using single- and dual-module cyclone-separators, the values are 3.5% (82.9% when the standard deviation is equal to 0.40) and 1.9% (84.5% when the standard deviation is equal to 0.42) lower, respectively. On the basis of the results obtained, it can be argued that the use of a multi-module eight-channel cyclone-separator design is significant and effective, especially for the separation of low-density micro-dust. The efficiency of separating wood ash particles in a contaminated stream increases to 4%, and high-density particles, such as granite ash particles, to 2%.
Regarding the different flow distribution ratios, it can be said that a case with a uniform 50/50 flow distribution ratio creates a better condition for separation. The separation efficiency is higher, with an average difference between the values in these cases of 3.6%. Therefore, it can be argued that with a predominant transit flow (flow distribution ratio of 25/75), due to less filtration at the outlet of each cyclone-separator channel, as well as changes in aerodynamic parameters, gas flow velocity, and aerodynamic resistance, the efficiency of cleaning the contaminated flow decreases. Therefore, it is recommended to use a case of uniform gas flow distribution.
At all three levels, the difference between the average velocity of the fourth and fifth channels is approximately 0.8 m/s. When evaluating the internal channels of all three levels (channels 5–8), it can be seen that the decrease in velocity from the beginning of the channel to the end is uniform, and the values decrease by an average of 4–6%. The greatest decrease in velocity is observed in the fifth channel and reaches 5.9%.

4. Discussion

At all three levels, the difference between the average velocity of the fourth and fifth channels is approximately 0.8 m/s. When evaluating the internal channels of all three levels (channels 5-8), it can be seen that the decrease in velocity from the beginning of the channel to the end is uniform, and the values decrease by an average of 4-6%. The greatest decrease in velocity is observed in the fifth channel and reaches 5.9%.To calculate the flows in the channels based on velocities, a method was used that takes into account the volumetric flow rates along the peripheral (return flow) and transit (flowing into the next channel or to the cyclone axis) trajectories [32]:
Q r e c = q p e r Q i n ,
where Qrec is the calculated recirculation coefficient, qper is the volumetric flow rate entering to the peripheral channel and Qin is the calculated volumetric flow rate in the main channel of the outgoing flow.
The calculated recirculation coefficients at the three velocity measurement points provide insight into the flow transition mechanism in each cyclone module (Table 2). The recirculation calculation was performed for the flow trajectories indicated in column Number 1 (Table 2). The first value indicates the main channel of the outgoing flow, which enters channel 1 along the peripheral trajectory and channel 5 along the transit trajectory, etc. Table 2 also shows: the velocity (Vin) and cross-sectional area (S1) of the main channel of the outgoing flow; the velocity (Vper) and cross-sectional area (S2) of the peripheral channel; the velocity (Vtr), cross-sectional area (S3) and calculated volumetric flow rate (qtr) of the transit channel. The recirculation coefficient is shown in column No. 11. In each zone from A to E, the flows circulating in the channels intersect (Figure 1b). For example, in zone A, the peripheral flow from channel No. 4 returns to channel No. 1, while the transit flow continues toward the axis of the device and enters channel No. 5. The same principle applies to flow circulation in zones B-E. The higher the recirculation coefficient, the greater the flow to the periphery compared to the total directed flow in the separation zone. For a single-stage cyclone, the values show that the external channels in zones B, C, and D have more than one-and-a-half-fold more peripheral flows than transit flows, with an average Qrec value of 1.86. Because of this distribution, dusty flow can circulate through the outer channels longer, and at the same time, particles are deposited more efficiently than if they were immediately directed to the axis through the transit flows. In addition, this flow trajectory, which is unique to channel cyclones, helps the smallest particles to collide with each other multiple times, form agglomerates, and, because of their greater total mass, be deposited under the action of centrifugal force.
As the number of modules in the body of the apparatus increases, the distribution of the flows and the values of the recirculation coefficients decrease. This indicates that the flows are directed toward the axis to a greater extent than in a single-stage cyclone. The dynamics of distribution by zone differ slightly from those of a single-stage cyclone. For example, in zone B, there is no clearly prevailing peripheral flow, but recirculation in zone A is more intense, while in other zones it remains uniform, with coefficient values ranging from 1.48 to 1.68. In the last zone, zone E, recirculation decreases even more, which may be due to the pressure in the axis of the device, since in a two-module cyclone, one flow outlet is formed from the first level, and the common outlet combines both flows from both levels.
The flow distributions in the three-module design confirm the fact that the recirculation coefficients are averaged between the different flow intersection zones. It can also be argued that with an increase in the number of levels, a larger volumetric flow rate has a positive effect on the stability of flow distribution in the channels. In such a design, it is possible to arrange several levels, but in this case, the agglomeration, which occurs due to peripheral flows, is slightly reduced. Assuming that the recirculation coefficient is directly proportional to the agglomeration efficiency, the drop in a two-module cyclone is 10.8% compared to a single-module cyclone, and in a three-module cyclone it reaches 11.59%.
Based on the results obtained, it can be assumed that with a 25/75 flow distribution ratio, the values of aerodynamic resistance are less dependent on the number of modules of the multi-channel cyclone-separator. This dependence can be explained by changes in aerodynamic drag between single-module and triple-module cyclone-separators. In the case of 25/75, this difference was 1.07-fold, and in the case of 50/50, it was 1.11-fold. In fact, with an equal flow distribution ratio of 50/50, additional pressure losses occur, which increase the aerodynamic resistance of the cyclone-separator. However, with a larger proportion of peripheral flow, more intensive filtration of the incoming flow by the peripheral flow occurs, and therefore, the efficiency of separation increases, particularly in the case of fine particles. It can be argued that in the design of a one-module eight-channel cyclone-separator using quarter rings with plates deflected at an angle of 5°, there is aerodynamic resistance.
When comparing the efficiency of separating granite and wood ash from the gas flow in multi-module cyclone-separators, it can be stated that the average ratio was 1.11. The greatest difference was observed when studying the efficiency of single- and dual-module cyclone-separators. The smallest difference was noted for triple-module cyclone-separators. When the results obtained for the efficiency of purification using wood ash micro-dust are analyzed, it can be concluded that the trends remain the same as when using granite micro-dust. The highest efficiency was achieved using a triple-module multi-channel cyclone-separator design, which is equal to 83.1%. It should be noted that when comparing cases with single- and dual-module cyclone-separators, a significant decrease in efficiency values is observed, which was not noticed when analyzing granite micro-dust.
The changes in the overall cleaning efficiency selected for the case of an equal 50/50 flow distribution ratio and the calculated cleaning efficiency of the contaminated gas flow of granite and wood ash are shown in Figure 8. The results of the studies show that the highest cleaning efficiency was achieved in the study of the triple-module cyclone-separator for granite micro-dust at an average concentration of 4.5 g/m3 and micro-dust mass flow of 0.72 g/s with a value of 93.3%. The trends in cleaning efficiency remain the same when using granite micro-dust, but the changes in the values obtained are more significant. Therefore, it can be argued that the aerodynamic parameters of the multi-channel cyclone-separator have less influence when the density of micro-dust is lower. It can be assumed that the centrifugal forces acting are sufficient to direct particles with a low specific weight towards the peripheral wall and cause them to settle, and that the filtration that occurs increases the overall cleaning efficiency by precipitating micro-dust.

5. Conclusions

A novel design of the cyclone-separator was analyzed to precipitate micro-dust for possible installation into the chimney system or material processing. Dynamics of gas flow and treatment efficiency at three types of separation chamber bodies were analyzed. The following dependencies and characteristics of gas treatment devices based on this study were obtained:
  • The maximum airflow velocity in multi-stage eight-channel cyclones was recorded in the second channel. The maximum value reached 35.2 m/s, recorded at the second and third levels of the three-stage cyclone. In a two-stage cyclone, the value was 35.1 m/s, and in a single-stage cyclone, it was 1.2-fold lower, reaching 29.7 m/s. When comparing the air flow velocities at the levels of the multi-channel cyclone, it can be seen that the values at the third level are 10% and 15% higher than at the second and first levels, respectively. Therefore, it can be concluded that part of the air flow from the previous levels of the cyclone supplements the flow from each subsequent level.
  • The maximum aerodynamic drag was established at a uniform flow distribution ratio of 50/50, with an average air flow velocity in the cyclone channels of 16 m/s; the aerodynamic drag of the three-stage cyclone reached 1525 Pa. The resistance of a two-stage cyclone is, on average, 1.06-fold lower, and that of a single-stage cyclone is 1.09-fold lower than that of a three-stage cyclone. With a predominant transit flow and a flow distribution ratio of 25/75, the aerodynamic resistance decreases by approximately 5% due to changes in the trajectories of turbulent flows, which avoids additional energy losses.
  • The air cleaning efficiency of a three-stage eight-channel cyclone is maximum at an average air flow velocity in the cyclone channels of 16 m/s and a uniform flow distribution of 50/50, when using finely dispersed granite with a size of up to 20 μm, which reached 93.3%. When using single- and two-stage eight-channel cyclone designs, the efficiency decreases to 3%. When using wood ash micro-dust, the maximum efficiency reached 82.9%, 84.5%, and 86.4% when using single, two, and three-stage eight-channel cyclones, respectively.
  • When evaluating different cases, 25/75 and 50/50, it was found that with a uniform flow distribution in a 50/50 ratio, the efficiency is higher, with an average difference between the values in these cases of 3.6%. Therefore, it can be argued that with a predominant transit flow (flow distribution ratio of 25/75), due to less filtration at the outlet of each cyclone channel, as well as changes in aerodynamic parameters—air flow velocity and aerodynamic resistance—the efficiency of cleaning the contaminated flow decreases.
For a deeper analysis, prospective future multi-module cyclone-separator research with high-temperature gas flow and high relative humidity is expected. For such a design, based on prototype studies, clogging does occur, but under very critical flow conditions, the so-called aggressive gas flow [31]. This study aims to provide a comparative analysis of various designs to increase the volumetric flow rate and differences in the deposition efficiency in such devices under normal conditions. This technology did not have any operational problems under such conditions. Application and testing of the pilot experimental model under particular conditions could give new assumptions. Further knowledge of the limitations of the improved design with internals and fluid distribution dynamics would be informative for the installation of this equipment at various gas flow rates, taking into account the level of micro-dust separation and clogging formation.

Funding

This research received no external funding.

Data Availability Statement

The raw data supporting the conclusions of this article will be made available by the authors on request.

Acknowledgments

This project has received funding from the Research Council of Lithuania (LMTLT), agreement No [S-MIP-24-88].

Conflicts of Interest

The author declares no conflicts of interest.

References

  1. Fussell, J.C.; Kelly, F.J. Mechanisms Underlying the Health Effects of Desert Sand Dust. Environ. Int. 2021, 157, 106790. [Google Scholar] [CrossRef] [PubMed]
  2. Chen, L.; Fang, L.; Yang, X.; Luo, X.; Qiu, T.; Zeng, Y.; Huang, F.; Dong, F.; White, J.C.; Bolan, N.; et al. Sources and Human Health Risks Associated with Potentially Toxic Elements (PTEs) in Urban Dust: A Global Perspective. Environ. Int. 2024, 187, 108708. [Google Scholar] [CrossRef]
  3. Tong, D.Q.; Gill, T.E.; Sprigg, W.A.; Van Pelt, R.S.; Baklanov, A.A.; Barker, B.M.; Bell, J.E.; Castillo, J.; Gassó, S.; Gaston, C.J.; et al. Health and Safety Effects of Airborne Soil Dust in the Americas and Beyond. Rev. Geophys. 2023, 61, e2021RG000763. [Google Scholar] [CrossRef]
  4. Sun, X.; Kim, S.; Yang, S.-D.; Kim, H.; Yoon, J.-Y. Multi-Objective Optimization of a Stairmand Cyclone Separator Using Response Surface Methodology and Computational Fluid Dynamics. Powder Technol. 2017, 320, 51–65. [Google Scholar] [CrossRef]
  5. Wasilewski, M.; Brar, L. Optimization of the Geometry of Cyclone Separators Used in Clinker Burning Process: A Case Study. Powder Technol. 2017, 313, 293–302. [Google Scholar] [CrossRef]
  6. Chen, J.; Chen, Y.; Zhang, L.; Zhao, B.; Li, Y. Numerical Simulation of a Novel Secondary Separation Cyclone. Processes 2025, 13, 1874. [Google Scholar] [CrossRef]
  7. Kang, Y.R.; Kwak, J.B. A Numerical Approach to Characterize the Efficiency of Cyclone Separator. Machines 2023, 11, 440. [Google Scholar] [CrossRef]
  8. Fu, P.-B.; Wang, F.; Yang, X.-J.; Ma, L.; Cui, X.; Wang, H.-L. Inlet Particle-Sorting Cyclone for the Enhancement of PM(2.5) Separation. Environ. Sci. Technol. 2017, 51, 1587–1594. [Google Scholar] [CrossRef] [PubMed]
  9. Chi, Y.; Meng, X.; Zhang, R.; Liu, H.; Liu, Z. Progress in Numerical Simulation of Liquid-Liquid Cyclone Separator. Guocheng Gongcheng Xuebao/Chin. J. Process Eng. 2021, 21, 1132–1141. [Google Scholar] [CrossRef]
  10. Fu, P.; Jiang, X.; Ma, L.; Yang, Q.; Bai, Z.; Yang, X.; Chen, J.; Yuan, W.; Wang, H.; Lv, W. Enhancement of PM2.5 Cyclone Separation by Droplet Capture and Particle Sorting. Environ. Sci. Technol. 2018, 52, 11652–11659. [Google Scholar] [CrossRef]
  11. Nakhaei, M.; Lu, B.; Tian, Y.; Wang, W.; Dam-Johansen, K.; Wu, H. CFD Modeling of Gas–Solid Cyclone Separators at Ambient and Elevated Temperatures. Processes 2020, 8, 228. [Google Scholar] [CrossRef]
  12. Prasanna, N.; Subramanian, K.; Ajay, S.; Rajagopal, T.; Vigneshwaran, V. CFD Study on the Performance of Reducing Pressure Drop Holes in Cyclone Separator. Mater. Today Proc. 2021, 43, 1960–1968. [Google Scholar] [CrossRef]
  13. Klapper, V.; Luzi, G.; Prah, B.; Delgado, A. Particle Cut Diameter Prediction of Uniflow Cyclone Systems with Fuzzy System Analysis. Separations 2023, 10, 345. [Google Scholar] [CrossRef]
  14. Brauer, M.; Freedman, G.; Frostad, J.; van Donkelaar, A.; Martin, R.V.; Dentener, F.; van Dingenen, R.; Estep, K.; Amini, H.; Apte, J.S.; et al. Ambient Air Pollution Exposure Estimation for the Global Burden of Disease 2013. Environ. Sci. Technol. 2016, 50, 79–88. [Google Scholar] [CrossRef]
  15. Pouri, N.; Karimi, B.; Kolivand, A.; Mirhoseini, S.H. Ambient Dust Pollution with All-Cause, Cardiovascular and Respiratory Mortality: A Systematic Review and Meta-Analysis. Sci. Total Environ. 2024, 912, 168945. [Google Scholar] [CrossRef] [PubMed]
  16. Roy, D.; Kim, J.; Lee, M.; Park, J. Adverse Impacts of Asian Dust Events on Human Health and the Environment—A Probabilistic Risk Assessment Study on Particulate Matter-Bound Metals and Bacteria in Seoul, South Korea. Sci. Total Environ. 2023, 875, 162637. [Google Scholar] [CrossRef]
  17. Dong, J.; Chen, G.; Zhang, P.; Li, J. Separation Performance Enhancement of Gas-Solid Cyclone Separators by Flow Control and Coupling Physical Fields. Sep. Purif. Rev. 2025, 1–16. [Google Scholar] [CrossRef]
  18. Wang, L.; Bai, B.; Chen, P.; Hu, S. A Study on the Characteristics and Geometric Optimization of a Cyclone Filter. Sep. Purif. Technol. 2024, 345, 127313. [Google Scholar] [CrossRef]
  19. Zhu, H.; Wang, W. The Influence of Local Wear on the Flow Field Characteristics of Cyclone Separators. Eng. Res. Express 2025, 7, 025532. [Google Scholar] [CrossRef]
  20. Liu, X.D.; Zbicinski, I.; Strumillo, C. Quality Enhancement for Thermosensitive Materials Dried with Solid Carriers. Dry. Technol. 2003, 21, 1065–1075. [Google Scholar] [CrossRef]
  21. Zhang, K.; You, C. Experimental and Numerical Investigation of Convective Drying of Single Coarse Lignite Particles. Energy Fuels 2010, 24, 6428–6436. [Google Scholar] [CrossRef]
  22. Chu, K.; Chen, J.; Yu, A. Applicability of a Coarse-Grained CFD–DEM Model on Dense Medium Cyclone. Miner. Eng. 2016, 90, 43–54. [Google Scholar] [CrossRef]
  23. Vighneswara Rao, K.; Bala Narsaiah, T.; Pitchumani, B. Effect of Pressure Drop and Tangential Velocity on Vane Angle in Uniflow Cyclone. In Chemical and Bioprocess Engineering: Trends and Developments; Apple Academic Press: Burlington, ON, Canada, 2015; pp. 37–46. [Google Scholar]
  24. Gao, Z.; Wei, Y.; Liu, Z.; Jia, C.; Wang, J.; Wang, J.; Mao, Y. Internal Components Optimization in Cyclone Separators: Systematic Classification and Meta-Analysis. Sep. Purif. Rev. 2020, 50, 400–416. [Google Scholar] [CrossRef]
  25. Wu, K.; Liu, G.; Weng, J. Numerical Simulation and Experimental Study on Pressure Drop of Radial Jet Cyclone. Sep. Purif. Technol. 2016, 166, 9–15. [Google Scholar] [CrossRef]
  26. Brar, L.S.; Elsayed, K. Analysis and Optimization of Multi-Inlet Gas Cyclones Using Large Eddy Simulation and Artificial Neural Network. Powder Technol. 2017, 311, 465–483. [Google Scholar] [CrossRef]
  27. Baltrenas, P.; Chlebnikovas, A. Cylindrical Multi-Level Multi-Channel Cyclone-Filter. EP2886182A1, 16 October 2019. [Google Scholar]
  28. Jakštoniene, I.; Paliulis, D.; Venslovas, A.; Plashykhin, S. Experimental and Pilot Model Research of Spiral Cyclone with Curvilinear Channels. Arch. Environ. Prot. 2024, 50, 127–134. [Google Scholar] [CrossRef]
  29. Šabanovič, A.; Matijošius, J.; Marinković, D.; Chlebnikovas, A.; Gurauskis, D.; Gutheil, J.H.; Kilikevičius, A. Experimental Setup and Machine Learning-Based Prediction Model for Electro-Cyclone Filter Efficiency: Filtering of Ship Particulate Matter Emission. Atmosphere 2025, 16, 103. [Google Scholar] [CrossRef]
  30. Baltrėnas, P.; Jakstonienė, I.; Sigal, A.; Vaitiekunas, P.; Serebryanskyi, D. Multi-Cyclone. LT 5912 B, 26 November 2012. [Google Scholar]
  31. Baltrenas, P.; Chlebnikovas, A. Multi-Channel Cyclone-Filter for Cleaning Aggressive Gases from Particulate Matter. LT 6479 B, 10 October 2017. [Google Scholar]
  32. Csizmazia, Z.; Polyák, I. Movement of Particles in the Air. Acta Agrar. Debreceniensis 2001, 22–26. [Google Scholar] [CrossRef]
Figure 1. Multi-modules multi-channel cyclone 3-D view: (a) principal scheme; (b) physical model; (c) 1—dusted gas flow inlet, 1.1–8.3—gas flow velocity measurement points, 2—inlet opening, 3—cyclone separation chamber, 4—cleaned gas flow outlet, 5—segment circular spacings, 6—curvilinear quarter–rings with folded opening slots, 7—folded opening slots of quarter–rings, 8—cyclone channels, 9—one-module, 10—dual-modules, 11—triple-modules.
Figure 1. Multi-modules multi-channel cyclone 3-D view: (a) principal scheme; (b) physical model; (c) 1—dusted gas flow inlet, 1.1–8.3—gas flow velocity measurement points, 2—inlet opening, 3—cyclone separation chamber, 4—cleaned gas flow outlet, 5—segment circular spacings, 6—curvilinear quarter–rings with folded opening slots, 7—folded opening slots of quarter–rings, 8—cyclone channels, 9—one-module, 10—dual-modules, 11—triple-modules.
Separations 12 00313 g001
Figure 2. A principal scheme for the flow distribution at a ratio of 25/75 (a) and a ratio of 50/50 (b) in a multi-channel cyclone with curvilinear quarter rings (1).
Figure 2. A principal scheme for the flow distribution at a ratio of 25/75 (a) and a ratio of 50/50 (b) in a multi-channel cyclone with curvilinear quarter rings (1).
Separations 12 00313 g002
Figure 3. SEM image of wood ash (a) and granite (b) micro-dust, magnification ×500.
Figure 3. SEM image of wood ash (a) and granite (b) micro-dust, magnification ×500.
Separations 12 00313 g003
Figure 4. Variations in the average gas flow velocities in the channels (test point 1 in the beginning, test point 2 in the middle, and test point 3 in the end of the channel) of the cylindrical eight-channel cyclone-separator of a module, applying curved quarter-rings with opening slots folded at an angle of 5° under flow distribution rates 50/50, with an established average velocity of 16 m/s in the cyclone-separator.
Figure 4. Variations in the average gas flow velocities in the channels (test point 1 in the beginning, test point 2 in the middle, and test point 3 in the end of the channel) of the cylindrical eight-channel cyclone-separator of a module, applying curved quarter-rings with opening slots folded at an angle of 5° under flow distribution rates 50/50, with an established average velocity of 16 m/s in the cyclone-separator.
Separations 12 00313 g004
Figure 5. Variations in the average gas flow velocities at the first (a) and second (b) levels in the channels of the dual-module cylindrical eight-channel cyclone-separator, applying curved quarter-rings with opening slots folded at an angle of 5° under flow distribution rates 50/50, with the established average velocity of 16 m/s in the cyclone-separator after examining the gas flow velocities.
Figure 5. Variations in the average gas flow velocities at the first (a) and second (b) levels in the channels of the dual-module cylindrical eight-channel cyclone-separator, applying curved quarter-rings with opening slots folded at an angle of 5° under flow distribution rates 50/50, with the established average velocity of 16 m/s in the cyclone-separator after examining the gas flow velocities.
Separations 12 00313 g005
Figure 6. Variations in the average gas flow velocities at the first (a), second (b), and third (c) levels in the channels of the triple-module cylindrical eight-channel cyclone-separator, applying curved quarter rings with opening slots folded at an angle of 5° under flow distribution rates 50/50, with an established average velocity of 16 m/s in the cyclone-separator.
Figure 6. Variations in the average gas flow velocities at the first (a), second (b), and third (c) levels in the channels of the triple-module cylindrical eight-channel cyclone-separator, applying curved quarter rings with opening slots folded at an angle of 5° under flow distribution rates 50/50, with an established average velocity of 16 m/s in the cyclone-separator.
Separations 12 00313 g006
Figure 7. The aerodynamic resistance of the single-, dual-, and triple-module eight-channel cyclone-separators, applying curved quarter rings with opening slots folded at an angle of 5° under flow distribution rates of 25/75 and 50/50, with an established average velocity of 16 m/s in the cyclone-separator.
Figure 7. The aerodynamic resistance of the single-, dual-, and triple-module eight-channel cyclone-separators, applying curved quarter rings with opening slots folded at an angle of 5° under flow distribution rates of 25/75 and 50/50, with an established average velocity of 16 m/s in the cyclone-separator.
Separations 12 00313 g007
Figure 8. The overall cleaning efficiency of the dusted gas flow on granite and wood ash micro-dust of the single-, dual-, and triple-module cyclone-separators under the flow distribution rate of 25/75, with an average velocity of 16 m/s in all channels.
Figure 8. The overall cleaning efficiency of the dusted gas flow on granite and wood ash micro-dust of the single-, dual-, and triple-module cyclone-separators under the flow distribution rate of 25/75, with an average velocity of 16 m/s in all channels.
Separations 12 00313 g008
Figure 9. The overall cleaning efficiency of the dusted gas flow on granite and wood ash micro-dust of the single-, dual-, and triple-module cyclone-separator under flow distribution rates of 50/50, with an established average velocity of 16 m/s in all channels.
Figure 9. The overall cleaning efficiency of the dusted gas flow on granite and wood ash micro-dust of the single-, dual-, and triple-module cyclone-separator under flow distribution rates of 50/50, with an established average velocity of 16 m/s in all channels.
Separations 12 00313 g009
Table 1. Composition of the particle sizes of wood ash and granite.
Table 1. Composition of the particle sizes of wood ash and granite.
Fraction, µmMicro-Particles Distribution, %
Wood AshGranite
0–1.02.41.1
1.0–2.55.63.9
2.5–10.033.328.6
10.0–15.033.935.1
15.0–20.024.831.3
Table 2. A distribution of volume flows to peripheral and transitional trajectories, and recirculation coefficients in single-, double-, and triple-module cyclone channels.
Table 2. A distribution of volume flows to peripheral and transitional trajectories, and recirculation coefficients in single-, double-, and triple-module cyclone channels.
Single-Module Cyclone, Single Level
1234567891011
Flow trajectoryVinS1QinVperS2qperVtrS3qtrQrec
Zone A18.80.0240.4518.00.0330.5912.40.0240.301.32
Zone B12.10.2917.50.0330.5811.90.291.99
Zone C11.60.2820.30.0240.4911.60.281.75
Zone D11.30.2715.20.0330.5011.30.271.85
Zone E11.00.2612.40.0240.30---1.13
Double-Module Cyclone, First level
Zone A19.80.0240.4819.40.0330.6414.40.0240.351.35
Zone B13.80.3315.80.0330.5213.80.331.57
Zone C13.50.3220.60.0240.4913.50.321.53
Zone D13.20.3216.10.0330.5313.30.321.68
Zone E13.00.3114.40.0240.35---1.11
Double-Module Cyclone, Second level
Zone A20.40.0240.4920.00.0330.6614.90.0240.35761.35
Zone B14.60.3516.40.0330.5414.60.35041.54
Zone C14.30.3421.20.0240.5114.30.34321.48
Zone D14.00.3416.70.0330.5514.00.3361.64
Zone E13.70.3314.90.0240.36---1.09
Triple-Module Cyclone, First level
Zone A20.50.0240.4920.10.0330.6615.00.0240.361.35
Zone B14.70.3516.50.0330.5414.70.351.54
Zone C14.40.3521.30.0240.5114.40.351.48
Zone D14.10.3416.80.0330.5514.10.341.64
Zone E13.80.3315.00.0240.36---1.09
Triple-Module Cyclone, Second level
Zone A19.90.0240.4819.50.0330.6414.20.0240.341.35
Zone B14.20.3415.90.0330.5214.20.341.54
Zone C13.90.3320.70.0240.5013.90.331.49
Zone D13.60.3316.20.0330.5313.60.331.64
Zone E13.30.3214.20.0240.34---1.07
Triple-Module Cyclone, Third level
Zone A19.60.0240.4719.20.0330.6314.20.0240.341.35
Zone B13.90.3315.60.0330.5113.90.331.54
Zone C13.60.3320.40.0240.4913.60.331.50
Zone D13.30.3215.90.0330.5213.30.321.64
Zone E13.00.3114.20.0240.34---1.09
Disclaimer/Publisher’s Note: The statements, opinions and data contained in all publications are solely those of the individual author(s) and contributor(s) and not of MDPI and/or the editor(s). MDPI and/or the editor(s) disclaim responsibility for any injury to people or property resulting from any ideas, methods, instructions or products referred to in the content.

Share and Cite

MDPI and ACS Style

Chlebnikovas, A. Fluid Flow Dynamics and Micro-Dust Separation in Multi-Module Cyclone-Separators: Experimental Research and Comparative Analysis. Separations 2025, 12, 313. https://doi.org/10.3390/separations12110313

AMA Style

Chlebnikovas A. Fluid Flow Dynamics and Micro-Dust Separation in Multi-Module Cyclone-Separators: Experimental Research and Comparative Analysis. Separations. 2025; 12(11):313. https://doi.org/10.3390/separations12110313

Chicago/Turabian Style

Chlebnikovas, Aleksandras. 2025. "Fluid Flow Dynamics and Micro-Dust Separation in Multi-Module Cyclone-Separators: Experimental Research and Comparative Analysis" Separations 12, no. 11: 313. https://doi.org/10.3390/separations12110313

APA Style

Chlebnikovas, A. (2025). Fluid Flow Dynamics and Micro-Dust Separation in Multi-Module Cyclone-Separators: Experimental Research and Comparative Analysis. Separations, 12(11), 313. https://doi.org/10.3390/separations12110313

Note that from the first issue of 2016, this journal uses article numbers instead of page numbers. See further details here.

Article Metrics

Back to TopTop