Dehydration by Pervaporation of an Organic Solution for the Direct Synthesis of Diethyl Carbonate
Abstract
1. Introduction
1.1. Dehydration with Membranes—State of the Art
1.2. Partial Least Squares Regression
- Comparison of Raman and attenuated total reflectance (ATR) infrared spectroscopy for water quantification in a natural deep eutectic solvent [21];
- Application of ATR-FTIR spectroscopy along with regression modeling for the detection of adulteration of virgin coconut oil with paraffin oil [22];
- ATR-FTIR spectroscopy and chemometric techniques for the determination of polymer solution viscosity in the presence of SiO2 nanoparticles and salinity [23];
2. Materials and Methods
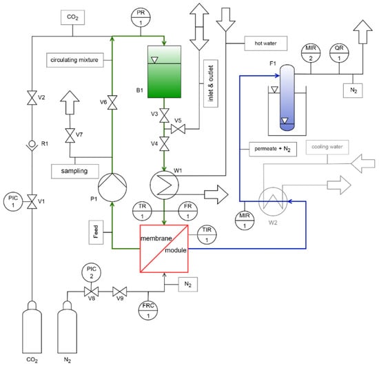
2.1. Pervaporation System Setup
2.2. Analytics
2.3. PLS
3. Results
3.1. PLS Model
3.2. Comparison of Tested Membranes
3.3. Effect of Feed Water Content on Dehydration
3.4. Effect of on Dehydration
3.5. Effect of on Dehydration
3.6. Effect of on Dehydration
3.7. Effect of Increased DEC Concentration in the Circulating Mixture on Dehydration
4. Conclusions
Supplementary Materials
Author Contributions
Funding
Data Availability Statement
Acknowledgments
Conflicts of Interest
Abbreviations
| ATR | attenuated total reflection |
| CCU | carbon capture and utilization |
| CeO2 | cerium oxide |
| CO2 | carbon dioxide |
| DEC | diethyl carbonate |
| DMC | dimethyl carbonate |
| EtOH | ethanol |
| FID | flame ionization detector |
| FTIR | Fourier-transform infrared spectroscopy |
| GC | gas chromatograph |
| GHG | greenhouse gas |
| H2O | water |
| IPA | Isopropanol |
| KFT | Karl Fischer titration |
| MeOH | methanol |
| MSE | mean squared error |
| PLS | partial least squares |
| SE | standard error |
| V | experiment |
| flux of component , | |
| total flux, | |
| number of elements in | |
| mass of component , | |
| molar mass of component , | |
| feed pressure, | |
| permeance of component , | |
| coefficient of determination | |
| feed temperature, | |
| volumetric sweep gas flow, | |
| of component in circulate | |
| of component in permeate | |
| element of matrix | |
| average of all elements of | |
| prediction of element in | |
| concentration matrix | |
| ideal selectivity of H2O over ethanol |
References
- Kanike, U.K. View of Factors Disrupting Supply Chain Management in Manufacturing Industries. J. Supply Chain Manag. Sci. 2023, 4, 1–24. [Google Scholar] [CrossRef]
- Liu, G.; Jin, W. Pervaporation Membrane Materials: Recent Trends and Perspectives. J. Membr. Sci. 2021, 636, 119557. [Google Scholar] [CrossRef]
- Norkobilov, A.; Gorri, D.; Ortiz, I. Comparative Study of Conventional, Reactive-Distillation and Pervaporation Integrated Hybrid Process for Ethyl Tert-Butyl Ether Production. Chem. Eng. Process. Process Intensif. 2017, 122, 434–446. [Google Scholar] [CrossRef]
- Khoo, Y.S.; Tjong, T.C.; Chew, J.W.; Hu, X. Techniques for Recovery and Recycling of Ionic Liquids: A Review. Sci. Total Environ. 2024, 922, 171238. [Google Scholar] [CrossRef]
- Zhang, H.; Liu, H.-B.; Yue, J.-M. Organic Carbonates from Natural Sources. Chem. Rev. 2014, 114, 883–898. [Google Scholar] [CrossRef]
- Zou, B.; Hu, C. Halogen-Free Processes for Organic Carbonate Synthesis from CO2. Curr. Opin. Green Sustain. Chem. 2017, 3, 11–16. [Google Scholar] [CrossRef]
- Tabanelli, T.; Bonincontro, D.; Albonetti, S.; Cavani, F. Conversion of CO2 to Valuable Chemicals: Organic Carbonate as Green Candidates for the Replacement of Noxious Reactants. In Studies in Surface Science and Catalysis; Elsevier: Amsterdam, The Netherlands, 2019; Volume 178, pp. 125–144. ISBN 978-0-444-64127-4. [Google Scholar]
- Giram, G.G.; Bokade, V.V.; Darbha, S. Direct Synthesis of Diethyl Carbonate from Ethanol and Carbon Dioxide over Ceria Catalysts. New J. Chem. 2018, 42, 17546–17552. [Google Scholar] [CrossRef]
- Ripoll, J.D.; Mejía, S.M.; Mills, M.J.L.; Villa, A.L. Understanding the Azeotropic Diethyl Carbonate-Water Mixture by Structural and Energetic Characterization of DEC(H2O)(n) Heteroclusters. J. Mol. Model. 2015, 21, 93. [Google Scholar] [CrossRef]
- Hinchliffe, A.B.; Porter, K.E. A Comparison of Membrane Separation and Distillation. Chem. Eng. Res. Des. 2000, 78, 255–268. [Google Scholar] [CrossRef]
- Zhang, Y.; Liu, M.; Wu, Y.; Zhao, J.; Zhou, S.; Gu, P. Zwitterionic Polyamide Membranes via In-Situ Interfacial Polymerization Modification for Efficient Pervaporation Dehydration. Sep. Purif. Technol. 2024, 333, 125847. [Google Scholar] [CrossRef]
- Fujiki, T.; Kaji, M.; Tamamizu, Y.; Yasunari, R.; Nakagawa, K.; Kitagawa, T.; Okamoto, Y.; Matsuoka, A.; Kamio, E.; Matsuyama, H.; et al. Pervaporation Dehydration of an Isopropanol Aqueous Solution Using Microporous TiO2-SiO2-OCL (Organic Chelating Ligand) Composite Membranes Prepared under Different Firing Conditions. Sep. Purif. Technol. 2024, 337, 126249. [Google Scholar] [CrossRef]
- Wang, L.; Han, X.; Li, J.; Zhan, X.; Chen, J. Hydrophobic Nano-Silica/Polydimethylsiloxane Membrane for Dimethylcarbonate–Methanol Separation via Pervaporation. Chem. Eng. J. 2011, 171, 1035–1044. [Google Scholar] [CrossRef]
- Číhal, P.; Vopička, O.; Durďáková, T.-M.; Budd, P.M.; Harrison, W.; Friess, K. Pervaporation and Vapour Permeation of Methanol-Dimethyl Carbonate Mixtures through PIM-1 Membranes. Sep. Purif. Technol. 2019, 217, 206–214. [Google Scholar] [CrossRef]
- Dibenedetto, A.; Aresta, M.; Angelini, A.; Ethiraj, J.; Aresta, B.M. Synthesis, Characterization, and Use of NbV/CeIV-Mixed Oxides in the Direct Carboxylation of Ethanol by Using Pervaporation Membranes for Water Removal. Chem. Eur. J. 2012, 18, 10324–10334. [Google Scholar] [CrossRef]
- Décultot, M.; Ledoux, A.; Fournier-Salaün, M.C.; Estel, L. Organic Carbonates Synthesis Improved by Pervaporation for CO2 Utilisation. Green Process. Synth. 2019, 8, 496–506. [Google Scholar] [CrossRef]
- Won, W.; Feng, X.; Lawless, D. Pervaporation with Chitosan Membranes: Separation of Dimethyl Carbonate/Methanol/Water Mixtures. J. Membr. Sci. 2002, 209, 493–508. [Google Scholar] [CrossRef]
- Dong, G.; Nagasawa, H.; Yu, L.; Wang, Q.; Yamamoto, K.; Ohshita, J.; Kanezashi, M.; Tsuru, T. Pervaporation Removal of Methanol from Methanol/Organic Azeotropes Using Organosilica Membranes: Experimental and Modeling. J. Membr. Sci. 2020, 610, 118284. [Google Scholar] [CrossRef]
- Xu, X.; Van Eygen, G.; Molina-Fernández, C.; Nikolaeva, D.; Depasse, Y.; Chergaoui, S.; Hartanto, Y.; Van der Bruggen, B.; Coutinho, J.A.P.; Buekenhoudt, A.; et al. Evaluation of Task-Specific Ionic Liquids Applied in Pervaporation Membranes: Experimental and COSMO-RS Studies. J. Membr. Sci. 2023, 670, 121350. [Google Scholar] [CrossRef]
- Kim, D.; Lee, M.; Shin, Y.; Lee, J.; Lee, J.W. Direct Production of Diethyl Carbonate from Ethylene Carbonate and Ethanol by Energy-Efficient Intensification of Reaction and Separation. Chem. Eng. Process. Process Intensif. 2023, 192, 109519. [Google Scholar] [CrossRef]
- Elderderi, S.; Wils, L.; Leman-Loubière, C.; Henry, S.; Byrne, H.J.; Chourpa, I.; Munnier, E.; Elbashir, A.A.; Boudesocque-Delaye, L.; Bonnier, F. Comparison of Raman and Attenuated Total Reflectance (ATR) Infrared Spectroscopy for Water Quantification in Natural Deep Eutectic Solvent. Anal. Bioanal. Chem. 2021, 413, 4785–4799. [Google Scholar] [CrossRef]
- Amit; Jamwal, R.; Kumari, S.; Dhaulaniya, A.S.; Balan, B.; Singh, D.K. Application of ATR-FTIR Spectroscopy along with Regression Modelling for the Detection of Adulteration of Virgin Coconut Oil with Paraffin Oil. LWT 2020, 118, 108754. [Google Scholar] [CrossRef]
- Mohammadi, M.; Khorrami, M.K.; Ghasemzadeh, H. ATR-FTIR Spectroscopy and Chemometric Techniques for Determination of Polymer Solution Viscosity in the Presence of SiO2 Nanoparticle and Salinity. Spectrochim. Acta A Mol. Biomol. Spectrosc. 2019, 220, 117049. [Google Scholar] [CrossRef] [PubMed]
- Anjos, O.; Santos, A.J.A.; Dias, T.; Estevinho, L.M. Application of FTIR-ATR Spectroscopy on the Bee Pollen Characterization. J. Apic. Res. 2017, 56, 210–218. [Google Scholar] [CrossRef]
- Shi, H.; Yu, P. Comparison of Grating-Based near-Infrared (NIR) and Fourier Transform Mid-Infrared (ATR-FT/MIR) Spectroscopy Based on Spectral Preprocessing and Wavelength Selection for the Determination of Crude Protein and Moisture Content in Wheat. Food Control 2017, 82, 57–65. [Google Scholar] [CrossRef]
- Oleszko, A.; Hartwich, J.; Wójtowicz, A.; Gąsior-Głogowska, M.; Huras, H.; Komorowska, M. Comparison of FTIR-ATR and Raman Spectroscopy in Determination of VLDL Triglycerides in Blood Serum with PLS Regression. Spectrochim. Acta A Mol. Biomol. Spectrosc. 2017, 183, 239–246. [Google Scholar] [CrossRef] [PubMed]
- Mukherjee, S.; Martínez-González, J.A.; Dowling, D.P.; Gowen, A.A. Predictive Modelling of the Water Contact Angle of Surfaces Using Attenuated Total Reflection—Fourier Transform Infrared (ATR-FTIR) Chemical Imaging and Partial Least Squares Regression (PLSR). Analyst 2018, 143, 3729–3740. [Google Scholar] [CrossRef]
- Madsen, R.B.; Anastasakis, K.; Biller, P.; Glasius, M. Rapid Determination of Water, Total Acid Number, and Phenolic Content in Bio-Crude from Hydrothermal Liquefaction of Biomass Using FT-IR. Energy Fuels 2018, 32, 7660–7669. [Google Scholar] [CrossRef]
- Barmpalexis, P.; Karagianni, A.; Nikolakakis, I.; Kachrimanis, K. Artificial Neural Networks (ANNs) and Partial Least Squares (PLS) Regression in the Quantitative Analysis of Cocrystal Formulations by Raman and ATR-FTIR Spectroscopy. J. Pharm. Biomed. Anal. 2018, 158, 214–224. [Google Scholar] [CrossRef]
- Nespeca, M.G.; Hatanaka, R.R.; Flumignan, D.L.; De Oliveira, J.E. Rapid and Simultaneous Prediction of Eight Diesel Quality Parameters through ATR-FTIR Analysis. J. Anal. Methods Chem. 2018, 2018, 1795624. [Google Scholar] [CrossRef]
- Kessler, W. Multivariate Datenanalyse für Die Pharma-, Bio- und Prozessanalytik: Ein Lehrbuch; Wiley-VCH: Weinheim, Germany, 2006; ISBN 978-3-527-61003-7. [Google Scholar]
- Greilinger, G. Construction of a Membrane Pervaporation Unit for the Dehydration of an Organic Reaction Mixture. Master’s Thesis, Technische Universität Wien, Vienna, Austria, 2024. [Google Scholar]
- Annerl, M. Optimierung Der Diethylcarbonatsynthese Aus CO2 Und Ethanol Durch Pervaporation. Master’s Thesis, Technische Universität Wien, Vienna, Austria, 2024. [Google Scholar] [CrossRef]
- Partial Least-Squares (PLS) Regression—MATLAB Plsregress—MathWorks Deutschland. Available online: https://de.mathworks.com/help/stats/plsregress.html (accessed on 8 March 2024).
- De Jong, S. SIMPLS: An Alternative Approach to Partial Least Squares Regression. Chemom. Intell. Lab. Syst. 1993, 18, 251–263. [Google Scholar] [CrossRef]
- Xu, Q.S.; Liang, Y.Z. Monte Carlo Cross Validation. Chemom. Intell. Lab. Syst. 2001, 56, 1–11. [Google Scholar] [CrossRef]






| Abbreviation | Measured Value | Measured Medium | |
|---|---|---|---|
| pressure | PIC1 | CO2 | |
| PIC2 | sweep gas | ||
| PR1 | feed | ||
| temperature | TR1 | feed | |
| TIR1 | membrane module | ||
| volumetric flow | FR1 | feed | |
| FRC1 | sweep gas | ||
| relative humidity | MIR1/MIR2 | permeate | |
| volumetric concentration of CO2 | QR1 | permeate |
| Name | Duration | —Sweep Gas Flow | |||||
|---|---|---|---|---|---|---|---|
| DEC | H2O | EtOH | |||||
| PV1 | 0 | 0.00 | 100.00 | 3 | 80 | 2.00 | 1.5 |
| PV2 | 0 | 6.20 | 93.80 | 3 | 80 | 1.53 | 1.5 |
| PV3 | 0.79 | 0.99 | 98.22 | 7 | 80 | 5.33 | 0.5 |
| PV4 | 1.21 | 0.00 | 98.79 | 6 | 85 | 4.30 | 0.7 |
| PV5 | 1.12 | 0.24 | 98.64 | 6 | 85 | 4.80 | 0.7 |
| PV6 | 0.13 | 1.15 | 99.58 | 6 | 85 | 5.00 | 0.7 |
| PV7 | 1.14 | 0.00 | 98.86 | 6 | 85 | 5.60 | 0.7 |
| PV8 | 0.25 | 3.78 | 99.46 | 6 | 65–85 | 7.50 | 0.7 |
| PV9 | 0.88 | 3.70 | 95.42 | 3–6 | 75 | 7.50 | 0.7 |
| PV10 | 3.37 | 0.89 | 95.74 | 5.7 | 75 | 7.50 | 0.35–1.4 |
| PV11 | 1.31 | 0.00 | 98.69 | 3 | 85 | 6.75 | 0.7 |
| PV12 | 0.18 | 1.06 | 98.76 | 3 | 85 | 5.50 | 0.7 |
| Model | Analyte | [wt%] | |
|---|---|---|---|
| 1 | DEC | 0.9999 | ±0.2379 |
| EtOH | 0.9996 | ±0.4302 | |
| 2 | water | 0.9945 | ±0.0330 |
| Name | Membrane | |||||||||
|---|---|---|---|---|---|---|---|---|---|---|
| DEC | H2O | EtOH | H2O | H2O | Total | |||||
| V1 | ZEBREXTM ZX0 at 85 °C | 5 | 0.90 | 0.98 | 98.70 | 99.6 | 30.5 | 30.7 | >13,000 | 3.39 × 10−6 |
| V2 | PERVAPTM | 1 | 0.96 | 1.01 | 98.63 | 12.3 | 32.5 | 268.7 | 13–15 | 1.80 × 10−5 |
| V3 | 4155-80 | 3 | 0.99 | 0.96 | 98.60 | 12 | 45.7 | 377.5 | 11–17 | 8.45 × 10−6 |
| V4 | PERVAPTM | 1 | 1.04 | 0.95 | 98.55 | 5.1 | 30.6 | 599.1 | 5–6 | 1.70 × 10−5 |
| V5 | 4100 | 3 | 1.07 | 0.94 | 98.52 | 4.7 | 24.4 | 523.3 | 5–6 | 4.52 × 10−6 |
| V6 | PERVAPTM 4101 | 3 | 1.31 | 1.08 | 98.28 | 73.9 | 11.8 | 16.0 | 120–180 | 2.19 × 10−6 |
| Name | |||||||
|---|---|---|---|---|---|---|---|
| V7 | 65 | 0.67 | 98.38 | 16.3 | 16.5 | 9990 | 1.80 × 10−6 |
| V8 | 75 | 0.80 | 98.53 | 19.2 | 19.5 | 5068 | 2.13 × 10−6 |
| V9 | 85 | 0.72 | 98.39 | 30.5 | 31.0 | 3800 | 3.38 × 10−6 |
| V10 | 98 | 0.43 | 99.98 | 13.3 | 13.3 | 208,755 | 1.47 × 10−6 |
| Name | |||||||
|---|---|---|---|---|---|---|---|
| V11 | 1 | 0.80 | 94.48 | 10.9 | 11.5 | 8005 | 6.03 × 10−6 |
| V12 | 3 | 0.72 | 99.31 | 12.7 | 12.7 | 180,984 | 2.34 × 10−6 |
| V13 | 5 | 0.77 | 98.41 | 19.9 | 20.2 | 86,036 | 2.20 × 10−6 |
| Name | |||||||
|---|---|---|---|---|---|---|---|
| V14 | 0.35 | 0.86 | 99.43 | 9.7 | 9.7 | 37,290 | 1.07 × 10−6 |
| V15 | 0.70 | 0.98 | 99.55 | 30.5 | 30.5 | 13,708 | 3.39 × 10−6 |
| V16 | 1.40 | 0.90 | 99.77 | 45.9 | 46.0 | 59,724 | 5.09 × 10−6 |
Disclaimer/Publisher’s Note: The statements, opinions and data contained in all publications are solely those of the individual author(s) and contributor(s) and not of MDPI and/or the editor(s). MDPI and/or the editor(s) disclaim responsibility for any injury to people or property resulting from any ideas, methods, instructions or products referred to in the content. |
© 2024 by the authors. Licensee MDPI, Basel, Switzerland. This article is an open access article distributed under the terms and conditions of the Creative Commons Attribution (CC BY) license (https://creativecommons.org/licenses/by/4.0/).
Share and Cite
Aziaba, K.; Annerl, M.; Greilinger, G.; Teufner-Kabas, M.; Kabas, F.; Jordan, C.; Harasek, M. Dehydration by Pervaporation of an Organic Solution for the Direct Synthesis of Diethyl Carbonate. Separations 2024, 11, 289. https://doi.org/10.3390/separations11100289
Aziaba K, Annerl M, Greilinger G, Teufner-Kabas M, Kabas F, Jordan C, Harasek M. Dehydration by Pervaporation of an Organic Solution for the Direct Synthesis of Diethyl Carbonate. Separations. 2024; 11(10):289. https://doi.org/10.3390/separations11100289
Chicago/Turabian StyleAziaba, Kouessan, Marco Annerl, Gerhard Greilinger, Magdalena Teufner-Kabas, Florian Kabas, Christian Jordan, and Michael Harasek. 2024. "Dehydration by Pervaporation of an Organic Solution for the Direct Synthesis of Diethyl Carbonate" Separations 11, no. 10: 289. https://doi.org/10.3390/separations11100289
APA StyleAziaba, K., Annerl, M., Greilinger, G., Teufner-Kabas, M., Kabas, F., Jordan, C., & Harasek, M. (2024). Dehydration by Pervaporation of an Organic Solution for the Direct Synthesis of Diethyl Carbonate. Separations, 11(10), 289. https://doi.org/10.3390/separations11100289

