Identification of Abnormal Processes with Spatial-Temporal Data Using Convolutional Neural Networks
Abstract
1. Introduction
2. Case Study: Pasting Process
2.1. Spatial-Temporal Data Acquisition
2.2. Abnormal Process Image Collection
3. CNN Framework for Process Images Recognition
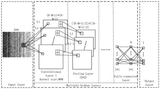
3.1. Architecture of the CNN Model
3.2. Underlying Mechanism of the CNN Model
3.3. CNN Identification Framework
4. Validation Results
4.1. Determination of Layer and Node Numbers
4.2. Selection of Kernel Size and Pooling Function
5. Performance Comparison
6. Limitations of the Proposed Methodology
- All the process images are generated by normalizing, multiplying by 255, and rounding, which may result in some information loss. How to measure the impact of missing information on CNN model performance is worthy of attention.
- In this study, the recognition accuracy as an evaluation criterion of performance is not very comprehensive. In practice, there are other metrics and representations used to evaluate the performance of CNN model, such as training time and test data loss. It is an interesting topic to evaluate and optimize CNN model based on other metrics.
- Generally, the operation state of manufacturing process is also affected by other unexpected factors, such as the new abnormal mode caused by an unknown fault. This situation will affect the performance of the current recognition model. Therefore, it is necessary to update the current data and build the recognition model again to consider the new pattern.
7. Conclusions and Further Work
Author Contributions
Funding
Conflicts of Interest
References
- Yu, Y.; Workman, A.; Grasmick, J.G.; Mooney, M.A.; Hering, A.S. Space-time outlier identification in a large ground deformation data set. J. Qual. Technol. 2018, 50, 431–445. [Google Scholar] [CrossRef]
- Michel, B.; Michel, M.; Yves, M.; Jean-Michel, P.; Bruno, P. Spatial outlier detection in the PM10 monitoring network of Normandy (France). Atmos. Pollut. Res. 2015, 6, 476–483. [Google Scholar] [CrossRef]
- Harrou, F.; Kadri, F.; Khadraoui, S.; Sun, Y. Ozone measurements monitoring using data-based approach. Process Saf. Environ. Prot. 2016, 100, 220–231. [Google Scholar] [CrossRef]
- Kulldorff, M. Prospective time periodic geographical disease surveillance using a scan statistic. J. R. Stat. Soc. Ser. A Statistics Soc. 2001, 164, 61–72. [Google Scholar] [CrossRef]
- Wang, A.; Wang, K.; Tsung, F. Statistical surface monitoring by spatial-structure modeling. J. Qual. Technol. 2014, 46, 359–376. [Google Scholar] [CrossRef]
- Megahed, F.M.; Wells, L.J.; Camelio, J.A.; Woodall, W.H. A spatiotemporal method for the monitoring of image data. Qual. Reliab. Eng. Int. 2012, 28, 967–980. [Google Scholar] [CrossRef]
- Tsui, K.L.; Wong, S.Y.; Jiang, W.; Lin, C.J. Recent research and developments in temporal and spatiotemporal surveillance for public health. IEEE Trans. Reliab. 2011, 60, 49–58. [Google Scholar] [CrossRef]
- Colosimo, B.M.; Pacella, M. On the use of principal component analysis to identify systematic patterns in roundness profiles. Qual. Reliab. Eng. Int. 2007, 23, 707–725. [Google Scholar] [CrossRef]
- Ye, J.; Janardan, R.; Li, Q. GPCA: An efficient dimension reduction scheme for image compression and retrieval. In Proceedings of the Tenth ACM SIGKDD International Conference on Knowledge Discovery and Data Mining, Seattle, WA, USA, 22–25 August 2004; pp. 354–363. [Google Scholar]
- Lu, H.; Plataniotis, K.N.; Venetsanopoulos, A.N. Uncorrelated multilinear principal component analysis for unsupervised multilinear subspace learning. IEEE Trans. Neural Netw. 2009, 20, 1820–1836. [Google Scholar]
- Paynabar, K.; Jin, J.; Pacella, M. Monitoring and diagnosis of multichannel nonlinear profile variations using uncorrelated multilinear principal component analysis. Iie Trans. 2013, 45, 1235–1247. [Google Scholar] [CrossRef]
- Pacella, M. Unsupervised classification of multichannel profile data using PCA: An application to an emission control system. Comput. Ind. Eng. 2018, 122, 161–169. [Google Scholar] [CrossRef]
- Zhang, L.; Gao, H.; Wen, J.; Li, S.; Liu, Q. A deep learning-based recognition method for degradation monitoring of ball screw with multi-sensor data fusion. Microelectron. Reliab. 2017, 75, 215–222. [Google Scholar] [CrossRef]
- Dahl, G.E.; Yu, D.; Deng, L.; Acero, A. Context-dependent pre-trained deep neural networks for large-vocabulary speech recognition. IEEE Trans. Audio Speech Lang. Process. 2011, 20, 30–42. [Google Scholar] [CrossRef]
- He, K.; Zhang, X.; Ren, S.; Sun, J. Spatial pyramid pooling in deep convolutional networks for visual recognition. IEEE Trans. Pattern Anal. Mach. Intell. 2015, 37, 1904–1916. [Google Scholar] [CrossRef]
- Kiranyaz, S.; Ince, T.; Gabbouj, M. Real-time patient-specific ECG classification by 1D convolutional neural networks. IEEE Trans. Biomed. Eng. 2015, 63, 664–675. [Google Scholar] [CrossRef]
- Wen, L.; Li, X.; Gao, L.; Zhang, Y. A new convolutional neural network-based data-driven fault diagnosis method. IEEE Trans. Ind. Electron. 2017, 65, 5990–5998. [Google Scholar] [CrossRef]
- Brik, K.; ben Ammar, F. Causal tree analysis of depth degradation of the lead acid battery. J. Power Sources 2013, 228, 39–46. [Google Scholar] [CrossRef]
- Schiffer, J.; Sauer, D.U.; Bindner, H.; Cronin, T.; Lundsager, P.; Kaiser, R. Model prediction for ranking lead-acid batteries according to expected lifetime in renewable energy systems and autonomous power-supply systems. J. Power Sources 2007, 168, 66–78. [Google Scholar] [CrossRef]
- Wang, Y.; Zhou, H.; Feng, H.; Ye, M. Network traffic classification method basing on CNN. J. Commun. 2018, 1, 14–23. [Google Scholar]
- Krizhevsky, A.; Sutskever, I.; Hinton, G.E. Imagenet classification with deep convolutional neural networks. In Proceedings of the Advances in Neural Information Processing Systems, Stateline, NV, USA, 3–8 December 2012; pp. 1097–1105. [Google Scholar]
- Zhao, H.; Liu, F.; Li, L.; Luo, C. A novel softplus linear unit for deep convolutional neural networks. Appl. Intell. 2018, 48, 1707–1720. [Google Scholar] [CrossRef]
- Feiyan, Z.; Linpeng, J.; Jun, D. Review of convolutional neural network. Chin. J. Comput. 2017, 40, 1229–1251. [Google Scholar]
- Boureau, Y.L.; Ponce, J.; LeCun, Y. A theoretical analysis of feature pooling in visual recognition. In Proceedings of the 27th International Conference on Machine Learning (ICML-10), Haifa, Israel, 21–24 June 2010; pp. 111–118. [Google Scholar]
- Khaw, H.Y.; Soon, F.C.; Chuah, J.H.; Chow, C.O. Image noise types recognition using convolutional neural network with principal components analysis. IET Image Process. 2017, 11, 1238–1245. [Google Scholar] [CrossRef]
- Zou, J.; Wu, Q.; Tan, Y.; Wu, F.; Wang, W. Analysis Range of Coefficients in Learning Rate Methods of Convolution Neural Network. In Proceedings of the 2015 14th International Symposium on Distributed Computing and Applications for Business Engineering and Science (DCABES), Guiyang, China, 18–24 August 2015; pp. 513–517. [Google Scholar]
- Gu, J.; Wang, Z.; Kuen, J.; Ma, L.; Shahroudy, A.; Shuai, B.; Liu, T.; Wang, X.; Wang, G.; Cai, J.; et al. Recent advances in convolutional neural networks. Pattern Recognit. 2018, 77, 354–377. [Google Scholar] [CrossRef]
- Zeng, H.; Edwards, M.D.; Liu, G.; Gifford, D.K. Convolutional neural network architectures for predicting DNA–protein binding. Bioinformatics 2016, 32, i121–i127. [Google Scholar] [CrossRef]











| The Number of Convolution Kernels | Accuracy of Test Data (%) | |||
|---|---|---|---|---|
| 1st Convolution Layer | 2nd Convolution Layer | 3rd Convolution Layer | 4th Convolution Layer | |
| 5 | 94.16 (0.232) | 95.56 (0.253) | 96.45 (0.225) | 96.32 (0.336) |
| 10 | 94.37 (0.145) | 95.90 (0.238) | 96.96 (0.169) | 96.68 (0.278) |
| 15 | 94.67 (0.117) | 96.01 (0.146) | 97.12 (0.187) | 96.70 (0.168) |
| 20 | 94.76 (0.156) | 96.21 (0.154) | 97.18 (0.119) | 96.83 (0.165) |
| 25 | 94.78 (0.110) | 96.12 (0.162) | 97.21 (0.172) | 96.97 (0.157) |
| 30 | 94.86 (0.118) | 96.12 (0.102) | 97.28 (0.123) | 97.03 (0.146) |
| 35 | 94.80 (0.114) | 96.23 (0.162) | 97.31 (0.168) | 97.08 (0.137) |
| 40 | 94.92 (0.147) | 96.25 (0.166) | 97.35 (0.158) | 97.25 (0.148) |
| 45 | 94.98 (0.120) | 96.22 (0.116) | 97.40 (0.162) | 97.10 (0.151) |
| 50 | 94.97 (0.116) | 96.24 (0.168) | 97.01 (0.128) | 97.02 (0.139) |
| 55 | 95.05 (0.100) | 96.25 (0.081) | 97.42 (0.144) | 96.89 (0.155) |
| 60 | 95.10 (0.115) | 96.30 (0.104) | 97.66 (0.201) | 96.82 (0.187) |
| 65 | 95.18 (0.112) | 96.28 (0.336) | 97.61 (0.159) | 96.82 (0.103) |
| 70 | 95.12 (0.126) | 96.36 (0.120) | 97.83 (0.173) | 96.69 (0.098) |
| 75 | 95.09 (0.098) | 96.14 (0.064) | 97.91 (0.139) | 96.64 (0.111) |
| 80 | 95.10 (0.102) | 96.32 (0.149) | 98.00 (0.106) | 96.69 (0.132) |
| 85 | 95.11 (0.121) | 96.33 (0.105) | 97.78 (0.092) | 96.76 (0.139) |
| 90 | 95.14 (0.133) | 96.30 (0.071) | 97.43 (0.094) | 96.53 (0.167) |
| 95 | 95.16 (0.075) | 96.33 (0.090) | 97.39 (0.122) | 96.50 (0.143) |
| 100 | 95.14 (0.116) | 96.34 (0.110) | 97.36 (0.118) | 96.31 (0.121) |
| Architecture | Kernel Size | Average Accuracy of Test Data (%) |
|---|---|---|
| 65-70-80-800 | 3 × 3 | 98.08 |
| 65-70-80-800 | 5 × 5 | 97.27 |
| 65-70-80-800 | 7 × 7 | 96.58 |
| Architecture | Kernel Size | Pooling Function | Accuracy of Test Data (%) |
|---|---|---|---|
| 65-70-80-800 | 3 × 3 | Max pooling function | 98.08 |
| 65-70-80-800 | 3 × 3 | Average pooling function | 92.29 |
| The Number of Convolution Layers | The Number of Kernels | Kernel Size | Pooling Function | The Number of Nodes in FC Layer |
|---|---|---|---|---|
| 3 | 65-70-80 | 3 × 3 | Max pooling function | 800 |
| Noise Level () | Average Recognition of Test Data (%) | |
|---|---|---|
| Proposed Method | Uncorrelated Multilinear Principal Component Analysis and Bayes Classifier (UMPCA-BC) | |
| 0 | 98.08 | 97.41 |
| 0.005 | 97.17 | 95.98 |
| 0.01 | 96.01 | 95.13 |
| 0.015 | 94.24 | 93.46 |
| 0.02 | 93.44 | 92.73 |
© 2020 by the authors. Licensee MDPI, Basel, Switzerland. This article is an open access article distributed under the terms and conditions of the Creative Commons Attribution (CC BY) license (http://creativecommons.org/licenses/by/4.0/).
Share and Cite
Liu, Y.; Zhao, Z.; Zhang, S.; Jung, U. Identification of Abnormal Processes with Spatial-Temporal Data Using Convolutional Neural Networks. Processes 2020, 8, 73. https://doi.org/10.3390/pr8010073
Liu Y, Zhao Z, Zhang S, Jung U. Identification of Abnormal Processes with Spatial-Temporal Data Using Convolutional Neural Networks. Processes. 2020; 8(1):73. https://doi.org/10.3390/pr8010073
Chicago/Turabian StyleLiu, Yumin, Zheyun Zhao, Shuai Zhang, and Uk Jung. 2020. "Identification of Abnormal Processes with Spatial-Temporal Data Using Convolutional Neural Networks" Processes 8, no. 1: 73. https://doi.org/10.3390/pr8010073
APA StyleLiu, Y., Zhao, Z., Zhang, S., & Jung, U. (2020). Identification of Abnormal Processes with Spatial-Temporal Data Using Convolutional Neural Networks. Processes, 8(1), 73. https://doi.org/10.3390/pr8010073

