Optimisation of Atomisation Parameters of Gas–Liquid Two-Phase Flow Nozzles and Application to Downhole Dust Reduction
Abstract
1. Introduction
2. Model Building and Simulation Setup
2.1. Mathematical Modelling
2.1.1. Mathematical Model of Continuous Phase Turbulence
2.1.2. Discrete-Phase Mathematical Models
2.1.3. Selection Basis and Comparative Verification of Turbulence Model
2.2. Geometrical Modelling
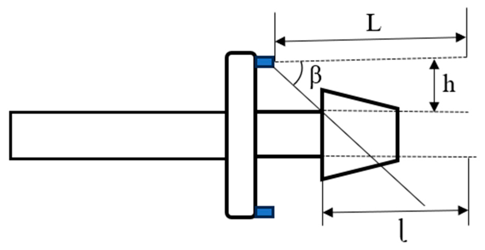
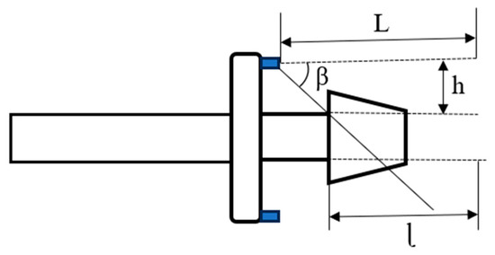
2.2.1. Geometrical Models
2.2.2. Grid Division
2.3. Mesh Verification
2.3.1. Irrelevance Verification
2.3.2. Reliability Verification
2.4. Parameter Setting
3. Numerical Simulation of Water Mist Particle Atomisation in Outflow Field
3.1. Nozzle Atomisation Analysis at Different Moments
3.2. Droplet Velocity Analysis Under Different Atomisation States
4. Experiments on Dust-Reduction Efficiency of Gas–Liquid Two-Phase
4.1. Nozzle Droplet Atomisation Characterisation
4.1.1. Effect of Air Supply Pressure on Nozzle Flow Characteristics
4.1.2. Effect of Air Supply Pressure on Macro-Atomisation Characteristics
4.1.3. Effect of Air Supply Pressure on Droplet Size
4.2. Gradient Analysis of Dust-Reduction Efficiency
4.3. Analysis of the Effect of Air Supply Pressure on Nozzle Dust-Reduction Efficiency
5. Downhole Test Validation and Optimization
5.1. Measurement of Dust Concentration on Site
5.2. Site Humidity and Temperature Measurement
5.3. Optimisation of On-Board Gas–Liquid Two-Phase Flow Dust-Reduction System
5.4. Airborne Gas–Liquid Two-Phase Flow System Applications
6. Conclusions
- The atomisation effect of the gas–liquid two-phase flow nozzle was significantly affected by the gas supply pressure, gas phase inlet velocity, and droplet mass flow rate. Improving the air supply pressure can reduce the droplet size and increase the atomisation range and angle; however, the gas–liquid flow ratio must be controlled to avoid fluctuations in the atomisation angle. Increasing the gas-phase inlet velocity enhanced the droplet fragmentation efficiency and reduced the droplet concentration in the central region, and increasing the mass flow rate shortened the atomisation time;
- The experimental results showed that the air supply pressure was positively correlated with the dust-reduction efficiency. When the air supply pressure increased from 0.2 MPa to 0.7 MPa, the dust-reduction efficiency of the respiratory dust increased from 47.2% to 76.2%. Among the tested air supply pressures, 0.6 MPa was the economically optimal working condition, with which the dust-reduction efficiency reached 69.3%, which is a balance between efficiency and energy consumption. In addition, the reduction in droplet size enhances the capture ability of fine dust, and the synergistic effect of inertial collision and diffusion is the key to improving efficiency;
- To address the dust-producing characteristics of the cutter head of the IMD, a ring-shaped on-board gas–liquid two-phase flow system was designed to achieve full coverage of the dust-producing area using a six-nozzle ring layout. Field tests show that the highest dust-reduction rate of the optimized system reaches 86.0%, which is 53.5% higher than the efficiency of traditional high-pressure spraying, and that the concentration of dust at each measurement point is reduced to less than 6 mg/m3, which significantly improves the working environment. By adjusting the air–water ratio and anti-shock design, the system was made to be highly reliable and adaptable, and can thus provide technical support for underground dust suppression;
- This study primarily investigated the impact of the supply pressure on the nozzle dust removal efficiency; however, it had certain limitations. This study did not systematically explore the effects of different coal dust particle sizes, dust concentrations, or coal types on the dust removal efficiency, nor did it address the interference of mist droplet evaporation and secondary dust resuspension on mist droplet trajectories under high humidity conditions. Although the results indicated that the system performed well in conventional mine tunnels, complex mine environments may limit the model’s applicability. Future research should focus on systematic studies of coal dust with multiple particle sizes and comprehensively analyse the interactive effects of humidity and airflow to enhance the engineering application value of the model in complex environments.
Author Contributions
Funding
Data Availability Statement
Conflicts of Interest
References
- Yuan, L.; Zhang, P.S. Development status and outlook of geological safeguard technology for precision coal mining. J. Coal 2019, 44, 2277–2284. [Google Scholar]
- Jing, G.; Peng, L.; Ban, T. Study on the propagation characteristics and injury of methane coal dust coupled explosion. Chin. J. Saf. Sci. 2022, 32, 72–78. [Google Scholar]
- Sun, J.-P.; Fan, W.-Q. Video image based method for gas and coal dust explosion sensing alarm and explosion source determination. Ind. Min. Autom. 2020, 46, 1–4. [Google Scholar]
- Li, D.; Sui, J.; Liu, G.; Zhao, Z. Current status and development direction of coal mine dust hazard prevention and control technology in China. Min. Saf. Environ. Prot. 2019, 46, 1–7. [Google Scholar]
- Xu, M.; Fang, Q.; Hu, T.; Wang, J. Hazards of respiratory dust and countermeasures for prevention and control in synthesis mining and comprehensive excavation working face of Sangshuping coal mine. Coal Mine Saf. 2017, 48, 171–174. [Google Scholar]
- Wang, J.; Zheng, L. Coal mine dust occupational hazard monitoring technology and its development trend. Coal Sci. Technol. 2017, 45, 119–125. [Google Scholar]
- Wang, P.; Liu, R.; Wang, H.; Chen, S.; Tan, X.; Gou, S. Experimental study on atomisation characteristics of air-water spray in coal mine. J. Coal 2017, 42, 1213–1220. [Google Scholar]
- Wang, P.; Liu, R.; Tang, M.; Zhang, W.; Gui, Z. Experimental study on the influencing factors of spraying dust reduction in coal mines. J. Saf. Environ. 2015, 15, 62–67. [Google Scholar]
- Wang, P.; Tan, X.; Liu, R.; Wang, H.; Li, Y.; Tian, C. Influence of outlet diameter on atomisation characteristics and dust reduction performance of internally mixed air atomising nozzles. J. China Coal Soc. 2018, 43, 2823–2831. [Google Scholar]
- Ai, X.; Cai, X.; Chen, J.; Ding, G.; Guan, S.; Ji, Y. The characteristics of gas-liquid dispersive mixing and microbubble generation in turbulent adjustable jet flow field. J. Dispers. Sci. Technol. 2024, 45, 1307–1318. [Google Scholar] [CrossRef]
- Fang, X.; Jiang, B.; Yuan, L.; Liang, Y.; Ren, B.; Tao, W.; Li, X. Experimental Study on Atomization Characteristics of Gas–Liquid Two-Phase Flow Nozzle and Its Dust Removal Effect. Materials 2022, 15, 565. [Google Scholar] [CrossRef]
- Senecal, P.K.; Schmidt, D.P.; Nouar, I.; Rutland, C.J.; Reitz, R.D.; Corradini, M.L. Modeling high-speed viscous liquid sheet atomization. Int. J. Multiph. Flow 1999, 25, 79–99. [Google Scholar] [CrossRef]
- Lan, Z.; Zhu, D.; Tian, W.; Su, G.; Qiu, S. Experimental study on spray characteristics of pressure-swirl nozzles in pressurizer. Ann. Nucl. Energy 2014, 63, 215–227. [Google Scholar] [CrossRef]
- Jobehdar, M.H.; Siddiqui, K.; Gadallah, A.H.; Chishty, W.A. Bubble formation process from a novel nozzle design in liquid cross-flow. Int. J. Heat Fluid Flow 2016, 61, 125–138. [Google Scholar] [CrossRef]
- Singh, J.; Croce, D.; Zerpa, L.E.; Partington, B.; Gamboa, J. Experimental evaluation of nozzles to mitigate liquid loading in gas wells. J. Nat. Gas Sci. Eng. 2019, 65, 248–256. [Google Scholar] [CrossRef]
- Lee, J.; Moon, J. Numerical analysis of the effect of horizontal distance between a water mist nozzle and ignition source on reduction in heat release rate. Ann. Nucl. Energy 2020, 144, 107–127. [Google Scholar] [CrossRef]
- Brykov, N.A.; Emelyanov, V.N.; Karpenko, A.G.; Volkov, K.N. Flows of real gas in nozzles with unsteady local energy supply. Comput. Math. Appl. 2021, 81, 702–724. [Google Scholar] [CrossRef]
- Sun, Y.; Zhu, X.; Huang, W.; Liang, F.; Bian, J. Simulation and experimental investigation on gas-liquid two-phase flow separation behaviours in multitube T-Junction separator. Flow Meas. Instrum. 2022, 85, 102166. [Google Scholar] [CrossRef]
- Tan, M. Characteristics of a new type of internally mixed gas-water atomising nozzle. Sci. Technol. Inf. 2010, 94, 59–73. [Google Scholar]
- Wang, P.; Tan, X.; Liu, R.; Wang, H.; Li, Y.; Tian, C. Influence of water supply pressure on atomisation characteristics and dust reduction effect of air-water spray. J. Appl. Basic Eng. Sci. 2018, 26, 1348–1359. [Google Scholar]
- Wang, P.F.; Liu, R.H.; Gui, Z.; Gou, S.X.; Shu, W.; Tan, X.H. Theoretical study on atomisation characteristics and dust reduction efficiency of air-water spray in coal mine. J. China Coal Soc. 2016, 41, 2256–2262. [Google Scholar]
- Liu, R.; Zhu, B.; Wang, P.; Shi, Y.; Gao, R.; Wu, G. Mechanism of ventilation and dust control by double radial cyclone shielding in a comprehensive excavation face. J. China Coal Soc. 2021, 46, 3902–3911. [Google Scholar]
- Guan, Y.; Han, Y.; Huang, S.; Han, X. Simulation study on the effect of air atomising nozzle on glue atomisation. Mech. Des. Manuf. 2022, 98, 86–90. [Google Scholar]
- Xue, W.; Hou, M.; Huo, Z.; Fan, Y.; Hao, J.; Yang, W.; Song, X.; Tu, Q. Experimental study on the effect of air-water spraying on dust reduction at the transfer point of belt conveyor. Coal Mine Saf. 2022, 53, 14–19. [Google Scholar]
- Akbari, V.; Borhani, T.N.G.; Shamiri, A.; Shafeeyan, M.S. Computational fluid dynamics modelling of gas-solid fluidised bed reactor, Influence of numerical and operating parameters. Exp. Comput. Multiph. Flow 2024, 6, 85–125. [Google Scholar] [CrossRef]
- Zhou, L.; Zhang, X.; Yu, Y. Experimental and numerical studies on the wall-roughness effect to particle dynamics in various gas-particle flows. Exp. Comput. Multiph. Flow 2024, 6, 387–394. [Google Scholar] [CrossRef]
- Zhang, B.; Zhang, Y.; Zhu, C.; Qian, L. Experimental Study on Aerodynamic Breakup of Silicone Oil-Water Composite Droplets. Mech. Pract. 2025, 47, 529–538. [Google Scholar]
- Song, J.; Zhou, W.; Shang, W.; Li, H.; Li, J.; Liu, J. Recent advances on fragmentation and evaporation of droplets in airflow. Chin. J. Theor. Appl. Mech. 2024, 56, 3371–3393. [Google Scholar]


























| Parameter | Experimental Values | Standard k-ε | Error | Realizable k-ε | Error |
|---|---|---|---|---|---|
| Atomisation angle (°) | 71.9 | 62.1 | 13.7% | 70.2 | 2.4% |
| Droplet average particle size (μm) | 48.3 | 56.9 | 17.8% | 49.8 | 3.1% |
| Central zone concentration (g/m3) | 1.24 | 0.97 | 21.8% | 1.18 | 4.8% |
| Calculate stability | / | divergent | / | convergence | / |
| Indicator | Minimum Value | Maximum Value | Mean Value | Conventional Criteria |
|---|---|---|---|---|
| Grid orthogonal quality | 0.85 | 1.0 | 0.93 | >0.3 (Pass); >0.7 (excellent) |
| Aspect Ratio | 1.0 | 5.2 | 2.7 | <10 (Pass) <5 (excellent) |
| Twist | 0.01 | 0.2 | 0.18 | <0.4 (Pass) <0.2 (excellent) |
| Smoothness | 1.1 | 1.3 | 1.2 | ≤1.3 (Pass) ≤1.2 (excellent) |
| Parameter Type | Sports Event | Preferences |
|---|---|---|
| computational model | Solver | Pressure-Based |
| Velocity Type | Absolute | |
| Gravity | Y = −9.81 m/s2 | |
| Viscous Model | Realizable k-ε Model | |
| Energy | Off | |
| Near-wall Treatment | Standard Wall Functions | |
| Momentum Discretisation | Second Order Upwind | |
| Convergence Criterion | 0.001 | |
| boundary condition | Density | 1.225 kg/m3 |
| Velocity Magnitude | 2 m/s | |
| Turbulent Intensity | 1.94 percent | |
| Hydraulic Diameter | 1 m | |
| Outlet Boundary Type | Pressure-outlet | |
| Wall Shear Condition | No Slip | |
| Discrete phase parameters | Interaction with Continuous Phase | on |
| Number of Continuous Interactions per DPM Iteration | 10 | |
| Max Number of Steps | 500 | |
| Length Scale | 0.01 | |
| Drag Law | Spherical | |
| Unsteady particle tracking | on | |
| Spray source parameters | Injection Type | Air-blast atomizer |
| X, Y, Z Axes | 0, 0, 2 | |
| Relative Velocity | 100 m/s, 150 m/s | |
| Flow Rate | 0.06 kg/s, 0.08 kg/s | |
| Spray Half Angle | 25 deg | |
| Turbulent Dispersion | Discrete Random Walk Model |
| Dynamic Pressure of Droplet | Hydrostatic Pressure | |
|---|---|---|
| Dynamic response characteristics | Increases with the square of the droplet velocity to capture transient phenomena | It is only highly correlated with the liquid column (ΔP = ρgh) and cannot characterize the velocity-dependent transient process |
| Interface mechanism | Characterize the coupling effect between droplets and airflow | Describe only the surface static equilibrium pressure of static droplets |
| Experimental controllability | By adjusting the gas phase flow rate, the dynamic pressure is precisely controlled, and the error is small | Depending on the liquid level, it is difficult to fine-tune and the error is large |
| Theoretical model | Compatible with Realizable k-ε turbulence models for numerical simulations of multiphase flows | Only the static equilibrium equation is satisfied, ignoring the inertia term |
| Matching degree of application scenarios | It is suitable for highly dynamic processes such as microfluidic atomisation and jet crushing | It is suitable for static pressure balancing or low-speed osmosis of the reservoir |
| /(°) | |||||||||
|---|---|---|---|---|---|---|---|---|---|
| Pair/MPa | PL/MPa | ||||||||
| 0.2 | 0.5 | 59.411 | 63.105 | 63.062 | 61.859 | 80.583 | 73.45 | 78.843 | 77.625 |
| 0.3 | 0.5 | 59.101 | 62.592 | 64.189 | 61.961 | 102.804 | 73.549 | 77.162 | 84.505 |
| 0.4 | 0.5 | 71.267 | 71.632 | 71.551 | 71.483 | 111.836 | 102.857 | 88.535 | 101.076 |
| 0.5 | 0.5 | 69.46 | 69.327 | 72.341 | 70.376 | 111.529 | 107.329 | 102.657 | 107.172 |
| 0.6 | 0.5 | 71.395 | 71.301 | 72.899 | 71.868 | 113.57 | 111.208 | 112.428 | 112.402 |
| 0.7 | 0.5 | 72.263 | 72.34 | 69.849 | 71.475 | 115.955 | 113.402 | 108.042 | 112.466 |
| Particle Size (μm) | Differential (%) | Accumulation (%) | Particle Size (μm) | Micronaire (%) | Accumulation (%) |
|---|---|---|---|---|---|
| 0.30 | 0 | 0 | 1.82 | 23.06 | 77.73 |
| 0.38 | 1.44 | 0.24 | 2.28 | 10.91 | 88.64 |
| 0.47 | 2.67 | 2.91 | 2.85 | 5.63 | 94.27 |
| 0.59 | 5.40 | 8.31 | 3.57 | 2.22 | 96.49 |
| 0.74 | 11.08 | 19.39 | 4.47 | 1.25 | 97.74 |
| 0.93 | 7.35 | 26.74 | 5.59 | 1.91 | 99.65 |
| Sampling Point | Sample 1 | Sample 2 | Sample 3 | Sample 4 | Sample 5 | Sample 6 | Sample 7 | Average Value |
|---|---|---|---|---|---|---|---|---|
| 1 | 92.67 | 98.17 | 95.50 | 100.50 | 88.17 | 101.00 | 98.17 | 96.31 |
| 2 | 90.17 | 83.67 | 90.17 | 96.83 | 83.83 | 93.83 | 91.83 | 90.05 |
| 3 | 73.00 | 75.67 | 83.83 | 85.67 | 74.33 | 97.67 | 68.50 | 79.81 |
| 4 | 96.50 | 83.00 | 86.33 | 103.17 | 67.50 | 86.83 | 79.17 | 86.07 |
| 5 | 74.33 | 79.00 | 82.83 | 91.00 | 83.50 | 100.50 | 76.17 | 83.90 |
| Sampling Point | Distance From Dust Source (m) | Difference in Quality of Filter Membrane Before and After Sampling (mg) | |||||
|---|---|---|---|---|---|---|---|
| Before It Is Turned On | 0.20 MPa | 0.30 MPa | 0.40 MPa | 0.50 MPa | 0.60 MPa | ||
| 1 | 0.7 | 5.63 | 4.73 | 3.84 | 3.12 | 2.67 | 2.03 |
| 2 | 1.5 | 5.51 | 4.13 | 3.52 | 2.44 | 2.21 | 1.83 |
| 3 | 2.5 | 4.41 | 3.28 | 2.79 | 2.13 | 1.67 | 1.21 |
| 4 | 3.5 | 5.49 | 2.87 | 2.42 | 2.11 | 1.81 | 1.47 |
| 5 | 4.5 | 4.57 | 2.45 | 2.23 | 1.91 | 1.63 | 1.38 |
| Air Supply Pressure (MPa) | Average Dust-Reduction Efficiency (%) | Water Consumption (L/min) | Energy Consumption per Unit of Dust Treatment (kW·h/kg) | Unit Cost of Dust Reduction (yuan/kg) |
|---|---|---|---|---|
| 0.2 | 32.15 | 0.25 | 0.60 | 8.14 |
| 0.3 | 42.35 | 0.36 | 0.55 | 7.92 |
| 0.4 | 54.35 | 0.51 | 0.48 | 6.32 |
| 0.5 | 61.19 | 0.53 | 0.46 | 4.13 |
| 0.6 | 69.26 | 0.61 | 0.45 | 3.58 |
| 0.7 | 76.17 | 0.78 | 0.52 | 4.27 |
| Sampling Point | Sampling Point Location | The Difference in Quality of Filter Membrane Before and After Sampling (mg) | |
|---|---|---|---|
| Before High-Pressure Spraying on the Face | After High-Pressure Spraying in the Face of a Complex Excavation | ||
| Sampling point 1 | Variety Excavator Driver’s Office | 2.06 | 1.38 |
| Sampling point 2 | 15.0 m to the windward side of the hewing machine | 1.82 | 1.26 |
| Sampling point 3 | 25.0 m to the windward side of the head digger | 1.56 | 1.13 |
| Sampling point 4 | 35.0 m to the windward side of the hewing machine | 1.24 | 0.98 |
| Sampling point 5 | 45.0 m to the windward side of the hewing machine | 1.36 | 1.12 |
| Sampling point 6 | 55.0 m to the windward side of the hewing machine | 1.08 | 0.88 |
| Parameter | Conventional High-Pressure Spray | Ring On-Board System |
|---|---|---|
| Droplet size | 100–200 μm | 20–50 μm |
| Dust-reduction efficiency | 32.5–43.0% | 62% or more |
| Energy consumption | ≥8.0 MPa | 0.5 MPa |
| Coverage of dead space rate | ≥40% | <5% of the total |
| On-site dust concentration | >17 mg/m3 | <6 mg/m3 |
Disclaimer/Publisher’s Note: The statements, opinions and data contained in all publications are solely those of the individual author(s) and contributor(s) and not of MDPI and/or the editor(s). MDPI and/or the editor(s) disclaim responsibility for any injury to people or property resulting from any ideas, methods, instructions or products referred to in the content. |
© 2025 by the authors. Licensee MDPI, Basel, Switzerland. This article is an open access article distributed under the terms and conditions of the Creative Commons Attribution (CC BY) license (https://creativecommons.org/licenses/by/4.0/).
Share and Cite
Wang, J.; He, X.; Luo, S. Optimisation of Atomisation Parameters of Gas–Liquid Two-Phase Flow Nozzles and Application to Downhole Dust Reduction. Processes 2025, 13, 2396. https://doi.org/10.3390/pr13082396
Wang J, He X, Luo S. Optimisation of Atomisation Parameters of Gas–Liquid Two-Phase Flow Nozzles and Application to Downhole Dust Reduction. Processes. 2025; 13(8):2396. https://doi.org/10.3390/pr13082396
Chicago/Turabian StyleWang, Jianguo, Xinni He, and Shilong Luo. 2025. "Optimisation of Atomisation Parameters of Gas–Liquid Two-Phase Flow Nozzles and Application to Downhole Dust Reduction" Processes 13, no. 8: 2396. https://doi.org/10.3390/pr13082396
APA StyleWang, J., He, X., & Luo, S. (2025). Optimisation of Atomisation Parameters of Gas–Liquid Two-Phase Flow Nozzles and Application to Downhole Dust Reduction. Processes, 13(8), 2396. https://doi.org/10.3390/pr13082396
