Abstract
Hydrogen sulfide (S) and carbon dioxide () can cause various damages that degrade the quality of natural gas before it reaches end users and contribute to environmental pollution. Therefore, it is crucial to eliminate these contaminants to ensure effective usage and prolong equipment lifetime. An acid gas removal unit (AGRU) is a well-known type of equipment for removing S and from natural gas. Forty-six recent research papers have focused on the landscape of the AGRU process and its optimization strategies through experimental and simulation methods, which rely heavily on mathematical approaches. These techniques are often costly and time-consuming. Conversely, discussions on data-driven approaches as optimization techniques for AGRUs are limited. Therefore, this review highlights the potential advancements of data-driven strategies toward AGRU performance. Numerous predictive models of AGRU-related parameters, including S and , operating parameters, and material discovery, are discussed in detail. Furthermore, predictive models of fault detection and its prevention are also examined. The literature confirms that data-driven approaches exhibit effective capabilities to enhance the operational performance of AGRUs. This could help industry operators and stakeholders maintain reliable operation and optimize the AGRU’s performance.
1. Introduction
Global energy consumption has increased over the past decade due to significant industrial development and a growing human population [1]. Fossil fuels are still considered the primary energy source for more than 80% of global energy consumption [2]. Among these energy sources, natural gas is highly utilized, with a total percentage of 25% according to the BP Energy Outlook: 2024 edition [3]. Furthermore, natural gas possesses several benefits, including being more environmentally friendly compared to coal and oil, being cost-effective, and being applicable to various industrial equipment [4]. Despite these advantages, natural gas contains contaminants that can cause various operational damage.
The primary contaminant is carbon dioxide (), which leads to global warming. levels have risen globally, leading to potentially significant harm, including threats to human life and climate change [5]. Consequently, strict regulations have been implemented, where the permitted concentration should be less than 3%. Meanwhile, the existence of hydrogen sulfide (S) in natural gas is restricted due to its toxic, corrosive, and combustible nature. High concentrations of S, up to 150 ppm, can provoke severe health issues such as sore eyes and throat and anosmia [6]. Therefore, the concentration of S in natural gas products is limited to 20 ppm as a general industry standard.
Following this, removal of acid gases such as S and from natural gas is critical to maintain productivity and improve equipment reliability. The acid gas removal unit (AGRU) is a well-known technology to purify natural gas before delivering it to the consumer. Several types of AGRU technologies are employed, including absorption [7], adsorption [8], membrane [9], chemical looping combustion [10], and cryogenic processes [11], as depicted in Figure 1. Absorption has been widely applied to remove acid gas in natural gas processing and refineries. This technique involves the reaction of the solvent to absorb the S and from natural gas through different methods such as chemical, physical, and hybrid. Adsorption separates acid gases through interactions between the gas and a solid surface, known as the adsorbent. The membrane technique utilizes thin polymeric films to achieve separation, while the cryogenic method typically involves a distillation process. Conversely, chemical looping combustion separates acid gas through direct reactions using oxygen carriers or a carbonate looping system.
Figure 1.
Acid gas removal techniques.
AGRUs were extensively researched between 2010 and 2025, as depicted in Figure 2, based on five reputable publishers (Elsevier, Wiley, MDPI, Springer, and ACS). The cumulative data were obtained from [12]. There was a noticeable upward trend in the cumulative number of publications from 2010 to 2024, represented by a steady increase over these years. The cumulative number of publications peaked in 2024 and declined in 2025. These trends indicate a growing research output in AGRU-related topics, particularly from journal articles. The dominant publisher of this research is Springer Science + Business Media LLC, as indicated by the fact that most of the bar was from there. According to the available literature, the absorption-based AGRU is the most often used acid gas removal technique, among others. Thus, this paper will focus on exploring the absorption-based AGRU.
Figure 2.
Published article on AGRUs.
Absorption-based AGRUs are more popular than other methods due to their high efficiency, flexibility in solvent choice, scalability, cost-effectiveness, ability to regenerate solvents, and compliance with strict environmental standards [13]. The flow process of an absorption-based AGRU is illustrated in Figure 3. The process initiates with sour gas flowing into an inlet separator that eliminates initial contaminants. This purified gas is then introduced into an absorber, where it interacts with a lean solvent that absorbs the acid gases, resulting in sweet gas that is released from the top of the absorber. The solvent enriched with acid gases is directed through a flash tank separator, where some gases are released, and continues through a lean/rich heat exchanger that optimizes thermal efficiency. The rich solvent enters a stripper, where a reboiler facilitates the release of the absorbed gases via steam. These gases are then condensed and accumulated for storage or further processing. The regenerated lean solvent cycles back to the absorber to sustain the gas-sweetening process. This setup not only effectively purifies the gas but also ensures its compliance with environmental standards, making it suitable for industrial applications [14].
Figure 3.
Absorption-based acid gas removal unit process (AGRU) diagram.
The performance of absorption-based AGRU can be influenced by various causes, including solvent type, temperature and pressure conditions, equipment design, and operational issues [15]. For instance, monoethanolamine (MEA) is typically used at the maximum concentrations of 25 wt%, and the operating absorber inlet temperature and pressure are 15–45 °C and <100 barg, respectively [14]. However, this value can vary based on specific process conditions, equipment design, and operational requirements. The reduced performance may lead to a significant decrease in the heating value of natural gas, leading to increases in maintenance and operational costs for the industry [16]. Thus, implementing a suitable optimization technique will effectively help to improve the operational efficiency [17]. To this end, this paper aims to provide a comprehensive review of recent trends and challenges in the optimization technologies employed in absorption-based AGRU.
This paper is organized into four main sections as represented in Figure 4. The first section serves as an introduction, emphasizing the critical importance of removing sour gases such as S and . Next, the paper delves into the core technical content in the AGRU optimization technique in Section 2. This section is meticulously structured into three primary categories: solvent optimization, process optimization, and equipment design optimization. Solvent optimization discusses strategies such as solvent blending and composition loading. Process optimization covers parameter tuning, control processes, and system integration to enhance AGRU efficiency. Equipment design optimization focuses on the specific design aspects of absorbers and strippers and the discovery of new materials that can further enhance the system’s efficiency. Section 3 discusses the data-driven approach on AGRUs, examining the role of advanced predictive and operational strategies that leverage data to optimize AGRU performance. This includes detailed analysis on parameters specific to S and , operational efficiencies, fault detection, and material innovations. The paper ends with a section on conclusions and future trends in Section 4, synthesizing the research findings while also projecting future trends and potential areas for further research in AGRU technology.
Figure 4.
Outline of the paper.
2. Absorption-Based AGRU Optimization
Optimization techniques of absorption-based AGRU are classified into three methods, consisting of solvent, process, and equipment design optimization. Solvent optimization only focuses on the solvent component and composition manipulation to achieve the targeted removal efficiency. Process optimization focuses on the overall process of the AGRU by manipulating operational parameters through integration with another process. Finally, equipment design optimization focuses on the critical equipment of the AGRU such as the absorber and stripper to improve the performance.
2.1. Solvent Optimization
Solvent optimization is considered the primary technique to enhance AGRU performance. This technique involves solvent blending and composition loading to determine the best solvent combination for effective acid gas separation. Solvent blending is a method that combines two or more solvent types in certain compositions. Conversely, composition loading focuses on finding the optimal solvent concentration in order to maximize S and absorption.
2.1.1. Solvent Blending
The practice of blending solvents to enhance the effectiveness of sour gas treatment processes comprises various combinations of amines. The common amines used in industry such as methyldiethanolamine (MDEA), piperazine (PZ), and innovative blends like diisopropanolamine (DIPA) and triethanolamine (TEA) have been studied to enhance the removal of and S from natural gas [18,19]. Table 1 shows the recapitulation of numerous studies related to solvent blending. The table shows that MDEA gains more usage than other amines due to its lower corrosivity, more energy-efficient regeneration, higher capacity for acid gas absorption, greater operational flexibility, and reduced environmental impact. The MDEA reaction mechanism with S and is shown in Figure 5.
Figure 5.
MDEA reaction mechanism with S and .
The reaction of MDEA with S happens rapidly via direct proton transfer reaction. Meanwhile, the reaction between MDEA and is more complex because reacts through two different mechanisms. The first reaction is hydrolysis with water resulting in carbonic acid (), which turns slowly into bicarbonate (). The bicarbonate then undergoes an acid–base reaction with amine, resulting in . In terms of chemical structure, MDEA has two hydroxyl (–OH) groups attached to the ethanol (), making the molecule polar and capable of forming hydrogen bonds, enhancing its solubility and interaction with acid gases like S and . Two ethanol groups contribute to the solubility and interaction with gases, while the attached methyl () group enhances selectivity and reduces energy costs in solvent regeneration. This structure makes MDEA ideal for industrial applications requiring high gas purity.
These mixtures of solvents aim to exploit the unique absorption properties of each amine to achieve higher removal efficiencies and decrease the energy requirements for solvent regeneration. Following this, the preliminary study of simulation is often required to confirm the suitability of the selected solvent component and composition. The utilization of simulation software such as Aspen HYSYS version 14 and Aspen Plus version 12.1 has played a significant role in assessing the performance of these solvent combinations [20,21].
For example, the use of 42–50 wt% MDEA and 0–2.5 wt% PZ blends has been identified as a cost-effective and eco-friendly option for AGRU processes, potentially leading to substantial annual cost savings and reduced carbon emissions [18]. Additionally, a new combination of 0–15 wt% DIPA and 35–50 wt% TEA has shown improved removal efficiency under varying pressure and temperature conditions [19]. Studies on optimization have also emphasized the economic advantages of employing 40 wt% MEA and MDEA mixtures, which can notably decrease the energy consumption and operational expenses related to capture [22]. Furthermore, a ternary-hybrid blend of MDEA, aminoethylethanolamine (AEEA), and N-Methylpyrrolidone (NMP) with an overall concentration of 50 wt% has been suggested to reduce reboiler duty, thus addressing the high energy demand for solvent regeneration [23]. The possibility of utilizing blended amines like 50 wt% diglycolamine (DGA) and 0–15 wt% MDEA in industrial AGRU units has been investigated, demonstrating potential for energy conservation [13].
Sanni et al. presented a novel approach by using a mixture of 10–50 wt% diethanolamine (DEA) and 5 wt% calcium hydroxide (Ca(OH)2) with the result of higher S and removal, and it is cost-effective considering it can be recovered without needing high temperatures [24]. The mixture of DEA and Ca(OH)2 could simultaneously absorb S and . DEAs chemically bind with the S and in the solution, and at the same time, Ca(OH)2 transforms S and into solid calcium hydrosulfide (Ca(HS)2) and calcium carbonate (), respectively. The solid precipitation maintains the solution alkaline. Thus, DEA can preserve the rapid reaction, and the overall gas removal will increase. At the same time, will be converted into calcium bicarbonate (Ca()2) in the presence of excess inside the absorber. In the stripper, Ca()2 can decompose back into and at a temperature of ≤ °C while pure requires a temperature of ≥ °C to strip the from the reaction. This carbonate–bicarbonate loop reduces steam/energy demand compared to regenerating DEA or sodium hydroxide (NaOH)-based systems, hence lowering operating costs. Ahmad et al. utilized a mixture of 40 wt% MDEA and 32 wt% DEA in a real gas plant in the Persian Gulf area to show that the blend allows for a greater reaction towards when DEA is added without compromising the removal of S and provides flexibility in managing operational cost and energy requirements [25].
Table 1.
Summary of AGRU solvent optimization studies.
Table 1.
Summary of AGRU solvent optimization studies.
| Solvent | Target Properties (Sweet Gas) | Results | Compatibility | References |
|---|---|---|---|---|
| Solvent Blending | ||||
| 42–50 wt% MDEA + 0–2.5 wt% PZ | – | Lower economic cost | MDEA (main amine), PZ (promoter) | [18] |
| 35–50 wt% TEA + 0–15 wt% DIPA | – | 18% increase in removal | TEA (main amine), DIPA (activator) | [19] |
| 40 wt% MEA + MDEA | ≤2 mol% , ≤4 ppm S | Reduce operation cost and energy saving | MEA (fast reaction), MDEA (high capacity) | [22] |
| MDEA + AEEA + NMP (Overall 50 wt%) | ≤1% , | Reduce energy consumption, improve S and capture | MDEA (main amine), AEEA (activator), NMP (enhances solubility at high pressure) | [23] |
| 50 wt% DGA + 0–15 wt% MDEA | – | Reduce energy consumption | DGA (low operating pressure), MDEA (high operating pressure) | [13] |
| 10–50 wt% DEA + 5 wt% 0.1 M Ca(OH)2 | ≤2 mol% , ≤4 ppm S | Increases S removal efficiency, reduces energy costs | DEA (main amine), Ca(OH)2 (improves cleaning process) | [24] |
| 40 wt% MDEA + 32 wt% DEA | ≤2 mol% , ≤4 ppm S | Increase S and removal | MDEA (main amine), DEA (improves absorption) | [25] |
| 17.5 wt% + DEA | Lower energy consumption | Reducing removal costs, reduce operating expenses | (main amine), DEA (improves absorption) | [26] |
| 44 wt% MDEA + 1.5 wt% Sulfolane | , | Reduces energy requirements, improves gas quality | MDEA (main amine), Sulfolane (S selective, low operating temperature) | [27] |
| [OHPy][TFA] + Methanol | ≤3 mass% , ≤S | Cost and energy saving | [OHPy][TFA] (S removal), Methanol (assist gas separation) | [28] |
| Composition Loading | ||||
| Solvent | Target Properties (Sweet Gas) | Approach | Results | References |
| 65 wt% MDEA | , | Trial and Error | Enhances gas purification and energy efficiency | [29] |
| MDEA | S content , content | Trial and error | Improve purified gas yield rate 0.5%, Reduce energy consumption 19.1% | [30] |
| 30 wt% DEA | 4–50 ppm v S | Trial and Error | Higher absorption rate | [31] |
| MDEA | <1– | Trial and Error | removal capacity | [32] |
MDEA, as a tertiary amine, selectively absorbs more S than , resulting in a slow reaction of . Meanwhile, DEA, as a secondary amine, reacts with both S and , rapidly compensating for the slow reaction of and MDEA. Ngu et al. optimize the 17.5 wt% potassium carbonate ()-DEA solvent using pareto front optimization and fuzzy optimization in order to reduce operating cost while balancing its environmental benefits [26]. The addition of DEA to the mixture provides fast absorption of and buffers pH, making the reaction of S and faster. Esmaeili et al., using a genetic algorithm (GA) to find the best mixture of solvent, found out that 1.5 wt% of sulfolane (SFL) and 44 wt% MDEA (Sulfinol-M) in the AGRU as the optimized solvent results in a total energy consumption decrease by 21.19% [27]. Sulfolane is a dipolar aprotic solvent that dissolves S four times more than . This property reduces the amount of acid gas that MDEA must absorb, reducing the overall reaction heat release during absorption. Lei et al. studied 1,987,045 structurally feasible ionic liquid (IL) candidates to be introduced by methanol in the AGRU system with the aim of reducing energy consumption [28]. They evaluated the effect of several variables in the AGRU such as performance, enviromental, energy, and economic variables using computer-aided design with the purpose of finding most suitable IL with the result of a mixture of 1-methyl pyridinium trifluoroacetate ([OHPy][TFA]) and methanol being chosen for its high affinity for S, making it adequate in the gas absorption process. In the IL-methanol mixture, methanol acts as a physical solvent, reacting with S and via Van Der Waals and dipole–quadrupole interactions, while the IL chemically reacts with S and through hydrogen bonding and bicarbonate formation.
This comprehensive strategy toward solvent optimization underscores the significance of solvent blending in enhancing the operational effectiveness and environmental sustainability of AGRU.
2.1.2. Composition Loading
Apart from solvent blending, optimization can also be achieved by adjusting the composition of the solvent. Several research endeavors have concentrated on determining the most efficient solvent compositions and operational factors to maximize the acid gas removal process. In this section, studies related to composition loading are presented.
Adegunju [29] investigated the increment of content in the gas feed of a large Middle East amine-based sweetening unit, finding that 65 wt% of DGA is the best solution for high content feeds compared by MDEA, DEA, and dimethyl ether of polyethylene glycol (DEPG). DGA is a primary amine group that forms 1:1 carbamate with that is stabilized with intramolecular hydrogen bonding, resulting in higher capacity than secondary amine (DEA). At the same time, its glycol chain keeps the viscosity moderate even at high loading; thus, mass transfer remains fast. Jianfeng’s [30] approach optimizing the operating parameters such as circulation rates, concentrations, and inlet temperatures of the MDEA solution resulted in the improvement of the purified gas yield rate by 0.5% and reduced energy consumption by 19.1%. Their approach is to lower the MDEA circulation rate and concentration, leading to the increment of the solvent contact time. It shifts the exothermic S and absorption toward greater loading, improving mass transfer (lower viscosity) and cutting methane co-absorption and steam duty.
Darani et al. discovered that the concentration of DEA in the solution is the most important factor for removing , with higher concentrations leading to more effective removal [31]. Increasing the concentration of DEA to 30 wt% enhances the density of the free -NH chain; thus, more S and can form carbamate and protonated amine per unit volume, leading to higher chemical uptake capacity, while lowering the lean amine temperature to 40 °C enhances the solubility of S and . Furthermore, boosting the circulation to raises the gas–liquid mass transfer, leading to a higher absorption rate. Otaraku and Esemuze emphasized the superiority of MDEA over DEA in terms of removal capacity and production cost reduction due to more minor pump size requirements [32], indicating a trend toward enhancing solvent selection for improved performance and cost-effectiveness. Shifting DEA to MDEA leverages MDEA’s tertiary amine bicarbonate pathway, which absorbs more per mole with a lower heat of absorption and less carbamate formation, also leading to higher acid gas loading, lower sweet gas content, and reduced solvent losses.
These studies collectively underscore the critical role of solvent composition and loading optimization in AGRU units, showcasing that both chemical and physical solvent characteristics, along with operational factors, are pivotal in enhancing the efficiency and sustainability of acid gas removal processes.
2.2. Process Optimization
In process optimization, several operational parameters are usually concerned such as pressure, temperature, and solvent flow rate. Commercial software, for example, Aspen HYSYS V14, has been utilized widely in research to simulate the AGRU process, as shown in Figure 6. Process optimization in this section is divided to parameter tuning, process control, and system integration.
Figure 6.
Absorption-based acid gas removal unit process flowsheet at Aspen HYSYS (drawn by the authors).
2.2.1. Parameter Tuning
Parameter optimization is a critical element in improving the efficiency of the gas sweetening process. The primary objective is to determine the most suitable configurations for operational parameters that enhance the removal of acid gases, such as and S, from natural gas. This optimization procedure involves adjusting operating variables such as concentrations of amine, temperature, and circulation rates in order to achieve the highest S and removal efficiency. A summary of AGRU parameter tuning studies is presented at Table 2. For example, a study conducted by Law et al. discovered that refining the operational conditions of the absorber and stripper units in an amine-based acid gas removal process could significantly boost elimination rates, with the optimum conditions pinpointed at 30 °C for the absorber and 120 °C for the stripper [33]. Furthermore, the utilization of mixed amine solvent techniques, such as MDEA and DEA, has proven to be efficient in offshore acid gas removal processes, with computational analyses offering direction on the ideal ranges of crucial parameters [34].
Table 2.
Summary of AGRU parameter tuning studies.
The employment of advanced optimization methodologies, like the Taguchi technique, further demonstrates the potential for parameter adjustment to enhance the functionality of AGRU [35]. The Taguchi method is a statistical optimization used to bridge between input variables and the target output, resulting in the precise estimation of target parameters, which can significantly reduce the simulation, modeling and experimental time [41]. Research by Baghmolaei et al. [41] demonstrated the optimization of the AGRU system through the Taguchi method, focusing on five parameters, stripper pressure, lean amine loading, lean amine temperature, lean amine concentration, and PZ concentration, to discover the optimal operation state that reduced the exergy destruction cost and steam consumption. The results showed a reduction in exergy destruction cost by 19.32 %, steam consumption by 23.88% emission by 23.88%, carbon tax by almost 23% and steam cost from 3.77 million to 2.87 million USD/year. The research specifically focused on rate-based calculations for the absorption and stripping column in order to design an efficient and effective process [37]. MDEA is still the most utilized solvent for this optimization technique [35,36,37,38,39,40].
Moreover, the utilization of predictive controllers and model-based strategies for the selection of controlled variables has been recommended as a means to attain optimal economic operation and self-optimizing control efficiency in AGRU [38,39]. The development of diagnostic models for faults utilizing deep learning techniques also stresses the significance of parameter optimization in upholding the dependability and efficiency of AGRU [40]. In conclusion, parameter tuning stands as a crucial process enhancement tactic in AGRU, entailing the meticulous modification of operational parameters to amplify gas sweetening efficiency while diminishing energy consumption and operational costs.
2.2.2. Process Control
The optimization of process control strategies plays a crucial role in optimizing AGRU processes. Studies have shown the effectiveness of model predictive control (MPC) in improving control performance [42]. A summary of AGRU process control studies is shown in Table 3.
Wahid et al. utilized multivariable model predictive control (MMPC) for removal using activated MDEA as a solvent [42]. Furthermore, its performance was compared against the plant’s existing PI controllers. The research determined that feed gas pressure and make-up water flow rate were the most crucial controlled variables. Feed pressure directly influences partial pressure in the absorber, while the make-up water flow rate controls the amine concentration and the absorption capacity accordingly. By addressing these parameters within the 2X2 MMPC framework, the authors observed a 32.62% reduction in integral square error (ISE) for feed pressure control (PIC-1101) and a 72.67% reduction for make-up water flow rate control (FIC-1102) during set-point tracking, along with 52.54% (PIC-1101) and 57.41% (FIC-1102) enhancement in disturbance rejection, compared to conventional PI tuning.
Mohajeri et al. built an adaptive control approach based on the feedback and feedforward model predictive control (MPC) to optimize the energy consumption in the AGRU’s stripper [43]. The findings revealed S composition at the bottom of the stripper with a scaled gain value of 2.8892, resulting in a greater impact on the energy loss if S was uncontrolled. The S composition was optimized using tray one’s temperature as an operational equivalent by maintaining tray one’s temperature at its optimal set point (52 °C), resulting in a 17% energy savings (135 MW to 112 MW). Paul et al. demonstrated that the accurate approximation of the solvent cooler outlet temperature and stripper pressure is crucial because miscalculation under combined inlet disturbance ( and S, and pressure) can cause efficiency losses with an integral absolute error (IAE) of 1.69 kmol /mwH [44]. The study optimized these parameters using a GA-based Dynamic Measurement Sensor and Network Design (DMNSD) algorithm by selecting temperature sensors at trays 8 and 12 of the absorbers and pressure sensors at key flash vessels, resulting in IAE reduction to ≤0.98 kmol /mwH. Kumar et al. [45] carried out an advanced process control (APC) strategy based on the multivariable model predictive model to operate amine units and correlated utilities toward energy optimal operation by incorporating fuel and steam costs in the controller’s objective function. The study identified the lean amine-to-feed gas ratio as a key parameter because it directly impacts removal efficiency. By controlling this lean amine-to-feed gas, the result indicates a 0.75% reduction in reboiler duty.
Overall, these studies demonstrate that traditional PI controllers can be redirected to advanced model-based strategies. However, these methods require more complex modeling, highlighting an apparent compromise between operational efficiency and implementation complexity.
2.2.3. System Integration
System integration within the realm of AGRU embodies a strategic methodology aimed at enhancing the process of eliminating acid gases, such as and S, from natural gas streams. The optimization of this process is of paramount importance for improving the efficiency and efficacy of gas purification, guaranteeing that natural gas adheres to quality standards and minimizing operational performance. The summary of AGRU system integration studies is presented Table 4.
The integration of membrane-based and liquid-solvent-based systems provides a holistic approach to acid gas capture, leveraging the respective strengths of these technologies to enhance overall performance. For instance, membrane permeation systems exhibit adaptability to varying acid gas inlet concentrations without necessitating additional equipment, thereby ensuring the efficient maintenance of gas specifications across varying concentrations [46].
This adaptability proves crucial for managing the dynamic gas compositions encountered in practical operational settings. Furthermore, the utilization of aqueous amine solutions, such as DEA, MEA, and MDEA, has demonstrated effectiveness in acid gas removal. These solutions can be fine-tuned through adjustments in amine concentrations and operational parameters, including temperature and circulation rates, to optimize the absorption of and S [47,48]. The selection of amine type and its concentration directly influences the efficiency of the acid gas removal process, with each amine variant offering distinct advantages in terms of removal capacity and energy consumption [49]. Berchiche et al. [50] integrated the AGRU system with the organic rankine cycle (ORC), which affects the energy consumption. Lian et al. [51] coupled the recovery of cold energy with the low temperature absorption, which reduces energy consumption and operating cost. Pal et al. [52] combined the freezing based acid gas removal process with the cold section of the liquefied natural gas (LNG plant). This integration reduces energy consumption and increases production.
To sum up, the integration of systems and the optimization of processes in AGRU applications entail the meticulous selection and fusion of technologies, operational tweaks, and the utilization of efficient solvents. These approaches collectively serve to improve the elimination of acid gases, ensuring the production of high-quality natural gas while streamlining operational efficiency and cutting down costs.
Table 3.
Summary of AGRU process control studies.
Table 3.
Summary of AGRU process control studies.
| Control Strategy/Unit | Controlled Variable (s) | Setpoint | Solvent | Target Properties (Sweet Gas) | Performance Metric | Reference |
|---|---|---|---|---|---|---|
| PI vs MMPC (feed pressure & makeup water loops) | Feed pressure Makeup water | psig USGPM | a-MDEA | < 2 mol % S < 4 ppm | Feed: ISE_SP 20.713.95 ISE_dist 453215 Water: ISE_SP 3.070.84 ISE_dist 166.8 | [42] |
| Feedforward MPC | S content Tray 1 temp | 52 °C | 45 wt % MDEA | < 1 mol % S < 4 ppm | Under % feed-flow: deviation mol % Temp deviation °C 0.5 h to recover | [43] |
| DMSND + PI network on 10 CVs | Loaded solvent T recovery P Stripper P Top T Semi-lean/lean cooler T Tray Water % at stripper HP/MP flash P | 65 °C 120 psi 90 psi 150 °C 50/45 °C 135 °C 2 wt % 300/100 psig | Selexol | < 2 mol % S < 4 ppm | IAE = 0.98 kmol /MWh (P) 25 % lower vs. SSND Recovers in 3 h vs. 4.5 h | [44] |
| APC on Amine Unit (multivariable) | Lean-amine/feed-gas ratio Lean-amine/feed T Overhead T Reflux ratio Inferred S loading Regenerator P Bottom temp Pressure minimization | < 2 mol % & S < 4 ppm Avoid condensation/flooding Prevent amine degradation | Aqueous amine blends (e.g., MDEA/MEA) | < 2 mol % S < 4 ppm | Aggregate APC (all units) saved ∼2000 × BTU/yr Lean-amine variability ↓ 50 % vs. DCS | [45] |
Table 4.
Summary of AGRU System Integration Studies.
Table 4.
Summary of AGRU System Integration Studies.
| Integration Type | Solvent | Target Properties (Sweet Gas) | Results | Reference |
|---|---|---|---|---|
| Direct Heat Integration (DHI) and Organic Rankine Cycle (ORC) Integration | MDEA, DEA | - | Significantly saves energy and generates electricity in natural gas processing | [50] |
| Novel Low Temperature Absorption Coupled with Cold Energy Recovery | MDEA (6.65%), H2O (93.25%) | - | New low-temperature absorption process with modified heat pump distillation, reducing energy consumption and operating costs | [51] |
| Integration of Novel Freezing-Based Acid Gas Removal Process with Cold Section | - | H2S (≤5 ppm), CO2 (9 ppm mmol) | Reduces energy requirements by 16.6% and increases production, leading to a 17.98% decrease in specific energy consumption | [52] |
2.3. Equipment Design Optimization
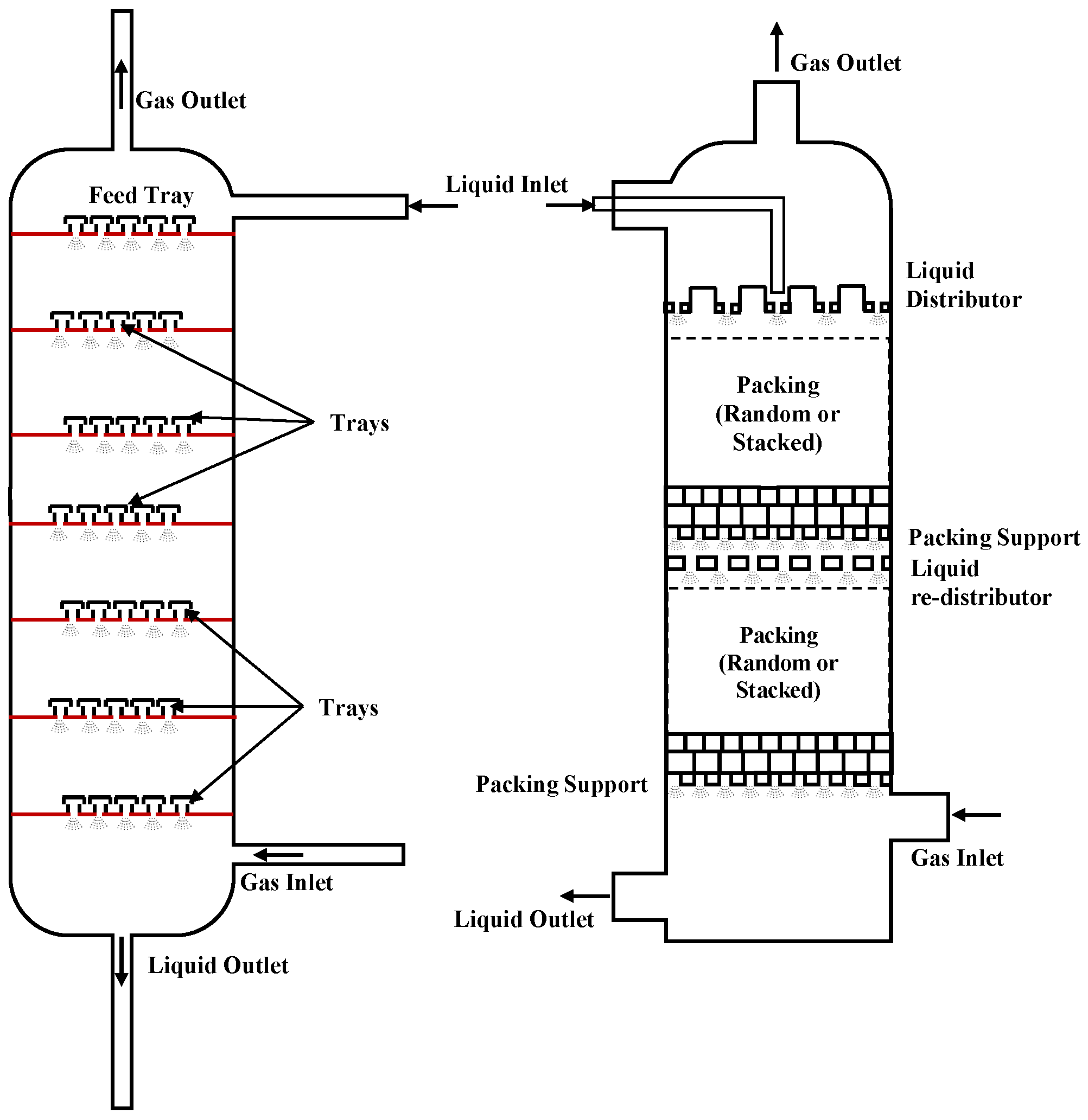
Absorption-based AGRUs consist of several major types of equipment such as absorber, stripper, pumps, flash tanks, heat exchanger, condenser, reclaimer (only for reactive amines such as MEA), surge tank, and cooler. The absorber and stripper are the critical components of the AGRU [53]. In general, the absorber and stripper are classified as packed and tray towers [54]. Figure 7 illustrates the cross-section of a typical tray and packed tower.
Figure 7.
Cross-section of typical trays (left) and packed (right) tower.
Pilling et al. explained in their article that conventional countercurrent trays, which are usually used in AGRU, consist of a plate with a feed region for liquid inlet [55]. The purpose of the plate or decks is to create a contact area between gas and liquid. Rising vapor from the bottom side of the tower and liquid flowing from the top compete for the passageway through holes in the tray deck. Although tray tower offers gradual vapor–liquid contact, the packed column affords continuous contact of the gas and liquid. Due to its large contact area, packed towers can operate with lower pressure drops compared to the tray tower. Furthermore, packed towers generally have a shorter height and simpler mechanics, are easier to install, and are cheap to manufacture, particularly with anti-corrosion material.
Packed towers have two types, which are random and structured packing. Random packing consists of extensive small parts with sizes from 15 to 100 mm, which are loaded randomly into the tower by emptying the tower box first. Structured packings contain structured blocks of varied layers of thin ridged sheet, mesh, or gauze made from metal alloys or non-metal material. This structure spreads gas and liquids evenly across the tower [55]. Therefore, the equipment design optimization techniques are classified as an absorber design and a stripper design. Table 5 provides a summary of the equipment design research over the year.
2.3.1. Absorber Design
The absorber acts as a vessel in the sour gas absorption process by the solvent. The core function absorber is to absorb S and from sour gas by making a contact between the lean solvent and the sour gas. The enhancement of the absorber design in AGRU units is essential for improving efficiency and decreasing operational costs. Kasiri et al. present a rate-based model for a sieve-tray-type column [56]. A linear equation and matrix solution were used to determine the mathematical solution of and S in the liquid film. The Aspen Plus was utilized and resulted in the good agreement between simulation results and the plant’s data. Moioli et al. proposed eddy diffusity theory over liquid film theory to model the AGRU system with MDEA [57] and PZ [58] with a tray-type absorber. The result shows that the model improve absorption phenomenon.
Fu et al. used randomly packed with Dixon rings absorption column to evaluate the mass-transfer performance of absorption with diethylenetriamine (DETA) solutions [59]. DETA solution was compared with MEA as a benchmark solvent. The result showed a DETA mass-transfer coefficient higher than MEA. Another study by Fu et al. experimentally study the mass transfer coefficient in an absorption column packed with Sulzer DX-type structured packing utilizing an artificial neural network (ANN) [60]. Furthermore, aminomethyl propanol (AMP) and DETA were applied as a solvent. It was found that the ANN models have a good agreement to predict the mass transfer coefficient with the average absolute deviation (AAD) of 8.1% and 7.6% for AMP and DETA, respectively. Gao et al. compared the performance of absorption using DETA and MEA solvents with the BX500 packed column absorber [61]. DETA showed a better performance than MEA, considering its faster absorption rate and the lower energy required to regenerate.
Rahimpour et al. compared a structured and a random packed absorption column using computer fluid dynamics (CFD) software [62]. The results shows that the structured packed column has a better performance at the end of the column compared to the random packed column. Sheng et al. compared the mass transfer coefficient between a rotating packed bed (RPB) and an ordinary packed column absorber [63]. RPB shows great advantage in processing larger gas treatment with similar size as packed column. Mahdipoor et al. [64] found out that reducing the packing height of the absorber led to the increment of the S enrichment ratio from 1.9 to 2.5. Recent research by Bustamante et al. studied modeling error compensation (MEC) and the nonlinear MPC model of a packed bed absorption column [65]. The MEC model showed better performance and robustness compared to NMPC.
2.3.2. Stripper Design
A stripper is another critical component of an AGRU system. Basically, a stripper or regenerator transforms a rich solvent into a lean solvent by stripping sour gases such as S and by making a countercurrent contact with vapor from the reboiler. Figure 8 displays the flow diagram of the stripper. To enhance efficiency, reduce energy consumption, and minimize the environmental impact, the optimization of stripper design is crucial. Recent research focused on aspects of this optimization, including simulation models, novel designs, and the integration of advanced technologies. Zahid et al. proposed a novel design for the sour water stripping unit, which can reduce energy requirements by 53%, showcasing the potential for significant energy savings with optimized equipment design [66]. Thiele et al. used a packed stripper with a SULZER Mellapak 350.Y type to develop a rate-based model for the AGRU [67]. The result shows that the model was sucessfully devalidated using industrial data. Moioli et al. developed another rate-base model using packing Flexipac 1 Y stripper [68]. Another approach came from Oyenekan et al., who used a stripper configuration in order to reduce energy requirements [69]. Salooki et al. used an ANN to predict regenerator column output to show the capability of the machine learning algorithm in the application of AGRU optimization [70].
Figure 8.
Stripper flow diagram.
In summary, optimizing stripper design in AGRU involves a multifaceted approach that includes simulation and modeling, innovative design proposals, energy reuse strategies, and the integration of new technologies. These optimizations can lead to significant improvements in efficiency, energy savings, and environmental performance.
Table 5.
Summary of AGRU equipment design optimization studies.
Table 5.
Summary of AGRU equipment design optimization studies.
| Equipment | Structure | Packing/Tray Type | Solvent | Software | Reference |
|---|---|---|---|---|---|
| Absorber | Tray | Sieve, Ballast | MEA 30 wt% | ASPEN Plus | [53,56] |
| Structured Packing | - | Piperazine (PZ) | ASPEN Plus | [58] | |
| Packed | Dixon ring, Sulzer DX, BX 500 | DETA, MEA, AMP | (Experiment) | [59,60,61] | |
| Structured and Random Packed Column | Pall Rings | MDEA: 15% MEA: 6% DEA: 6% | CFD | [62] | |
| Rotating Packed Bed | Stainless steel wire mesh | DETA: 10 wt%, 20 wt%, 25 wt%, 30 wt%, 40 wt% PZ, MDEA, AMP | (Experiment) | [63] | |
| Random Packing | IMTP #50 | MDEA 30 wt% | ProMax | [64] | |
| Packed | - | MDEA | Matlab | [65] | |
| Tray | - | Water | ASPEN Hysys v8.8 | [66] | |
| Packing | - | MEA, MDEA, PZ | ASPEN Plus | [69] | |
| Stripper | - | - | MDEA | - | [70] |
| Packed | SULZER Mellapak 350.Y | KOH, | CHEMCAD | [67] | |
| Packing | IMTP #40 (absorber) Flexipac 1Y (stripper) | MEA | Aspen Plus | [68] |
3. Data-Driven Application on an AGRU
Data-driven approaches, which have been utilized to optimize AGRU in natural gas processing, exhibit a significant development of parameter prediction and fault detection. Machine learning (ML) algorithms are able to interpret extensive loads of data and derive patterns that may not be noticeable to humans [67]. Furthermore, the application of ML can lead to the reduced time and cost of experimental and computational studies [68].
Basically, ML can be divided into four learning type: supervised learning, unsupervised learning, semi-supervised learning, and reinforcement learning [71]. Supervised learning is the most utilized type of ML algorithm, and it has the goal of learning a relationship between input and output data to predict output labels for unknown test data [72]. Furthermore, Table 6 also displays that most research uses supervised learning.
In term of its applications, ML algorithms have been divided into six types: classification analysis, regression analysis, data clustering, association rule learning, feature engineering, and deep learning [73]. Table 6 and Table 7 display that recent research mostly applied regression analysis, with the main task being to predict various parameters. Other than parameter predictions, recent research has also shown the application of ML algorithms in fault detection.
3.1. Parameter Prediction
Data driven methods have proven to have significant capability in predicting various types of variables, showcasing their versatility and effectiveness. In AGRU applications, data-driven algorithms have been extensively used to predict S and/or concentration, operational parameters, and material discovery.
3.1.1. S and Parameters
Predicting S and levels is critical considering its data collection is time-consuming and expensive [74]. Adegunju investigated the increment of content in the gas feed of a large Middle Eastern amine-based sweetening unit, finding that 65 wt% of DGA is the best solution for high content feeds compared to DEA and DEPG [29]. Patil et al. developed an XGBoost regression model and linear regression to predict and S capacities in the AGRU system [71]. The result shows that the XGBoost regression model was compatible with the MDEA and DEA solvents, with an of 0.98 and 0.99, respectively, while MDEA + PZ was matched with the linear regression method with an of 0.99. Adib et al. applied a support vector machine to predict the rich amine loading and S concentration from the absorption column [75] and S and Reid vapor pressure from stabilizer column [76]. Azizkhani et al. developed the ensemble neural network (ENN) by merging negative correlation learning (NCL) and GA in order to predict the S content of lean amine outlet from the regeneration tower [77]. In this research, the GA Levenberg–Marquadt (LM) algorithm, and the GA-LM hybrid algorithm were compared, and the GA-LMA hybrid outperformed another method. Tikadar et al. carried out research using a decision tree algorithm to predict S and removal efficiency in different conditions [78]. This approach improved the understanding of the adjustment of the AGRU process in order to make it more efficient and enviromentally friendly.
Mousavi et al. also used a decision tree algorithm with the combination of deep learning, resulting in a deep jointly informed neural network (DJINN), convolutional neural networks (CNN), recurrent neural networks (RNNs), and deep belief networks (DBNs) to predict S solubility in IL solvents [79]. Among the models utilized, the CNN model stood out the most, providing the most accurate prediction with an average absolute percent relative error (AAPRE) of 2.92% and determination coefficient () of 0.99.
Rahaei et al. used different algorithms, namely random forest and support vector machine (SVM) as the comparison, to predict rich amine loading [80]. The random forest model with the particle swarm optimization (PSO) model was the best method in this research, with a high accuracy of 0.97. Nimmanterdwong et al. developed three different neural network algorithms, namely LM, Bayesian regularization (BR), and scaled conjugate gradient (SCG), based on the S solubility values of 46 single and blended physical solvent, amines, ionic liquids, and hybrid solvents of amines + ionic liquids and amines + physical solvents [81]. The proposed model demonstrated good agreement with the corresponding literature values at various solvent concentrations, operating temperatures, and operating pressures. The LM-ANN model with 17 neurons exhibited excellent prediction performance with a mean square error (MSE) of 0.0014 and of 0.9817.
Nejad et al. [82] developed a hybrid deterministic tool to accurately predict the concentration of S and in the outlet of the absorber tower. An artificial neural network (ANN) combine with an imperialist competitive algorithm (ICA) was applied to optimize the weight biases, and neurons of the ANN model. The ANN–ICA model was compared with the ANN– backpropagation (BP) model, with the result that ANN–ICA was more capable of forecasting the S and output concentration. Hakimi et al. adopted two BPNNs with various transfer functions and neurons, with multiple linear regression (MLR) to predict the S in the sweet gas using different solvent composition, MDEA+PZ. The result showed that ANN trained by the LM technique, the sigmoid (logsig) transfer function, and three neurons achieved the highest accuracy in predicting the concentration of S in the sweet gas [73]. Among the algorithms used in this application, ANN is the most used algorithm and has the most flexibility and variation. However, ANN has drawbacks, such as having a slow computational time and requiring more hyperparameter tuning [83]. Thus, the XGBoost method, which has a faster computational time and less hyperparameter tuning, could be used in future research for S and prediction [84].
Table 6.
Summary of parameter prediction Studies.
Table 6.
Summary of parameter prediction Studies.
| S and Parameters | ||||||||
|---|---|---|---|---|---|---|---|---|
| Target Properties | Algorithm | Learning Type | Data Source | Data Set | MAE | RMSE | R² | Reference |
| and S removal efficiency | DT | Supervised | Simulation | - | 0.02 | - | - | [78] |
| S concentration in sweet gas | ANN, MLR | Supervised | Literature and simulation | 3015 | 0.066 | 0.122 | 0.966 | [73] |
| Rich amine loading and S concentration | SVM | Supervised | Industry | 145 | 0.034 | 0.262 | 0.99 | [75] |
| S concentration and reid vapor pressure | SVM | Supervised | Industry | 660 | 0.229 | 0.479 | 0.97 | [76] |
| S content | ENN | Supervised | Industry | 1600 | 5.3963 × | 3.872 × | - | [77] |
| Solubility of S | CNN, DBN, RNN, DJINN | Supervised | Experiment | 1516 | - | 0.0052 | 0.99 | [79] |
| S and concentration in rich amine | RF, SVM | Supervised | Industry | 550 | 0.003 | 0.004 | 0.992 | [80] |
| S Solubility | LM-ANN, BR-ANN, SCG-ANN | Supervised | Literature | 2526 | - | 0.0374 | 0.9817 | [81] |
| S and output concentration | BP-ANN, ICA-ANN | Supervised | Industry | 368 | 0.3706 × | 0.007 | 0.9307 | [82] |
| Operational Parameters | ||||||||
| Target Properties | Algorithm | Learning Type | Data Source | Data Set | MAE | RMSE | R² | Reference |
| Steam consumption | Density-Based Spatial Clustering, GB | Supervised | Industry | 4.8 × | 0.0014 | - | 0.98 | [85] |
| flow rate, emissions, and steam flow rate | RF, SVM, ANN | Supervised | Industry | 236,737 | 0.06 | 0.00206 | 0.98 | [86] |
| Power and water consumption | RBF-NN | Supervised | Experiment | - | - | 3.8 × | 0.99 | [87] |
| Mass transfer coefficient of absorption | BPNN | Supervised | Literature | 3935 | - | 0.0763 | 0.9905 | [88] |
| Mass transfer coefficient of absorption | RBFNN, RF | Supervised | Literature | 3935 | - | 0.1134 | 0.98106 | [89] |
| Vapor-liquid equilibrium ratio (KLV) | ANN | Supervised | Literature | - | - | - | 0.98 | [90] |
| Gas dew point temperature | PSO-ANN, ICA-ANN | Supervised | Industry | 1000 | - | 0.0721 | 0.9937 | [91] |
| Material Discovery | ||||||||
| Metal organic material | RF | Supervised | Experiment | 1600 | - | 0.3821 to 0.3206 | - | [92] |
| Metal organic frameworks | MLT, GBRT, XGBoost, SHAP | Supervised | Literature and simulation | 998 | 1.678 | 2.771 | 0.9 | [93] |
3.1.2. Operational Parameters
The operational parameters of AGRUs, which are the flow rate, the power consumption, the mass transfer coefficient, the vapor–liquid equilibrium ratio, and the gas dew point temperature, can also be determined using ML. Moghadasi et al. developed a gradient boosting machine (GBM) model to predict the steam consumption in AGRU, using 4.8 million data points recorded every 30 min over 3 years and MDEA as the solvent [85]. Due to the extensive amount of data, the density-based spatial clustering of applications with noise (DBSCAN) model was applied ti eliminate outliers and out-of range values from the dataset, which improved the accuracy of data modeling. The GBM model was compared with SVM, AdaBoost, decision trees, extra trees, and random forest, with the GBM showing the highest accuracy for steam consumption prediction with an and could potentially reduce the steam consumption by 2% or 24,000 metric tons per year. Grimaccia et al. used ANN to forecast three key aspects: flow rate, emissions, and the flow rate of steam flowing to the regenerator boiler by training the model with the data from the ENI SpA plant [86]. Three ANN algorithms are Levenberg–Marquardt, Broyden–Fletcher–Goldfarb–Shanno (BFGS) quasi-Newton, and Adam optimization, and LM optimization appears as the most accurate model with an accuracy score of 0.98.
Khoshnevisan et al. predicted energy and water content in output gas after cleaning at a gas processing plant using a radial basis function neural network (RBF-NN) combined with principal component analysis (PCA) to reduce the dimensions of the dataset [87]. This study simulated 170 different conditions using ProMax 3.2 software with 40 wt% of MDEA as a solvent. The results showed that RBF-NN accurately predicted the energy and water consumption of the plant with a 98.6% confidence level. Dong et al. and Quan et al. used a back-propagation neural network (BPNN), an RBFNN, and a random forest (RF) to predict the mass transfer coefficient in amine-based absorbers in order to improve the efficiency of carbon capture [88,89]. This research used data from 23 different amine-based solvents including 10 single amines and 13 amine blends, covering all primary, secondary, and tertiary amines.
The BPNN model exhibited excellent prediction performance compared to other models with average absolute relative errors (AAREs) below 1%. Shams et al. developed the ANN model to predict the vapor-liquid equilibrium ratio (KLV) for S binary and ternary systems [90]. The results showed that the model was capable of accurately estimating KLV, with an accuracy value of 93–98%. Rohani et al. estimated the gas dew point temperature in AGRU in order to prevent foaming, which can deplete the efficiency of the process [91]. The ANN model was enhanced with two optimization algorithms, ICA and particle swarm optimization (PSO), with the result of PSO-ANN outperforming ICA-ANN. In summary, this section mainly utilized ANN and its variation to predict operational parameters on AGRU. As in the case of the S and prediction, the usage of faster algorithms such as XGBoost can be utilized in future research.
3.1.3. Material Discovery
Data-driven methods have also been applied into material discovery for AGRUs. Cho et al. used a random forest regressor to predict the performance of metal organic frameworks (MOFs) [92]. Standard and newly designed features show the improvement of the root mean square error (RMSE) from 0.3821 to 0.3206.
Gao et al. developed extreme gradient boosting (XGBoost), multi layer perceptron (MLP), and gradient-boosted regression trees (GBRTs) model for predicting the performance of MOFs [93]. The model was tested on 1000 different MOFs, and 463 new MOFs were discovered, with five materials that have a better performance than the current best materials by 5–9. The XGBoost model was selected as the finalized model due to its high performance. From this application, it can be concluded that XGBoost can be used for parameter prediction due to its speed and high accuracy.
3.2. Fault Detection
Process observation and the control of AGRU systems have a critical role in operational safety and efficiency [94]. Nonlinearity, high data dimensions in real industrial data, and multimodal behavior are the main challenges when monitoring chemical process plants, including AGRUs [95]. Different models have been proposed to tackle this problem, such as machine learning algorithms. Fault detection was recognized as a classification task in the machine learning algorithm. Classification was recognized as a supervised learning method in ML, implying the problem of predictive modeling [96].
Cadei et al. employed three different algorithms, deep learning, random forest, and gradient boosting tree, to predict when the natural gas purification process might fail [97]. Data were collected from near-real-time sensor reports, maintenance reports, and chemical analyses. They discovered that the Gradient Boosting Classifier is the best algorithm to predict process upsets and hazard events in order to prevent a high concentration of S in the processed gas.
Kathlyn et al. also carried out a fault detection AGRU using deep learning, specifically a deep autoencoder with a SoftMax output layer, that differentiates normal operation and three types of faults: foaming, damaged trays, and fouling [40]. Furthermore, they used a unsupervised learning for feature extraction using an autoencoder algorithm that is used to automatically learn features from operational variables without directly concluding what the correct output should be for each input. Pradittiamphon et al. carried out the fault detection using partial least squares (PLS) to recognize the variations in natural gas composition and contaminants in amine-based solvents, which could result in early detection before leading to process upsets or shutdowns [98].
Askarian et al. developed a data-driven fault detection system using Gaussian naïve Bayes (GNB) [99] and a PCA–Bayesian network (BN) algorithm [100] for foaming detection in the gas-sweetening process. The GNB algorithm was trained using data from 26 in situ pressure, level, flow, and temperature sensors from a significant part in the AGRU plant. The GNB algorithm was evaluated using three-fold cross-validation, and the results showed the stability of the algorithm since the standard deviation values were low (0.0031).
A PCA-BN algorithm based on micro–macro data was developed as the fault detection (FD) framework. It was established that PCA-BN shows 21% improvement in terms of accuracy compared to the conventional FD approach. Mohammadi et al. [101] also used the PCA and BN algorithm in order to prevent the excessive concentration of S in sweet gas. First, a soft sensor was designed to predict missing data of the S concentration in the sweet gas. Then, fault detection was carried out using a BN algorithm based on data from online sensors and the predicted data from the soft sensor. The result displayed that the BN algorithm performed better than PCA, with the BN showing a prominent accuracy at 96.1%. Rashidi et al. [102] developed the BP-ANN model to detect fault in the AGRU such as foaming, damaged tray, and fouling. Based on the Aspen HYSYS simulation data, the model classification accuracy reached 99.9% as a result. The almost perfect number of the accuracy is the result of the simulation data source that runs in the ideal condition. However, industrial data tend to have an unknown operating factor, making it harder to reach higher accuracy [103]. In conclusion, in the fault detection application, deep learning is the best-performing algorithm due to its complex architecture and its ability to handle non-linearity and high data dimensions of AGRU in the real plant.
Table 7.
Summary of fault detection studies.
Table 7.
Summary of fault detection studies.
| Fault | Algorithm | Learning Type | Data Source | Data Set | Accuracy | Reference |
|---|---|---|---|---|---|---|
| Foaming, damaged trays, fouling | Shallow and Deep Sparse Autoencoders | Semi-Supervised | Simulation | - | 0.99 | [40] |
| Predicted process upsets and hazard events | DL, RF, GB | Supervised | Experiment | - | 0.78 | [97] |
| Natural gas composition, solvent contaminant | PLS | Supervised | Industry | 8580 | - | [98] |
| Absorber pressure drop fluctuation, Flash gas increment, Carryover amine from absorber or flash tank, Swinging liquid levels in any reservoir, increment with S decrease, Off-specification sweet gas | Gaussian Naïve Bayes | Supervised | Industry | - | 0.6291 | [99] |
| Hydrocarbon accumulation, Solid particles in amine, Contaminated amine | PCA-BN | Supervised | Industry | - | 0.94 | [100] |
| Liquid hydrocarbon in the lower part of absorber, Amine input valve failure, Temperature sensor failure | BN | Supervised | Industry | - | 0.961 | [101] |
| Foaming, damaged trays, fouling | ANN | Supervised | Simulation | - | 0.99 | [102] |
4. Future Scope and Conclusions
4.1. Future Scope
This work has helped to widen a new scope in the optimization of AGRUs as follows:
- The problem of high S selectivity in the MDEA as the most utilized solvent can be solved by mixing the amine solvent with the physical solvent, resulting in a hybrid amine. Furthermore, the research about hybrid amine needs to be explored.
- It is still challenging to determine the optimal solvent mix of certain AGRU systems with its operational parameters. Simulation and/or experiments are needed to find the optimized solvent with the input of certain solvent mix. There is an extensive amount of data that can be applied to develop a certain model to determine the optimum AGRU solvent.
- Currently, the optimization solvent composition mostly utilized trial and error by arbitrarily defining the concentration of solvent. However, it can be improved by applying the data-driven method.
- The utilization of packed column tower shows great performance in the absorber and stripper design in contrast with the tray column. For this reason, the packed column is recommended to be utilized in further research.
- Absorber and stripper design until now mostly still uses software simulation, and there is lack of experimentation since it is expensive. In order to reduce the cost, ANN has been utilized in this optimization technique; however, another technique could be applied in the equipment design optimization.
- Data collection in data-driven model development is essential. Current research collects data from simulation, but the variance of data will influence the model capability. Therefore, industrial data is needed to build a robust and reliable data-driven model.
- ANN is still the most utilized technique in the data-driven approach. However, since ANNs have a different layer of nodes, the training process will be time-consuming. Thus, the utilization ofa faster algorithm such as XG-Boost can be extensively applied.
- The semi-supervised learning technique still is not utilized extensively in AGRU optimization. Hence, the model development of the semi-supervised technique needs to be applied considering its high accuracy.
- Deep learning shows a great capability in the parameter prediction and fault detection task. Considering its performance, deep learning can be utilized in another task such as solvent or equipment design.
- Since the main purpose of AGRUs is to reduce the environmental impact with the removal of harmful sour gas, the optimization of AGRU with the consideration of its environmental impact is necessary.
4.2. Conclusions
Absorption-based AGRUs must operate efficiently considering their high energy consumption and pivotal role to prevent environmental impacts since its main purpose is to remove toxic gas such as S and from the natural gas. Hence, the removal of S and must fulfill the regulation of emitting less than 3% and S at 150 ppm while keeping the energy consumption from the regeneration of the solvent minimal. The optimization of AGRU has been practiced in three different approaches: solvent optimization, process optimization, and equipment design optimization. The solvent optimization technique has become the major optimization technique compared to the other techniques.
Solvents have become the most important component in the absorption-based AGRU, and the manipulation of the solvent can significantly affect the performance of the system. In addition, the solvent is the easiest component to manipulate because it can be applied in any absorption-based AGRU overlooking the system design. The amine–physical solvent blend has become interesting considering it can significantly reduce energy consumption in the AGRU system. The process optimization has more broad focus in order to optimize the process. It is often complex and requires the careful analysis of several parameters. Furthermore, it needs many parameters to be tuned in order to improve the performance of the AGRU system. The Taguchi method stands out as the advanced optimization methodology that can extensively reduce the exergy destruction cost and steam consumption. Lastly, equipment design optimization’s main advantage is that it can make a huge difference to the system. However, its challenge comes in real-world applications due to manufacturing and realization costs. Hence, most studies utilized simulation software such as Aspen Plus 12.1, ProMax and CFD. Furthermore, the packed column tower is still prominent because it can provide continuous vapor liquid contact and operate with lower pressure drop and is relatively easy to manufacture.
In recent years, data-driven approaches have been extensively applied to several AGRU optimization problems. The main purpose of the research is to predict the S and output without using the intricate mathematical or computer simulations. In addition, fault detection also can be solved using the ML algorithm. Research on the latter mostly applied ANNs with different types of algorithm in order to predict AGRU parameters. Moreover, fault detection used different approaches to detect common faults in the AGRU such as foaming, fouling, and off-specification parameters. Deep learning with the semi-supervised learning method showed nearly perfect accuracy at 99% to detect AGRU faults. In order to optimize AGRU systems, the application of ML algorithms as one of the data-driven approaches can be carried out, considering that ML can save experimental costs, although it needs a wide range of data to be trained. Semi-supervised learning can be performed, regarding its capability to train both labeled and unlabeled data in the AGRU. Other than that, alternative methods that provide faster and more accurate capability than ANN can be applied. Recalling that ANNs have different layers and nodes, they need extensive training time and testing. This trend toward advanced optimization techniques highlights the ongoing efforts to enhance the efficiency and effectiveness of AGRU systems.
Author Contributions
Conceptualization, R.J.W., M.F. and M.B.O.; methodology, R.J.W.; validation, R.J.W. investigation, R.J.W. and M.F.; resources, R.J.W. and M.B.O.; writing—original draft preparation, R.J.W. and M.F.; writing—review and editing, R.J.W., K.B. and M.B.O.; visualization, R.J.W.; supervision, M.B.O., H.B.Z., K.B. and R.I.; project administration, M.B.O.; funding acquisition, M.B.O. All authors have read and agreed to the published version of the manuscript.
Funding
This research was funded by Yayasan UTP with project number of YUTP-FRG 015LCO-362 and YUTP-PRG 15PBC-037.
Data Availability Statement
Data is contained within the article.
Acknowledgments
The authors are thankful to Universiti Teknologi Petronas for the support in carrying this research through grant Yayasan Universiti Teknologi PETRONAS, grant number YUTP-FRG 015LCO-362 and YUTP-PRG 15PBC-037.
Conflicts of Interest
The authors declare no conflicts of interest.
Abbreviations
The following abbreviations are used in this manuscript:
| AARE | Average Absolute Relative Error | GNB | Gaussian Naïve Bayes |
| AAPRE | Average Absolute Percent Relative Error | S | Hydrogen Sulfide |
| AEEA | Aminoethylethanolamine | IAE | Integral Absolute Error |
| AGRU | Acid Gas Removal Unit | ICA | Imperialist Competitive Algorithm |
| AMP | Aminomethyl Propanol | IL | Ionic Liquid |
| ANN | Artificial Neural Network | Potassium Carbonate | |
| APC | Advanced Process Control | KLV | Vapor–Liquid Equilibrium Ratio |
| BFGS | Broyden–Fletcher–Goldfarb–Shanno | LMA | Levenberg-Marquadt Algorithm |
| BN | Bayesian Network | LNG | Liquefied Natural Gas |
| BP | Backpropagation | MEA | Monoethanolamine |
| BPNN | Back-Propagation Neural Network | MDEA | Methyldiethanolamine |
| BR | Bayesian Regularization | MEC | Modeling Error Compensation |
| Ca(OH)2 | Calcium Hydroxide | ML | Machine Learning |
| Ca()2 | Calcium Bicarbonate | MLP | Multi Layer Perceptron |
| Calcium Carbonate | MLR | Multiple Linear Regression | |
| CFD | Computer Fluid Dynamics | MPC | Model Predictive Control |
| CNN | Convolutional Neural Networks | MSE | Mean Square Error |
| Carbon Dioxide | NCL | Negative Correlation Learning | |
| DBN | Deep Belief Networks | NMP | N-Methylpyrrolidone |
| DBSCAN | Density-Based Spatial Clustering of Applications with Noise | NaOH | Sodium Hydroxide |
| DEA | Diethanolamine | PCA | Principal Component Analysis |
| DEPG | Dimethyl Ether of Polyethylene Glycol | PZ | Piperazine |
| DETA | Diethylenetriamine | PLS | Partial Least Squares |
| DGA | Diglycolamine | PSO | Particle Swarm Optimization |
| DIPA | Diisopropanolamine | RBF-NN | Radial Basis Function Neural Network |
| DJINN | Deep Jointly Informed Neural Network | RMSE | Root Mean Square Error |
| DMNSD | Dynamic Measurement Sensor and Network Design | RNN | Recurrent Neural Networks |
| ENN | Ensemble Neural Network | RPB | Rotating Packed Bed |
| FD | Fault Detection | SCG | Scaled Conjugate Gradient |
| GA | Genetic Algorithm | SFL | Sulfolane |
| GBM | Gradient Boosting Machine | SVM | Support Vector Machine |
| GBRT | Gradient Boosted Regression Trees | TEA | Triethanolamine |
| [OH]PyTFA | 1-methyl pyridinium trifluoroacetate |
References
- International Energy Agency. Growth in Global Energy Demand Surged in 2024 to Almost Twice Its Recent Average. 2025. Available online: https://www.iea.org/news/growth-in-global-energy-demand-surged-in-2024-to-almost-twice-its-recent-average (accessed on 3 June 2025).
- Holechek, J.L.; Geli, H.M.; Sawalhah, M.N.; Valdez, R. A global assessment: Can renewable energy replace fossil fuels by 2050? Sustainability 2022, 14, 4792. [Google Scholar] [CrossRef]
- BP. Energy Outlook—2024 Edition. 2024. Available online: https://www.bp.com/en/global/corporate/energy-economics/energy-outlook.html (accessed on 3 June 2025).
- Mohammad, N.; Mohamad Ishak, W.W.; Mustapa, S.I.; Ayodele, B.V. Natural gas as a key alternative energy source in sustainable renewable energy transition: A mini review. Front. Energy Res. 2021, 9, 625023. [Google Scholar] [CrossRef]
- Halliday, C.; Hatton, T.A. Sorbents for the Capture of CO2 and Other Acid Gases: A Review. Ind. Eng. Chem. Res. 2021, 60, 9313–9346. [Google Scholar] [CrossRef]
- Chan, Y.H.; Lock, S.S.M.; Wong, M.K.; Yiin, C.L.; Loy, A.C.M.; Cheah, K.W.; Chai, S.Y.W.; Li, C.; How, B.S.; Chin, B.L.F.; et al. A State-of-the-Art Review on Capture and Separation of Hazardous Hydrogen Sulfide (H2S): Recent Advances, Challenges and Outlook. Environ. Pollut. 2022, 314, 120219. [Google Scholar] [CrossRef]
- Li, B.H.; Zhang, N.; Smith, R. Simulation and analysis of CO2 capture process with aqueous monoethanolamine solution. Appl. Energy 2016, 161, 707–717. [Google Scholar] [CrossRef]
- Sarker, A.I.; Aroonwilas, A.; Veawab, A. Equilibrium and kinetic behaviour of CO2 adsorption onto zeolites, carbon molecular sieve and activated carbons. Energy Procedia 2017, 114, 2450–2459. [Google Scholar] [CrossRef]
- Kárászová, M.; Zach, B.; Petrusová, Z.; Červenka, V.; Bobák, M.; Šyc, M.; Izák, P. Post-combustion carbon capture by membrane separation, Review. Sep. Purif. Technol. 2020, 238, 116448. [Google Scholar] [CrossRef]
- Abuelgasim, S.; Wang, W.; Abdalazeez, A. A brief review for chemical looping combustion as a promising CO2 capture technology: Fundamentals and progress. Sci. Total Environ. 2021, 764, 142892. [Google Scholar] [CrossRef]
- Safdarnejad, S.M.; Hedengren, J.D.; Baxter, L.L. Plant-level dynamic optimization of Cryogenic Carbon Capture with conventional and renewable power sources. Appl. Energy 2015, 149, 354–366. [Google Scholar] [CrossRef]
- The Lens. The Lens—Free and Open Patent and Scholarly Search. 2025. Available online: https://www.lens.org/ (accessed on 2 June 2025).
- Zahid, U. Simulation of an Acid Gas Removal Unit Using a DGA and MDEA Blend Instead of a Single Amine. Chem. Prod. Process Model. 2020, 15, 1–17. [Google Scholar] [CrossRef]
- Kidnay, A.J.; Parrish, W.R.; McCartney, D.G. Fundamentals of Natural Gas Processing; CRC Press: Boca Raton, FL, USA, 2019. [Google Scholar]
- Haider, J.; Saeed, S.; Qyyum, M.A.; Kazmi, B.; Ahmad, R.; Muhammad, A.; Lee, M. Simultaneous Capture of Acid Gases from Natural Gas Adopting Ionic Liquids: Challenges, Recent Developments, and Prospects. Renew. Sustain. Energy Rev. 2020, 123, 109771. [Google Scholar] [CrossRef]
- Saravanan, A.; Kumar, P.S.; Vo, D.-V.N.; Jeevanantham, S.; Bhuvaneswari, V.; Narayanan, V.A.; Yaashikaa, P.R.; Swetha, S.; Reshma, B. A Comprehensive Review on Different Approaches for CO2 Utilization and Conversion Pathways. Chem. Eng. Sci. 2021, 236, 116515. [Google Scholar] [CrossRef]
- Wong, S.; Keith, D.; Wichert, E.; Gunter, B.; McCann, T. Economics of Acid Gas Reinjection: An Innovative CO2 Storage Opportunity. In Proceedings of the 6th International Conference on Greenhouse Gas Control Technologies, Kyoto, Japan, 30 September–2 October 2003; pp. 1661–1664. [Google Scholar] [CrossRef]
- Patil, Y.; Chikorde, Y.S.; Omar, M.B.; Rosli, M.H.B.; Rosdiazli, B.I. Automated Determination of Optimal Component Design for a Binary Solvent for Absorption-Based Acid Gas Removal. Mater. Res. Proc. 2023, 29, 281–288. [Google Scholar] [CrossRef]
- Farooqi, A.S.; Ramli, R.M.; Lock, S.S.M.; Hussein, N.; Wajahat, S.M. Simulation of Acid Gas Removal Unit Using DIPA+TEA Amine Solvent. IOP Conf. Ser. Mater. Sci. Eng. 2022, 1257, 012033. [Google Scholar] [CrossRef]
- Agarwal, N.; Nhien, L.C.; Lee, M. Rate-Based Modeling and Assessment of an Amine-Based Acid Gas Removal Process through a Comprehensive Solvent Selection Procedure. Energies 2022, 15, 6817. [Google Scholar] [CrossRef]
- Law, L.C.; Yusoff, N.; Syamsul, S.R. Optimization and Economic Analysis of Amine-Based Acid Gas Capture Unit Using Monoethanolamine/Methyl Diethanolamine. Clean Technol. Environ. Policy 2018, 20, 451–461. [Google Scholar] [CrossRef]
- Ulus, N.; Ali, S.A.S.; Khalifa, O.; Orhan, O.Y.; Elkamel, A. Optimization of Novel Nonaqueous Hexanol-Based Monoethanolamine/Methyl Diethanolamine Solvent for CO2 Absorption. Int. J. Energy Res. 2022, 46, 9000–9019. [Google Scholar] [CrossRef]
- Farooqi, A.S.; Ramli, R.M.; Lock, S.S.M.; Hussein, N.; Shahid, M.Z. Simulation of Natural Gas Treatment for Acid Gas Removal Using the Ternary Blend of MDEA, AEEA, and NMP. Sustainability 2022, 14, 10815. [Google Scholar] [CrossRef]
- Sanni, S.E.; Agboola, O.; Fagbiele, O.; Yusuf, E.O.; Emetere, M.E. Optimization of Natural Gas Treatment for the Removal of CO2 and H2S in a Novel Alkaline-DEA Hybrid Scrubber. Egypt. J. Pet. 2020, 29, 83–94. [Google Scholar] [CrossRef]
- Jamekhorshid, A.; Davani, Z.K.; Salehi, A.; Khosravi, A. Gas Sweetening Simulation and Its Optimization by Two Typical Amine Solutions: An Industrial Case Study in Persian Gulf Region. Nat. Gas Ind. B 2021, 8, 309–316. [Google Scholar] [CrossRef]
- Ngu, L.W.W.; How, B.S.; Mahmoud, A.; Rhamdhani, M.A.; Sunarso, J. Optimisation of K2CO3-Based Natural Gas Sweetening Process: A Hybrid Pareto and Fuzzy Optimisation Approach. J. Taiwan Inst. Chem. Eng. 2022, 132, 104128. [Google Scholar] [CrossRef]
- Esmaeili, A.; Yoon, T.; Atsbha, T.A.; Lee, C.J. Rate-Based Modeling and Energy Optimization of Acid Gas Removal from Natural Gas Stream Using Various Amine Solutions. Process Saf. Environ. Prot. 2023, 177, 643–663. [Google Scholar] [CrossRef]
- Lei, Y.; Du, L.; Liu, X.; Yu, H.; Liang, X.; Kontogeorgis, G.M.; Chen, Y. Natural Gas Sweetening Using Tailored Ionic Liquid-Methanol Mixed Solvent with Selective Removal of H2S and CO2. Chem. Eng. J. 2023, 476, 146424. [Google Scholar] [CrossRef]
- Adegunju, S.A.; Awad, M.R.; Berrouk, A.S.; Dara, S. Tackling Increased CO2 Concentration in Feeds for Existing Acid Gas Removal Units: A Simulation Study Based on a Customized CO2 Kinetics Model. Sep. Sci. Technol. 2018, 53, 2004–2015. [Google Scholar] [CrossRef]
- Shang, J.; Qiu, M.; Ji, Z. Efficiency Improvement, Consumption Reduction and Optimization of High-Sulfur Natural Gas Sweetening Units. Nat. Gas Ind. B 2019, 6, 472–480. [Google Scholar] [CrossRef]
- Darani, N.S.; Behbahani, R.M.; Shahebrahimi, Y.; Asadi, A.; Mohammadi, A.H. Simulation and Optimization of the Acid Gas Absorption Process by an Aqueous Diethanolamine Solution in a Natural Gas Sweetening Unit. ACS Omega 2021, 6, 12072–12080. [Google Scholar] [CrossRef]
- Otaraku, I.J. Simulation of Loading Capacity of MDEA and DEA for Amine-Based CO2 Removal Using HYSYS. Am. J. Chem. Eng. 2015, 3, 41. [Google Scholar] [CrossRef]
- Law, L.C.; Azudin, N.Y.; Shukor, S.R.A. Optimisation of Operational Parameter and Economic Analysis of Amine Based Acid Gas Capture Unit. Chem. Eng. Trans. 2017, 56, 73–78. [Google Scholar] [CrossRef]
- Tang, J.; Guo, Q.; Lin, R.; Zhang, C.; Li, Y.; Yu, X. Studies on Simulation and Optimization of Floating LNG Acid Gas Removal Process with Mixed Amine Solvent. In Proceedings of the 2011 International Conference on Electrical and Control Engineering (ICECE), Yichang, China, 16–18 September 2011; pp. 2573–2577. [Google Scholar] [CrossRef]
- Suebsook, J.; Eksaengsri, A.; Lertsakulsup, S.; Suwanvesh, K.; Iswigrai, J.; Sillapacharn, T. Process Optimisation in Acid Gas Removal System. In Proceedings of the International Petroleum Technology Conference (IPTC), Bangkok, Thailand, 15–17 November 2011; pp. 1–13. [Google Scholar]
- Gao, H.; Zhou, L.; Luo, X.; Liang, Z. Optimized Process Configuration for CO2 Recovery from Crude Synthesis Gas via a Rectisol Wash Process. Int. J. Greenh. Gas Control 2018, 79, 83–90. [Google Scholar] [CrossRef]
- Asani, R.R.; Mukherjee, R.; El-Halwagi, M.M. Optimal Selection of Shale Gas Processing and NGL Recovery Plant from Multiperiod Simulation. Process Integr. Optim. Sustain. 2021, 5, 123–138. [Google Scholar] [CrossRef]
- Godoy, J.L.; Gonzalez, A.H.; Ferramosca, A.; Bustos, G.; Normey-Rico, J.E. Tuning Methodology for Industrial Predictive Controllers Applied to Natural Gas Processing Unit. In Proceedings of the 2016 IEEE Conference on Control Applications (CCA), Buenos Aires, Argentina, 19–22 September 2016; pp. 1386–1391. [Google Scholar] [CrossRef]
- Jones, D.; Bhattacharyya, D.; Turton, R.; Zitney, S.E. Optimal Selection of Primary Controlled Variables for an Acid Gas Removal Unit as Part of an IGCC Plant with CO2 Capture. In Proceedings of the 2013 American Control Conference, Washington, DC, USA, 17–19 June 2013. [Google Scholar]
- Kathlyn, T.K.; Zabiri, H.; Aldrich, C.; Liu, X.; Mohd Amiruddin, A.A.A. Fault Detection and Identification in an Acid Gas Removal Unit Using Deep Autoencoders. ACS Omega 2023, 8, 19273–19286. [Google Scholar] [CrossRef] [PubMed]
- Mohamadi-Baghmolaei, M.; Hajizadeh, A.; Zendehboudi, S.; Duan, X.; Shiri, H.; Saady, N.M.C. Exergy and Exergoeconomic Assessment of an Acid Gas Removal Unit in a Gas Refinery Plant. Ind. Eng. Chem. Res. 2021, 60, 14591–14612. [Google Scholar] [CrossRef]
- Wahid, A.; Meizvira, F.; Wiranoto, Y. Application of Multivariable Model Predictive Control to Overcome the Intervariable Interaction in CO2 Removal Process. E3S Web Conf. 2018, 67, 03049. [Google Scholar] [CrossRef]
- Mohajeri, M.; Panahi, M.; Shahsavand, A. Optimal Operation of a Natural Gas Sweetening Plant. Comput. Chem. Eng. 2024, 184, 108631. [Google Scholar] [CrossRef]
- Paul, P.; Bhattacharyya, D.; Turton, R.; Zitney, S.E. Dynamic model-based sensor network design algorithm for system efficiency maximization. Comput. Chem. Eng. 2016, 89, 27–40. [Google Scholar] [CrossRef]
- Kumar, M.S.; Ganapathy, K.; Al Yahyaee, N.; Ayoub, A. Enhance energy efficiency through advanced process control APC. In Proceedings of the Abu Dhabi International Petroleum Exhibition and Conference, Abu Dhabi, United Arab Emirates, 9–12 November 2016; p. D031S071R002. [Google Scholar]
- Tikadar, D.; Gujarathi, A.M.; Guria, C. Multi-objective optimization of industrial gas-sweetening operations using economic and environmental criteria. Process Saf. Environ. Prot. 2020, 140, 283–298. [Google Scholar] [CrossRef]
- Thafseer, M.; Al Ani, Z.; Gujarathi, A.M.; Vakili-Nezhaad, G.R. Towards process, environment and economic based criteria for multi-objective optimization of industrial acid gas removal process. J. Nat. Gas Sci. Eng. 2021, 88, 103800. [Google Scholar] [CrossRef]
- Zhu, W.; Ye, H.; Zou, X.; Yang, Y.; Dong, H. Analysis and optimization for chemical absorption of H2S/CO2 system: Applied in a multiple gas feeds sweetening process. Sep. Purif. Technol. 2021, 276, 119301. [Google Scholar] [CrossRef]
- Chew, Y.E.; Putra, Z.A.; Foo, D.C.Y. Process simulation and optimisation for acid gas removal system in natural gas processing. J. Nat. Gas Sci. Eng. 2022, 107, 104764. [Google Scholar] [CrossRef]
- Berchiche, A.; Guenoune, M.; Belaadi, S.; Léonard, G. Optimal Energy Integration and Off-Design Analysis of an Amine-Based Natural Gas Sweetening Unit. Appl. Sci. 2023, 13, 6559. [Google Scholar] [CrossRef]
- Lian, L.; Liu, W.; Liu, S.; Wang, H.; Cheng, L.; Jiang, Y. Retrofit of the Acid Gas Sweetening Process for the Refinery Based on Exergy Analysis Method. Sep. Purif. Technol. 2023, 315, 123629. [Google Scholar] [CrossRef]
- Pal, A.; Almomani, F.; Al-Musleh, E.; Karimi, I. Freezing-Based Acid Gas Removal and Its Integration with the Cold Section in an LNG Plant. ACS Sustain. Chem. Eng. 2022, 10, 15148–15165. [Google Scholar] [CrossRef]
- Muhammad, A.; GadelHak, Y. Simulation Based Improvement Techniques for Acid Gases Sweetening by Chemical Absorption: A Review. Int. J. Greenh. Gas Control. 2015, 37, 481–491. [Google Scholar] [CrossRef]
- Hall, S.M. Absorbers. In Rules of Thumb for Chemical Engineers, 6th ed.; Elsevier: Amsterdam, The Netherlands, 2018; pp. 293–303. [Google Scholar] [CrossRef]
- Sulzer, M.P.; Usa, C.; Holden, B.S. Back to Basics: Choosing Trays and Packings for Distillation. American Institute of Chemical Engineers. (CEP) Online. 2009. Available online: http://www.aiche.org/cep (accessed on 1 August 2024).
- Kasiri, N.; Ghayyem, M.A. Rate-Based Model in H2S and CO2 Absorption Column Using Alkanolamine Solutions. IUST Int. J. Eng. Sci. 2018, 19, 89–98. [Google Scholar]
- Moioli, S.; Pellegrini, L.A.; Picutti, B.; Vergani, P. Improved Rate-Based Modeling of H2S and CO2 Removal by Methyldiethanolamine Scrubbing. Ind. Eng. Chem. Res. 2013, 52, 2056–2065. [Google Scholar] [CrossRef]
- Moioli, S.; Pellegrini, L.A. Improved Rate-Based Modeling of the Process of CO2 Capture with PZ Solution. Chem. Eng. Res. Des. 2015, 93, 611–620. [Google Scholar] [CrossRef]
- Fu, K.; Sema, T.; Liang, Z.; Liu, H.; Na, Y.; Shi, H.; Idem, R.; Tontiwachwuthikul, P. Investigation of Mass-Transfer Performance for CO2 Absorption into Diethylenetriamine (DETA) in a Randomly Packed Column. Ind. Eng. Chem. Res. 2012, 51, 12058–12064. [Google Scholar] [CrossRef]
- Fu, K.; Chen, G.; Sema, T.; Zhang, X.; Liang, Z.; Idem, R.; Tontiwachwuthikul, P. Experimental Study on Mass Transfer and Prediction Using Artificial Neural Network for CO2 Absorption into Aqueous DETA. Chem. Eng. Sci. 2013, 100, 195–202. [Google Scholar] [CrossRef]
- Gao, J.; Yin, J.; Zhu, F.; Chen, X.; Tong, M.; Kang, W.; Zhou, Y.; Lu, J. Postcombustion CO2 Capture Using Diethylenetriamine (DETA) Solvent in a Pilot-Plant Test Bed Compared to Monoethanolamine (MEA) Solvent. Environ. Prog. Sustain. Energy 2017, 36, 1131–1138. [Google Scholar] [CrossRef]
- Rahimpour, M.R.; Saidi, M.; Baniadam, M.; Parhoudeh, M. Investigation of Natural Gas Sweetening Process in Corrugated Packed Bed Column Using Computational Fluid Dynamics (CFD) Model. J. Nat. Gas Sci. Eng. 2013, 15, 127–137. [Google Scholar] [CrossRef]
- Sheng, M.; Xie, C.; Zeng, X.; Sun, B.; Zhang, L.; Chu, G.; Luo, Y.; Chen, J.; Zou, H. Intensification of CO2 Capture Using Aqueous Diethylenetriamine (DETA) Solution from Simulated Flue Gas in a Rotating Packed Bed. Fuel 2018, 234, 1518–1527. [Google Scholar] [CrossRef]
- Mahdipoor, H.R.; Mansoori, S.A.A.; Homayun, B.; Hosseinzadeh, M. Simulation and Optimization of Acid Gas Enrichment Column in an Industrial Sulfur Recovery Unit. Case Stud. Chem. Environ. Eng. 2024, 9, 100545. [Google Scholar] [CrossRef]
- Romero-Bustamante, J.A.; Zurita-Herrera, B.M.; Gutierrez-Limon, M.A.; Hernandez-Martinez, E. Robust Model-Based Control of a Packed Absorption Column for the Natural Gas Sweetening Process. Int. J. Chem. React. Eng. 2023, 21, 461–471. [Google Scholar] [CrossRef]
- Zahid, U.; Al-Qadri, A.; Al-Mousa, B.; Al-Nasser, A.; Ahmed, U. Design of a Novel Sour Water Stripping Unit. In Design of Novel Gas Processing Unit; Elsevier Masson SAS: Issy les Moulineaux, France, 2019. [Google Scholar] [CrossRef]
- Thiele, R.; Faber, R.; Repke, J.U.; Thielert, H.; Wozny, G. Design of Industrial Reactive Absorption Processes in Sour Gas Treatment Using Rigorous Modelling and Accurate Experimentation. Chem. Eng. Res. Des. 2007, 85, 74–87. [Google Scholar] [CrossRef]
- Moioli, S.; Pellegrini, L.A. Regeneration Section of CO2 Capture Plant by MEA Scrubbing with a Rate-Based Model. Chem. Eng. Trans. 2013, 32, 1849–1854. [Google Scholar] [CrossRef]
- Oyenekan, B.A.; Rochelle, G.T. Alternative Stripper Configurations for CO2 Capture by Aqueous Amines. AIChE J. 2007, 53, 3144–3154. [Google Scholar] [CrossRef]
- Koolivand, M.; Abedini, R.; Adib, H.; Koolivand, H. Design of Neural Network for Manipulating Gas Refinery Sweetening Regenerator Column Outputs. Sep. Purif. Technol. 2011, 82, 1–9. [Google Scholar] [CrossRef]
- Jerng, S.E.; Park, Y.J.; Li, J. Machine Learning for CO2 Capture and Conversion: A Review. Energy AI 2024, 16, 100361. [Google Scholar] [CrossRef]
- Sarker, I.H. Machine Learning: Algorithms, Real-World Applications and Research Directions. SN Comput. Sci. 2021, 2, 160. [Google Scholar] [CrossRef]
- Hakimi, M.; Omar, M.B.; Ibrahim, R. Application of Neural Network in Predicting H2S from an Acid Gas Removal Unit (AGRU) with Different Compositions of Solvents. Sensors 2023, 23, 1020. [Google Scholar] [CrossRef]
- Ryan, P. Machine Learning for Design Principles for Single Atom Catalysts Towards Electrochemical Reactions. J. Mater. Chem. A 2022, 10, 15309–15331. [Google Scholar]
- Adib, H.; Sharifi, F.; Mehranbod, N.; Kazerooni, N.M.; Koolivand, M. Support Vector Machine Based Modeling of an Industrial Natural Gas Sweetening Plant. J. Nat. Gas Sci. Eng. 2013, 14, 121–131. [Google Scholar] [CrossRef]
- Adib, H.; Sabet, A.; Naderifar, A.; Adib, M.; Ebrahimzadeh, M. Evolving a Prediction Model Based on Machine Learning Approach for Hydrogen Sulfide Removal from Sour Condensate of South Pars Natural Gas Processing Plant. J. Nat. Gas Sci. Eng. 2015, 27, 74–81. [Google Scholar] [CrossRef]
- Azizkhani, J.S.; Jazayeri-Rad, H.; Nabhani, N. Design of an ensemble neural network to improve the identification performance of a gas sweetening plant using the negative correlation learning and genetic algorithm. J. Nat. Gas Sci. Eng. 2014, 21, 26–39. [Google Scholar] [CrossRef]
- Tikadar, D.; Gujarathi, A.M.; Guria, C. Towards retrofitting based multi-criteria analysis of an industrial gas sweetening process: Further insights of CO2 emissions. Process Saf. Environ. Prot. 2023, 175, 259–271. [Google Scholar] [CrossRef]
- Mousavi, S.P.; Atashrouz, S.; Nakhaei-Kohani, R.; Hadavimoghaddam, F.; Shawabkeh, A.; Hemmati-Sarapardeh, A.; Mohaddespour, A. Modeling of H2S solubility in ionic liquids using deep learning: A chemical structure-based approach. J. Mol. Liq. 2022, 351, 118418. [Google Scholar] [CrossRef]
- Rahaei, A.H.; Shokri, S.; Aroon, M.A.; Abolghasemi, H.; Zarrabi, S. Advancing Predictive Analytics for Gas Sweetening Plants Through Machine Learning and Feature Selection. J. Pet. Sci. Technol. 2024, 13, 12–19. [Google Scholar] [CrossRef]
- Nimmanterdwong, P.; Changpun, R.; Janthboon, P.; Nakrak, S.; Gao, H.; Liang, Z.; Tontiwachwuthikul, P.; Sema, T. Applied Artificial Neural Network for Hydrogen Sulfide Solubility in Natural Gas Purification. ACS Omega 2021, 6, 31321–31329. [Google Scholar] [CrossRef]
- Keshavarz, S.; Amin, J.S.; Mohsenipour, A.A.; Zendehboudi, S. Hybrid smart model to determine concentration of acidic gases in absorption tower of sweetening process. Can. J. Chem. Eng. 2022, 100, 2355–2373. [Google Scholar] [CrossRef]
- Memon, N.; Patel, S.B.; Patel, D.P. Comparative analysis of artificial neural network and XGBoost algorithm for PolSAR image classification. In Pattern Recognition and Machine Intelligence; Springer: Berlin/Heidelberg, Germany, 2019; pp. 452–460. [Google Scholar]
- Gajjar, A.; Kashyap, P.; Aysu, A.; Franzon, P.; Dey, S.; Cheng, C. FAXID: FPGA-accelerated XGBoost inference for data centers using HLS. In Proceedings of the 2022 IEEE 30th Annual International Symposium on Field-Programmable Custom Computing Machines (FCCM), New York City, NY, USA, 15–18 May 2022; pp. 1–9. [Google Scholar]
- Moghadasi, M.; Ozgoli, H.A.; Farhani, F. Steam consumption prediction of a gas sweetening process with methyldiethanolamine solvent using machine learning approaches. Int. J. Energy Res. 2021, 45, 879–893. [Google Scholar] [CrossRef]
- Grimaccia, F.; Montini, M.; Niccolai, A.; Taddei, S.; Trimarchi, S. A Machine Learning-Based Method for Modelling a Proprietary SO2 Removal System in the Oil and Gas Sector. Energies 2022, 15, 9138. [Google Scholar] [CrossRef]
- Khoshnevisan, L.; Hourfar, F.; Alhameli, F.; Elkamel, A. Combining design of experiments, machine learning, and principal component analysis for predicting energy consumption and product quality of a natural gas processing plant. Int. J. Energy Res. 2021, 45, 5974–5988. [Google Scholar] [CrossRef]
- Dong, S.; Quan, H.; Zhao, D.; Li, H.; Geng, J.; Liu, H. Generic AI models for mass transfer coefficient prediction in amine-based CO2 absorber, Part I: BPNN model. Chem. Eng. Sci. 2022, 264, 118165. [Google Scholar] [CrossRef]
- Quan, H.; Dong, S.; Zhao, D.; Li, H.; Geng, J.; Liu, H. Generic AI models for mass transfer coefficient prediction in amine-based CO2 absorber, Part II: RBFNN and RF model. AIChE J. 2023, 69, e17904. [Google Scholar] [CrossRef]
- Shams, A. Prediction of vapour-liquid equilibrium ratios for the CH4–CO2–H2S systems using artificial neural networks. Int. J. Oil Gas Coal Technol. 2022, 29, 226–240. [Google Scholar] [CrossRef]
- Rohani, M.; Jazayeri-Rad, H.; Behbahani, R.M. Continuous prediction of the gas dew point temperature for the prevention of the foaming phenomenon in acid gas removal units using artificial intelligence models. Int. J. Comput. Intell. Syst. 2017, 10, 165–175. [Google Scholar] [CrossRef]
- Cho, E.H.; Deng, X.; Zou, C.; Lin, L.C. Machine learning-aided computational study of metal-organic frameworks for sour gas sweetening. J. Phys. Chem. C 2020, 124, 27580–27591. [Google Scholar] [CrossRef]
- Gao, W.; Zheng, W.; Yan, K.; Sun, W.; Zhao, L. Accelerating the discovery of acid gas-selective MOFs for natural gas purification: A combination of machine learning and molecular fingerprint. Fuel 2023, 350, 128757. [Google Scholar] [CrossRef]
- Jia, B.; Mikalsen, R.; Smallbone, A.; Zuo, Z.; Feng, H.; Roskilly, A.P. Piston motion control of a free-piston engine generator: A new approach using cascade control. Appl. Energy 2016, 179, 1166–1175. [Google Scholar] [CrossRef]
- Wu, T.; Yin, H.; Yang, Z.; Yao, J.; Qin, Y.; Wu, P. Industrial process monitoring based on parallel global-local preserving projection with mutual information. Machines 2023, 11, 602. [Google Scholar] [CrossRef]
- Han, J.; Kamber, M.; Pei, J. Classification: Basic Concepts. In Data Mining: Concepts and Techniques, 3rd ed.; Morgan Kaufmann: San Francisco, CA, USA, 2012; pp. 327–391. [Google Scholar] [CrossRef]
- Cadei, L.; Camarda, G.; Montini, M.; Rossi, G.; Fier, P.; Bianco, A.; Lancia, L.; Loffreno, D.; Corneo, A.; Milana, D.; et al. Prediction and prescription of operation upset in H2S gas sweetening unit: Implementation of an innovative big data analytics procedure. In Proceedings of the Offshore Mediterranean Conference and Exhibition, Ravenna, Italy, 27–29 March 2019. [Google Scholar]
- Pradittiamphon, S.; Wongsa, S. Fault detection and isolation of acid gas removal units in a gas separation process using PLS. In Proceedings of the 2016 International Conference on Instrumentation, Control and Automation, Bandung, Indonesia, 29–31 August 2016; pp. 88–93. [Google Scholar] [CrossRef]
- Askarian, M.; Benítez, R.; Graells, M.; Zarghami, R. Data-based fault detection in chemical processes: Managing records with operator intervention and uncertain labels. Expert Syst. Appl. 2016, 63, 35–48. [Google Scholar] [CrossRef]
- Askarian, M.; Zarghami, R.; Jalali-Farahani, F.; Mostoufi, N. Fusion of Micro–Macro Data for Fault Diagnosis of a Sweetening Unit Using Bayesian Network. Chem. Eng. Res. Des. 2016, 115, 325–334. [Google Scholar] [CrossRef]
- Mohammadi, A.; Zarghami, R.; Lefebvre, D.; Golshan, S.; Mostoufi, N. Soft Sensor Design and Fault Detection Using Bayesian Network and Probabilistic Principal Component Analysis. J. Adv. Manuf. Process. 2019, 1, 1–14. [Google Scholar] [CrossRef]
- Rashidi, H.A.H. Fault Detection in Acid Gas Removal Unit (AGRU) System. Master’s Thesis, Universiti Teknologi Petronas, Seri Iskandar, Malaysia, 2021. [Google Scholar]
- Sun, W.; Zhou, Z.; Ma, F.; Wang, J.; Ji, C. Industrial Application of Data-Driven Process Monitoring with an Automatic Selection Strategy for Modeling Data. Processes 2023, 11, 402. [Google Scholar] [CrossRef]
Disclaimer/Publisher’s Note: The statements, opinions and data contained in all publications are solely those of the individual author(s) and contributor(s) and not of MDPI and/or the editor(s). MDPI and/or the editor(s) disclaim responsibility for any injury to people or property resulting from any ideas, methods, instructions or products referred to in the content. |
© 2025 by the authors. Licensee MDPI, Basel, Switzerland. This article is an open access article distributed under the terms and conditions of the Creative Commons Attribution (CC BY) license (https://creativecommons.org/licenses/by/4.0/).







