Assessment of the Influence of Erosion Wear on the Design Parameters and Useful Life of the C4-70 Family Centrifugal Fan
Abstract
1. Introduction
is the vector sum of the speed of the rotor wheel U and the flow speed relative to the blade
. It is evident that both the flow velocity relative to the blade Vrb1 and the normal component of the velocity Vn1 are greater than Vrb2 and Vn2, respectively. The tangential component Vt1 and the absolute velocity V1 are smaller than the tangential component Vt2 and the absolute velocity V2, respectively. The velocity polygons are drawn at the entry and exit ends of the fluid because they are the geometric points where the entry and exit angles are measured, which, in turn, define the inclination of the channel between blades through which the fluid circulates. In an idealized design situation, the flow relative to the rotor is assumed to enter and exit tangentially to the blade profile at each section, but the exact value of the angle between the flow of the fluid and the blade at each instant is random. Because of this situation the present experimentation uses angles with values of the interval defined by β1 and β2. These reasons are what induce the authors to take discrete values of angles of possible incidences, starting from the range of angles found between the closed extremes in β1 and the open extremes in β2, to evaluate the wear when the particles dragged by the fluid impact the blade at (0.08, 23, 48) % of blade length and (16°, 22°, 28°) of incidence angle, respectively, as seen in Figure 2.2. Experimental Details
2.1. Methodology
2.2. Test Parameters
Results
3. Results and Discussion
3.1. Correlation Between Variables
3.2. Characteristic Curve of the C4-70 Family Fan, 100 mm Rotor, and Accumulated Wear Curves
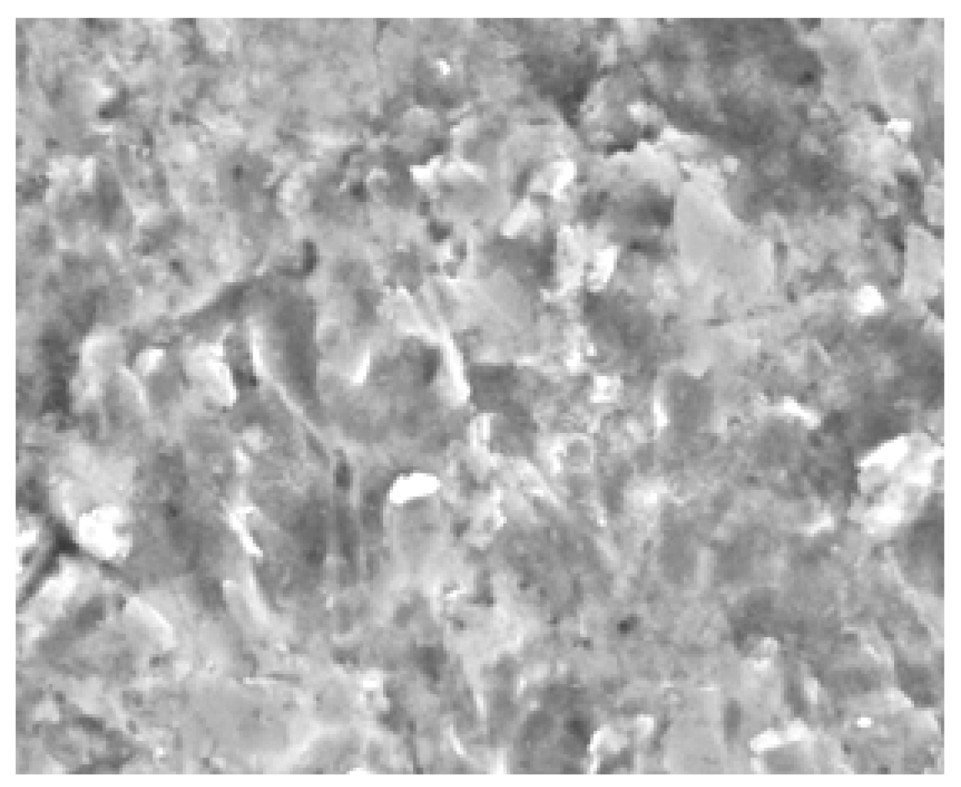
3.3. Metallographic Observation
4. Conclusions
- Relative wear increases significantly with increasing speed, in a quadratic manner, while changing the angle has a linear influence.
- There are differences in the behavior of the increase in wear that occur when the angle of incidence increases; they are very small for the speed of 2 m/s, but they increase progressively with the increase in speed, the differences mostly being marked for the speed of 6 m/s.
- The working pressures of the fan are a function of the absolute speed V2 at the blade exit, of which the tangential speed in the inter-blade channel is a component.
- When the 100 mm rotor fan of the C4-70 family works with revolutions between 814 and 815 rpm, for a tangential speed of 2 m/s and flow rate of 20.16 m3/h, a cumulative wear of 1.3124 mg/g is recorded, which is caused by the impact of solid particles carried by the flow that could impact the surface of the blade when the angle is 22°24′.
- There is a limitation on the number of blade replica samples that can be tested simultaneously at the sludge erosion test facility.
- Although the channel between blades implemented in the sludge tank is larger than the one that the fluid runs through in the centrifugal fan, the wear evaluation is carried out with great approximation to reality.
- Based on the correlation found between the variables, future work could consider coatings, groove depth, and surface roughness.
Supplementary Materials
Author Contributions
Funding
Data Availability Statement
Conflicts of Interest
Nomenclature
| β1 | fluid entry angle (degree) |
| β2 | exit angle (degree) |
| V1 | absolute velocity at the angle of entry of the fluid (m/s) |
| V2 | absolute velocity at the angle of exit of the fluid (m/s) |
| Vn1 | normal component at the angle of entry of the fluid (m/s) |
| Vn2 | normal component at the angle of exit of the fluid (m/s) |
| Vt1 | tangential component at the angle of entry of the fluid (m/s) |
| Vt2 | tangential component at the angle of exit of the fluid (m/s) |
| Vrb1 | flow speed relative to the blade at the angle of entry of the fluid (m/s) |
| Vrb2 | flow speed relative to the blade at the angle of exit of the fluid (m/s) |
| V | independent variable velocity relative to the fluid (m/s) |
| A | independent variable angles of attack and incidence of the fluid on the blade (degree) |
| Iw | wear (mg/g) |
| Q | caudal (m3/s) |
| Pt | total pressure (kg/m2) |
References
- Mataix, C. Mecánica de Fluídos y Máquinas Hidráulicas; Mexico D.F.: Oxford, UK, 1982. [Google Scholar]
- Ragauskas, P.; Tetsmann, I.; Jasevičius, R. The Optimization of the Geometry of the Centrifugal Fan at Different Design Points. Appl. Sci. 2024, 14, 3530. [Google Scholar] [CrossRef]
- Shao, W.; Feng, J.; Zhang, F.; Wang, S.; Li, Y.; Lv, J. Aerodynamic Performance Optimization of Centrifugal Fan Blade for Air System of Self-Propelled Cotton-Picking Machine. Agriculture 2023, 13, 1579. [Google Scholar] [CrossRef]
- Li, Z.; Ye, X.; Wei, Y. Investigation on Vortex Characteristics of a Multi-Blade Centrifugal Fan near Volute Outlet Region. Processes 2020, 8, 1240. [Google Scholar] [CrossRef]
- Fox, R.W.; McDonald, A.T. Introducción a la Mecánica de Fluidos; McGraw Hill Interamericana: Mexico City, Mexico, 1989. [Google Scholar]
- Lopez, G.B.; Arla, S.; Garcia, R. InvenCenty: Software para la enseñanza del diseño aerodinámico de una familia de ventiladores centrífugos de alta eficiencia. In InnoEducaTIC; Palmas, U.d.L., Ed.; Universidad de Las Palmas: Las Palmas de Gran Canaria, Spain, 2015. [Google Scholar]
- Schlichting, H. Boundary Layer Theory, 7th ed.; McGraw Hill: New York, NY, USA, 1979. [Google Scholar]
- Bayer, R.G. Mechanical Wear Fundamentals and Testing; Maecel Dekker Inc.: New York, NY, USA, 2004. [Google Scholar]
- Rawat, A.; Singh, S.N.; Seshadri, V. Erosion wear studies on high concentration fly ash slurries. Wear 2017, 378–379, 114–125. [Google Scholar] [CrossRef]
- Singh, G.; Singh, S.; Singh Grewal, J. Erosion wear characterisation of DLC and AlCrNbased coated AISI-304/316 steels. Surf. Eng. 2019, 35, 304–316. [Google Scholar] [CrossRef]
- ASM International Handbook Committee. Friction, Lubrication, and Wear Technology; ASM: Almere, The Netherlands, 1995; Volume 18. [Google Scholar]
- Shitole, P.P.; Gawande, S.H.; Desale, G.R.; Nandre, B.D. Effect of Impacting Particle Kinetic Energy on Slurry Erosion Wear. J. Bio Tribo Corros. 2015, 1, 29. [Google Scholar] [CrossRef]
- Solomahovoy, T. (Ed.) Centrifugal Fans; Machinoestraenie: Moscow, Russia, 1975. [Google Scholar]
- Cardillo, L.; Corsini, A.; Delibra, G.; Rispoli, F.; Sheard, A.G.; Venturini, P. Simulation of particle-laden flows in a large centrifugal fan for erosion prediction. In ASME Turbo Expo 2014; ASME: Düsseldorf, Germany, 2014. [Google Scholar]
- Parsi, M.; Kara, M.; Agrawal, M.; Kesana, N.; Jatale, A.; Sharma, P.; Shirazi, S. CFD simulation of sand particle erosion under multiphase flow conditions. Wear 2017, 376–377, 1176–1184. [Google Scholar] [CrossRef]
- Noon, A.A.; Kim, M.-H. Erosion wear on centrifugal pump casing due to slurry flow. Wear 2016, 264–365, 103–111. [Google Scholar] [CrossRef]
- Tanit, D.J.; Leonardo, B.; José, L.R. Proyecto de optimización de un ventilador centrífugo mediante dinámica de fluidos computacional (CFD) y comparación con mediciones experimentales. Espacios 2017, 38, 4. [Google Scholar]
- Lopez, G.B. Elaboración del algoritmo matemático para el diseño de una familia de ventiladores centrífugos. In Ciencias de la Energía y Mecánica; Universidad de Fuerzas Armadas: Sangolquí, Ecuador, 2016. [Google Scholar]
- Tabakoff, W.; Kotwal, R.; Hamed, A. Erosion study of different materials affected by coal ash particles. Wear 1979, 52, 161–173. [Google Scholar] [CrossRef]
- Corsini, A.; Marchegiani, A.; Rispoli, F.; Venturini, P.; Sheard, A.G. Predicting Blade Leading Edge Erosion in an Axial Induced Draft Fan. J. Eng. Gas. Turbines Power 2012, 134, 9. [Google Scholar] [CrossRef]
- Arabnejad, H.; Mansouri, A.; Shirazi, S.; McLaury, B. Abrasion erosion modeling in particulate flow. Wear 2017, 376–377, 1194–1199. [Google Scholar] [CrossRef]
- EL-Saied, A.F.; Gobran, M.H.; Hassan, H.Z. Erosion of an Axial Transonic Fan due to dust ingestion. Am. J. Aerosp. Eng. 2015, 2, 47–63. [Google Scholar] [CrossRef]
- Nandrea, B.D.; Desaleb, G.R. Study the Effect of Impact Angle on Slurry Erosion Wear of Four Different Ductile Materials. Mater. Today Proc. 2018, 5, 7561–7570. [Google Scholar] [CrossRef]
- Abd-Elrhman, Y.M.; Abouel-Kasem, A.; Emara, K.; Ahmed, S.M. Effect of Impact Angle on Slurry Erosion Behaviour and Mechanisms of Carburized AISI 5117 Steel. J. Eng. Sci. Assiut Univ. 2014, 41, 137–157. [Google Scholar] [CrossRef]
- Laguna-Camacho, J.R.; Vite-Torres, M.; Gallardo-Hernández, E.A.; Vera-Cárdenas, E.E. Solid Particle Erosion on Different Metallic Materials. In Tribology in Engineering; Intech Open: London, UK, 2013. [Google Scholar]
- Aldi, N.; Casari, N.; Pinelli, M.; Suman, A.; Vulpio, A.; Saccenti, P.; Beretta, R.; Fortini, A.; Merlin, M. Erosion behavior on a large-sized centrifugal fan. In Proceedings of the 13th European Conference on Turbomachinery Thermodynamics and Fluid Dynamics ETC13, Euroturbo, Lausanne, Switzerland, 9–12 April 2019. [Google Scholar]
- Aldi, N.; Casari, N.; Pinelli, M.; Suman, A.; Vulpio, A.; Mantovani, O.; Saccenti, P. Evaluation of the Wear-Resistant Plate Performance on Different Locations over the Flow Path of a Large-Sized Heavy-Duty Centrifugal Fan. Int. J. Turbomach. Propuls. Power 2022, 7, 32. [Google Scholar] [CrossRef]












| Angle [°] | Speed [m/s] | Wear Index Iw [mg/g] | Average Deviation [mg/g] | ||||
| Distance Traveled [m] | |||||||
| 143,253 | 286,506 | 573,012 | 143,253 | 286,506 | 573,012 | ||
| 16 | 2 | 14,496 | 27,992 | 52,213 | 0.0189 | 0.1983 | 0.5051 |
| 22 | 2 | 13,023 | 23,090 | 44,002 | 0.4484 | 0.1561 | 0.6093 |
| 28 | 2 | 13,921 | 25,160 | 44,395 | 0.2990 | 0.4597 | 0.5934 |
| 16 | 4 | 51,735 | 93,506 | 185,616 | 1.4342 | 2.0035 | 1.1129 |
| 22 | 4 | 56,141 | 102,489 | 186,007 | 1.7830 | 1.9408 | 1.3761 |
| 28 | 4 | 69,937 | 124,762 | 236,580 | 2.2864 | 2.6358 | 1.1766 |
| 16 | 6 | 132,925 | 234,300 | 448,227 | 0.0674 | 0.9441 | 1.2333 |
| 22 | 6 | 140,515 | 269,603 | 516,048 | 0.1070 | 0.9623 | 1.1234 |
| 28 | 6 | 154,576 | 289,574 | 534,225 | 0.0021 | 0.0884 | 0.2251 |
| Variance Analysis | |||||
|---|---|---|---|---|---|
| Fountain | Sum of Squares | Gl | Middle Square | F-Ratio | p-Value |
| Model | 0.0677 | 2 | 0.0338 | 518.54 | 0.0000 |
| Residue | 0.003329 | 51 | 0.000065 | ||
| Total (Corr.) | 0.071025 | 53 | |||
| 95.0% Confidence Intervals for Coefficient Estimates | |||||
| Mistake | |||||
| Parameter | Estimate | Standard | Lower Limit | Upper Limit | |
| CONSTANT | −0.01884 | 0.00529 | −0.02946 | −0.00822 | |
| To [or] | 0.00073 | 0.00022 | 0.00028 | 0.00118 | |
| V2 | 0.00267 | 0.00008 | 0.00250 | 0.00284 | |
Disclaimer/Publisher’s Note: The statements, opinions and data contained in all publications are solely those of the individual author(s) and contributor(s) and not of MDPI and/or the editor(s). MDPI and/or the editor(s) disclaim responsibility for any injury to people or property resulting from any ideas, methods, instructions or products referred to in the content. |
© 2025 by the authors. Licensee MDPI, Basel, Switzerland. This article is an open access article distributed under the terms and conditions of the Creative Commons Attribution (CC BY) license (https://creativecommons.org/licenses/by/4.0/).
Share and Cite
Arla, S.; Goyos, L.; Mier, J. Assessment of the Influence of Erosion Wear on the Design Parameters and Useful Life of the C4-70 Family Centrifugal Fan. Processes 2025, 13, 1617. https://doi.org/10.3390/pr13051617
Arla S, Goyos L, Mier J. Assessment of the Influence of Erosion Wear on the Design Parameters and Useful Life of the C4-70 Family Centrifugal Fan. Processes. 2025; 13(5):1617. https://doi.org/10.3390/pr13051617
Chicago/Turabian StyleArla, Sandra, Leonardo Goyos, and Jose Mier. 2025. "Assessment of the Influence of Erosion Wear on the Design Parameters and Useful Life of the C4-70 Family Centrifugal Fan" Processes 13, no. 5: 1617. https://doi.org/10.3390/pr13051617
APA StyleArla, S., Goyos, L., & Mier, J. (2025). Assessment of the Influence of Erosion Wear on the Design Parameters and Useful Life of the C4-70 Family Centrifugal Fan. Processes, 13(5), 1617. https://doi.org/10.3390/pr13051617

