Next Article in Journal
Evaluation of Regional Carbon Emission Reduction Capacity and Complex Collaborative Development: An Empirical Study of the Yangtze River Delta Region
Previous Article in Journal
Research Progress on Flue Gas Desulfurization and Denitrification by Activated Carbon Method
 
 
Font Type:
Arial Georgia Verdana
Font Size:
Aa Aa Aa
Line Spacing:
Column Width:
Background:
Article

Effect of Fracturing Fluid Properties on the Flowback Efficiency of Marine and Continental Transitional Shale Gas Reservoirs in Ordos Basin

1
State Key Laboratory of Oil and Gas Reservoir Geology and Exploitation, Southwest Petroleum University, Chengdu 610500, China
2
Engineering Technology Research Institute, Petro China Coalbed Methane Co., Ltd., Xi’an 710082, China
3
PetroChina Research Institute of Petroleum Exploration & Development, Beijing 100083, China
4
College of petroleum Engineering, Changzhou University, Changzhou 213164, China
*
Author to whom correspondence should be addressed.
Processes 2025, 13(5), 1398; https://doi.org/10.3390/pr13051398
Submission received: 23 March 2025 / Revised: 25 April 2025 / Accepted: 30 April 2025 / Published: 3 May 2025
(This article belongs to the Section Energy Systems)

Abstract

The characteristics of marine–continental transitional shale reservoirs and the performance parameters of fracturing fluids, such as pH and mineralization, play a crucial role in influencing the flowback efficiency of these fluids. Excessive retention of fracturing fluids within the reservoir can lead to a significant decrease in permeability, thereby diminishing gas well productivity. This study investigates shale samples sourced from the marine–continental transitional shale formation in the eastern Ordos Basin, along with field-collected fracturing fluid samples, including formation water, sub-formation water, distilled water, inorganic acids, and organic acids, through flowback experiments. The results show that: (1) the flowback rate of shale fracturing fluids exhibits a positive correlation with salinity, with low-salinity fluids showing a dual effect on clay mineral hydration. These fluids increase the pore volume of the sample from 0.003 cm3/g to 0.0037 cm3/g but also potentially reduce permeability by 31.15% to 99.96%; (2) the dissolution effects of inorganic and organic acids in the fracturing fluids enhance the flowback rate by 16.42% to 22.25%, owing to their chemical interactions with mineral constituents; (3) in the development of shale gas reservoirs, it is imperative to carefully devise reservoir protection strategies that balance the fracture-inducing effects of clay mineral hydration and expansion, while mitigating water sensitivity damage. The application of acid preflush, primarily including inorganic or organic acids, in conjunction with the advanced fracturing techniques, can enhance the connectivity of shale pores and fractures, thereby improving fracture conductivity, increasing the flowback rate of fracturing fluids, and ensuring sustained and high gas production from wells.

1. Introduction

Shale gas, as a crucial unconventional energy source, has become a focal point in global unconventional energy development [1,2,3,4] Marine–continental transitional shale gas is an integral component of global shale gas resources [5], with an estimated technically recoverable resource volume of 5.1 × 1012 m3, accounting for 23.4% of China’s total technically recoverable shale gas resources [6], demonstrating significant resource potential. Currently, marine–continental transitional shale gas in China is at the exploration and evaluation stage. Drilling and well testing in the Qinshui Basin and the Ordos Basin have indicated gas shows, with some exploratory wells yielding industrial gas flows [7].
The return of fracturing fluids is a key factor influencing shale gas well productivity. In recent years, numerous scholars have extensively studied the mechanisms by which return fluid rates impact well productivity, proposing methods to optimize fluid return rates to enhance well productivity. Lu (2018) [8] and others, based on experimental and field data, found that a lower return fluid rate and a higher degree of microfractures in shale reservoirs are correlated with increased well productivity. GUO (2019) [9] developed a comprehensive index-based model to predict return fluid rates, which can be optimized through controllable factors to fall within the range that maximizes well productivity. Lin (2020) [10] further highlighted that the relationship between the return fluid rate and shale gas well output is not linear, as wells with high return rates may exhibit either high or low productivity. These studies primarily focused on marine or terrestrial shale reservoirs, with a noticeable gap in research on marine–continental transitional shales. The relationship between return fluid rates and well productivity in marine–continental transitional shale gas is still unclear.
Due to the unique sedimentary model of marine–continental transitional shale, these reservoirs exhibit characteristic features such as low-pressure coefficients, distinctive mineral compositions, and complex pore structures. During the fracturing process, the low-pressure coefficient (0.95–1.05) [11] often leads to insufficient fracture propagation, resulting in substantial fluid retention within micro- and nanoscale pores or fractures, thereby reducing return fluid efficiency. Additionally, the high clay mineral content (average 55.3%) [12] in the mineral composition can induce hydration expansion, thereby constricting fluid flow paths and reducing return fluid efficiency. Furthermore, the presence of micro–nano pore and fracture systems in marine–continental transitional shale can trap fracturing fluids, forming water locks that hinder fluid return. Thus, the interaction between mineral composition, multi-scale pore structure, and fracturing fluid is complex and unique, with existing research failing to address this gap.
The properties of fracturing fluids (such as salinity and pH) significantly influence the return fluid rate of shale gas wells. In shale gas fracturing, reservoir stimulation techniques often involve adding acid to the preflush fluid to reduce fracture pressure and enhance fracture conductivity. To improve water resource utilization, returning fluids are often reinjected and reused as new fracturing fluids [13], a practice that alters the properties of the fracturing fluid and, consequently, impacts return fluid efficiency. In recent years, several scholars have explored the impact of fracturing fluid properties on shale gas well return rates from three perspectives: core experiments, micro-models, and mathematical models. Experimental studies by Mirzaei-Paiaman A (2012) [14] and others revealed that the higher the fluid viscosity, the greater the flow resistance, which negatively affects fluid return efficiency and exacerbates water-phase retention. You (2019) [15] conducted core-based experiments on fluid retention and salt precipitation damage in shale fractures, showing that salt precipitation caused by fracturing fluid can damage fracture surfaces, increase permeability impairment, and reduce return fluid efficiency. From a micro-model perspective, Zou (2023) [16] established a micro-porous network model to analyze fracturing fluid return behavior in shale gas reservoirs. The study indicated that increasing fracturing fluid concentration leads to the accumulation of dissolved salts, causing pore blockage and severely restricting liquid-phase return rates. Wang (2016) [17], in his mathematical model of gas–water two-phase flow, showed that the chemical potential difference between low-salinity fracturing fluid and high-salinity formation water can suppress 80% of the liquid-phase return, creating permanent water locks and reducing fluid mobility. However, existing studies do not adequately address the impact of fracturing fluid property variations on return efficiency in marine–continental transitional shale reservoirs, and no strategies specific to these reservoirs have been proposed.
Considering the multi-scale pore structure and mineral composition of shale, this study simulates the return behavior of fracturing fluids with different properties under original reservoir stress and temperature conditions. The study aims to reveal the evolution characteristics of shale physical properties and pore structures under the influence of different fracturing fluid properties, and to clarify the mechanisms by which fracturing fluid properties affect return efficiency in marine–continental transitional shale gas reservoirs. The experimental findings provide theoretical support for optimizing fracturing fluid formulations, improving return efficiency, and enhancing well productivity.

2. Materials and Methods

2.1. Shale Samples

The experimental samples were collected from the marine–continental transitional shale gas layers of the Shanxi Formation in the eastern Ordos Basin (Table 1) [18]. The Shanxi Formation in the study area consists of continental shelf deposits, with lithologies predominantly comprising black shale, black carbonaceous shale, gray–black mudstone, and deep-gray mudstone [19] Some intervals also include fine sandstone, medium-grained sandstone, and coal seams [20]. The lithological succession, from bottom to top, includes the Shan 2 and Shan 1 members [21,22]. Compared to the Shan 1 member, the Shan 2 member is characterized by thicker shale layers, stable lateral distribution, darker rock color, and fewer, thinner interbeds [23]. The average thickness of a single shale layer can reach 10 m, making it the primary target for shale gas exploration in this block [24].
The sample depth ranges from 1945.5 to 2372.6 m, with a formation pressure coefficient of 0.93. The formation temperature and pressure are 60.0 °C and 18.6 MPa, respectively. X-ray diffraction (XRD) results indicate that the mineral composition of the marine–continental transitional shale in the study area is dominated by quartz (average 39.07%) and clay minerals (average 48.29%). Pyrite and siderite are present (average 8.13%), along with trace amounts of calcite, dolomite, and feldspar. The clay mineral content is primarily composed of illite–smectite interlayers (average 45.44%), kaolinite (average 22.11%), and illite (average 28.88%), with a minor amount of chlorite (Table 2). The total organic carbon (TOC) content of the shale samples ranges from 1.16% to 5.21%, with an average of 2.37%. The marine–continental transitional shale cores are generally dense, with some cores exhibiting microfractures and natural fractures. Tests using an automated porosimeter show that the shale samples have a porosity range of 2.337% to 7.322%, with an average of 3.657%, and permeability ranging from 0.0004 to 16.322 mD, with a median permeability of 0.018 mD. There is a poor correlation between porosity and permeability, and the development of microfractures is the primary controlling factor affecting the shale’s flow capacity. Scanning electron microscope (SEM) observations after argon ion polishing reveal that the organic pores in the marine–continental transitional shale are underdeveloped, with the pores predominantly inorganic in nature. Nitrogen adsorption, an important method for quantitatively characterizing shale nanopores, shows that the specific surface area of the shale samples ranges from 0.199 to 7.126 m2/g, with an average of 2.40 m2/g, and the pore volume ranges from 0.001 to 0.01 cm3/g, with an average of 0.005 cm3/g.

2.2. Flowback Fluid Properties

Ion composition and concentration analysis were conducted on the fracturing flowback fluids from wells J1 and JH (Table 3). The salinity of the J1 well is 128,461.74 mg/L, while that of the JH well is 79,790.54 mg/L. The formation water is primarily composed of NaCl and CaCl2. According to the Sulin water type classification, the original formation water type is classified as CaCl2 (deep marine confined water), which serves as a reliable indicator of oil and gas presence. The high chloride (Cl) content in the flowback fluid suggests a substantial contact area between the fracturing fluid and the shale reservoir, indicating effective fracturing. A notable difference is observed between the salinity of the fracturing fluid (slickwater) (approximately 1000 mg/L) and the flowback fluid, suggesting that the formation water has higher salinity or that the shale gas layer contains soluble solid salts. The intrusion of low-salinity fluids may cause significant reservoir damage.

2.3. Experimental Methods

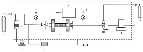
This study experimentally simulates the impact mechanisms of varying field fracturing fluid parameters (mineralization and pH) on shale liquid flowback behavior. The experimental process reveals the interaction mechanisms of fluids with different mineralization levels, as well as inorganic and organic acids, on shale mineral compositions and multi-scale pore structures. The experimental setup is depicted in Figure 1, and the experimental procedure is as follows:
(1) Shale liquid flowback experiments under different salinity levels: ① Dry the rock samples in an oven at 60 °C for 24 h, then measure the basic parameters, including length (L), diameter (D0), weight (M0), porosity (φm), and permeability (K0). ② After evacuating the rock samples for 4 h, saturate them with fracturing fluid under 20 MPa for 12 h. ③ After saturation, place the rock samples into a core holder and age them under a fixed confining pressure for 6 h [25], followed by conducting a displacement flowback experiment. A fixed backpressure is applied at the outlet to simulate the formation pore pressure, with the inlet pressure as the sum of the backpressure and flowback pressure difference. Repeat the steps above for shale liquid flowback experiments using formation water, sub-formation water, and distilled water as the test fluids.
(2) Shale liquid flowback experiments with inorganic and organic acid treatments: ① Dry the rock samples in an oven at 60 °C for 24 h, then measure the basic parameters, including length (L), diameter (D0), weight (M0), porosity (φm), and permeability (K0). ② After evacuating the rock samples for 4 h, saturate them with a 5% KCl solution at 20 MPa for 12 h. Then, perform shale liquid flowback experiments before and after treatment with inorganic acid (15% hydrochloric acid solution) and organic acid (10% acetic acid solution). The flowback test fluid is a 5% KCl solution, and the experimental pressure conditions remain constant.
(3) Single Mineral–Acid Interaction Experiment. ① Seven common shale minerals, including quartz, potassium feldspar, calcite, kaolinite, montmorillonite, illite, and chlorite, were selected for the experiment. The mineral samples were ground to a powder with an approximate particle size of 200 mesh. The powdered samples were then placed in an oven and dried at 60 °C for 24 h. The initial mass of each sample (M0) was measured. ② The powdered samples were separately immersed in inorganic acid (15% hydrochloric acid solution) and organic acid (10% acetic acid solution) for a thorough reaction. Afterward, the samples were re-dried, and the mass (M₁) was measured again.
After the shale liquid flowback experiment, the shale permeability recovery rate is determined by Equation (1), and the shale liquid flowback rate is calculated using Equation (2):
D k = K n K 1 K 0 × 100 %
In the formula, Dk represents the shale permeability recovery rate (%); Kn denotes the permeability of the rock sample after fracturing fluid flowback (mD); K1 is the permeability of the rock sample saturated with fracturing fluid (mD); and K0 is the initial dry rock sample permeability (mD).
F p = M 0 M 1 a × 100 %
In this equation, Fp is the shale liquid flowback rate (%); a represents the shale liquid saturation amount (g); M0 is the weight of the rock sample before fracturing fluid flowback (g); M1 is the weight of the rock sample after fracturing fluid flowback (g).
After the completion of the single mineral–acid interaction experiment, the sample dissolution rate was calculated using Equation (3).
η = m 0 m 1 m 0 × 100 %
In the equation, η represents the sample dissolution rate (%); m₀ is the sample mass before acid treatment (g); and m1 is the sample mass after acid treatment (g).

3. Results

3.1. Impact of Fracturing Fluid Retention on Its Flowback Behavior

Fracturing fluid flowback experiments were conducted on marine–continental transitional shale, and the changes in shale permeability and flowback rates at different stages of flowback were measured. The experimental results are shown in Figure 2 and Table 4. The results indicate that as the flowback degree of the fracturing fluid increases, the fluid is rapidly expelled along the fracture faces, resulting in a reduction in fluid retention and an increase in the gas flow channels. Consequently, shale permeability gradually increases. As the flowback process continues, shale permeability stabilizes. Due to the high clay mineral content in marine–continental transitional shale and the underdevelopment of micro–nano pores and fractures, a significant amount of fracturing fluid remains trapped in the core, limiting the restoration of flow capacity. The flowback rate of the fracturing fluid in the marine–continental transitional shale ranges from 42.29% to 45.51%. During the flowback process, the degree of microfracture development plays a crucial role in influencing the flowback behavior. The initial permeability of core sample HLY3-1 (0.468 mD) was higher than that of sample HLY3-2 (0.089 mD), allowing for a more rapid expulsion of fracturing fluid and faster recovery of flow capacity. Consequently, the permeability recovery rate and flowback rate of HLY3-1 were higher than those of HLY3-2.

3.2. Impact of Fracturing Fluid Salinity on Its Flowback Behavior

Flowback experiments were conducted using fracturing fluids with different mineralization degrees to evaluate shale flowback behavior. The changes in normalized permeability, permeability recovery rate (Figure 3), and flowback rate (Table 5) at various flowback stages were measured. The experimental results demonstrate that as the flowback time increased from 0 min to 360 min, the changes in shale normalized permeability, and the permeability recovery rate followed the order: distilled water (7.79%) > non-formation water (3.57%) > formation water (1.36%). The shale fracturing fluid flowback rate followed the order: formation water (44.75%) > non-formation water (34.40%) > distilled water (18.41%). Both normalized permeability and the permeability recovery rate were negatively correlated with the mineralization degree of the fracturing fluid, while the flowback rate was positively correlated with the mineralization degree.
During the flowback of fracturing fluids, the high salinity of the fluid, with its dissolved salt ions, can suppress the expansion of the double electric layer through the shielding effect. This reduces clay mineral hydration and swelling, helping to maintain the stability of flow channels and enhance flowback efficiency. However, due to the complex micro–nano pore structure of shale reservoirs, a significant amount of fracturing fluid is retained within the reservoir [26], which can block gas flow channels and reduce the shale permeability recovery rate. As fluid salinity decreases, the surface charge of clay minerals becomes more difficult to shield, leading to rapid expansion of the double electric layer and a pronounced hydration swelling effect [27]. This results in changes to the pore structure. Hydration effects can be beneficial for the expansion and extension of micro–nano pores and fractures, thereby increasing the shale permeability recovery rate. However, they may also trigger particle dispersion and migration, which can block flow channels and hinder liquid-phase flowback, thus reducing the liquid-phase flowback rate.

3.3. Impact of Acid Treatment on Fracturing Fluid Flowback Behavior

Acidization plays a crucial role in enhancing reservoir production [28]. To simulate the effect of preflush acid treatment on flowback efficiency in shale gas reservoirs, flowback experiments with shale fracturing fluids before and after acid treatment were conducted (Figure 4 and Table 6). The results demonstrate that after preflush acid treatment, shale permeability, permeability recovery rate, and liquid-phase flowback rate all increased. Following acetic acid treatment, the shale permeability recovery rate increased from 5.17% to 12.27%, and the liquid flowback rate increased from 24.24% to 46.49%. After hydrochloric acid treatment, the permeability recovery rate increased from 2.95% to 9.05%, and the liquid-phase flowback rate increased from 28.8% to 45.22%. In comparison, acetic acid treatment showed a more significant effect in promoting liquid-phase flowback.
Acidization in shale is coupled with a hydration process. The hydration expansion of clay minerals significantly reduces shale strength, which promotes the expansion and extension of pores and fractures [29], as well as cracking along bedding planes. This increases the contact area between the acid fluid and the minerals, enhancing the dissolution capacity of the acid. During acidization, both acetic acid and hydrochloric acid solutions primarily react with carbonate minerals in the samples, generating dissolution cavities. Hydrochloric acid also reacts with iron-bearing and other easily soluble minerals, increasing the connectivity of pores and fractures, thus improving permeability. Additionally, the release of H+ ions in the acid fluid may lead to cation exchange on the clay mineral surfaces, which enhances the stability of the shale pore structure and facilitates liquid flowback.

4. Discussion

4.1. Permeability Evolution for Different Fracturing Fluid Properties

The physical properties and pore structure characteristics of shale reservoirs are crucial for evaluating liquid flowback behavior [30]. The results of porosity and permeability changes in shale before and after exposure to different fracturing fluids (Table 7) show that as solution salinity decreases, both porosity and permeability of the rock samples decrease significantly, with porosity reducing by 41.50% to 92.26% and permeability by 31.15% to 99.96%. After acid treatment, porosity increases by 8.27% to 17.99%, and permeability increases by 395.28% to 4120.00%. After slickwater fracturing fluid treatment, porosity decreases by 46.74% and permeability decreases by 98.44%.
Scanning electron microscopy results (Figure 5a,b) indicate that after low-salinity fracturing fluids enter the shale reservoir, the increased water saturation near the fracture surfaces causes water-phase trapping damage. Additionally, water–rock interactions lead to clay mineral hydration and swelling, blocking pores, which is the primary cause of the significant reduction in shale reservoir permeability. Moreover, low-salinity solutions and slickwater fracturing fluids may cause the dissolution and precipitation of clay minerals, partial dissolution of organic matter, particle dispersion, migration, deposition, adsorption, and further blockage of flow channels. This leads to the retention of large amounts of fracturing fluid in the reservoir and severely restricts the efficiency of shale liquid flowback.
The dissolution of carbonate minerals and certain clay minerals in shale by acid fluids helps to create pores, microfractures, and flow channels (Figure 5c,d), significantly improving flow conditions and enhancing flowback efficiency, while reducing fluid retention. The nitrogen adsorption/desorption isotherms of shale pore size distribution (Figure 6)indicate that the shale pore size is primarily centered around 4 nm. After treatment with different fracturing fluids, the pore volume of the samples generally increased. In the 1-10 nm pore size range, the sequence of pore volume size was hydrochloric acid > acetic acid > fracturing fluid > distilled water > original sample. The most significant change occurred after hydrochloric acid treatment, where the pore volume increased from 0.003 cm3/g to 0.007 cm3/g, generating a large number of slit-like pores with parallel walls and ink-bottle pores. After treatment with distilled water, the pore volume increased from 0.003 cm3/g to 0.0037 cm3/g, indicating that the hydration of clay minerals facilitates fracture induction and pore volume expansion. In the 10–100 nm pore size range, there were some differences in pore volume changes among the samples, but these differences were relatively minor.

4.2. Shale-Fracturing Fluid Interaction Mechanism

The characteristics of the marine–continental transitional shale reservoirs in the study area differ significantly from those of the marine shale reservoirs in the Sichuan Basin. These reservoirs exhibit strong heterogeneity, with the dominant organic matter type being the shell-rich group, slightly lower in content than in marine shales. The reservoirs contain low levels of brittle minerals but high levels of clay minerals, primarily kaolinite. Stratification is well-developed, while microfractures are underdeveloped. These characteristics are key factors contributing to the unique shale-fluid interaction mechanism in marine–continental transitional shales. During shale gas fracturing, the large volume of fracturing fluid injected into the shale reservoir can easily lead to clay mineral hydration and expansion. The clay mineral types are diverse, with non-expanding clay minerals (illite and kaolinite) and expanding clay minerals (illite–smectite interstratified minerals) each comprising about 50%. The clay hydration and expansion induced by low-salinity fracturing fluids exhibit both beneficial and detrimental effects (Figure 7).
Beneficial Effect: During the flowback of fracturing fluid, when non-expanding clay minerals interact with low-salinity fluid, their interlayer bonding is relatively strong, and the absence of interlayer cation exchange, combined with a rigid crystal structure, results in minimal hydration expansion. This weak hydration effect can weaken the interparticle bonding and induce microfractures, potentially serving as a starting point for fracture initiation. This characteristic promotes fracture formation and propagation, enhancing fluid flowability within the pore structure.
Detrimental Effect: Expanding clay minerals (e.g., illite/montmorillonite interlayer minerals) possess a strong interlayer cation exchange capacity, weak interlayer bonding, and are highly susceptible to hydration. The intrusion of low-mineralized fracturing fluid easily induces double-layer expansion and cation hydration, resulting in mineral particle expansion, pore throat clogging, and flow channel obstruction, leading to water-sensitive damage. The dispersion and migration of expanding clay mineral particles further intensify rate-sensitive damage, further decreasing rock sample permeability. Following hydration expansion, pore throat channels become more fragile due to particle swelling and reduced inter-particle spacing. When external stress is applied, the pore structure is likely to undergo irreversible deformation or collapse, significantly increasing stress sensitivity damage.
The results from the single mineral–acid interaction experiments (Figure 8) show that hydrochloric acid and organic acids exhibit significant selective dissolution effects. The minerals dissolved are mainly calcite and potassium feldspar, with the dissolution strength in the following order: calcite > potassium feldspar > chlorite > kaolinite > montmorillonite > illite > quartz. Quartz shows the lowest dissolution rate, with potassium feldspar dissolving between 8.74% and 11.31%, and calcite dissolving between 27.19% and 43.36%. Hydrochloric acid is more effective than acetic acid in dissolution. Therefore, leveraging the chemical differences in mineral compositions, the selective dissolution of certain minerals can be strategically applied. This process helps expand fracture space in the reservoir, increases matrix porosity, promotes the self-supporting effect of fractures, maintains high flowability, and enhances the micro–nanopore structure to improve desorption and diffusion efficiency.

4.3. Suggestions for Field Application

To meet the reservoir protection requirements during fracturing fluid flowback and production in marine–continental transitional shale reservoirs, optimizing the performance parameters of fracturing fluids, developing additives, and improving the shut-in and flowback systems should be approached through an integrated “geology–engineering” and “drilling–fracturing” methodology. This approach will ensure full-process reservoir protection, contributing to cost reduction and efficiency improvements in the development of marine–continental transitional shale gas.
(1) During the production of marine–continental transitional shale gas wells, the combined use of preflush acids (primarily hydrochloric and organic acids) and sand fracturing technology effectively reduces formation fracture pressure. Additionally, the selective dissolution of certain minerals by the acid fluid facilitates the retention of minerals, such as quartz, as natural proppants, enhancing fracture conductivity and reducing the need for proppants. The synergistic application of hydrochloric acid and organic acids ensures an optimal acid dissolution rate, increases pore and fracture connectivity, improves fluid flowback rates, and promotes hydration-induced fracturing and gas adsorption replacement, thereby mitigating water-locking damage.
(2) Marine–continental transitional shale reservoirs exhibit considerable lithological heterogeneity, resulting in significant variations in the type and content of expansive and non-expansive clay minerals. By adjusting the salinity and cation concentration of the fracturing fluid, the fracture-inducing effects of non-expansive clays can be maximized, while the hydration expansion of expansive clay minerals is minimized. Furthermore, optimizing the gas well shut-in and flowback procedures enhances the fracturing fluid’s absorption and fracture-propagation capabilities, thereby increasing gas transport pathways. Maintaining the flowback pressure differential within an optimal range prevents excessive pressure differences, thereby reducing particle migration and accumulation, enhancing liquid flowback efficiency, and ensuring sustained high production in gas wells.

5. Conclusions and Suggestions

5.1. Conclusions

This study presents shale flowback experiments with fracturing fluids of varying properties, taking into account the multi-scale pore structure and mineral composition of marine–continental transitional shale. The experimental results offer a comprehensive representation of the evolution and mechanisms of shale permeability, providing theoretical insights for optimizing fracturing fluid design, improving flowback efficiency, and enhancing gas well productivity.
(1) Fracturing fluid performance parameters, such as mineralization and pH, are critical factors in evaluating flowback behavior in marine–continental transitional shale gas wells. The flowback rate of shale fracturing fluid decreases with a reduction in fluid mineralization; however, the corrosive effects of hydrochloric and organic acids can enhance the flowback rate by 16.42% to 22.25%.
(2) Low-mineralized fluids exhibit a dual effect on shale clay minerals. Hydration of non-swelling clay minerals promotes fracture extension and expansion, leading to an increase in pore volume from 0.003 cm3/g to 0.0037 cm3/g. In contrast, the hydration of swelling clay minerals tends to cause pore throat blockage, resulting in water-sensitive damage. This exacerbates both rate-sensitive and stress-sensitive damage, potentially reducing shale permeability by 31.15% to 99.96%.
(3) In the development of marine–continental transitional shale gas reservoirs, it is crucial to devise reservoir protection strategies that balance the fracture-inducing effects of clay mineral hydration expansion with the need to minimize water-sensitive damage. The combined use of preflush acids, primarily hydrochloric and organic acids, along with sand fracturing technology, enhances the connectivity of shale pores and fractures, thereby improving fracture conductivity and increasing flowback efficiency.
(4) Optimizing the well shut-in schedule enhances the capillary imbibition and fracture-promoting effects of the fracturing fluid, thereby increasing gas transport pathways and improving gas well productivity. By controlling the flowback pressure differential within an optimal range, excessive particle migration and accumulation can be prevented, thereby reducing liquid-phase flowback capacity and ensuring sustained high gas well production.

5.2. Suggestions

Based on the experimental results and the existing limitations in this study, the following suggestions are proposed:
Investigation of wettability after water–rock interaction: Water–rock interaction induces dynamic evolution of the shale pore structure under fracturing fluid infiltration. A quantitative evaluation of the changes in wettability after water–rock interaction and its impact on the fracturing fluid flowback rate is crucial for optimizing production schedules in shale gas wells, ensuring stable production.
Fracturing fluid flowback experimentation using nuclear magnetic resonance (NMR) technology: The multi-scale pore structure of shale is a key determinant of fracturing fluid retention and flowback efficiency. During the flowback process, the application of in situ NMR technology can quantitatively assess the impact of fracturing fluid performance parameters on different pore structures, offering practical insights for the efficient development of marine–continental transitional shale gas.

Author Contributions

Conceptualization: M.C. and X.N.; methodology: X.N.; validation: X.N.; formal analysis: Z.L. and J.B.; investigation: Y.S. and J.W.; resources: B.L.; data curation: Z.L.; writing—original daft preparation: X.N.; writing—review and editing: M.C. and M.Y.; visualization: Y.S.; supervision; M.C.: project administration; Y.K. and M.C.; funding acquisition: J.B. and M.C. All authors have read and agreed to the published version of the manuscript.

Funding

This work was supported by the National Natural Science Foundation of China (No. 41902154), the CNPC Innovation Found (No. 2024DQ02-0112), the Foundation of Natural Science Foundation of Jiangsu Province (No. BK20230646), and the CNPC Prospective and Basic Scientific Research Projects (No. 2021DJ2004). We sincerely thank the editors and reviewers for their support.

Data Availability Statement

The original contributions presented in the study are included in this article. Further inquiries can be directed to the corresponding author.

Acknowledgments

This research is supported by the State Key Laboratory of Oil and Gas Reservoir Geology and Exploitation, which provides management and technical support for the development of this research.

Conflicts of Interest

Authors Jianjun Wu and Bing Li were employed by the company Engineering Technology Research Institute, Petro China Coalbed Methane Co. Ltd. Author Yang Shi was employed by the company Petro China Research Institute of Petroleum Exploration & Development. The remaining authors declare that the research was conducted in the absence of any commercial or financial relationships that could be construed as a potential conflict of interest.

References

  1. Pollastro, R.M.; Jarvie, D.M.; Hill, R.J.; Adams, C.W. Geologic framework of the Mississippian Barnett Shale, Barnett-Paleozoic total petroleum system, Bend arch-Fort Worth Basin, Texas. AAPG Bull. 2007, 91, 405–436. [Google Scholar] [CrossRef]
  2. Chen, Z.Q. Exploration for Shale Gas of Longtan Member in Permian Leping Formation, Sichuan Basin. Nat. Gas Technol. Econ. 2011, 5, 21–27. [Google Scholar]
  3. Clarkson, C.R.; Solano, N.; Bustin, R.M.; Bustin, A.M.M.; Chalmers, G.R.; He, L.; Melnichenko, Y.B.; Radliński, A.P.; Blach, T.P. Pore structure characterization of North American shale gas reservoirs using USANS/SANS, gas adsorption, and mercury intrusion. Fuel 2013, 103, 606–616. [Google Scholar] [CrossRef]
  4. Jensen, J. Innovative Methods for Flow Unit and Pore Structure Analysis in a Tight Gas Reservoir, Montney Formation, NE BC. Obstet. Gynecol. Surv. 1997, 52, 635–642. [Google Scholar]
  5. Zhai, G.; Wang, Y.; Liu, G.; Zhou, Z.; Zhang, C.; Liu, X. Enrichment and accumulation characteristics and prospect analysis of the Permian marine conticental multiphase shale gas in China. Sediment. Geol. Tethyan Geol. 2020, 40, 102–117. [Google Scholar]
  6. Ma, X.H.; Zhang, X.W.; Xiong, W.; Liu, Y.; Gao, J.; Yu, R.; Sun, Y.; Wu, J.; Kang, L.; Zhao, S. Prospects and challenges of shale gas development in China. Pet. Sci. Bull. 2023, 8, 491–501. [Google Scholar]
  7. Jiang, Y.; Wen, S.; Cai, G.; Li, S.X.; Xiong, X.Y.; Li, X.T.; Dong, D.Z.; Qiu, Z.; Gu, Y.F.; Wang, Z.L.; et al. Lithologic assemblage characteristics and shale gas exploration potential of transitional shale in the Ordos Basin. Nat. Gas Ind. 2023, 43, 62–75. [Google Scholar]
  8. Lu, Y.; Wang, H.; Guan, B.; Liu, P.; Guo, L.; Wu, J.; Yi, X. Reasons for the low flowback rates of fracturing fluids in marine shale. Nat. Gas Ind. B 2018, 5, 35–40. [Google Scholar] [CrossRef]
  9. Guo, J.; Lin, B.; Xiang, J.; Zhong, H. Study of factors affecting the flowback ratio and productive capacity of Longmaxi Formation shale in the Sichuan basin after fracturing. Pet. Sci. Bull. 2019, 3, 273–287. [Google Scholar]
  10. Lin, B.; Guo, J.; Liu, X.; Xiang, J.; Zhong, H. Prediction of flowback ratio and production in Sichuan shale gas reservoirs and their relationships with stimulated reservoir volume. J. Pet. Sci. Eng. 2020, 184, 106529. [Google Scholar] [CrossRef]
  11. Li, Y.; Cao, D.; Wu, P.; Niu, X.; Zhang, Y. Variation in maceral composition and gas content with vitrinite reflectance in bituminous coal of the eastern Ordos basin, China. J. Pet. Sci. Eng. 2017, 149, 114–125. [Google Scholar] [CrossRef]
  12. Kuang, L.; Dong, D.; He, W.; Wen, S.; Sun, S.; Li, S.; Qiu, Z.; Liao, X.; Li, Y.; Wu, J.; et al. Geological characteristics and development potential of transitional shale gas in the east margin of the Ordos Basin, NW China. Pet. Explor. Dev. 2020, 47, 435–446. [Google Scholar] [CrossRef]
  13. Lin, H.; Yang, B.; Song, X.; Sun, X.; Dong, L. Fracturing fluid retention in shale gas reservoir from the perspective of pore size based on nuclear magnetic resonance. J. Hydrol. 2021, 601, 126590. [Google Scholar]
  14. Mirzaei-Paiaman, A.; Dalvand, K.; Kohshour, I.O.; Masihi, M.; Moghadasi, J. A study on the key influential factors of a gas reservoir's potential for aqueous phase trapping. Energy Sources Part A Recovery Util. Environ. Eff. 2012, 34, 1541–1549. [Google Scholar] [CrossRef]
  15. You, L.; Xie, B.; Yang, J.; Kang, Y.; Han, H.; Wang, L.; Yang, B. Mechanism of fracture damage induced by fracturing fluid flowback in shale gas reservoirs. Nat. Gas Ind. B 2019, 6, 366–373. [Google Scholar] [CrossRef]
  16. Zou, G.; Pan, B.; Zhu, W.; Liu, Y.; Ma, S.; Liu, M. Investigation of Fracturing Fluid Flowback in Hydraulically Fractured Formations Based on Microscopic Visualization Experiments. Polymers 2023, 15, 1560. [Google Scholar] [CrossRef]
  17. Wang, F.; Pan, Z.; Zhang, S. Modeling fracturing-fluid flowback behavior in hydraulically fractured shale gas under chemical potential dominated conditions. Appl. Geochem. 2016, 74, 194–202. [Google Scholar] [CrossRef]
  18. Wang, H.; Zhang, L.; Zhao, Q.; Qiu, Z.; Liu, D.; Zhang, Q.; Wang, Y.; Dong, D. Reservoir Characteristics of the Lower Permian Marine-Continental Transitional Shales: Example from the Shanxi Formation and Taiyuan Formation in the Ordos Basin. Geofluids 2021, 2021, 1–17. [Google Scholar] [CrossRef]
  19. Zhang, Q.; Qiu, Z.; Zhang, L.; Xiao, Y.; Liu, D.; Liu, W.; Li, S.; Li, X. Reservoir characteristics and its influence on transitional shale; An example from Permian Shanxi formation shale, Daning-jixian blocks, Ordos Basin. Nat. Gas Geosci. 2022, 33, 396–407. [Google Scholar]
  20. Zhao, L.; Wen, G.; Li, X.; Li, X.; Li, Y.; Shi, X.; Yang, M. Evaluation of "Sweet Spot" Tight Sandstone Gas Reservoirs in the 2nd-3rd Sub-Member of the Shanxi Formation, Daning-Jixian Block, Ordos Basin. Nat. Gas Ind. 2018, 38 (Suppl. S1), 5–10. [Google Scholar]
  21. Li, W.; Chen, G.; Sun, B.; Sun, F.; Zhao, Q. Geological Controls of Coalbed Methane Enrichment in Daning-Jixian Area, Southeastern Ordos Basin. Nat. Gas Geosci. 2011, 22, 352–360. [Google Scholar]
  22. Tian, W. Sedimentary System Study of Permian Shaanxi Formation in South-Eastern of Ordos Basin. Ph.D. Thesis, Northwest University, Xi’an, China, 2016. [Google Scholar]
  23. Tian, X. Research on Tight Gas Reservoirs Evaluationand Classifcation of Benxi Formation-Shanxiformation in Eastern Ordos Basin. Ph.D. Thesis, Northwest University, Xi’an, China, 2016. [Google Scholar]
  24. Lan, C.; Guo, W.; Wang, Q.; Zhang, X. Shale Gas Accumulation Condition and favorable Area Optimization of the Permian Shanxi formation, Eastern Ordos Basin. Acta Geol. Sin. 2016, 90, 177–188. [Google Scholar]
  25. Kang, Y.; Lai, Z.; Chen, M.; Wu, J.; Li, B. Time Effects of Stress Sensitivity in Shale Reservoirs. J. Southwest Pet. Univ. (Sci. Technol. Ed.) 2024, 46, 53–63. [Google Scholar]
  26. Zhang, R.; Lu, G.; Peng, X.; Li, L.; Hu, Y.; Zhao, Y.; Zhang, L. Study on the mechanism of gas-water two-phase flow in carbonate reservoirs at pore scale. Petroleum 2024, 10, 631–645. [Google Scholar] [CrossRef]
  27. Kang, Y.; Yang, B.; Li, X.; Yang, J.; You, L.; Chen, Q. Quantitative characterization of micro forces in shale hydration and field applications. Pet. Explor. Dev. 2017, 44, 301–308. [Google Scholar] [CrossRef]
  28. Hassani, A.; Kamali, M.R. Optimization of acid injection rate in high rate acidizing to enhance the production rate: An experimental study in Abteymour oil field, Iran. J. Pet. Sci. Eng. 2017, 156, 553–562. [Google Scholar] [CrossRef]
  29. Israelachvili, J.N. Intermolecular and Surface Forces; Academic Prees: Cambridge, MA, USA, 1985. [Google Scholar]
  30. Kang, Y.; Li, P.; Cao, W.; Chen, M.; You, L.; Liu, J.; Lai, Z. Investigation of pore structure alteration and permeability enhancement of shale matrix by supercritical water treatment after hydraulic fracturing. Petroleum 2022, 10, 265–274. [Google Scholar] [CrossRef]
Figure 1. Shale fracturing fluid flowback experimental device. 1, 12—nitrogen cylinder, 2—Intermediate container with piston; 3—Booster pump; 4—Vacuum pump, 5, 8—Pressure sensor; 6—Confining pressure pump; 7—Core holder; 9—Incubator; 10—Back-pressure valve; 11—Mass flowmeter.
Figure 1. Shale fracturing fluid flowback experimental device. 1, 12—nitrogen cylinder, 2—Intermediate container with piston; 3—Booster pump; 4—Vacuum pump, 5, 8—Pressure sensor; 6—Confining pressure pump; 7—Core holder; 9—Incubator; 10—Back-pressure valve; 11—Mass flowmeter.
Processes 13 01398 g001
Figure 2. Permeability vs. Flowback Time Relationship Curve for Marine-Continental Transitional Shale. (a) Relationship between permeability and flowback time for HLY3-2. (b) Permeability and flowback time relationship for HLY3-1.
Figure 2. Permeability vs. Flowback Time Relationship Curve for Marine-Continental Transitional Shale. (a) Relationship between permeability and flowback time for HLY3-2. (b) Permeability and flowback time relationship for HLY3-1.
Processes 13 01398 g002
Figure 3. Flowback Curves of Liquid Phase in Marine–Continental Transitional Shale with Varying Mineralization Degrees. (a) Relationship between normalized permeability and flowback time. (b) Relationship between permeability recovery rate and flowback time.
Figure 3. Flowback Curves of Liquid Phase in Marine–Continental Transitional Shale with Varying Mineralization Degrees. (a) Relationship between normalized permeability and flowback time. (b) Relationship between permeability recovery rate and flowback time.
Processes 13 01398 g003
Figure 4. Results of shale liquid flowback before and after treatment with different acid solutions.
Figure 4. Results of shale liquid flowback before and after treatment with different acid solutions.
Processes 13 01398 g004
Figure 5. Scanning Electron Microscopy Results of Marine–Continental Transitional Shale. (a) Hydration expansion of clay minerals causing fractures after low-salinity solution treatment; (b) Partial dissolution of organic matter under slick water fracturing fluid treatment; (c) Dissolution of pyrite and siderite by acetic acid solution; (d) Formation of numerous micro-cracks under hydrochloric acid solution treatment.
Figure 5. Scanning Electron Microscopy Results of Marine–Continental Transitional Shale. (a) Hydration expansion of clay minerals causing fractures after low-salinity solution treatment; (b) Partial dissolution of organic matter under slick water fracturing fluid treatment; (c) Dissolution of pyrite and siderite by acetic acid solution; (d) Formation of numerous micro-cracks under hydrochloric acid solution treatment.
Processes 13 01398 g005aProcesses 13 01398 g005b
Figure 6. Shale pore size distribution curves before and after treatment with fracturing fluids of varying properties.
Figure 6. Shale pore size distribution curves before and after treatment with fracturing fluids of varying properties.
Processes 13 01398 g006
Figure 7. Mechanism of fracturing fluid interaction with marine–continental transitional shale.
Figure 7. Mechanism of fracturing fluid interaction with marine–continental transitional shale.
Processes 13 01398 g007
Figure 8. Dissolution rate results for various mineral types.
Figure 8. Dissolution rate results for various mineral types.
Processes 13 01398 g008
Table 1. Basic Physical Properties of Experimental Samples.
Table 1. Basic Physical Properties of Experimental Samples.
Sample IDLength/cmDiameter/cmWeight/gPorosity/%Permeability/mD
HLY3-15.032.54 72.6123.47 0.468
HLY3-25.09 2.51 62.4423.68 0.089
HLY1465.032.52 66.6323.560.052
HLD1-15.01 2.51 60.5014.09 0.803
Table 2. Mineral Composition and Total Organic Carbon (TOC) Content of Rock Samples.
Table 2. Mineral Composition and Total Organic Carbon (TOC) Content of Rock Samples.
Mineral Composition, wt.%TOC, wt.%
ClayQuartzPyrite & SideriteCalciteDolomite
48.2939.078.135.42.542.37
Table 3. Salinity of Fracturing Flowback Fluid.
Table 3. Salinity of Fracturing Flowback Fluid.
Sample IDIon Concentration/(mg/L)
K+Na+Ca2+Mg2+Fe3+Sr2+SO42−NO32−ClTotal Salinity
J1 Well405.811,024.322,454.51539.62136.65102.62.66500.6287,218.0128,461.74
JH Well342.610,303.910,484.81040.82470.92863.22.37501.8654,003.979,790.54
Table 4. Results of Fracturing Fluid Flowback for Marine–continental Transitional Shales.
Table 4. Results of Fracturing Fluid Flowback for Marine–continental Transitional Shales.
Sample IDPermeability Before Flowback/mDPermeability After Flowback/mDPermeability Recovery Rate/%Weight Before Flowback/gWeight
After Flowback/g
Flowback Rate/%
HLY3-10.0120.02513.67%63.7163.4748.51%
HLY3-20.00450.014210.84%62.9562.6542.29%
Table 5. Shale Liquid Flowback Results under Fluids with Different Salinity.
Table 5. Shale Liquid Flowback Results under Fluids with Different Salinity.
Experimental FluidPermeability Before Flowback/mDPermeability After Flowback/mDPermeability Recovery Rate/%Weight Before Flowback/gWeight
After Flowback/g
Flowback Rate/%
Formation Water0.00140.00771.36%73.7172.8444.75%
Sub-formation Water0.00040.00093.57%73.1772.9234.4%
Distilled Water0.00010.00017.79%73.3173.1718.41%
Table 6. Shale liquid flowback results under the influence of different acid solutions.
Table 6. Shale liquid flowback results under the influence of different acid solutions.
Experimental FluidPermeability Before Flowback/mDPermeability After Flowback/mDPermeability Recovery Rate/%Weight Before Flowback/gWeight
After Flowback/g
Flowback Rate/%
Before Acetic Acid Treatment0.00140.00415.17%67.0666.9024.24%
After Acetic Acid Treatment0.00300.009412.27%67.1366.8146.49%
Before Hydrochloric Acid Treatment0.00160.00352.95%60.7960.6228.8%
After Hydrochloric Acid Treatment0.00390.00989.05%60.9560.6745.22%
Table 7. Changes in Shale Porosity and Permeability Before and After Treatment with Fracturing Fluids of Different Properties.
Table 7. Changes in Shale Porosity and Permeability Before and After Treatment with Fracturing Fluids of Different Properties.
Sample IDNotePorosity /%Porosity Change Rate/%Permeability/mDPermeability Change Rate/%
HLY3-1Original sample3.47/0.4588/
After formation water treatment3.03−41.500.3159−31.15
After sub-formation water treatment0.86−75.220.0006−99.87
After distilled water treatment0.27−92.220.0002−99.96
HLY146Original sample3.56/0.052/
After acetic acid treatment4.2017.992.24644220.00
HLD1-1Original sample4.09/0.803/
After hydrochloric acid treatment4.438.273.977395.28
Disclaimer/Publisher’s Note: The statements, opinions and data contained in all publications are solely those of the individual author(s) and contributor(s) and not of MDPI and/or the editor(s). MDPI and/or the editor(s) disclaim responsibility for any injury to people or property resulting from any ideas, methods, instructions or products referred to in the content.

Share and Cite

MDPI and ACS Style

Chen, M.; Ning, X.; Kang, Y.; Wu, J.; Li, B.; Shi, Y.; Lai, Z.; Bai, J.; Yan, M. Effect of Fracturing Fluid Properties on the Flowback Efficiency of Marine and Continental Transitional Shale Gas Reservoirs in Ordos Basin. Processes 2025, 13, 1398. https://doi.org/10.3390/pr13051398

AMA Style

Chen M, Ning X, Kang Y, Wu J, Li B, Shi Y, Lai Z, Bai J, Yan M. Effect of Fracturing Fluid Properties on the Flowback Efficiency of Marine and Continental Transitional Shale Gas Reservoirs in Ordos Basin. Processes. 2025; 13(5):1398. https://doi.org/10.3390/pr13051398

Chicago/Turabian Style

Chen, Mingjun, Xianyi Ning, Yili Kang, Jianjun Wu, Bing Li, Yang Shi, Zhehan Lai, Jiajia Bai, and Maoling Yan. 2025. "Effect of Fracturing Fluid Properties on the Flowback Efficiency of Marine and Continental Transitional Shale Gas Reservoirs in Ordos Basin" Processes 13, no. 5: 1398. https://doi.org/10.3390/pr13051398

APA Style

Chen, M., Ning, X., Kang, Y., Wu, J., Li, B., Shi, Y., Lai, Z., Bai, J., & Yan, M. (2025). Effect of Fracturing Fluid Properties on the Flowback Efficiency of Marine and Continental Transitional Shale Gas Reservoirs in Ordos Basin. Processes, 13(5), 1398. https://doi.org/10.3390/pr13051398

Note that from the first issue of 2016, this journal uses article numbers instead of page numbers. See further details here.

Article Metrics

Back to TopTop