Computer Science Techniques Applied to Temperature Control in Biodiesel Production: Mathematical Modeling, Optimization, and Sensorless Technique
Abstract
1. Introduction
- To identify the dynamics of a biodiesel production system by means of a CNN.
- To tune a neuro-fuzzy controller by applying metahumanistic techniques using the system obtained by means of the CNN.
- To propose the cooling action as a temperature control problem to optimize the energy applied in this stage.
- To apply a sensorless technique based on the implementation of a CNN for the replacement of the control signal in case of failure.
2. Materials and Methods
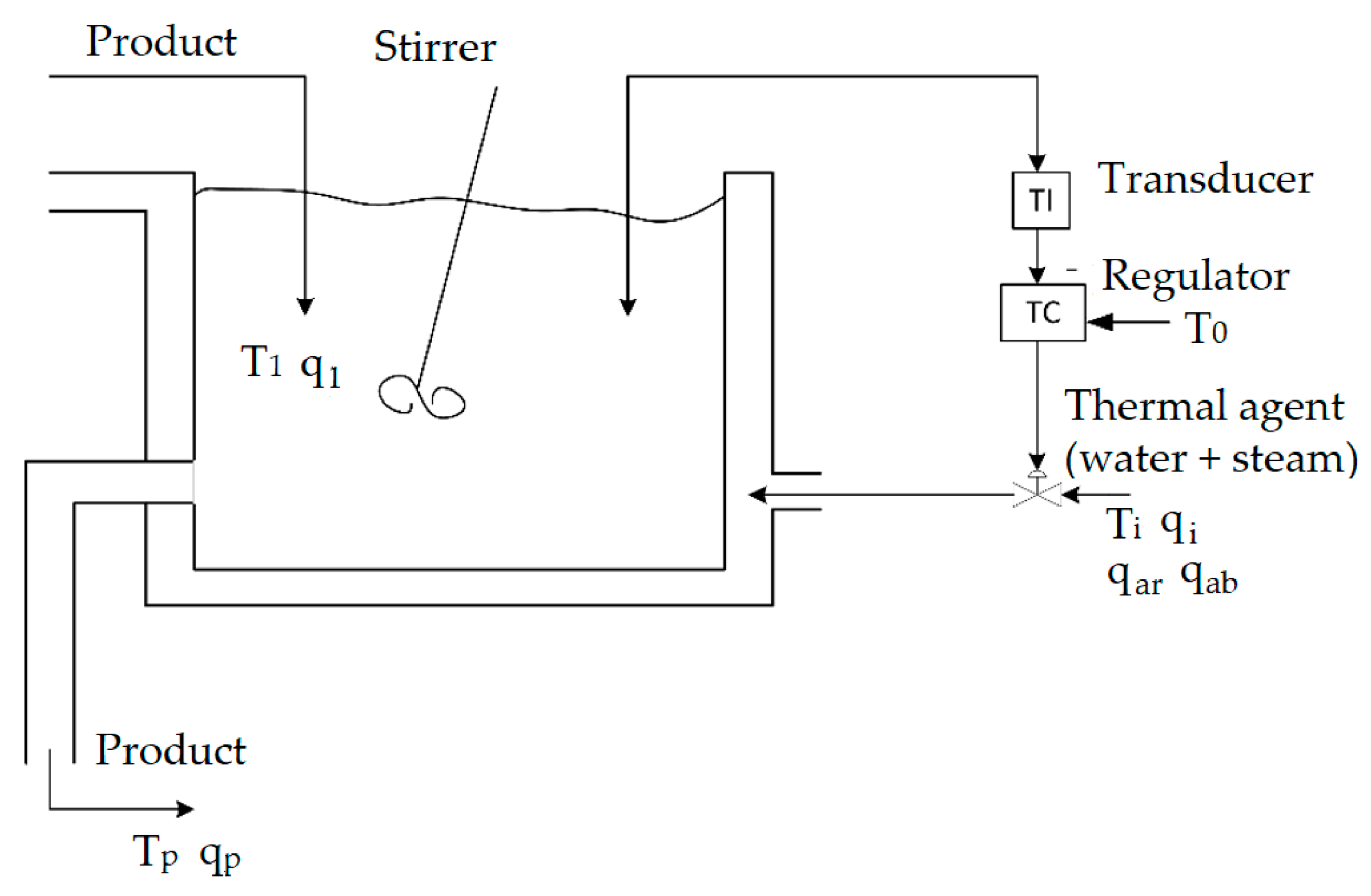
2.1. Problem Description
2.2. Identification Theory Using Convolutional Neural Network
2.3. System Identification Procedure
| Algorithm 1 System identification procedure |
|
Propose CNN hyper-parameters, . while do ▷ N -> total of data Use control signal U into . Run CNN to get . Use system output into for next iteration. Compute estimation error . Update hyper-parameters using gradient descendant method. end while Realize a testing stage to verify the training process with aid of MSE index if then ▷ Mm -> minimum value for acceptance estimation Repeat previous steps with a different CNN hyper-parameters selection. end if |
2.4. Neuro-Fuzzy Controller
2.5. Sensorless
2.6. Tuning NFC Parameters with a Bilevel Optimization Approach with Differential Evolution (DE)
2.6.1. The Original Problem
2.6.2. The Proposed Modified Problems
2.6.3. Final Methodology
3. Experimentation and Discussion
3.1. Case of Study
3.2. First Optimization Proposal
3.3. Second Optimization Proposal
3.4. Discussion
4. Conclusions
Author Contributions
Funding
Data Availability Statement
Acknowledgments
Conflicts of Interest
References
- Borase, R.P.; Maghade, D.K.; Sondkar, S.Y.; Pawar, S.N. A review of PID control, tuning methods and applications. Int. J. Dynam. Control 2021, 9, 818–827. [Google Scholar] [CrossRef]
- Ljung, L. System Identification Theory for User; Prentice-Hall: Englewood Cliffs, NJ, USA, 1987. [Google Scholar]
- Oluyisola, O.E.; Bhalla, S.; Sgarbossa, F.; Strandhagen, J.O. Designing and developing smart production planning and control systems in the industry 4.0 era: A methodology and case study. J. Intell. Manuf. 2022, 33, 311–332. [Google Scholar] [CrossRef]
- Schwenzer, M.; Ay, M.; Bergs, T.; Abel, D. Review on model predictive control: An engineering perspective. Int. J. Adv. Manuf. Technol. 2021, 117, 1327–1349. [Google Scholar] [CrossRef]
- Shi, H.; Zhang, L.; Pan, D.; Wang, G. Deep Reinforcement Learning-Based Process Control in Biodiesel Production. Processes 2024, 12, 2885. [Google Scholar] [CrossRef]
- Masera, O.; Rivero, J.C.S. Promoting a Sustainable Energy Transition in Mexico: The Role of Solid Biofuels. BioEnergy Res. 2022, 15, 1691–1693. [Google Scholar] [CrossRef]
- Balance Nacional de Energía: Producción de Energía Primaria. Available online: https://www.gob.mx/sener/articulos/balance-nacional-de-energia-296106 (accessed on 14 June 2022).
- Orozco-Ramírez, Q.; Cohen-Salgado, D.; Arias-Chalico, T.; García, C.A.; Martínez-Bravo, R.; Masera, O. Production and market barriers of solid forest biofuels in Mexico from the enterprises’ perspective. Madera Bosques 2022, 28, e2812404. [Google Scholar] [CrossRef]
- Sosa-Rodríguez, F.S.; Vazquez-Arenas, J. The biodiesel market in Mexico: Challenges and perspectives to overcome in Latin-American countries. Energy Convers. Manag. X 2021, 12, 100149. [Google Scholar] [CrossRef]
- Macías-Alonso, M.; Hernández-Soto, R.; Carrera-Rodríguez, M.; Salazar-Hernández, C.; Mendoza-Miranda, J.M.; Villegas-Alcaraz, J.F.; Marrero, J.G. Obtention of biodiesel through an enzymatic two-step process. Study of its performance and characteristic emissions. RSC Adv. 2022, 12, 23747–23753. [Google Scholar] [CrossRef]
- Boly, M.; Sanou, A. Biofuels and food security: Evidence from Indonesia and Mexico. Energy Policy 2022, 163, 112834. [Google Scholar] [CrossRef]
- Yaqoob, H.; Teoh, Y.H.; Sher, F.; Farooq, M.U.; Jamil, M.A.; Kausar, Z.; Sabah, N.U.; Shah, M.F.; Rehman, H.Z.U.; Rehman, A.U. Potential of waste cooking oil biodiesel as renewable fuel in combustion engines: A review. Energies 2021, 14, 2565. [Google Scholar] [CrossRef]
- Janta-Lipińska, S.; Shkarovskiy, A.; Chrobak, Ł. Improving the Fuel Combustion Quality Control System in Medium Power Boilers. Energies 2024, 17, 3055. [Google Scholar] [CrossRef]
- Ljung, L. Perspectives on system identification. Annu. Rev. Control 2010, 34, 1–12. [Google Scholar] [CrossRef]
- Kozin, F.; Natke, H. System identification techniques. Struct. Saf. 1986, 3, 269–316. [Google Scholar] [CrossRef]
- Nelles, O.; Nelles, O. Nonlinear Dynamic System Identification; Springer: Berlin/Heidelberg, Germany, 2020. [Google Scholar]
- He, F.; Yang, Y. Nonlinear system identification of neural systems from neurophysiological signals. Neuroscience 2021, 458, 213–228. [Google Scholar] [CrossRef]
- Liu, Y.J.; Zhao, W.; Liu, L.; Li, D.; Tong, S.; Chen, C.P. Adaptive neural network control for a class of nonlinear systems with function constraints on states. IEEE Trans. Neural Netw. Learn. Syst. 2021, 34, 2732–2741. [Google Scholar] [CrossRef]
- Szegedy, C.; Toshev, A.; Erhan, D. Deep neural networks for object detection. In Proceedings of the Advances in Neural Information Processing Systems 26 (NIPS 2013), Lake Tahoe, NE, USA, 5–8 December 2013. [Google Scholar]
- Pang, Z.; Niu, F.; O’Neill, Z. Solar radiation prediction using recurrent neural network and artificial neural network: A case study with comparisons. Renew. Energy 2020, 156, 279–289. [Google Scholar] [CrossRef]
- Dolling, O.R.; Varas, E.A. Artificial neural networks for streamflow prediction. J. Hydraul. Res. 2002, 40, 547–554. [Google Scholar] [CrossRef]
- Dong, A.; Starr, A.; Zhao, Y. Neural network-based parametric system identification: A review. Int. J. Syst. Sci. 2023, 54, 2676–2688. [Google Scholar] [CrossRef]
- Lenzi, A.; Bessac, J.; Rudi, J.; Stein, M.L. Neural networks for parameter estimation in intractable models. Comput. Stat. Data Anal. 2023, 185, 107762. [Google Scholar] [CrossRef]
- Liu, Z.; Gao, H.; Yu, X.; Lin, W.; Qiu, J.; Rodríguez-Andina, J.J.; Qu, D. B-spline wavelet neural-network-based adaptive control for linear-motor-driven systems via a novel gradient descent algorithm. IEEE Trans. Ind. Electron. 2023, 71, 1896–1905. [Google Scholar] [CrossRef]
- Derry, A.; Krzywinski, M.; Altman, N. Convolutional neural networks. Nat. Methods 2023, 20, 1269–1270. [Google Scholar] [CrossRef] [PubMed]
- Hubel, D.H.; Wiesel, T.N. Receptive fields of single neurones in the cat’s striate cortex. J. Physiol. 1959, 148, 574–591. [Google Scholar] [CrossRef]
- Bharadiya, J. Convolutional neural networks for image classification. Int. J. Innov. Sci. Res. Technol. 2023, 8, 673–677. [Google Scholar]
- Taye, M.M. Theoretical understanding of convolutional neural network: Concepts, architectures, applications, future directions. Computation 2023, 11, 52. [Google Scholar] [CrossRef]
- Krichen, M. Convolutional neural networks: A survey. Computers 2023, 12, 151. [Google Scholar] [CrossRef]
- Fan, G.; Zhang, X. Battery capacity estimation using 10-second relaxation voltage and a convolutional neural network. Appl. Energy 2023, 330, 120308. [Google Scholar] [CrossRef]
- Kabir, S.; Patidar, S.; Xia, X.; Liang, Q.; Neal, J.; Pender, G. A deep convolutional neural network model for rapid prediction of fluvial flood inundation. J. Hydrol. 2020, 590, 125481. [Google Scholar] [CrossRef]
- Rodríguez-Abreo, O.; Velásquez, F.A.C.; de Paz, J.P.Z.; Godoy, J.L.M.; Garcia Guendulain, C. Sensorless Estimation Based on Neural Networks Trained with the Dynamic Response Points. Sensors 2021, 21, 6719. [Google Scholar] [CrossRef] [PubMed]
- Llorente-Vidrio, D.; Ballesteros, M.; Salgado, I.; Chairez, I. Deep Learning Adapted to Differential Neural Networks Used as Pattern Classification of Electrophysiological Signals. IEEE Trans. Pattern Anal. Mach. Intell. 2022, 44, 4807–4818. [Google Scholar] [CrossRef]
- Llorente-Vidrio, D.; Pérez-San Lázaro, R.; Ballesteros, M.; Salgado, I.; Cruz-Ortiz, D.; Chairez, I. Event driven sliding mode control of a lower limb exoskeleton based on a continuous neural network electromyographic signal classifier. Mechatronics 2020, 72, 102451. [Google Scholar] [CrossRef]
- Escobar-Jiménez, R.; Salvide-Hernández, F.; López-Muñoz, R.; Tolentino-Eslava, R.; Maya-Rodriguez, M.C. Monitoring and Prediction of Drinking Water Consumption. In Proceedings of the Telematics and Computing, Cancún, México, 7–11 November 2022; Mata-Rivera, M.F., Zagal-Flores, R., Barria-Huidobro, C., Eds.; pp. 60–75. [Google Scholar]
- Pezeshki, Z.; Mazinani, S.M. Comparison of artificial neural networks, fuzzy logic and neuro fuzzy for predicting optimization of building thermal consumption: A survey. Artif. Intell. Rev. 2019, 52, 495–525. [Google Scholar] [CrossRef]
- Pacco, H.C. Simulation of temperature control and irrigation time in the production of tulips using Fuzzy logic. Procedia Comput. Sci. 2022, 200, 1–12. [Google Scholar] [CrossRef]
- Azad, A.S.; Rahaman, M.S.A.; Watada, J.; Vasant, P.; Vintaned, J.A.G. Optimization of the hydropower energy generation using Meta-Heuristic approaches: A review. Energy Rep. 2020, 6, 2230–2248. [Google Scholar] [CrossRef]
- Han, H.; Liu, H.; Li, J.; Qiao, J. Cooperative fuzzy-neural control for wastewater treatment process. IEEE Trans. Ind. Inform. 2020, 17, 5971–5981. [Google Scholar] [CrossRef]
- Stanescu, R.C.; Leahu, C.I.; Soica, A. Aspects Regarding the Modelling and Optimization of the Transesterification Process through Temperature Control of the Chemical Reactor. Energies 2023, 16, 2883. [Google Scholar] [CrossRef]
- Yu, W.; Pacheco, M. Impact of random weights on nonlinear system identification using convolutional neural networks. Inf. Sci. 2019, 477, 1–14. [Google Scholar] [CrossRef]
- Maya-Rodriguez, M.C.; Carvajal-Mariscal, I.; López-Muñoz, R.; Lopez-Pacheco, M.A.; Tolentino-Eslava, R. Temperature Control of a Chemical Reactor Based on Neuro-Fuzzy Tuned with a Metaheuristic Technique to Improve Biodiesel Production. Energies 2023, 16, 6187. [Google Scholar] [CrossRef]
- Bortolet, P.; Palm, R. Identification, modeling and control by means of Takagi-Sugeno fuzzy systems. In Proceedings of the 6th International Fuzzy Systems Conference, Barcelona, Spain, 1–5 July 1997; Volume 1, pp. 515–520. [Google Scholar] [CrossRef]
- Huba, M.; Hypiusová, M.; Ťapák, P.; Vrancic, D. Active Disturbance Rejection Control for DC Motor Laboratory Plant Learning Object. Information 2020, 11, 151. [Google Scholar] [CrossRef]
- López-Muñoz, R.; Molina-Pérez, D.; Vega-Alvarado, E.; Duran-Medina, P.; Maya-Rodriguez, M.C. A Bilevel Optimization Approach for Tuning a Neuro-Fuzzy Controller. Appl. Sci. 2024, 14, 5078. [Google Scholar] [CrossRef]
- Dempe, S.; Kue, F.M. Solving discrete linear bilevel optimization problems using the optimal value reformulation. J. Glob. Optim. 2017, 68, 255–277. [Google Scholar] [CrossRef]
- Liu, J.; Wang, Y.; Huang, P.Q.; Jiang, S. Car: A cutting and repulsion-based evolutionary framework for mixed-integer programming problems. IEEE Trans. Cybern. 2021, 52, 13129–13141. [Google Scholar] [CrossRef]
- Starke, S.; Hendrich, N.; Zhang, J. Memetic Evolution for Generic Full-Body Inverse Kinematics in Robotics and Animation. IEEE Trans. Evol. Comput. 2019, 23, 406–420. [Google Scholar] [CrossRef]
- Deb, K. An efficient constraint handling method for genetic algorithms. Comput. Methods Appl. Mech. Eng. 2000, 186, 311–338. [Google Scholar] [CrossRef]
- Dorf, R.C.; Bishop, R.H. Modern Control Systems, 14th ed.; Pearson: Boston, MA, USA, 2017. [Google Scholar]










| Parameter | Range |
|---|---|
| Parameter of the membership | |
| functions ( and ) | |
| Learning rate constants | |
| Member functions number m | |
| Initial weights refereed to |
| Run | Objective Function | Constraint Value | ITAE | TVU |
|---|---|---|---|---|
| 1 | 0 | |||
| 2 | ||||
| 3 | ||||
| 4 | ||||
| 5 | ||||
| 6 | ||||
| 7 | ||||
| 8 | ||||
| 9 | ||||
| 10 | ||||
| Average | ||||
| Standard deviation |
| Controller | ITAE | TVU |
|---|---|---|
| NFC without penalization | 22.3993 | |
| NFC first optimization proposal | ||
| NFC second optimization proposal |
Disclaimer/Publisher’s Note: The statements, opinions and data contained in all publications are solely those of the individual author(s) and contributor(s) and not of MDPI and/or the editor(s). MDPI and/or the editor(s) disclaim responsibility for any injury to people or property resulting from any ideas, methods, instructions or products referred to in the content. |
© 2025 by the authors. Licensee MDPI, Basel, Switzerland. This article is an open access article distributed under the terms and conditions of the Creative Commons Attribution (CC BY) license (https://creativecommons.org/licenses/by/4.0/).
Share and Cite
Maya-Rodriguez, M.C.; Carvajal-Mariscal, I.; López-Muñoz, R.; Lopez-Pacheco, M.A.; Tolentino-Eslava, R. Computer Science Techniques Applied to Temperature Control in Biodiesel Production: Mathematical Modeling, Optimization, and Sensorless Technique. Processes 2025, 13, 672. https://doi.org/10.3390/pr13030672
Maya-Rodriguez MC, Carvajal-Mariscal I, López-Muñoz R, Lopez-Pacheco MA, Tolentino-Eslava R. Computer Science Techniques Applied to Temperature Control in Biodiesel Production: Mathematical Modeling, Optimization, and Sensorless Technique. Processes. 2025; 13(3):672. https://doi.org/10.3390/pr13030672
Chicago/Turabian StyleMaya-Rodriguez, Mario C., Ignacio Carvajal-Mariscal, Raúl López-Muñoz, Mario A. Lopez-Pacheco, and René Tolentino-Eslava. 2025. "Computer Science Techniques Applied to Temperature Control in Biodiesel Production: Mathematical Modeling, Optimization, and Sensorless Technique" Processes 13, no. 3: 672. https://doi.org/10.3390/pr13030672
APA StyleMaya-Rodriguez, M. C., Carvajal-Mariscal, I., López-Muñoz, R., Lopez-Pacheco, M. A., & Tolentino-Eslava, R. (2025). Computer Science Techniques Applied to Temperature Control in Biodiesel Production: Mathematical Modeling, Optimization, and Sensorless Technique. Processes, 13(3), 672. https://doi.org/10.3390/pr13030672

