On Voltage Regulation Technology for Long-Distance Power Supply in Underground Coal Mines Based on On-Load Voltage Regulation
Abstract
1. Introduction
- (1)
- Impact on terminal equipment motors
- (2)
- Impact on the insulation of power cables
- (3)
- Impact on safety production in coal mines
2. Current Research on On-Load Automatic Voltage Regulation Technology
3. Design of a Voltage Regulation Scheme for Long-Distance Power Supply
3.1. Calculation of Terminal Voltage at the End of the Mining Face
3.2. Design of a Voltage Regulation Scheme
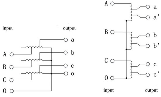
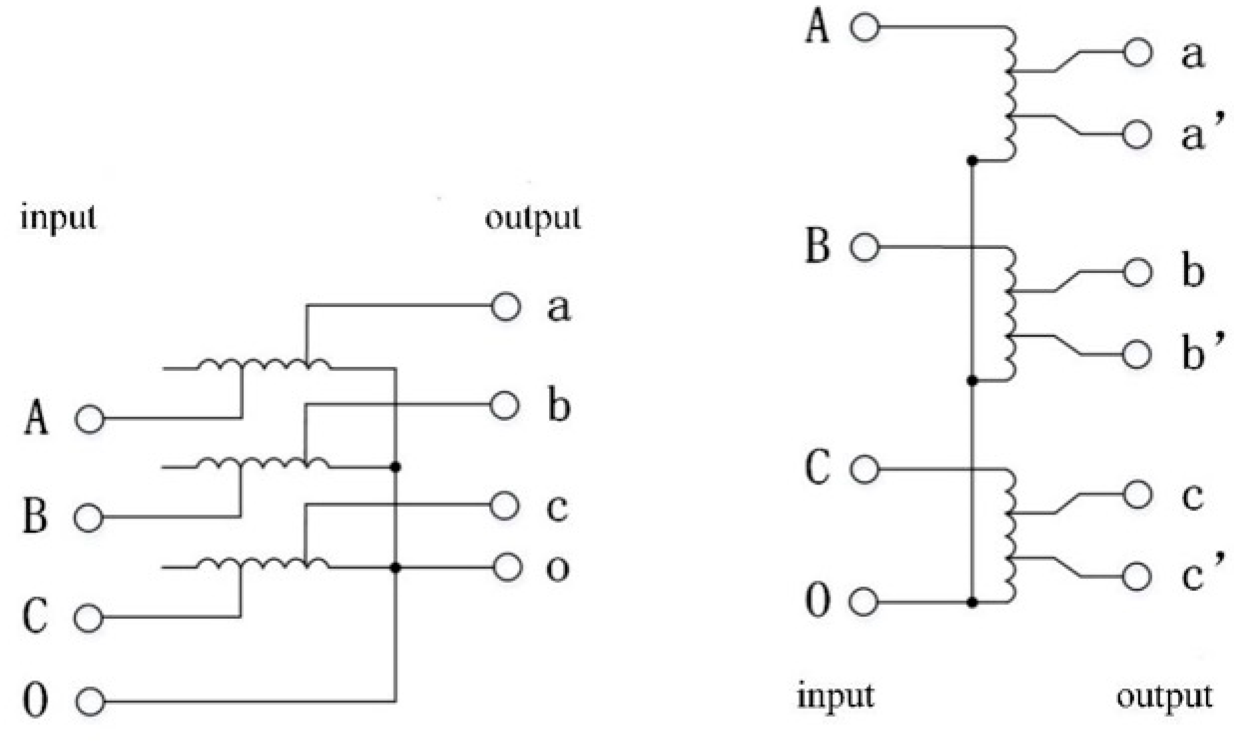
3.3. Design of an On-Load Voltage Regulation Device
- (1)
- Step-down autotransformer
- (2)
- Column-type stepless voltage regulator
- (3)
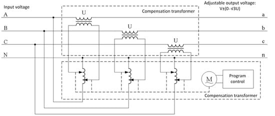
- Compensation transformer
- (4)
- Instrument transformer
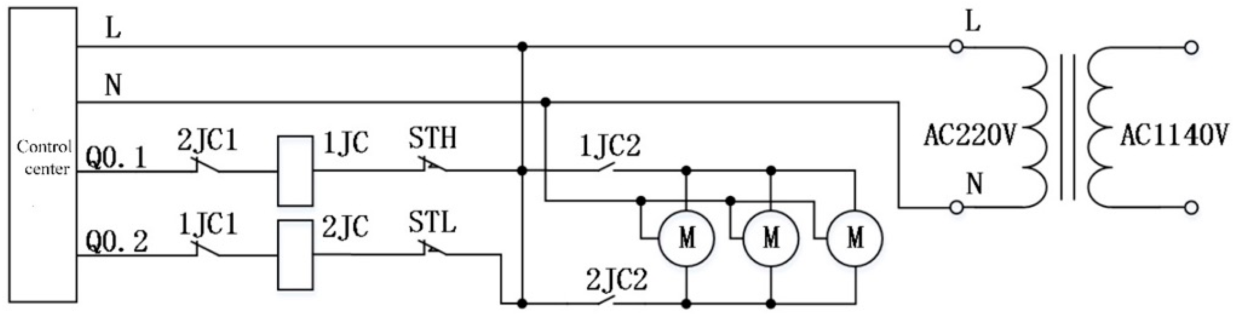
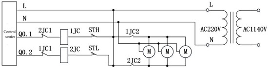
3.4. Control Center
4. Control Mode and Voltage Regulation Strategies
4.1. Control Mode
4.2. Design of Voltage Regulation
5. Hardware Design and Model Selection for the Voltage Regulation Device
5.1. Design of the Step-Down Autotransformer
5.2. Design of the Column-Type Stepless Compensating Voltage Regulator
5.3. Design of the Compensating Transformer
5.4. Signal Acquisition
5.5. Enclosure Design
6. Application of the On-Load Voltage Regulation Device
6.1. Application of the On-Load Voltage Regulation Device in Underground Coal Mines
6.2. Simulation and Analysis of the On-Load Voltage Regulation Device
6.3. Automatic Voltage Regulation Test
7. Conclusions
Author Contributions
Funding
Institutional Review Board Statement
Informed Consent Statement
Data Availability Statement
Conflicts of Interest
References
- Liu, H.; Hu, Y.; Miao, S.; Zhao, M. Study on the characteristics of coal resource flow and carbon emission calculation in china under the background of “double carbon”. Coal Econ. Res. 2025, 1, 6–16. [Google Scholar] [CrossRef]
- Liang, Y. Theory and technology considerations on high-quality development of coal main energy security in China. Bull. Chin. Acad. Sci. 2023, 1, 11–22. [Google Scholar] [CrossRef]
- Li, X. Research on development of new energy transportation technology in open-pit coal mines in China under background of “dual carbon”. Opencast Min. Technol. 2025, 4, 39–42. [Google Scholar] [CrossRef]
- Su, G.; Shuai, H.X.; Guo, Y.C.; Hu, K.; Zhao, D.Y.; Pang, Z.J. Research on the relative pose detection method of the joint unit of the excavation and support anchor robot based on infrared thermal imaging. J. Coal Ind. 2025, 10, 4640–4653. [Google Scholar] [CrossRef]
- Su, J.; Du, B.; Li, J.; Li, Z. Electrical tree degradation in high-voltage cable insulation: Progress ang challenges. High Volt. 2020, 4, 353–364. [Google Scholar] [CrossRef]
- Li, J.L.; Ye, X. Analysis of characteristics and patterns of coal mine accidents in China from 2018 to 2023. Saf. Coal Mines 2025, 10, 248–256. [Google Scholar] [CrossRef]
- Zheng, R.J. Research on Underground Coal Mine Power Monitoring System. Energy Energy Conserv. 2025, 9, 111–113. [Google Scholar] [CrossRef]
- Ren, X.W.; Wang, Z.X.; Wang, R. Study on fire hazard of cable in coal mine. Saf. Coal Mines 2022, 9, 151–156. [Google Scholar] [CrossRef]
- Yin, Y.; Zhang, G.H.; Wang, H.L. Analysis of the impact of grid voltage and frequency fluctuations on the operation of large generators. Shanghai Medium Large Electr. Mach. 2023, 4, 55–59. [Google Scholar] [CrossRef]
- Li, W.; Zhang, Y.L. Research on the harm of voltage fluctuations in the power grid to frequency converters and their solutions. Electron. Compon. Inf. Technol. 2022, 12, 198–201. [Google Scholar] [CrossRef]
- Lan, J.; Lin, Y.; Fang, X.; Lin, J.; Chen, Y. Pre-assessment of Harmonic Pollution in Power Grid Considering Uncertainties in Renewable Energy. Proc. CSU-EPSA 2024, 8, 1–12. [Google Scholar] [CrossRef]
- Li, D.J.; Shi, Y.X.; Li, A.G. Research on Application of Cascaded Multi-level Active Power Filter on Harmonic Compensation of Coal Mine Power Grid. Coal Mine Mach. 2023, 8, 154–156. [Google Scholar] [CrossRef]
- Hou, L.B.; Chen, J.; Li, C.Y. Accelerated Thermal Ageing Characteristics ofXLPE Cable Insulation. Insul. Mater. 2020, 2, 59–63. [Google Scholar] [CrossRef]
- Cao, S. Application of Combined Analysis of Cable Partial Discharge Test and Thermal Aging Test in Predicting the Life of Power Equipment. Sci. Technol. Innov. 2025, 17, 219–221+225. [Google Scholar] [CrossRef]
- Xia, S.Y.; Fan, J.; Dong, X. A method of calculating fault rate of power cables based on the influence of temperature changes. Electr. Eng. 2024, 5, 122–124. [Google Scholar] [CrossRef]
- Zhang, J.; Li, S.F.; Guo, X. Quick evaluation method for electrical life of XLPE insulation material used in HV cables. Opt. Fiber Electr. Cable Their Appl. 2024, 2, 38–41. [Google Scholar] [CrossRef]
- Xiaofeng, W.; Xiaodong, Y.; Chong, L. Study on monitoring and measuring technology of high reliability insulation for high voltage cable in underground mine. Mine construction technology 2020, 06, 58–61. [Google Scholar] [CrossRef]
- Ding, Y. A review of partial discharge detection methods: Current status and future directions. Hydropower New Energy 2025, 9, 46–49. [Google Scholar] [CrossRef]
- Yin, Y.; Shi, H.Y.; Liu, C. Research Progress on Artificial Intelligence for Partial Discharge Diagnosis in Power Cables. High Volt. Eng. 2025, 9, 1–19. [Google Scholar] [CrossRef]
- Fan, J.; Li, M.; Zhang, P.Y. Experimental study on the combustion and explosion process induced by theentrainment of deposited coal dust. Chin. J. Eng. 2025, 8, 1602–1615. [Google Scholar] [CrossRef]
- Zhang, X.B.; Wang, Y.F.; Guo, J.L. Propagation law of gas-coal dust explosion shock waves under different explosion conditions. J. Mine Autom. 2025, 10, 104–113. [Google Scholar] [CrossRef]
- Dai, Z.Y. Research progress on prevention and control technology of coal mine dust and gas explosions. Coal Chem. Ind. 2025, 3, 99–103+114. [Google Scholar] [CrossRef]
- Yuan, C.M.; Shi, K.W.; Li, G. Research progress on ignition and explosion characteristics of gas and coal dust and their mixtures. Min. Saf. Environ. Prot. 2024, 6, 42–53. [Google Scholar] [CrossRef]
- Ding, Q.Q.; Shuai, H.; Chen, J.Y. Analysis and Treatment on 220 kV Substation Power Off Accident Caused by Cable Terminal Fault. Wire Cable 2021, 1, 35–38. [Google Scholar] [CrossRef]
- Fan, W.J. Temperature monitoring technology of coal mine high voltage cable based on infrared non-contact cable type. Saf. Coal Mines 2020, 11, 106–112. [Google Scholar] [CrossRef]
- Zhang, M.H.; Wang, H. Cause analysis of coal mine power supply accidents based on accident tree method. Inn. Mong. Coal Econ. 2020, 24, 115–117. [Google Scholar] [CrossRef]
- Li, W.Q.; Zhang, Y.L. Study of comprehensive evaluation on air quality in mine based on matter element model. Min. Res. Dev. 2015, 3, 61–63. [Google Scholar] [CrossRef]
- Yang, X.; Miao, H.; Hui, H. On the Measurement and Improvement of the Underground Environment Parameters of the Plateau Mine. Miner. Eng. Res. 2020, 2, 49–54. [Google Scholar] [CrossRef]
- Chen, Y.M.; Li, W.X. Preventive Measures and Implementation Effect Evaluation of Gas Explosion Accidents in Underground Coal Mines. Energy Energy Conserv. 2025, 6, 273–276. [Google Scholar] [CrossRef]
- Gao, L.; Cheng, W.D.; Bai, L.L.; Xiao, L.M.; Xiao, E.X.; Zhang, L.J. Thermal oxidative aging ERP cable insulation partial discharge characteristics and degradation mechanism. High Volt. Electr. Technol. 2021, 1, 231–240. [Google Scholar] [CrossRef]
- A, A.J. Research on Power Quality Monitoring and Governance Technology of Power Distribution System. Autom. Appl. 2025, 12, 135–138. [Google Scholar] [CrossRef]
- Xia, K. Discussion on long distance power supply in fully mechanized coal face. Coal Eng. 2020, 6, 48–50. [Google Scholar]
- Liu, S.; Hongliang, P.; Dongyu, X. Voltage and reactive power coordinated control strategy for flexible on load tap changers. Electric Power Engineering Technology 2024, 10, 124–132. [Google Scholar] [CrossRef]
- Cao, M.; Yuan, H.C.; Zhang, Y.T. Analysis of Common Causes of Faults in On-load Tap-changers for Distribution Transformers and Measures to Improve Product Reliability. Transformer 2025, 8, 14–20. [Google Scholar] [CrossRef]
- Yuan, J.J.; Zhang, L.L.; Wang, Y.F. On load automatic voltage regulation technology and device of power supply system in heading face. Saf. Coal Mines 2024, 5, 243–250. [Google Scholar] [CrossRef]
- Li, H.Y.; Zhang, Q.; Fan, T.C. Research on Electromagnetic Radiation Characteristics of On-load Tap Changer Switching under Different Contact States. High Volt. Appar. 2025, 6, 1–10. [Google Scholar]
- Wang, Y.; Zhang, T. A hybrid voltage regulator with arcless tap change and stepless voltage regulation functions. In Proceedings of the 2020 IEEE Energy Conversion Congress and Exposition (ECCE), Phoenix, MI, USA, 11–15 October 2020. [Google Scholar]
- Li, P.Y.; Guo, W.H.; Yao, S. Automated diagnosis system for transformer on load tap changer faults based on improved neural network. Autom. Instrum. 2025, 7, 68–72. [Google Scholar] [CrossRef]
- Li, Y.Q.; Guo, Y.N.; Wang, L. Reliability verification and optimization of split-type on-load tap changer structure. Electr. Mach. Control 2025, 7, 12–21. [Google Scholar] [CrossRef]
- Chen, P.; Lei, L.; Yao, S.K. Research on On-load Tap-changing Technology of Distribution Transformer Based on Power Electronic Devices. Transformer 2021, 2, 30–35. [Google Scholar] [CrossRef]
- Gao, G.Y.; Dong, R.; Xiao, X.Q.; Hou, R.; Dong, F. Study on Power Electronics Application in On-load Tap Changer. Electr. Drive 2021, 6, 73–80. [Google Scholar] [CrossRef]
- Yao, S.D.; Zhang, Z.K.; Zhang, X.W.; Gao, X.Y.; Cai, C.H.; Zhou, X. Research on On-load Voltage Regulating Transformer Based on Power Electronic Switch. Electr. Drive 2022, 19, 33–38. [Google Scholar] [CrossRef]
- Li, W.R.; Shi, H.J. Research on Load Tap Changer Based on Power Electronic Switch. Autom. Appl. 2023, 8, 99–102. [Google Scholar]
- Alsuwaidi, H.; Adam, A. Design and simulation of a seven taps electronic on load tap changer in 11/0.4kV distribution transformers using a PI controller. In Proceedings of the International Conference on Electrical and Computing Technologies and Applications (ICECTA), Ras Al Khaimah, United Arab Emirates, 1–31 December 2019. [Google Scholar]
- Li, C.; Huang, C.; Ren, L.; Bouhorma, M.; Maataoui, Y. On-load tap-changer control by a fuzzy logic controller. In Proceedings of the 2019 4th World Conference on Complex Systems (WCCS), Valzazat, Morocco, 1–31 December 2019. [Google Scholar]
- Zhang, C.H. Application research on dynamic reactive power compensation device (SVC) in coal mine power supply system. Mech. Manag. Dev. 2020, 7, 156–157+182. [Google Scholar] [CrossRef]
- Lei, L.; Zhang, Z.X.; Lei, Z. Application of Dynamic Reactive Power Compensation Device in Coal Mine Power Supply System. Coal Technol. 2020, 5, 171–173. [Google Scholar] [CrossRef]
- Li, B.W.; Xiao, J.Z.; Xiao, S.W. Model of a Multi-Rate Interface Transformer Incorporating Considerations for Capacitive Reactive Power Compensation and Transient Oscillation Suppression. Proc. CSEE 2025, 3, 1–12. [Google Scholar] [CrossRef]
- Yao, H.B.; Mu, Q.; Xiao, C. Integrity verification of transformer secondary current circuit based oncapacitor compensation. Electron. Des. Eng. 2025, 9, 115–119. [Google Scholar] [CrossRef]
- Wang, S.Q.; Chen, G.; Li, Y.T. Research on Low-Voltage Control Method Based on Series Voltage Compensation Control. J. Northeast Electr. Power Univ. 2024, 5, 42–49. [Google Scholar] [CrossRef]
- Yuan, J.J.; Zhang, L.L.; Wang, Y.F. Integrated voltage regulation and control technology of long-distance power supply systemin Wanli No.1 Mine. Saf. Coal Mines 2023, 12, 251–256. [Google Scholar] [CrossRef]
- Li, W.; Li, W.H.; Li, X.F. Transformation and Application of Intelligent Pressure Regulating Device for Excavating Face. Mech. Manag. Dev. 2025, 9, 132–134. [Google Scholar] [CrossRef]
- Ding, L.Y.; Huang, H.R. Structural analysis of neutral point voltage regulating single-phase autotransformer. Transformer 2020, 9, 5–6. [Google Scholar] [CrossRef]
- Zhang, X.; Wei, C.; Wu, Y.; Lv, Z.; Ma, X.; Lu, Y.; Huang, B. Inter-turn fault diagnosis of dry-type transformers based on flux leakage. Power Syst. Clean Energy 2021, 11, 55–62. [Google Scholar]
- Ge, S.; Liu, W.; Ding, D.; Li, X. Electromagnetic Disturbance Coupling and Suppression of On-site Electronic Device Power Port in Substations. High Volt. Eng. 2021, 12, 4483–4492. [Google Scholar] [CrossRef]
- Yu, P.; Wei, W. Analysis of the use of isolation transformer. Energy Sav. Nonferrous Metall. 2021, 3, 70–74. [Google Scholar] [CrossRef]





















| No-Load Voltage Regulation Technology | On-Load Voltage Regulation Technology | |
|---|---|---|
| Working Principle | Mechanically adjust the tap position when the power is off. | Dynamically switch the tap using an on-load tap changer when the power is on. |
| Application Scenarios | Stable loads with high tolerance for voltage fluctuations. | Frequent load fluctuations, with stringent requirements for voltage quality. |
| Technical Features | Simple structure, low cost, but power outages affect operational continuity. | High cost, fast response, supporting automatic control. |
| Suitability for Long-distance Power Supply in Underground Coal Mines | Not suitable | Suitable |
| Mobile Transformer Voltage Regulation | Directly Connected Voltage Regulator Regulation | Reactive Power Compensation Voltage Regulation | |
|---|---|---|---|
| Working Principle | The transformer is equipped with a tap changer, using the directly connected voltage regulator regulation method. | A voltage regulator is connected to the output terminal of the mobile transformer, regulating voltage as needed before supplying to the load. | Reactive power compensation is directly applied at the load side, using fixed-capacity parallel capacitor banks and mechanically switched capacitor banks. |
| Technical Features | This approach belongs to stepped voltage regulation. It has a large voltage difference between taps, cannot achieve stepless and smooth voltage regulation. If applied at the main transformer, it cannot meet the demands of ending loads at different distances simultaneously. Additionally, it generates significant arcs, necessitating immersion in liquid to prevent sparks, and features a complex structure, high cost, and difficult maintenance. | The capacity of the voltage regulator matches that of the mobile transformer. The secondary winding of the voltage regulator is directly subjected to a voltage of (1140 ± 30%) V and full load current, leading to high voltage and current stress on the windings. As a result, both the core and windings must be large, leading to high cost. Additionally, voltage regulation under such high-voltage and high-current conditions tends to produce sparks and arcs, requiring immersion in liquid for safe operation. | Used at the load side, it does not account for voltage loss in long-distance power supply lines; high demands on the capacity of reactive power compensation devices, poor economic feasibility. Large volume, occupying a lot of underground space, limited voltage regulation effectiveness. |
| System Stability | Multiple devices, large heat dissipation, cannot achieve smooth voltage regulation, poor stability. | Direct high voltage regulation, prone to sparks and arcs, large heat dissipation, general stability. | Cannot regulate line voltage loss, limited voltage regulation range, general stability. |
| Mobile Transformer Voltage Regulation | Directly Connected Voltage Regulator Regulation | Reactive Power Compensation Voltage Regulation |
| Terminal Marking | Terminal Definition | Terminal Marking | Terminal Definition |
|---|---|---|---|
| 1L, 2L | Output common terminal | ![]() | Ground |
| Q0.0~Q0.5 | Ordinary output terminal | N | AC power input |
| Usys | System voltage input | L | AC power input |
| U0 | Zero-sequence voltage input | 1M | External input common terminal |
| I0 | Zero-sequence current input | I0.0~I0.7 | Digital input |
| AI | Standard analog input | Ua, Ub, Uc | Three-phase voltage input |
| GND | System-ground | Ia, Ib, Ic | Three-phase current input |
| RL | Leakage resistance input | VO- | External 24VDC negative terminal |
| R2 | Resistance measurement input | VO+ | External 24VDC positive terminal |
| Terminal Marking | Terminal Description |
|---|---|
| I1A, I1B, I1C | Input terminals for the first group of three-phase current signals |
| M12 | Input common terminal for current signals |
| I2A, I2B, I2C | Input terminals for the second group of three-phase current signals |
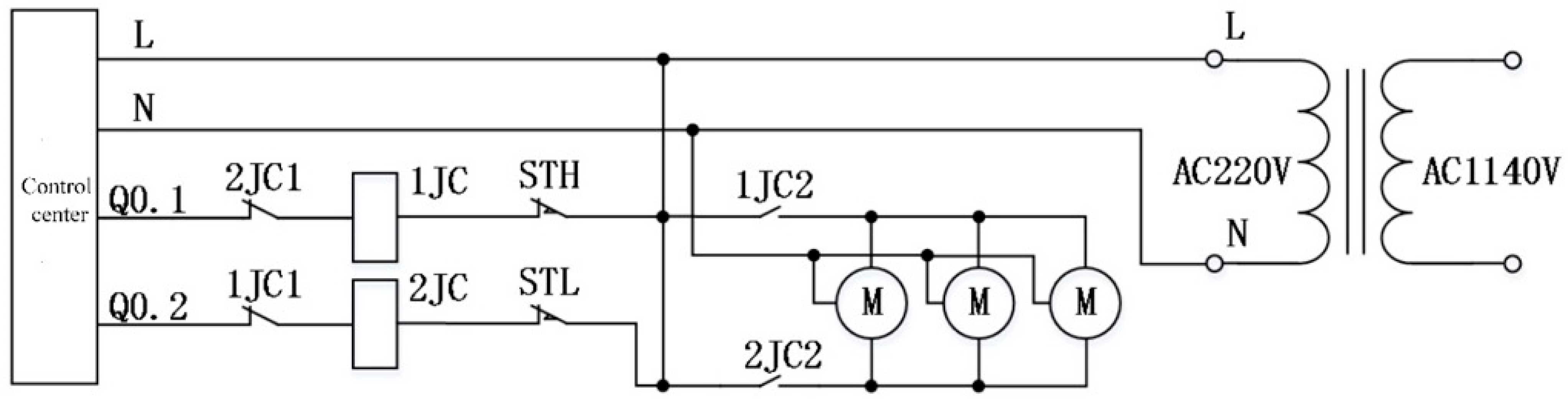
| Input Element | Function of Input | Input Relay | Output Element | Control Object of Output | Output Relay |
|---|---|---|---|---|---|
| SB1 | Down button | I0.0 | 1JC | Motor forward rotation | Q0.1 |
| SB2 | Up button | I0.1 | 2JC | Motor reverse rotation | Q0.2 |
| SB3 | Confirm button | I0.2 | JTQ | Operations of feeder switch | Q0.3 |
| SB4 | Reset button | I0.3 | LDJC | Leakage test | Q0.5 |
| STH | Upper travel switch | I0.4 | |||
| STL | Lower travel switch | I0.5 |
| Rated Capacity | Input Voltage | Output Voltage | Short-Circuit Loss | Impedance Percentage | No-Load Loss | No-Load Current Percentage |
|---|---|---|---|---|---|---|
| 350 kVA | 1140 V | 658 V | 1211 W | 3.80% | 955 W | 2% |
| Rated Capacity | Input Voltage | Output Voltage | Short-Circuit Loss | Impedance Percentage | No-Load Loss | No-Load Current Percentage |
|---|---|---|---|---|---|---|
| 117 kVA | 380 V | 198 V | 656 W | 3.54% | 610 W | 1.80% |
| Code | Name | Main Parameters |
|---|---|---|
| PT | Voltage instrument transformer | 1000 V/7 V(phase voltage); 3 × 1000/7 V(3U0) |
| 1CT | Current measuring instrument transformer | 800 A/3.5 V |
| 2CT | Current protecting instrument transformer | 800 A/0.35 V; 2P20 |
| ZCT | Zero-sequence current instrument transformer | 300 A/1 A + 1 A/7 V |
| Start Voltage Displayed on the Screen (V) | Line Current Displayed on the Screen (A) | Ending Voltage Displayed on the Screen (V) | Voltage Regulation Accuracy (%) | ||||
|---|---|---|---|---|---|---|---|
| 684 | 689 | 146 | 151 | 645 | 652 | −2.27 | −1.21 |
| 682 | 687 | 192 | 196 | 634 | 637 | −3.94 | −3.48 |
| 719 | 724 | 242 | 245 | 657 | 661 | −0.45 | 0.15 |
| 718 | 723 | 289 | 293 | 644 | 650 | −2.42 | −1.52 |
| 718 | 723 | 338 | 342 | 631 | 640 | −4.39 | −3.03 |
| 756 | 759 | 390 | 395 | 660 | 665 | 0.00 | 0.76 |
| 760 | 766 | 340 | 345 | 675 | 679 | 2.27 | 2.88 |
| 758 | 762 | 291 | 294 | 684 | 689 | 3.64 | 4.39 |
| 707 | 712 | 242 | 245 | 646 | 649 | −2.12 | −1.67 |
| 707 | 711 | 192 | 196 | 657 | 663 | −0.45 | 0.45 |
| 707 | 713 | 144 | 147 | 670 | 674 | 1.52 | 2.12 |
| 708 | 712 | 93 | 98 | 684 | 689 | 3.64 | 4.39 |
| 658 | 662 | 46 | 51 | 646 | 650 | −2.12 | −1.52 |
Disclaimer/Publisher’s Note: The statements, opinions and data contained in all publications are solely those of the individual author(s) and contributor(s) and not of MDPI and/or the editor(s). MDPI and/or the editor(s) disclaim responsibility for any injury to people or property resulting from any ideas, methods, instructions or products referred to in the content. |
© 2025 by the authors. Licensee MDPI, Basel, Switzerland. This article is an open access article distributed under the terms and conditions of the Creative Commons Attribution (CC BY) license (https://creativecommons.org/licenses/by/4.0/).
Share and Cite
Fu, W.; Xu, Y.; Lv, T.; Zhang, L. On Voltage Regulation Technology for Long-Distance Power Supply in Underground Coal Mines Based on On-Load Voltage Regulation. Processes 2025, 13, 3808. https://doi.org/10.3390/pr13123808
Fu W, Xu Y, Lv T, Zhang L. On Voltage Regulation Technology for Long-Distance Power Supply in Underground Coal Mines Based on On-Load Voltage Regulation. Processes. 2025; 13(12):3808. https://doi.org/10.3390/pr13123808
Chicago/Turabian StyleFu, Wenjun, Ying Xu, Tianji Lv, and Liang Zhang. 2025. "On Voltage Regulation Technology for Long-Distance Power Supply in Underground Coal Mines Based on On-Load Voltage Regulation" Processes 13, no. 12: 3808. https://doi.org/10.3390/pr13123808
APA StyleFu, W., Xu, Y., Lv, T., & Zhang, L. (2025). On Voltage Regulation Technology for Long-Distance Power Supply in Underground Coal Mines Based on On-Load Voltage Regulation. Processes, 13(12), 3808. https://doi.org/10.3390/pr13123808

