Next Article in Journal
Design of Oil Mist and Volatile-Organic-Compound Treatment Equipment in the Manufacturing Plant
Next Article in Special Issue
Hydrogen in Burners: Economic and Environmental Implications
Previous Article in Journal
Modification of Sulfur Cake—Waste from Sulfuric Acid Production
Previous Article in Special Issue
Electricity Generation at Gas Distribution Stations from Gas Surplus Pressure Energy
 
 
Font Type:
Arial Georgia Verdana
Font Size:
Aa Aa Aa
Line Spacing:
Column Width:
Background:
Article

Optimal Reactive Power Dispatch and Demand Response in Electricity Market Using Multi-Objective Grasshopper Optimization Algorithm

1
Department of Electrical Engineering, National Institute of Technology Agartala (NITA), Agartala 799046, India
2
Department of Electrical and Electronics Engineering, Velagapudi Ramakrishna Siddhartha Engineering College, Vijayawada 520007, India
3
DIAEE, Faculty of Civil and Industrial Engineering, “Sapienza”, University of Rome, 00185 Rome, Italy
*
Author to whom correspondence should be addressed.
Processes 2024, 12(9), 2049; https://doi.org/10.3390/pr12092049
Submission received: 20 August 2024 / Revised: 13 September 2024 / Accepted: 18 September 2024 / Published: 23 September 2024
(This article belongs to the Special Issue Advances in Renewable Energy Systems (2nd Edition))

Abstract

Optimal Reactive Power Dispatch (ORPD) is a power system optimization tool that modifies system control variables such as bus voltage and transformer tap settings, and it compensates devices’ Volt Ampere Reactive (VAR) output. It is used to decrease real power loss, enhance the voltage profile, and promote stability. Furthermore, several issues have been faced in electricity markets, such as price volatility, transmission line congestion, and an increase in the cost of electricity during peak hours. Programs such as demand response (DR) provide system operators with more control over how small customers participate in lowering peak-hour energy prices and demand. This paper presents an extensive study on ORPD methodologies and DR programs for lowering voltage deviation, limiting cost, and minimizing power losses to create effective and economical operations systems. The main objectives of this work are to minimize costs and losses in the system and reduce voltage variation. The Grasshopper Optimization Algorithm (GOA) and Dragonfly Algorithm (DA) have been implemented successfully to solve this problem. The proposed technique has been evaluated by using the IEEE-30 bus system. The results obtained by the implementation of demand response systems show a considerable reduction in costs and load demands that benefit consumers through DR considerations. The results obtained from the GOA and DA are compared with those generated by other researchers and published in the literature to ascertain the algorithm’s efficiency.

1. Introduction

Within the complex and multifaceted landscape of modern power systems, ORPD stands out as a crucial factor that has a significant impact on both the stability of the power grid and the overall efficiency of its operations, making it a central component in the discourse surrounding energy management. The challenges associated with voltage deviation, which frequently arise in power system management, stem from the intricate and sensitive balance that must be maintained between reactive power generation and consumption, emphasizing the importance of careful monitoring and control. Recent investigations by various regulatory authorities and academic institutions studying power systems have revealed a significant and alarming increase in the frequency of power outages and grid instability incidents observed around the world, emphasizing the importance of addressing these issues [1]. Such disruptions not only disrupt the usual flow of everyday activities for individuals and communities but also have far-reaching economic consequences for a wide range of sectors and enterprises that rely largely on continuous and dependable energy supply. As a result, the importance of ORPD cannot be overstated, as it plays a critical role in ensuring the stability and reliability of power systems by optimizing the flow of reactive power, whereas demand response analysis provides a strategic method for effectively managing electricity consumption and strengthening the grid’s resilience against various challenges [2]. Over the years, a multitude of mathematical models have been methodically built to handle the complexity and constraints connected with ORPD, demonstrating continued attempts to improve power system management. Newton’s Method [3], the Interior Point Method [4], the Quadratic Programming Method [5], the Linear Programming Method [6], and the Nonlinear Programming Method [7] are some of the traditional techniques used to address the initial stages of ORPD problems, with each contributing to a better understanding and resolution of these complex issues. As we work toward a sustainable and ecologically friendly energy future, it is becoming increasingly important to discover and implement creative solutions that can successfully solve the various difficulties confronting the power sector today. With growing concerns about environmental deterioration and the need for a thorough energy transition, optimizing reactive power dispatch and managing voltage deviations are emerging as major goals that require immediate attention.
These efforts go beyond technical projects; they symbolize our ethical responsibility to protect the environment while guaranteeing fair access to energy resources for everyone. The authors of [8] discussed the various challenges associated with optimizing microgrids, including the unpredictability of renewable energy sources, fluctuations in electricity prices, resource allocation, fuel cost minimization, and battery system degradation. They suggest using a backcasting method to successfully manage the intermittent nature of renewable energy, as well as Light GBM approaches for precise solar and load forecasts. Furthermore, an innovative evolutionary algorithm is used for optimization, which smoothly integrates forecasting and optimization processes with a cost model for battery deterioration and demand response tactics. The findings of their analysis show a surprising 14.22% decrease in power costs, illustrating the significant benefits that may be obtained through intelligent scheduling and smart battery management procedures. In [9], the authors investigated the transformational potential of blockchain technology in the field of decentralized energy management and demand response systems. They highlight the prospective use of smart contracts, which enable energy transactions while improving transparency and security in the energy industry. The outcomes of this study show that using such a strategy can result in considerable cost savings, improved dependability, and increased consumer trust. This decentralized management of energy resources, as noted in their research, leads to significant cost reductions and promotes a wider integration of renewable energy sources into the grid. In [10], the authors looked into the possibility of connecting electricity and gas systems to improve decentralized demand response, leveraging the flexibility provided by the line pack to manage the delicate balance of demand and supply more efficiently. Their detailed research shows that this integrated technique not only enhances system dependability and flexibility but also lowers operational costs while optimizing the use of available energy resources.
In [11], the authors presented a unique multi-objective optimization technique that efficiently solves the challenging task of tackling the complexities associated with the actual and reactive power dispatch problem, which is an important component of power system management. The authors use mixed-integer nonlinear programming, the ε-constraint method, and fuzzy satisficing principles to minimize active power losses and generation costs, resulting in optimal results. The usefulness of this approach was thoroughly evaluated on the well-known IEEE 30 bus system, indicating a significant improvement in optimization performance when compared to earlier optimization methods used in the sector. In [12], the authors tackled the important difficulty of properly predicting and forecasting the behavior of distributed energy resources (DERs), particularly in settings where there is a paucity of relevant data for study. They significantly enhanced the prediction accuracy by strategically applying modern machine learning techniques while also controlling power flow in a very effective way. The findings of their thorough research show a significant improvement in power flow management systems and a more exact assessment of capacity. The authors of [13] proposed a revolutionary strategy to encourage demand-side responsiveness through the creative use of discount scheduling, which is enabled by the use of hybrid quantum optimization techniques. This strategy improves the stability and efficiency of the electrical grid by actively encouraging customer engagement in demand response programs, resulting in considerable cost savings and more efficient use of energy resources. In [14], the authors provided an evolutionary programming approach that focuses on optimum reactive power dispatch (ORPD) with the stated objective of reducing both transmission losses and voltage variations within the power system architecture. Their method, which was rigorously tested on the IEEE 30 bus system, was found to be highly effective in successfully reducing transmission losses while improving voltage stability, demonstrating evolutionary programming’s significant potential in the context of power system optimization. To achieve lower loss and a higher voltage profile, the innovative Gaussian Mutation-Based Teaching–Learning Optimization (GMBTLO) technique is used to derive the critical control variable settings, such as terminal voltages, transformer taps, and the output power of shunt reactive compensators (VAR), as shown in [15]. The authors of [16] successfully handled the inherent uncertainty involved with the integration of renewable energy sources by applying both stochastic optimization approaches and rigorous uncertainty modeling methodologies. Their multimodal approach significantly improves the reliability and efficiency of power systems that contain renewable energy sources, resulting in a strong and dependable solution for efficiently controlling the inherent unpredictability of power generation in this context.
The authors of [2] examined the intricacies of ORPD challenges, which are crucial for maintaining the stability and economic viability of electrical power systems. These challenges encompass nonlinear optimization processes aimed at minimizing real power losses and augmenting voltage profiles through the strategic optimization of an array of control variables, encompassing both discrete and continuous types. The authors introduced a novel algorithm termed Lévy-flight Phasor Particle Swarm Optimization (LPPSO), which is specifically designed to address the complexities associated with ORPD. The principal objective of reference [17] was to tackle the SORPD by optimally integrating various renewable energy sources, including photovoltaic (PV) systems and wind energy turbines, alongside the Unified Power Flow Controller (UPFC). The proposed PSOSHO algorithm [18] signifies a notable progression within the domain, offering a robust solution to the challenges introduced by the increasing prevalence of electric vehicles, thereby facilitating the sustainable operation of power systems in the context of electromobility. Reference [19] presents a data-centric framework devised to quantify the demand response capability of industrial consumers. This framework leverages data from smart electricity meters to scrutinize operational behaviors and delineate a flexibility boundary that quantifies the load flexibility accessible within the industrial consumer’s system. The authors of [20] explained the importance of Peak Demand Management (PDM) within smart grid infrastructures, accentuating the challenges engendered by rising power demand and the transition towards low-carbon energy alternatives. The authors of [21] described essential terminology pertinent to demand response, encompassing accumulated workload and power consumption for EVs and Thermostatically Controlled Loads (TCLs). They introduced a mean field term to capture power consumption across diverse demand-side resources, thereby establishing a comprehensive framework for analytical assessment.
This work makes numerous significant contributions to the broad field of power system optimization by thoroughly addressing both the intricate aspects of ORPD and the implementation of DR programs, which are becoming increasingly important in modern energy management. The main contributions can be categorized as follows:
  • This paper provides a detailed and comprehensive examination of a variety of ORPD methodologies as well as DR programs, all to reduce voltage deviation, limit operational costs, and minimize power losses within the energy distribution network. This in-depth research not only clarifies the present landscape of these approaches but also evaluates their efficacy and usefulness in real-world circumstances, thus improving our understanding of their practical applications.
  • The fundamental aims of this study are clearly stated, with an emphasis on decreasing both total system costs and related losses while also reducing voltage variations. These objectives are extremely important since they play a critical role in improving the efficiency, dependability, and stability of power systems, all of which are required to fulfill contemporary society’s expanding energy demands.
  • The implementation of a demand response program results in a significant reduction in both costs and load demands, a finding that has far-reaching implications for consumers, as it highlights the economic benefits that can be gained by thoughtfully incorporating DR considerations into the overarching framework of power system operations. This discovery is especially pertinent in light of rising energy prices and the need for more sustainable consumption behaviors.
  • This research successfully employs the Grasshopper Optimization Algorithm (GOA) as a methodological approach to effectively resolve the ORPD problem, demonstrating the GOA’s promising capabilities as a powerful optimization tool for use in power system applications. This novel technique demonstrates the algorithm’s versatility and efficiency in handling difficult optimization issues in energy management.
  • This work is rigorously evaluated utilizing the IEEE-30 bus system, which provides a standardized benchmark for testing the GOA’s efficacy and performance in a well-defined and controlled environment. This thorough evaluation not only allows for a comparative analysis of the GOA against other existing optimization methods, but it also plays an important role in confirming the GOA’s efficiency and competitive edge in addressing the ORPD problem, demonstrating its potential superiority or equivalence to alternative optimization algorithms commonly used in the field.
Overall, this comprehensive study not only introduces the Grasshopper Optimization Algorithm (GOA), an innovative and highly effective optimization tool, but it also provides a wealth of valuable insights into the seamless integration of Optimal Reactive Power Dispatch (ORPD) and demand response (DR) programs, both of which are critical for significantly improving the performance and economic viability of modern power systems. Minimizing power losses helps create more sustainable power systems as less energy is wasted and demand is better managed. This contributes to promoting sustainable consumption behaviors, as DR encourages consumers to adjust their power usage. This study contributes to the literature by demonstrating the integration of GOA with DR programs for solving ORPD problems. This represents an advancement in both fields by combining optimization and demand-side management.

2. Problem Formulation

2.1. Optimal Reactive Power Flow (ORPF)

Optimal Power Flow (OPF) is a critical optimization tool in the field of power systems as it seeks to improve specific objectives while also ensuring that the power system operates at its most efficient level, all while adhering to the inherent physical and operational constraints that govern its performance. On the other hand, ORPD is a more specialized variant of OPF that focuses on the optimization of reactive power-specific objectives such as minimizing active power losses, reducing voltage deviations, and improving network voltage stability. Throughout this intricate optimization process, ORPD must adhere to several constraints, including the need to keep load voltages within predetermined limits, ensure that power flows through transmission lines remain within specified thresholds, and achieve a proper balance of active and reactive power at the system’s various buses. In mathematical terms, the formulation of the ORPD issue may be represented as follows:
Minimize   f ( r , a ) Subject   to   u ( r , a ) = 0 v ( r , a ) 0
In this case, f(r,a) represents the objective function, with ‘r’ representing the vector of dependent variables and ‘a’ representing the vector of independent variables. The functions u(r,a) and v(r,a) represent the equality and inequality requirements, respectively. In the ORPD issue, the real power output of generator buses (except the slack bus) is held constant, while the remaining control variables are considered as independent variables. The independent variables in ORPD issues can be formally expressed as follows:
a t = [ v g e n 1 ..… v g e n N G , q c 1 ..… q c n c , t 1 ..… t n t ]
In this formulation, vgen1 represents the voltage of the generator bus, and ‘NG’ denotes the number of generator buses. qc indicates the VAR compensation of the shunt capacitors, ‘nc’ represents the number of VAR compensators, ‘t’ denotes the tap ratios, and ‘nt’ signifies the number of tap-changing transformers. The dependent variables of ORPD problems can be mathematically expressed as follows:
s t = [ p 1 , v b 1 ..… v b n p q , q g e n 1 ..… q g e n N G , s l 1 ..… s ln l ]
In this context, p1 represents the power of the slack bus and vb denotes the voltage of PQ buses, with npq indicating the number of PQ buses. qgen signifies the reactive power output of generator buses. Sl corresponds to the line flow through the transmission line, and ‘nl’ indicates the number of transmission lines.

2.2. Demand Response

Demand response is broadly defined as the active engagement of smaller energy users in the complex dynamics of the electricity market in which they modify their consumption patterns in direct reaction to variations in market spot prices. Two primary factors can significantly influence consumers’ willingness to participate in this process: first, changes in retail electricity pricing, which reflect the varying real costs associated with electricity over time, and second, the implementation of incentive programs meticulously designed to motivate consumers to reduce their energy consumption during times of peak demand or critical situations. The incentive-based demand response system may be defined as financial compensation offered to customers in exchange for voluntarily decreasing their power usage when necessary. A model of demand elasticity based on these incentives is presented to accurately assess the marketplace’s capacity for demand responsiveness. The following equation mathematically expresses the fluctuation in response load that happens after the installation of demand response algorithms. The change in the mth response load following the implementation of DR programs is expressed by the following equation:
Δ d m = d 0 m d m
Here, d0m and dm represent the load at the mth response bus before and after the demand response, respectively. If an incentive amount ‘inc’ is paid to the customer for each unit of load reduction, the total incentive paid to the mth responsive bus for participating in DR programs is calculated using the following equation:
i n c m = i n c × ( d 0 m d m )
If the customers participating in DR programs do not meet the minimum load reduction required by the contract, they will be subject to a penalty. Given that the load reduction for the mth responsive load is denoted by LRm, the total penalty for the mth responsive load can be calculated as follows:
p e n m = p e n × ( L R m Δ d m )
The values of ‘inc’ and ‘pen’ are determined by the market operator. In this scenario, the penalty factor is set to zero, and the incentive coefficient is considered to be 2.5 USD/MW (0.05 times the electricity price before the implementation of DR programs). To express the customer’s revenue in terms of load, a linear responsive load model is used in this paper, which can be formulated as follows:
d m = d 0 m × [ 1 + E × ρ ρ 0 + i n c p e n ρ 0 ]
where E represents the load elasticity, and ρ0 and ρ are the electricity prices before and after the implementation of DR programs, respectively.

2.3. Objective Function

In this work, the ORPD problem is mainly concerned with two objectives, i.e., voltage deviation minimization at load buses and generation cost minimization.

2.3.1. Voltage Deviation Minimization at Load Buses

In power system operation, load voltages may exceed their permissible limits due to the implementation of a demand response (DR) program. To address this, the ORPD problem formulation includes an objective to minimize voltage deviation (VD) at all load buses. Minimizing VD can improve the voltage profile, ensuring safer the operation of power systems. The minimization of voltage deviation at load buses can be expressed as follows:
min ( f 1 ) = n p q t = 1 | v t v r e f , t |
Here, ‘npq’ represents the number of load buses, and vref,t denotes the reference value for the voltage magnitude at the tth load bus (1 pu).

2.3.2. Generation Cost Minimization

The generation cost, along with the amount paid as incentives to the set of responsive loads, constitutes this objective, which is ultimately calculated using the following cost equation:
min ( f 2 ) = n g p = 1 α 1 p g g 2 + β 1 p g g + γ 1 + n D R m = 1 i n c m
Here, a1, b1, and c1 are the cost coefficients of the p-th generating unit, and pgg represents the generator’s power generation. This is also referred to as active power cost minimization.
  • Constraints
The DR-based ORPD problem is the presence of both equality and inequality constraints. The sets of equality and inequality constraints are presented below:
  • Equality constraints:
P G q ( P D q d q ) V q j = 1 N B V j [ G q j cos ( δ q δ j ) + B i j sin ( δ q δ j ) ]   ;   q = 1 NB
Q G q Q D q V q j = 1 N B V j [ G q j cos ( δ q δ j ) B q j sin ( δ q δ j ) ] ; q = 1 .… N B
where PDq and QDq are the demand for active and reactive power, respectively; δq and δj denote the q-th and j-th bus angles, respectively; Gqj and Bqj denote the transfer conductance and susceptance between buses q and j, respectively; PGq and QGq are the generation of active and reactive power, respectively; and ‘NB’ is the total number of buses.
  • Inequality constraints:
V G i min V G i V G i max ;   i N pv  
Q G i min Q G i Q G i max ;   i N pv  
Q C i min Q C i Q C i max ;   i NC  
P G i min P G i P G i max ;   i = N PV
V L i min V L i V L i max ;   i N P Q  
T t a p min T t a p T t a p max ;   tap N T
S T L S T L max ;   TL N TL
i n c m min i n c m i n c m max ;   m = 1 …… N DR
where PGimin and PGimax are the lower and upper limits of active power generation, QGimin and Qgimax are the lower and upper limits of reactive power generation, Vimin and Vimax are lower and upper bus voltage limits, where Tsimin and Tsimax are the lower and upper limits of transformer taps, QCimin and QCimax are the lower and upper limits of shunt compensation, STL and STLmax are the apparent power flow and maximum permissible apparent power flow in the transmission line, and incm denotes the incentive paid to each responsive load restricted between the lower and upper limits.

3. Implementation of Multi-Objective Grasshopper Optimization Algorithm (MOGWO)

The Grasshopper Optimization Algorithm (GOA) is introduced in this section, followed by the Multi-Objective Grasshopper Optimization Algorithm (MOGOA).

3.1. Grasshopper Optimization Algorithm

The Grasshopper Optimization Algorithm, or GOA, is a sophisticated and nature-inspired computational approach that is fundamentally based on population behaviors [22]. It has gained significant recognition as an effective stochastic optimization technique used in a variety of fields. This innovative algorithm is intricately modeled after grasshoppers’ unique and fascinating behaviors, and it demonstrates efficacy in addressing complex real-world optimization challenges by either minimizing or maximizing a designated target function relevant to the problem at hand. The primary goal of this technique is to reliably find the optimal values associated with key decision variables in the optimization process. Grasshoppers are recognized for their comparatively sluggish mobility and the short, gradual movements they take in their larval stage, which contrasts strongly with their adult phase when they demonstrate fast movement and may cover long distances as they traverse their surroundings. Grasshoppers’ swarming behavior is characterized by their instinctive search for food sources, which is critical to their survival and understanding their movement patterns. Grasshoppers seek food in two separate phases, exploration and exploitation, each of which has its own set of movement dynamics and techniques. During the exploration phase, grasshoppers are observed to make sudden and unpredictable movements that allow them to cover new ground, whereas in the exploitation phase, their movements become more localized and focused as they hone in on specific areas rich in food resources. The mathematical modeling of grasshopper swarming behavior may be articulated through a set of equations and representations that capture these complicated dynamics, allowing for more in-depth knowledge of their optimization processes and tactics to be obtained.
x i = t i + g i + a i
where xi represents the grasshopper, gi represents the force of gravity operating on the i-th grasshopper, ti represents social interaction, and ai represents wind advection. The above equation may be expressed as follows to provide random behavior:
x i = r 1 t i + r 2 g i + r 3 a i
where [0, 1] are the random values r1, r2, and r3.
t i = N j = 1 t ( d i j ) d i j , j i
d i j = x j x i
t ( r ) = f e r l e r
The distance d i j is the distance between the i-th and j-th grasshoppers. The unit vector d i j = x j x i d i j is obtained from the i-th and j-th grasshoppers. In this context, ‘f’ represents the intensity of gravitation, and ‘l’ is the absorptive length scale. The ‘G’ component can be formulated as
G i = g e g
where ‘g’ is the gravitational constant, and e g is the unit vector directed towards the center of the earth. The value of the ‘ai’ parameter in Equation (26) is determined as
a i = u e w
In the wind direction, u and e w represent the constant drift and unit vector, respectively. By replacing t , g , and a in Equation (21), the equation may be reformulated as follows:
x i = N j = 1 t ( x j x i ) x j x i d i j g e g + u e w
Here, ‘N’ is the number of grasshoppers in the population. The best solution found by the swarm is treated as an objective that the grasshopper population continually improves. The flow chart of the GOA is given in Figure 1. The GOA contributes to solving the ORPD problem by efficiently exploring the solution space and optimizing both reactive power dispatch and demand response programs. It provides superior solutions to other algorithms in terms of minimizing voltage deviations and operational costs. GOA offers benefits such as an improved convergence speed, better exploration and exploitation balance, and the ability to handle multi-objective problems like minimizing both costs and voltage deviations simultaneously.

3.2. Multi-Objective Grasshopper Optimization Algorithm

A multi-objective algorithm is specially intended to successfully meet two basic objectives that occur while attempting to solve complicated multi-objective issues with trade-offs and conflicting aims [22]. First and foremost, this algorithm seeks to locate and identify very exact and accurate approximations of the genuine Pareto optimum solutions that reflect the best potential outcomes in the current environment. Second, it seeks to ensure that the found optimum solutions are not only accurate but also uniformly and correctly distributed among all goals inside the chosen search area, hence improving the overall quality of the results. This distribution of solutions is critical and plays an important part in the process of posterior decision making, which occurs after the optimization process is complete. In the field of multi-objective optimization, it is typical to come across numerous solutions that may all be considered optimum or nearly optimal under various criteria. The idea of Pareto optimum dominance is used to systematically compare and assess these numerous solutions within the context of the Multi-Objective Grasshopper Optimization Algorithm (MOGOA), allowing for better-informed decision making. To guarantee that the best solutions are saved for future research and evaluation, the Pareto optimum solutions are scrupulously archived in a separate archive that serves as a repository. The goal function, a fundamental component of the optimization process, directs and guides search agents to the most promising and possibly profitable locations within the vast search universe. This objective becomes especially difficult when modeling the MOGOA because the target solution must be carefully chosen from a diverse set of Pareto optimal solutions rather than being chosen from a single-objective perspective, where identifying the optimal solution is relatively simple.
To improve the distribution of solutions in the archive, the algorithm calculates the number of neighboring solutions within a defined distance of each Pareto solution. This quantitative indicator measures the density or crowdedness of a region inside the Pareto set. The chance of choosing a target from the archive may be stated as
p i = 1 n i
where ni represents the number of neighboring solutions around the i-th solution. This probability is used in the roulette wheel selection mechanism to choose the target from the archive list.

4. Results and Discussions

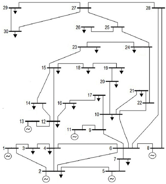
To comprehensively evaluate the Optimal Reactive Power Dispatch (ORPD) while taking into consideration the demand response (DR) program, we must present three carefully selected case studies that will be developed by utilizing the IEEE 30 bus system as a fundamental framework for our study. According to reference [23], this network consists of 20 unique loads, six functioning generators, and an array of 41 transmission lines. The data provided in reference [24] include critical information about the maximum and minimum power requirements designated for the generators, the specific quantities of both active and reactive power that are required for optimal performance, as well as comprehensive details about the transmission lines, all of which are kept within acceptable limits, along with all other control variables relevant to the IEEE 30 bus system. A single-line diagram of the considered IEEE system is depicted in Figure 2. The IEEE-30 bus system serves as a well-recognized benchmark for evaluating optimization algorithms in power systems. The GOA’s effectiveness was demonstrated through significant reductions in voltage deviations and operational costs.
  • Case 1: Voltage Deviation Minimization at Load Buses
The first scenario focuses on minimizing voltage variation, especially for the load buses within the power system architecture. The objective function, which incorporates this goal, is thoroughly specified in Equation (8), while the appropriate range of control variables is methodically described in Table 1. To efficiently determine the optimal control settings that would result in a considerable decrease in voltage deviation at the load buses, both the GOA and the DA are used in tandem. Given that randomization is a key feature of meta-heuristic algorithms, it is critical to undertake a significant number of trial runs before deciding that any single solution is the best one. As a result, each algorithm is exposed to a rigorous set of 50 separate test runs, with the most beneficial consequence emerging as the ultimate perfect response. Furthermore, these findings are thoroughly compared to several newly created algorithms that have been thoroughly described in the current literature. In this regard, Table 1 gives a detailed and complete comparison of Case 1. The statistics in the table clearly show that the Grasshopper Optimization Algorithm (GOA) results in a significant reduction in voltage deviation recorded at load buses across the power system network. Reducing voltage deviations ensures the power system remains stable and operates efficiently. Voltage deviations can lead to equipment malfunction, increased losses, and power outages.
The results that are thoroughly presented in Table 1 encapsulate a detailed and comprehensive analysis as well as a meticulous comparison of a variety of distinct optimization techniques that have been employed specifically to minimize the total voltage deviation (TVD) within the intricate framework of the IEEE-30 bus system. Each row within this table delineates the progressive evolution of control variables that are associated with the different optimization algorithms, which include, but are not limited to, Particle Swarm Optimization (PSO), the Bacterial Foraging Optimization Algorithm (BFOA), the Firefly Algorithm (FA), the Gravitational Search Algorithm (GSA), the Bat Optimization Algorithm (BOA), DA, and the GOA. Through a methodical examination and comparison of the various parameter values utilized in this context, it is particularly noteworthy to mention that the analysis prominently included the GOA, which yielded the most favorable results, alongside a comparative evaluation between the DA and the GOA, in addition to a thorough assessment of other existing algorithms within the same category.
From the insights in Table 1, it becomes clear that the GOA demonstrates superior performance by successfully reducing the total voltage deviation (TVD) to a significant value of 0.984 per unit (p.u.), which constitutes a significant decrease of 90.701% when compared to the initial value of 1.0582 p.u. This performance distinctly outperforms the DA, which, while commendable, achieves a total voltage deviation of 0.09990 p.u., thereby marking a slightly lesser reduction of 90.5594%. These results serve to highlight the efficiency of the GOA in adeptly addressing and mitigating voltage deviation issues that are commonly encountered in contemporary power systems. Figure 3 provides a visual representation of the total voltage deviation (TVD) for all load voltages within the IEEE-30 bus system, showcasing the performance of various optimization algorithms used in this analysis. From the information presented in Figure 3, it can be conclusively verified that the GOA consistently yields better results in comparison to the other algorithms that have been implemented within this study.
The primary objective behind tackling the Optimal Reactive Power Dispatch (ORPD) problem is fundamentally centered on the imperative goal of decreasing the total voltage deviation (TVD), which is recognized as a critical factor that significantly influences the stability and reliability of power systems. By optimizing the reactive power dispatch, one can effectively maintain the voltage levels within designated safe limits, thereby enhancing the overall performance and operational efficiency of the entire system. Figure 4 illustrates the load voltages of the IEEE 30 bus system when utilizing both the GOA and the DA. Moreover, the visual representations in Figure 4 meticulously verify the conformity of these load voltages to the predefined violation limits, thereby ensuring that they remain compliant throughout the entire optimization process that is aimed at minimizing the total voltage deviation.
The convergence curves associated with each algorithm serve to effectively illustrate their overall efficiency as well as the remarkable speed at which they are capable of reaching the optimal solution that best addresses the problem at hand. The characteristics of convergence regarding the total voltage deviation, specifically for the IEEE-30 bus system, are depicted in the graphical representation in Figure 5. This illustration demonstrates how the various optimization algorithms progressively work to lower the total voltage deviation (TVD) through a series of multiple iterations that reflect their operational dynamics. Notably, the curve associated with the GOA stands out as it particularly illustrates a remarkably swift and consistent decrease in the TVD, thereby highlighting its exceptional search capabilities along with its efficient exploration of the solution space. This rapid convergence proves to be highly advantageous in real-time scenarios that necessitate prompt decision making to respond to dynamic conditions. The iterative refinement process executed by the optimization algorithms is graphically showcased, effectively presenting the gradual reduction in the TVD that occurs across successive iterations, allowing for a clear visual representation of their performance.
The comparative analysis conducted also compellingly demonstrates that the GOA significantly outperforms the other algorithms in terms of both the accuracy and speed of convergence, thereby establishing it as an invaluable tool for the management of reactive power in the increasingly complex landscape of modern power systems.
  • Case 2: Cost Minimization Considering Incentive-Based Demand Response
The implementation of incentive-based demand response (DR) strategies has resulted in a significant maximum load reduction that can reach up to 10% for the selected buses within the power system under consideration. The specific load buses that were selected for this evaluation include the numbers 7, 8, 12, 17, 19, 21, and 30, which will be used to thoroughly assess the impact of the demand response strategies on the overall operation of the power system as documented in reference [25].
By optimizing the generation schedules, the demand response strategies play a crucial role in helping to mitigate voltage deviations while simultaneously enhancing the stability of the overall system. The numerical results that detail the load reduction achieved in the context of responsive loads are presented in Table 2, while Figure 6 visually illustrates the extent of load reduction observed at the response buses. The data indicate that incentive-based demand response strategies can effectively shift the electrical load away from peak periods, thus contributing to a significant reduction in the overall system demand during critical times that require careful management. This strategic load shifting not only aids in the maintenance of voltage stability but also serves to diminish the necessity for costly peak generation resources that can strain the system during high-demand periods. Figure 6 is an exemplary representation that captures a key notion regarding the significant effects produced by the aforementioned method under examination. The computations for the cost functions were carefully constructed and assessed in compliance with the criteria specified in Equation (9). The deployment of the demand response (incentive-based) tactics has resulted in a significant and noticeable decrease in the value of the cost function.
The strategies associated with incentive-based demand response (DR) have unequivocally contributed to a notable and discernible decrease in the values associated with the cost function, which is meticulously illustrated in the data presented in Table 3. The empirical findings derived from this analysis compellingly indicate that the strategic integration of incentives aimed at enhancing consumer participation within demand response programs has a substantial effect in diminishing the total incurred costs. Table 4 comprehensively illustrates the outcomes of the IEEE 30 bus system, which has been evaluated under a cost minimization objective while simultaneously taking into consideration the implications of the incentive-based demand response program. To ensure the robustness and reliability of the results obtained, the GOA (Grasshopper Optimization Algorithm) was initially employed to achieve cost minimization objectives; subsequently, the outcomes derived from this algorithm were meticulously juxtaposed with those yielded by the DA results. In addition to this comparative analysis, it is pertinent to note that the results obtained from both algorithms were also compared against the performance metrics of other previously published algorithms, specifically the Ant Colony System (ACS) and Multi-Objective Evolutionary Algorithm based on Decomposition (MOEA/D), as referenced in reference [26]. Upon an examination of the data encapsulated in Table 4, it becomes clear that the GOA consistently produces superior results when compared to the performance outcomes of the other algorithms evaluated in this study.
From Table 4, it can be discerned that the GOA presents a cost of USD 786.8352 per hour when the demand response (DR) program is taken into account, whereas the cost rises to USD 798.9780 per hour when the DR program is not considered, thereby highlighting a significant difference in operational expenses associated with the presence or absence of this program. It is clear that the incorporation of the DR program results in a noticeably reduced operational cost for the overall system when compared to the situation where the DR program is not implemented, illustrating the financial advantages of such strategies.
The depiction in Figure 7 effectively illustrates the voltage levels at the load bus, both in scenarios that include the demand response program and those that do not. Upon analyzing Figure 7, it becomes evident that there is a marked increase in voltage across nearly all load buses when the implementation of the DR program is in effect, indicating the positive impact of such programs on voltage stability and overall system performance. Increasing voltage levels within a power system assumes supreme importance for the preservation and enhancement of voltage stability, which serves as a foundational criterion for the reliable functioning of electrical networks. When the optimization of voltage levels is pursued and achieved, it not only aids in ensuring that the entire system operates within prescribed safe limits but it also significantly mitigates the potential risks associated with voltage collapse or instability, thereby safeguarding the integrity of the power infrastructure. This consideration becomes especially critical in the context of complex power systems, where even minor fluctuations can precipitate substantial operational challenges and complications. Through the strategic optimization of reactive power dispatch, it becomes possible to effectively minimize the total voltage deviation (TVD), which serves as a crucial metric for evaluating voltage uniformity across the grid. A reduced TVD is indicative of a situation where voltage levels throughout the system exhibit greater uniformity and stability, which is fundamentally essential for the reliable and uninterrupted operation of various electrical equipment and devices. This enhanced uniformity not only aids in the prevention of potential equipment malfunctions but also plays a significant role in diminishing energy losses, thereby contributing positively to the overall efficiency of the power system. The maintenance of elevated voltage levels can improve the operational efficiency within the power system. When voltage levels are maintained in a stable manner and remain within the desired operational range, the power system is positioned to function with greater efficacy, thereby minimizing the necessity for corrective measures and simultaneously enhancing the overall performance metrics of the electrical grid. This consideration holds particular relevance in the contemporary landscape of power systems, which are increasingly confronted with a myriad of both internal and external challenges that can disrupt normal operations.
Figure 8 provides a comprehensive illustration of the pronounced differences in cost function values between the scenarios in which the demand response integration is present and those where it is absent. Notably, the introduction of incentive mechanisms reveals a clear and significant reduction in total costs when compared to situations lacking any demand response strategies, serving to emphasize the substantial economic advantages that can be realized through the encouragement of consumer participation in demand response programs. By motivating consumers to either decrease or shift their energy consumption during peak demand periods through the provision of financial incentives, the total electricity costs can be effectively reduced. This decrease in costs is primarily facilitated by lessening the necessity for expensive peaking power plants and alleviating the pressure placed on the electrical grid. The economic advantages associated with incentive-based demand response programs are considerable as they provide a viable and cost-efficient approach to harmonizing supply with demand while simultaneously ensuring the stability and reliability of the grid system.
Table 5 serves to represent and illustrate the diverse values of incentives that have been allocated and paid to various load buses, particularly in the context of the integration of a demand response (DR) program that is designed to encourage participation. The incentives, which were meticulously derived from the equations presented in (5), function as a significant catalyst that motivates consumers, thereby incentivizing their active involvement in initiatives aimed at reducing load demand, consequently leading to enhanced efficiency in the overall system. Figure 9, on the other hand, depicts the specific incentives that have been distributed among the various participants actively engaged in the market, providing a clear visual representation of these financial allocations. In addition to this, Figure 10, which illustrates the convergence curve associated with the cost minimization process both with and without the incorporation of demand response initiatives (specifically those that are incentive-based) for the IEEE-30 bus system, offers a concise yet informative depiction of the dynamics involved in algorithmic convergence. This curve effectively delineates the iterative refinement process that is systematically undertaken by various optimization algorithms in their pursuit of minimizing the total cost function, and it is important to note that the graphical representation of each algorithm’s convergence trajectory vividly showcases the gradual reduction in cost that occurs across successive iterations, thus highlighting the efficiency of the optimization strategies employed.
  • Case 3: Minimize TVD and System Operation Cost
The component of the multi-objective optimization framework engages in the intricate consideration of both the minimization of voltage deviation—derived from the ORPD problem—and the minimization of the cost function, which is analyzed in conjunction with demand response (DR) strategies. To thoroughly investigate the ramifications of demand response within the context of the ORPD problem, this scholarly article delineates two distinct scenarios that take into account the aforementioned objective functions:
  • Scenario 1: Minimize the TVD and cost without DR.
  • Scenario 2: Minimize the TVD and cost with incentive-based DR.
The comprehensive statistical analysis of the multi-objective optimization process is systematically encapsulated within Table 6, which elucidates the findings. In the context of this research endeavor, the Multi-Objective Grasshopper Optimization Algorithm (MOGOA) is meticulously employed to derive the optimal compromise solution for the given scenarios. Furthermore, Table 6 illustrates the best, worst, and mean values pertinent to both the cost function and the total voltage deviation (TVD) for the scenarios previously delineated.
The comprehensive solution encompassing the various weights can be regarded as the most plausible resolution to the multi-objective optimization problem, as delineated in the detailed presentation of Table 7. Upon a meticulous examination of the data presented in Table 7, it becomes evident that within the confines of Scenario 2, the associated costs are notably minimized when juxtaposed against those observed in Scenario 1. Furthermore, this table elucidates the resultant values of the cost function corresponding to each scenario, thereby clearly indicating the significant influence that adjustments to the control variables exert on the overarching objective function.
Figure 11 depicts the load bus voltage profile with and without the DR program using the MOGOA. The comparative analysis of the Pareto optimal front for multi-objective optimization is effectively depicted in Figure 12. This graphical representation serves to underscore the intricate trade-off that exists between minimizing the total voltage deviation (TVD) and reducing costs across both scenarios under consideration. The empirical findings reveal that Scenario 2, which uniquely integrates incentive-based demand response (DR) mechanisms, accomplishes the objective of achieving the lowest overall cost while simultaneously upholding acceptable levels of the TVD. Through a thorough examination of the Pareto front, decision makers are allowed to pinpoint solutions that provide the most favorable equilibrium between the imperative of minimizing voltage deviation and the necessity of lowering operational expenditures. This strategic approach guarantees that the operations of power systems are optimized effectively while considering multiple objectives concurrently.
This study demonstrates the GOA’s potential as a robust tool for optimizing energy management in complex systems by minimizing power losses and improving system efficiency. The findings have practical applications for operators who can use the GOA to manage power dispatch and DR programs effectively. Stakeholders can benefit from reduced costs and enhanced system stability. The limitations of the presented work include the focus on a single network (IEEE-30 bus system) and the absence of a distribution network analysis. Future research could explore larger and more complex systems like the IEEE-33 bus system and test the approach under varying system constraints and DR policies.

5. Conclusions

The comprehensive results obtained from the multi-objective optimization process unequivocally demonstrate that the incorporation of demand response strategies, particularly incentive-based programs, leads to a significant increase in the cost-efficacy of power system operations while also working to minimize voltage deviations. The construction of the Pareto optimum front is a useful resource for decision makers, providing them with the framework they need to efficiently balance a slew of objectives inherent in the complicated realm of power system management. The ability to achieve optimal trade-offs between voltage stability and significant cost savings is critical for ensuring the long-term and reliable operation of modern power systems, which are increasingly challenged by a variety of external and internal factors. The collective insights gained from the ORPD problem, the detailed analysis of demand response, and the overarching framework of multi-objective optimization highlight the efficacy of sophisticated optimization algorithms, in conjunction with demand response strategies, in fostering significant improvements in the overall performance and reliability of power systems. The use of the Grasshopper Optimization Algorithm (GOA) in conjunction with the strategic integration of demand response programs results in robust solutions that effectively work to reduce operational costs and voltage deviations, ultimately contributing to the improvement in grid stability and operational efficiency in a highly interconnected electrical network. The findings of this research provide critical insights that will be extremely beneficial to power system operators and policymakers alike, providing strategic guidance in the development and implementation of effective methodologies aimed at optimizing power system management in a complex and dynamic environment.

Author Contributions

Conceptualization, P.D. and S.D.; methodology, S.G.; software, D.D. and F.S.; validation, P.D., S.D. and S.G.; formal analysis, D.D.; investigation, F.S.; resources, S.D.; data curation, S.G.; writing—original draft preparation, S.G. and S.D.; writing—review and editing, P.D. and D.D.; visualization, S.D.; supervision, S.G.; project administration, S.D.; funding acquisition, F.S. All authors have read and agreed to the published version of the manuscript.

Funding

This research received no external funding.

Data Availability Statement

The original contributions presented in the study are included in the article, further inquiries can be directed to the corresponding author.

Conflicts of Interest

The authors declare no conflicts of interest.

References

  1. Dora, B.K.; Rajan, A.; Mallick, S.; Halder, S. Optimal reactive power dispatch problem using exchange market-based butterfly optimization algorithm. Appl. Soft Comput. 2023, 147, 110833. [Google Scholar] [CrossRef]
  2. Gil, M.; Akbari, E.; Rahimnejad, A.; Ghasemi, M.; Gadsden, S.A. Solution of optimal reactive power dispatch by L’evy-flight phasor particle swarm optimization. Intell. Syst. Appl. 2024, 23, 200398. [Google Scholar] [CrossRef]
  3. Bjelogrlic, M.; Calovic, M.S.; Ristanovic, P.; Babic, B.S. Application of Newton’s optimal power flow in voltage/reactive power control. IEEE Trans. Power Syst. 1990, 5, 1447–1454. [Google Scholar] [CrossRef]
  4. Granville, S. Optimal reactive dispatch through interior point methods. IEEE Trans. Power Syst. 1994, 9, 136–146. [Google Scholar] [CrossRef]
  5. Momoh, J.A.; Guo, S.X.; Ogbuobiri, E.C.; Adapa, R. Quadratic interior point method solving power system optimization problems. IEEE Trans. Power Syst. 1994, 9, 1327–1336. [Google Scholar] [CrossRef]
  6. Deeb, N.; Shahidehpour, S.M. Linear reactive power optimization in a large power network using the decomposition approach. IEEE Trans. Power Syst. 1990, 5, 428–438. [Google Scholar] [CrossRef]
  7. Billinton, R. Optimum network VAr planning by nonlinear programming. IEEE Trans. Power Appar. Syst. 1973, PAS-92, 1217–1225. [Google Scholar] [CrossRef]
  8. Witharama, W.M.N.; Bandara KM, D.P.; Azeez, M.I.; Bandara, K.; Logeeshan, V.; Wanigasekara, C. Advanced Genetic Algorithm for Optimal Microgrid Scheduling Considering Solar and Load Forecasting, Battery Degradation, and Demand Response Dynamics. IEEE Access 2024, 12, 83269–83284. [Google Scholar] [CrossRef]
  9. Umar, A.; Kumar, D.; Ghose, T.; Alghamdi, T.A.; Abdelaziz, A.Y. Decentralized Community Energy Management: Enhancing Demand Response Through Smart Contracts in a Blockchain Network. IEEE Access 2024, 12, 80781–80798. [Google Scholar] [CrossRef]
  10. Wang, S.; Hui, H.; Ding, Y.; Zhai, J. Decentralized Demand Response for Energy Hubs in Integrated Electricity and Gas Systems Considering Linepack Flexibility. IEEE Internet Things J. 2024, 11, 11848–11861. [Google Scholar] [CrossRef]
  11. Villacrés, R.; Carrión, D. Optimizing Real and Reactive Power Dispatch Using a Multi-Objective Approach Combining the ϵ-Constraint Method and Fuzzy Satisfaction. Energies 2023, 16, 8034. [Google Scholar] [CrossRef]
  12. Nikzad, A.R.; Mohamed, A.A.; Venkatesh, B.; Penaranda, J. Estimating Aggregate Capacity of Connected DERs and Forecasting Feeder Power Flow With Limited Data Availability. IEEE Open Access J. Power Energy 2024, 11, 266–279. [Google Scholar] [CrossRef]
  13. Bucher, D.; Nüßlein, J.; O’Meara, C.; Angelov, I.; Wimmer, B.; Ghosh, K.; Cortiana, G.; Linnhoff-Popien, C. Incentivizing Demand-Side Response Through Discount Scheduling Using Hybrid Quantum Optimization. IEEE Trans. Quantum Eng. 2024, 5, 3102215. [Google Scholar] [CrossRef]
  14. Salimin, R.H.; Musirin, I.; Hamid, Z.A.; Harun, A.F.; Suliman, S.I.; Suyono, H.; Hasanah, R. Multi cases optimal reactive power dispatch using evolutionary programming. Indones. J. Electr. Eng. Comput. Sci. 2020, 17, 662–670. [Google Scholar] [CrossRef][Green Version]
  15. Kar, S.R.; Dash, D.P.; Sharma, R. Gaussian Mutation Based Teaching-Learning Optimization for reactive power dispatch, e-Prime—Advances in Electrical Engineering. Electron. Energy 2024, 8, 100555. [Google Scholar] [CrossRef]
  16. Lautert, R.R.; Cambambi, C.A.C.; Rangel, C.A.S.; Canha, L.N.; de Freitas, A.G.; da Silva Brignol, W. Microgrid Data Prediction Using Machine Learning. In Proceedings of the 2023 15th Seminar on Power Electronics and Control (SEPOC), Santa Maria, Brazil, 22–25 October 2023; pp. 1–5. [Google Scholar] [CrossRef]
  17. Ebeed, M.; Ali, S.; Kassem, A.M.; Hashem, M.; Kamel, S.; Hussien, A.G.; Jurado, F.; Mohamed, E.A. Solving stochastic optimal reactive power dispatch using an Adaptive Beluga Whale optimization considering uncertainties of renewable energy resources and the load growth. Ain Shams Eng. J. 2024, 15, 102762. [Google Scholar] [CrossRef]
  18. Hasanien, H.M.; Alsaleh, I.; Tostado-Véliz, M.; Zhang, M.; Alateeq, A.; Jurado, F.; Alassaf, A. Hybrid particle swarm and sea horse optimization algorithm-based optimal reactive power dispatch of power systems comprising electric vehicles. Energy 2024, 286, 129583. [Google Scholar] [CrossRef]
  19. Siddiquee, S.S.; Agyeman, K.A.; Bruton, K.; Howard, B.; O’Sullivan, D.T. A Data-Driven Framework for Quantifying Demand Response Participation Benefit of Industrial Consumers. IEEE Trans. Ind. Appl. 2024, 60, 2. [Google Scholar] [CrossRef]
  20. Ruan, J.; Liang, G.; Zhao, J.; Lei, S.; He, B.; Qiu, J.; Dong, Z.Y. Graph Deep-Learning-Based Retail Dynamic Pricing for Demand Response. IEEE Trans. Smart Grid 2023, 14, 6. [Google Scholar] [CrossRef]
  21. Sun, X.; Xie, H.; Xiao, Y.; Bie, Z. Incentive Compatible Pricing for Enhancing the Controllability of Price-Based Demand Response. IEEE Trans. Smart Grid 2024, 15, 1. [Google Scholar] [CrossRef]
  22. Mirjalili, S.Z.; Mirjalili, S.; Saremi, S.; Faris, H. Grasshopper optimization algorithm for multi-objective optimization problems. Appl. Intell. 2018, 48, 805–820. [Google Scholar] [CrossRef]
  23. The University of Washington Electrical Engineering. Power System Test Case Archive, the IEEE 30-Bus Test System Data. Available online: https://www2.ee.washington.edu/research/pstca/formats/cdf.txt (accessed on 19 April 2021).
  24. Zaeim-Kohan, F.; Razmi, H.; Doagou-Mojarrad, H. Multi-objective transmission congestion management considering demand response programs and generation rescheduling. Appl. Soft Comput. 2018, 70, 169–181. [Google Scholar] [CrossRef]
  25. Yousefi, A.; Nguyen, T.; Zareipour, H.; Malik, O. Congestion management using demand response and FACTS devices. Int. J. Electr. Power Energy Syst. 2012, 37, 78–85. [Google Scholar] [CrossRef]
  26. Gope, S.; Roy, R.; Sharma, S.; Dawn, S.; Reddy, G.H. Cooperative optimal operation of hybrid energy integrated system considering multi-objective dragonfly algorithm. Energy Storage 2024, 6, e551. [Google Scholar] [CrossRef]
Figure 1. Flow chart of GOA.
Figure 1. Flow chart of GOA.
Processes 12 02049 g001
Figure 2. IEEE 30 bus system.
Figure 2. IEEE 30 bus system.
Processes 12 02049 g002
Figure 3. Comparison results of TVD for IEEE 30 bus system [1].
Figure 3. Comparison results of TVD for IEEE 30 bus system [1].
Processes 12 02049 g003
Figure 4. Load voltage profile of IEEE 30 bus system.
Figure 4. Load voltage profile of IEEE 30 bus system.
Processes 12 02049 g004
Figure 5. Comparative convergence characteristics.
Figure 5. Comparative convergence characteristics.
Processes 12 02049 g005
Figure 6. Response bus load reduction with DR.
Figure 6. Response bus load reduction with DR.
Processes 12 02049 g006
Figure 7. Load bus voltage profile with and without DR program.
Figure 7. Load bus voltage profile with and without DR program.
Processes 12 02049 g007
Figure 8. Comparison of cost before and after DR.
Figure 8. Comparison of cost before and after DR.
Processes 12 02049 g008
Figure 9. Incentives paid at different load buses.
Figure 9. Incentives paid at different load buses.
Processes 12 02049 g009
Figure 10. Convergence curve comparison of DR for IEEE-30 bus.
Figure 10. Convergence curve comparison of DR for IEEE-30 bus.
Processes 12 02049 g010
Figure 11. Load bus voltage profile with and without DR program using MOGOA.
Figure 11. Load bus voltage profile with and without DR program using MOGOA.
Processes 12 02049 g011
Figure 12. Pareto optimal curve comparison for Scenario 1 and Scenario 2.
Figure 12. Pareto optimal curve comparison for Scenario 1 and Scenario 2.
Processes 12 02049 g012
Table 1. Comparison results of IEEE-30 bus system for Case 1.
Table 1. Comparison results of IEEE-30 bus system for Case 1.
Control VariableInitialPSO [1]BFOA [1]BOA [1]GSA [1]FA [1]CSA [1]DAGOA
Vg11.051.006180.950.983890.992981.003460.98561.02231.012
Vg21.041.007511.07020.950.955191.016381.03451.02241.011
Vg51.011.008390.96451.051351.01891.019451.04781.03181.021
Vg81.011.039351.02581.0321.01891.018221.05671.02231.012
Vg111.051.003461.03751.034611.011980.982270.97861.02451.013
Vg131.051.044660.99141.056931.035981.015461.06521.01601.001
T6-91.0780.990.981.021831.05780.991.0430.90090.989
T6-101.0690.90.960.948171.050.91.0440.93640.924
T4-121.0320.991.021.026140.90.981.02790.97020.967
T27-281.0680.950.990.945131.050.960.92361.08051.079
Qc1004.44.84.148880.9663.24.29854.89
Qc1200.91.32.429594.50.52.67800
Qc1501.24.51.400452.54.91.34554.86
Qc1701.920.704441.40.10.765455
Qc2001.14.33.9072643.83.897655
Qc21013.93.664453.853.578955
Qc2300.943.509532.953.486755
Qc24014.51.191232.53.91.34784.77184.781
Qc2900.93.40.809433.11.50.34672.59502.765
TVD1.05820.15350.1490.142480.1180.11570.11150.09990.098
% change085.494285.919486.535688.848989.06689.45490.55990.71
Table 2. Numerical results of load reduction in responsive loads in terms of MW.
Table 2. Numerical results of load reduction in responsive loads in terms of MW.
CasesBus 7Bus 8Bus 12Bus 17Bus 19Bus 21Bus 30
Load Without DR (MW)22.83011.299.517.510.6
Load With DR (MW)20.522710.088.18.5515.759.54
Load Reduction (MW)2.28003.00001.12000.90000.95001.75001.0600
% Load Reduction10101010101010
Table 3. Total cost of system operation with and without incentive-based DR using GOA.
Table 3. Total cost of system operation with and without incentive-based DR using GOA.
Sl. No.Name of CaseCost Function Value (USD)
1Minimization of cost without DR799.1768
2Minimization of cost with DR 786.8650
Table 4. Numerical results of IEEE 30 bus system for Case 2.
Table 4. Numerical results of IEEE 30 bus system for Case 2.
Control Variable Without DRWith DR
ACS [26]MOEA/D [26]DAGOAGOA
Pg1173.34174.796177.7323178.0448172.0674
Pg248.68549.87448.747248.441746.2437
Pg321.05521.78421.647121.333921.1126
Pg424.80221.31720.670220.818118.5236
Pg510.42912.38611.607111.867610.8611
Pg613.83112.00012.167712.000012.0000
Vg11.09311.10001.10001.10001.0681
Vg21.07241.08611.07471.08521.0630
Vg51.04911.05561.04501.04951.0648
Vg81.04651.06771.05611.06811.0526
Vg111.08161.09811.10001.10001.0923
Vg131.08401.09371.10001.10001.1000
T6-90.96741.02720.90221.08320.9575
T6-101.09580.90570.94550.97670.9559
T4-121.05101.01621.00850.95800.9843
T27-280.96530.97751.02950.95511.0911
Qc101.72551.6005.00005.00005.0000
Qc122.51311.2434.37715.00005.0000
Qc152.37663.2424.96025.00004.9990
Qc171.96874.3625.00005.00005.0000
Qc202.25954.2705.00005.00005.0000
Qc214.98715.0005.00004.98865.0000
Qc234.08053.7604.66094.79964.8400
Qc241.98664.6535.00005.00005.0000
Qc292.92712.6894.43134.14613.6421
Cost800.83799.29799.2887798.9780786.8352
Table 5. Incentives paid at different load buses.
Table 5. Incentives paid at different load buses.
Bus No.Incentives Paid (USD)Bus No.Incentives Paid (USD)
75.7192.375
87.5214.375
122.8302.650
172.25% of total cost paid as incentive3.5141%
Table 6. Statistical analysis for multi-objective optimization.
Table 6. Statistical analysis for multi-objective optimization.
ValueScenario 1Scenario 2
TVDCost without DRTVDCost with Incentive-Based DR
Best0.1575802.73300.1354792.7732
Worst0.1569810.76540.1496798.3353
Mean0.1589805.73310.1418795.7014
Table 7. Numerical results of IEEE 30 bus system for Case 3.
Table 7. Numerical results of IEEE 30 bus system for Case 3.
Control VariableScenario 1Scenario 2Control VariableScenario 1Scenario 2
Pg1175.3433163.9690T4-121.04171.0666
Pg250.066055.2830T27-281.10001.0756
Pg322.855717.1396Qc100.32621.6128
Pg421.370815.7029Qc120.03320.0000
Pg511.246412.5096Qc155.00003.7389
Pg612.000016.4464Qc173.18130.1420
Vg11.09261.1000Qc203.61334.8251
Vg21.09601.1000Qc214.68594.7117
Vg51.08901.0919Qc231.59980.4369
Vg81.07941.0871Qc243.59414.5692
Vg111.08211.1000Qc295.00005.0000
Vg131.07741.0801Cost (USD)802.7330792.7732
T6–91.06851.1000TVD0.14480.1483
T6–101.03931.1000
Disclaimer/Publisher’s Note: The statements, opinions and data contained in all publications are solely those of the individual author(s) and contributor(s) and not of MDPI and/or the editor(s). MDPI and/or the editor(s) disclaim responsibility for any injury to people or property resulting from any ideas, methods, instructions or products referred to in the content.

Share and Cite

MDPI and ACS Style

Das, P.; Dawn, S.; Gope, S.; Das, D.; Salata, F. Optimal Reactive Power Dispatch and Demand Response in Electricity Market Using Multi-Objective Grasshopper Optimization Algorithm. Processes 2024, 12, 2049. https://doi.org/10.3390/pr12092049

AMA Style

Das P, Dawn S, Gope S, Das D, Salata F. Optimal Reactive Power Dispatch and Demand Response in Electricity Market Using Multi-Objective Grasshopper Optimization Algorithm. Processes. 2024; 12(9):2049. https://doi.org/10.3390/pr12092049

Chicago/Turabian Style

Das, Punam, Subhojit Dawn, Sadhan Gope, Diptanu Das, and Ferdinando Salata. 2024. "Optimal Reactive Power Dispatch and Demand Response in Electricity Market Using Multi-Objective Grasshopper Optimization Algorithm" Processes 12, no. 9: 2049. https://doi.org/10.3390/pr12092049

APA Style

Das, P., Dawn, S., Gope, S., Das, D., & Salata, F. (2024). Optimal Reactive Power Dispatch and Demand Response in Electricity Market Using Multi-Objective Grasshopper Optimization Algorithm. Processes, 12(9), 2049. https://doi.org/10.3390/pr12092049

Note that from the first issue of 2016, this journal uses article numbers instead of page numbers. See further details here.

Article Metrics

Back to TopTop