American Ginseng Slice Drying and Optimization: Effect of Different Drying Methods on Drying Kinetics and Physicochemical Properties
Abstract
1. Introduction
2. Materials and Methods
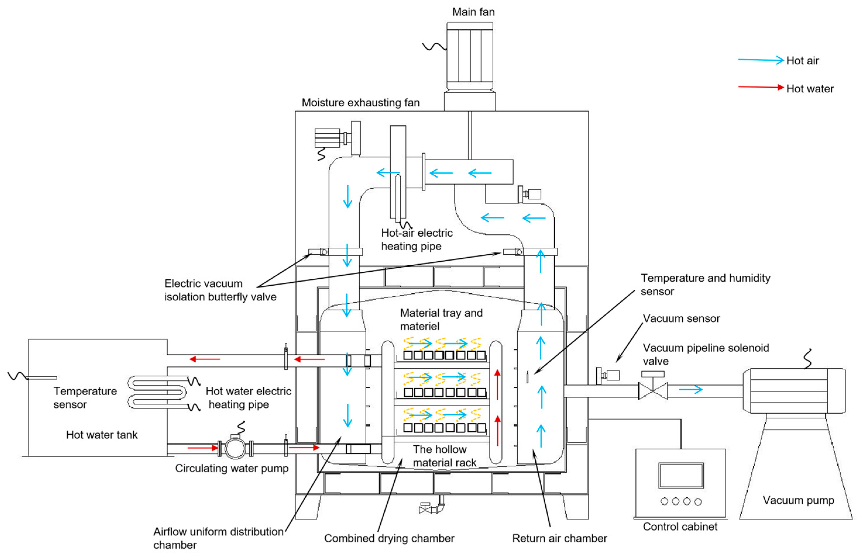
2.1. Devices and Equipment
2.2. Materials
2.3. Experimental Procedure
2.3.1. Comparative Experiment
2.3.2. Response Surface Experimental Design
2.3.3. Data Processing and Statistical Methods
2.4. Drying Characteristic Analysis
2.4.1. Measurement of Moisture Content
2.4.2. Dry Basis Moisture Content (Mt)
2.4.3. Drying Rate
2.4.4. Rehydration Ratio
2.5. Determination of Ginsenoside Content
2.6. Calculation of Total Ginsenoside Residual Ratio
2.7. Measurement of Hardness
2.8. Measurement of Color
2.9. Microstructure Analysis
2.10. Synthesized Assessment
3. Results and Discussion
3.1. Characterization of Dried American Ginseng Slices Using Different Drying Methods
3.2. Comparative Study of Different Drying Methods for American Ginseng Slices
3.3. Optimization of Hot-Air and Vacuum Combined Drying (HAVCD) Technology for American Ginseng Slices
3.3.1. Central-Composite Experimental Design and Results
3.3.2. Significance Analysis of Regression Equations
3.3.3. Response Surface Analysis
3.3.4. Optimization and Validation of HAVCD Process
4. Conclusions
Author Contributions
Funding
Data Availability Statement
Conflicts of Interest
Abbreviations
References
- Qi, L.W.; Wang, C.Z.; Yuan, C.S. Ginsenosides from American ginseng: Chemical and pharmacological diversity. Phytochemistry 2011, 72, 689–699. [Google Scholar] [CrossRef]
- In-Ho, B.; So, S.H. The world ginseng market and the ginseng. J. Ginseng Res. 2013, 37, 1–7. [Google Scholar]
- Koh, E.; Jang, O.H.; Hwang, K.H.; An, Y.N.; Moon, B. Effects of Steaming and Air-Drying on Ginsenoside Composition of K orean Ginseng (Panax ginseng CA M eyer). J. Food Process. Preserv. 2015, 39, 207–213. [Google Scholar] [CrossRef]
- Pu, J.Y.; Ramadhania, Z.M.; Mathiyalagan, R.; Huo, Y.; Han, Y.; Li, J.F.; Ahn, J.C.; Xu, F.J.; Lee, D.W.; Zeng, X.H.; et al. Ginsenosides Conversion and Anti-Oxidant Activities in Puffed Cultured Roots of Mountain Ginseng. Processes 2021, 9, 2271. [Google Scholar] [CrossRef]
- Park, J.J.; Cho, J.S.; Park, K.J.; Cho, C.W.; Oh, M.R.; Lim, J.H. Assessment of drying characteristics for whole and sliced red ginseng using short-wave infrared spectroscopy and mathematical model. J. Food Process Eng. 2023, 46, e14492. [Google Scholar] [CrossRef]
- Xiao, H.W.; Bai, J.W.; Xie, L.; Sun, D.W.; Gao, Z.J. Thin-layer air impingement drying enhances drying rate of American ginseng (Panax quinquefolium L.) slices with quality attributes considered. Food Bioprod. Process. 2015, 94, 581–591. [Google Scholar] [CrossRef]
- Ju, H.Y.; Zhao, S.H.; Mujumdar, A.S.; Zhao, H.Y.; Duan, X.; Zheng, Z.A.; Gao, H.Y.; Xiao, H.W. Step-down relative humidity convective air drying strategy to enhance drying kinetics, efficiency, and quality of American ginseng root (Panax quinquefolium). Dry. Technol. 2020, 38, 903–916. [Google Scholar] [CrossRef]
- Jiang, D.; Xiao, H.; Zheng, Z. Effects of different drying methods on drying characteristics, microstructure, quality, and energy consumption of Panax Notoginseng roots (Araliaceae). Dry. Technol. 2022, 40, 1247–1261. [Google Scholar] [CrossRef]
- Xiao, H.W.; Law, C.L.; Sun, D.W.; Gao, Z.J. Color change kinetics of American ginseng (Panax quinquefolium) slices during air impingement drying. Dry. Technol. 2014, 32, 418–427. [Google Scholar] [CrossRef]
- Lu, G.S. Study on vacuum freeze drying process of Panax quinquefolium. Food Res. Dev. 2018, 39, 115–119, (In Chinese with English Abstract). [Google Scholar]
- Du, X.W.; Wills, R.B.H.; Stuart, D.L. Changes in neutral and malonyl ginsenosides in American ginseng (Panax quinquefolium) during drying, storage and ethanolic extraction. Food Chem. 2004, 86, 155–159. [Google Scholar] [CrossRef][Green Version]
- Wang, D.; Dai, J.W.; Ju, H.Y.; Xie, L.; Xiao, H.W.; Liu, Y.H.; Gao, Z.J. Drying kinetics of American ginseng slices in thin-layer air impingement dryer. Int. J. Food Eng. 2015, 11, 701–711. [Google Scholar] [CrossRef]
- Zhou, G.Y.; Wang, C.X.; Hu, X.L.; Zhan, B. Influence of drying methods on active ingredient and sensory characteristics of Sanqi slice (Radix notoginseng). Food Sci. 2011, 32, 1–5, (In Chinese with English Abstract). [Google Scholar]
- Kim, J.S.; Choi, Y.B.; Ko, J.R.; Lee, H.Y. Enhancement of biological activities of fresh ginseng by balanced low pressure drying processes. Food Eng. Prog. 2013, 17, 325–332. [Google Scholar] [CrossRef]
- Yuan, Y.; Tan, L.; Xu, Y.; Yuan, Y.; Dong, J. Optimization of combined drying for lettuce using response surface methodology. J. Food Process. Preserv. 2016, 40, 1027–1037. [Google Scholar] [CrossRef]
- Jiang, D.; Xiao, H.; Zielinska, M.; Zhu, G.; Bai, T.; Zheng, Z. Effect of pulsed vacuum drying on drying kinetics and quality of roots of Panax notoginseng (Burk.) FH Chen (Araliaceae). Dry. Technol. 2021, 39, 2234–2251. [Google Scholar] [CrossRef]
- Yuan, Y.J.; Zhao, Z.; Cao, B.T.; Dang, X.A.; Xu, Y.Y.; Bai, B.F. Hot-air and vacuum drying technology of celery. Chin. J. Vac. Sci. Technol. 2014, 34, 313–319, (In Chinese with English Abstract). [Google Scholar]
- Yuan, Y.J.; Zou, N.; Xu, Y.Y.; Wang, D.; Zhao, Z. Effect of combined drying with hot air and vacuum on quality of Astragalus membranaceus and process optimization. Chin. J. Vac. Sci. Technol. 2023, 43, 879–889, (In Chinese with English Abstract). [Google Scholar]
- Shang, T.; Yuan, Y.J.; Zhao, Z.; Xu, Y.Y. Study on drying kinetics and quality of Scutellaria baicalensis microwave-hot air combined with drying. Chin. Tradit. Herb. Drugs 2023, 54, 4501–4510, (In Chinese with English Abstract). [Google Scholar]
- Pei, Y.; Li, Z.; Song, C.; Li, J.; Song, F.; Zhu, G.; Liu, M. Effects of combined infrared and hot-air drying on ginsenosides and sensory properties of ginseng root slices (Panax ginseng Meyer). J. Food Process. Preserv. 2020, 44, e14312. [Google Scholar] [CrossRef]
- Yang, J.Q.; Yuan, Y.J.; Wang, D.; Xu, Y.Y.; Cao, B.T. Effects of different drying methods on the drying quality of banana slices. Food Sci. Technol. 2019, 44, 74–79, (In Chinese with English Abstract). [Google Scholar]
- Zhao, Z.Y.; Yuan, Y.J.; Wang, D.; Zhao, Z. Optimization of vacuum hot air drying system for Hami melon slices by multi-index experimental formula. Food Ferment. Ind. 2020, 46, 140–146, (In Chinese with English Abstract). [Google Scholar]
- Jayasuriya, H.; Pathare, P.B.; Al-Attabi, Z.; Al-Hamdani, A. Drying Kinetics and Quality Analysis of Coriander Leaves Dried in an Indirect, Stand-Alone Solar Dryer. Processes 2023, 11, 1596. [Google Scholar] [CrossRef]
- Xiao, H.W.; Yao, X.D.; Lin, H.; Yang, W.X.; Meng, J.S.; Gao, Z.J. Effect of SSB (superheated steam blanching) time and drying temperature on hot air impingement drying kinetics and quality attributes of yam slices. J. Food Process Eng. 2012, 35, 370–390. [Google Scholar] [CrossRef]
- Jiang, Z.H.; Jiang, L.P.; Gao, H.F.; Ju, X.D.; Cong, Z.Z.; Zhang, R.R.; Wang, Q.L.; Zhang, C.X. Comparative studies of ginseng saponin content from red ginseng by different determination methods. Ginseng Res. 2017, 29, 6–10, (In Chinese with English Abstract). [Google Scholar]
- An, F.; Qiu, D.; Song, H.; Wu, X.; Tong, J.; Guo, R. Effects of Instant Pressure Drop Puffing with Super-Heated Vapor on the Physical Properties of Granny Smith Apple Chips. J. Food Process Eng. 2015, 38, 174–182. [Google Scholar] [CrossRef]
- Li, C.H.; Yu, Y.C.; Li, H. Analysis of differences in weights of indicators for evaluation of plowing effectiveness under different calculation methods. J. Agric. Mech. Res. 2015, 37, 31–35, (In Chinese with English Abstract). [Google Scholar]
- Xie, L.; Mujumdar, A.S.; Zhang, Q.; Wang, J.; Liu, S.; Deng, L.; Wang, D.; Xiao, H.W.; Liu, Y.H.; Gao, Z.J. Pulsed Vacuum Drying of Wolfberry: Effects of Infrared Radiation Heating and Electronic Panel Contact Heating Methods on Drying Kinetics, Color Profile, and Volatile Compounds. Dry. Technol. 2017, 35, 1312–1326. [Google Scholar] [CrossRef]
- Mujumdar Arun, S.; Xiao, H.-W. Advanced Drying Technologies for Foods; CRC Press: Boca Raton, FL, USA, 2020; ISBN 978-1-138-58490-7. [Google Scholar]
- Jang, G.Y.; Lee, Y.J.; Li, M.; Kim, M.Y.; Lee, S.H.; Hwang, I.G.; Lee, J.; Jeong, H.S. Changes in ginsenoside compositions by high temperature processing under various soaking conditions. Food Sci. Technol. Res. 2017, 23, 689–696. [Google Scholar] [CrossRef]
- Hwang, C.R.; Sang, H.L.; Jang, G.Y.; Hwang, I.G.; Kim, H.Y.; Woo, K.S.; Lee, J.; Jeong, H.S. Changes in Ginsenoside Compositions and Antioxidant Activities of Hydroponic-Cultured Ginseng Roots and Leaves with Heating Temperature. J. Ginseng Res. 2014, 38, 180–186. [Google Scholar] [CrossRef]
- Coelho, K.; Costa, B.R.; Pinto, L.A.D.A. Evaluation of lycopene loss and colour values in convective drying of tomato by surface response methodology. Int. J. Food Eng. 2013, 9, 233–238. [Google Scholar] [CrossRef]
- Koc, B.; Eren, I.; Ertekin, F.K. Modelling bulk density, porosity and shrinkage of quince during drying: The effect of drying method. J. Food Eng. 2008, 85, 340–349. [Google Scholar] [CrossRef]
- Winiczenko, R.; Kaleta, A.; Górnicki, K. Application of a MOGA Algorithm and ANN in the Optimization of Apple Drying and Rehydration Processes. Processes 2021, 9, 1415. [Google Scholar] [CrossRef]
- Zhang, H.Z.; Zheng, L.; Zhang, X.; Cui, X.; Wang, C.; Qu, Y. A study of the freeze-drying process and quality evaluation of Angelica sinensis. Int. J. Food Eng. 2021, 17, 411–422. [Google Scholar] [CrossRef]
- Liu, B.D.; Lv, X.L.; Wang, C.X.; Sun, J.; Jinag, W.B. Process optimization of high temperature short duration hot air treatment for promoting Dioscorea esculenta healing. Trans. Chin. Soc. Agric. Eng. 2020, 36, 313–322, (In Chinese with English Abstract). [Google Scholar]






| Encodings | Considerations | ||
|---|---|---|---|
| A (Hot-Air Temperature, °C) | B (Vacuum Temperature, °C) | C (Moisture Content at the Conversion Point, %) | |
| −r | 28 | 28 | 23 |
| −1 | 35 | 35 | 30 |
| 0 | 45 | 45 | 40 |
| +1 | 55 | 55 | 50 |
| +r | 62 | 62 | 57 |
| Drying Methods | Drying Time (min) | L* | Total Ginsenoside Content (g/100 g) | Ginsenoside Residue Rate (%) | RR | Hardness (N) | Comprehensive Score |
|---|---|---|---|---|---|---|---|
| HAD | 150 (100.00) | 82.86 ± 0.24 b (86.87) | 1.79 ± 0.07 c (70.20) | 48.81 ± 0.14 b (67.34) | 2.50 ± 0.07 c (81.43) | 2507.58 ± 5.8 c (60.11) | 83.25 |
| VD | 223 (67.26) | 90.42 ± 0.28 a (94.80) | 1.89 ± 0.06 c (74.12) | 52.50 ± 0.19 a (62.61) | 2.44 ± 0.09 c (79.48) | 4171.97 ± 9.1 a (100.00) | 75.31 |
| HAVCD | 180 (83.33) | 92.67 ± 0.31 a (97.16) | 2.12 ± 0.10 b (83.14) | 42.19 ± 0.17 c (77.91) | 2.80 ± 0.07 b (91.21) | 3820.76 ± 11.4 b (91.58) | 84.56 |
| VFD | 900 (16.67) | 95.38 ± 0.29 a (100.0) | 2.55 ± 0.08 a (100.00) | 32.87 ± 0.15 d (100.00) | 3.07 ± 0.10 a (100.00) | 1265.3 ± 7.3 d (30.33) | 41.17 |
| Coefficient of variation | 0.87 | 0.05 | 0.14 | 0.17 | 0.09 | 0.38 | |
| Weighting coefficients | 0.51 | 0.03 | 0.08 | 0.1 | 0.05 | 0.22 |
| Serial Number | A (°C) | B (°C) | C (%) | T Drying Time (Min) | RR | G Total Ginsenoside Content/(g/100 g) | L* | Y Comprehensive Score |
|---|---|---|---|---|---|---|---|---|
| 1 | 35 | 35 | 30 | 315 (54.92) | 2.82 (90.91) | 1.70 (70.54) | 92.95 (99.25) | 64.25 |
| 2 | 55 | 35 | 30 | 282 (61.35) | 2.83 (91.12) | 1.74 (72.20) | 91.00 (97.17) | 68.33 |
| 3 | 35 | 55 | 30 | 252 (68.65) | 3.06 (98.53) | 1.22 (50.76) | 90.96 (97.13) | 65.63 |
| 4 | 55 | 55 | 30 | 177 (97.74) | 3.11 (100.00) | 2.19 (90.73) | 89.71 (95.79) | 95.47 |
| 5 | 35 | 35 | 50 | 402 (43.03) | 3.02 (97.12) | 1.89 (78.42) | 92.00 (98.23) | 60.82 |
| 6 | 55 | 35 | 50 | 381 (45.41) | 2.92 (94.02) | 1.62 (67.36) | 91.01 (97.18) | 58.08 |
| 7 | 35 | 55 | 50 | 270 (64.04) | 2.78 (89.61) | 1.71 (70.82) | 90.62 (96.77) | 69.24 |
| 8 | 55 | 55 | 50 | 205 (84.39) | 2.77 (89.14) | 2.36 (97.93) | 90.09 (96.20) | 89.70 |
| 9 | 28 | 45 | 40 | 284 (60.92) | 3.00 (96.60) | 1.62 (67.22) | 92.24 (98.49) | 66.86 |
| 10 | 62 | 45 | 40 | 200 (86.50) | 2.95 (94.98) | 2.18 (90.46) | 90.55 (96.69) | 88.79 |
| 11 | 45 | 28 | 40 | 336 (51.49) | 3.04 (97.88) | 1.83 (75.93) | 92.52 (98.79) | 64.73 |
| 12 | 45 | 62 | 40 | 173 (100.00) | 3.09 (99.45) | 2.05 (85.06) | 90.82 (96.98) | 94.77 |
| 13 | 45 | 45 | 23 | 220 (78.64) | 2.97 (95.63) | 1.82 (75.52) | 92.68 (98.96) | 79.44 |
| 14 | 45 | 45 | 27 | 285 (60.70) | 2.80 (90.16) | 2.10 (87.14) | 91.99 (98.23) | 73.03 |
| 15 | 45 | 45 | 40 | 205 (84.39) | 2.91 (93.55) | 2.20 (91.29) | 92.49 (98.76) | 87.84 |
| 16 | 45 | 45 | 40 | 210 (82.38) | 2.92 (94.01) | 1.95 (80.91) | 93.65 (100.00) | 83.26 |
| 17 | 45 | 45 | 40 | 227 (76.21) | 2.97 (95.57) | 2.33 (96.68) | 92.77 (99.06) | 85.33 |
| 18 | 45 | 45 | 40 | 232 (74.57) | 2.83 (91.20) | 2.41 (100.00) | 92.52 (98.79) | 85.20 |
| 19 | 45 | 45 | 40 | 245 (70.61) | 2.90 (93.30) | 2.02 (83.82) | 92.29 (98.54) | 77.64 |
| 20 | 45 | 45 | 40 | 229 (75.55) | 2.88 (92.79) | 1.99 (82.57) | 92.48 (98.75) | 79.91 |
| Coefficient of variation | 0.24 | 0.03 | 0.15 | 0.01 | ||||
| Weighting coefficients | 0.55 | 0.08 | 0.34 | 0.03 | ||||
| Source of Variance | Square Sum | Degrees of Freedom | Mean Square | F | p (p > F) |
|---|---|---|---|---|---|
| Model | 2386.19 | 9 | 265.13 | 13.60 | 0.0002 |
| A | 573.80 | 1 | 573.80 | 29.44 | 0.0003 |
| B | 1038.39 | 1 | 1038.39 | 53.28 | <0.0001 |
| C | 51.85 | 1 | 51.85 | 2.66 | 0.1339 |
| AB | 299.53 | 1 | 299.53 | 15.37 | 0.0029 |
| AC | 32.84 | 1 | 32.84 | 1.69 | 0.2234 |
| BC | 16.56 | 1 | 16.56 | 0.85 | 0.3783 |
| A2 | 147.87 | 1 | 147.87 | 7.59 | 0.0203 |
| B2 | 91.63 | 1 | 91.63 | 4.70 | 0.0553 |
| C2 | 204.15 | 1 | 204.15 | 10.47 | 0.0089 |
| Residuals | 194.89 | 10 | 19.49 | ||
| Lost proposal | 123.07 | 5 | 24.61 | 1.71 | 0.2845 |
| Pure terror | 71.83 | 5 | 14.37 | ||
| Total deviation | 2581.08 | 19 | |||
| Ratio | R2 = 0.9245; Adj R2 = 0.8565 Adeq Precision = 12.053 | ||||
Disclaimer/Publisher’s Note: The statements, opinions and data contained in all publications are solely those of the individual author(s) and contributor(s) and not of MDPI and/or the editor(s). MDPI and/or the editor(s) disclaim responsibility for any injury to people or property resulting from any ideas, methods, instructions or products referred to in the content. |
© 2024 by the authors. Licensee MDPI, Basel, Switzerland. This article is an open access article distributed under the terms and conditions of the Creative Commons Attribution (CC BY) license (https://creativecommons.org/licenses/by/4.0/).
Share and Cite
Wang, D.; Ma, M.; Zhao, Z.; Yuan, Y.; Chitrakar, B.; Li, C.; Li, P.; Xiao, H. American Ginseng Slice Drying and Optimization: Effect of Different Drying Methods on Drying Kinetics and Physicochemical Properties. Processes 2024, 12, 1226. https://doi.org/10.3390/pr12061226
Wang D, Ma M, Zhao Z, Yuan Y, Chitrakar B, Li C, Li P, Xiao H. American Ginseng Slice Drying and Optimization: Effect of Different Drying Methods on Drying Kinetics and Physicochemical Properties. Processes. 2024; 12(6):1226. https://doi.org/10.3390/pr12061226
Chicago/Turabian StyleWang, Dong, Minzhuo Ma, Zeying Zhao, Yuejin Yuan, Bimal Chitrakar, Cunliang Li, Pei Li, and Hongwei Xiao. 2024. "American Ginseng Slice Drying and Optimization: Effect of Different Drying Methods on Drying Kinetics and Physicochemical Properties" Processes 12, no. 6: 1226. https://doi.org/10.3390/pr12061226
APA StyleWang, D., Ma, M., Zhao, Z., Yuan, Y., Chitrakar, B., Li, C., Li, P., & Xiao, H. (2024). American Ginseng Slice Drying and Optimization: Effect of Different Drying Methods on Drying Kinetics and Physicochemical Properties. Processes, 12(6), 1226. https://doi.org/10.3390/pr12061226

