Next Article in Journal
A Systematic Review of Multi-Objective Evolutionary Algorithms Optimization Frameworks
Next Article in Special Issue
Nutrient Removal and Recovery from Municipal Wastewater
Previous Article in Journal
New Insights in Prebiotic Utilization: A Systematic Review
Previous Article in Special Issue
Ciprofloxacin Uptake from an Aqueous Solution via Adsorption with K2CO3-Activated Biochar Derived from Brewing Industry Bagasse
 
 
Font Type:
Arial Georgia Verdana
Font Size:
Aa Aa Aa
Line Spacing:
Column Width:
Background:
Article

Impact of Combined Electrolysis and Activated Sludge Process on Municipal Wastewater Treatment

by
Miroslav Hutňan
*,
Barbora Jankovičová
,
Ronald Zakhar
and
Nikola Šoltýsová
Institute of Chemical and Environmental Engineering, Faculty of Chemical and Food Technology, Slovak University of Technology in Bratislava, Radlinského 9, 81237 Bratislava, Slovakia
*
Author to whom correspondence should be addressed.
Processes 2024, 12(5), 868; https://doi.org/10.3390/pr12050868
Submission received: 25 March 2024 / Revised: 21 April 2024 / Accepted: 24 April 2024 / Published: 25 April 2024
(This article belongs to the Special Issue Municipal Wastewater Treatment and Removal of Micropollutants)

Abstract

Electrochemical methods for the treatment of municipal and industrial wastewater are used either independently or in conjunction with biological methods for pretreatment or posttreatment of biologically treated wastewater. In our work, the combination of these processes was studied, where pre-electrolysis was used to produce dissolved iron before the activation process. Electrolysis was also directly introduced into the activation using either iron or carbon electrodes. The surface of one iron electrode was 32.2 cm2, voltage at the electrodes was 21 V, and current was 270 mA. The surface of one carbon electrode was 7.54 cm2, current was 82.5 mA, and voltage at the electrodes was 21 V. Laboratory research on synthetic municipal wastewater treatment using a combination of electrolysis and activation processes showed that the use of iron electrodes increases the efficiency of phosphorus removal compared to its precipitation with iron salts. Electrolysis has shown a positive effect on the sedimentation properties of sludge and the destruction of filamentous microorganisms. Even though it negatively affected the respiration rates of activated sludge and the denitrification efficiency, it did not have a negative impact on the nitrification activity of sludge.

Graphical Abstract

1. Introduction

Electrochemical methods for water treatment have been used since the late 19th century. Their application is wide-ranging, from electrocoagulation to, through electroflotation, electrooxidation, and electroreduction to electrodialysis [1,2]. These methods have been successfully employed for both independent treatment and pretreatment of industrial and municipal wastewater. Studies [3,4,5] addressed the treatment of domestic or municipal wastewater using electrocoagulation, achieving relatively high efficiencies in removing suspended and dissolved pollutants. Electrocoagulation has also been successfully applied to wastewater from various industrial sectors, such as the petrochemical, mechanical, automotive, textile, tanning, paper, and food industries [6,7].
Electrochemical methods are often used in conjunction with biological wastewater treatment and sludge processing methods. For example, anodic oxidation, Fenton-based electrochemical treatment, and electrocoagulation can be combined with bioprocesses for the removal of biologically recalcitrant substances and xenobiotics [8]. However, these processes are usually used and monitored separately or in their arrangement in series. The focus is on the impact of electrochemically pretreated water on biological processes or the possibility of electrochemical posttreatment of biologically treated water.
The impact of electrochemical processes on biological ones can also be direct. This occurs in cases where the overall output from the electrochemical process is introduced into the biological stage, influencing it with its products. An even more significant impact can be expected by directly integrating the electrochemical process into the biological one. Such a direct influence of electrochemical methods is often used, e.g., in waste sludge treatment. In study [9], excess sludge from the activated sludge process was treated using PbO2 plate electrodes with an applied voltage of 25 V, improving the sludge dewaterability by nearly 36% with a 34% reduction in suspended solids after 120 min of electrolysis. Microscopic analysis revealed that the electrochemical process disrupted sludge cell structures, leading to their death. This process was also supported by the formation of hydroxyl and sulfate radicals. Study [10] suggests that electrolysis can valorize excess activated sludge to prepare valuable chemicals. The authors achieved the best results using copper electrodes, applied voltage of 1.5 V, and time duration of 2 h, which resulted in a 30% degradation of volatile suspended solids (VSS) and provided 48.7 mg of volatile fatty acids (VFA) per gram of degraded VSS.
There is very little information in the literature regarding the impact of electrolysis products on the subsequent biological wastewater treatment process or the influence of electrolysis integrated directly into this process. Study [11] investigated the direct impact of electrolysis using iron electrodes on the activation process. The activation was represented by two SBR (Sequencing Batch Reactors), each with a volume of 173 m3, total capacity of 1100 PE, and wastewater inflow of 32 m3/d. One reactor was connected to a tank with electrolysis with a volume of 170 L, equipped with 16 pairs of iron electrodes under an electrical current of 0.86–2.1 A. The recycle between activation and electrolysis was 100 L/min. The second reactor served as a comparative one. A semi-continuous cycle was applied in the reactors, alternating aeration, mixing, and sedimentation phases. Anaerobic to anoxic processes took place during mixing, and, other than denitrification, enhanced biological phosphorus removal was observed. Recirculation from electrolysis to SBR activation was turned off during sedimentation. The results showed that electrolysis did not have a negative impact on activated sludge. Lower output phosphorus concentrations were achieved in the reactor with electrolysis than in the comparative reactor at a molar ratio of Fe/P = 0.4. The authors concluded that integrating electrolysis into the activation process does not negatively impact wastewater pollution removal, enabling increased and sustainable phosphorus removal [11].
In our study, the direct impact of electrolysis on the activation process was studied by performing the electrolysis before activation or by directly integrating electrolysis into the activation tank. The influence of electrolysis performed directly on the activated sludge process on the biological processes (respiration rates, nitrification, denitrification) and sedimentation properties of sludge has not been published in the literature so far. Experiments were conducted during the treatment of synthetic wastewater containing contaminants simulating municipal wastewater, using either iron or carbon electrodes. This choice of electrodes aimed to identify not only the influence of released iron but also the impact of electrolysis itself on the biological processes and phosphorus removal.

2. Materials and Methods

2.1. Monitoring of the Combination of Electrolysis and Activation Process

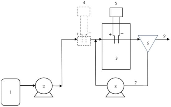
The influence of electrolysis on the activation process was monitored in three reactors—laboratory-scale activation models. In Reactor I, the effect of electrolysis with iron electrodes placed in a separate tank on a subsequent activated sludge process was observed. In Reactor II, the treatment process was monitored in a combined system—activation with submerged iron electrodes—while Reactor III represented the same system but with carbon electrodes. A comparative model was operated alongside the monitoring of all reactors. For Reactor I and Reactor III, the comparative model was an activation model with the same parameters but without electrolysis before activation or without integrated electrolysis. For Reactor II, Fe2(SO4)3 was dosed into the comparative reactor for phosphorus removal after the start of electrolysis. The volume of all activation models was 4 L, and they were inoculated with activated sludge from the Devínska Nová Ves municipal wastewater treatment plant. The reactors were operated at laboratory temperature. The volume of the electrolysis tank before Reactor I was 0.3 L. A schematic diagram of the laboratory model with electrolysis and activation process is described in Section 2.4.

2.2. Synthetic Wastewater Used

Substrate was pumped into the models using a peristaltic pump. The composition of the model substrate (synthetic wastewater) was designed to correspond to the average pollution of COD, N, and P introduced into municipal wastewater treatment plants. To reduce the flow through the model, this water was doubled in concentration. Organic pollution of this substrate was 800 mg/L COD and consisted of glucose and sodium acetate. The substrate also contained nitrogen and phosphorus. Nitrogen was dosed in the form of NH4Cl, and its concentration in the substrate was 40 mg/L of N-NH4. Phosphorus was added in the form of KH2PO4, and its concentration in the substrate was 15 mg/L of P-PO4. Micronutrients were also added to the synthetic wastewater in the composition and quantity as stated, e.g., in study [12]. The stock solution of micronutrients consisted of H3BO3, 0.125 g/L, CuSO4·5H2O 0.125 g/L, KI 0.03 g/L, MnCl2·4H2O 0.83 mg/L, Na2MoO4·2H2O 0.063, ZnSO4·7H2O 0.628 g/L, and CoCl2·6H2O 0.239 g/L. From this solution, 7.8 mL/d to synthetic water was added. The main components of synthetic wastewater were chosen to ensure filamentous bulking of activated sludge during reactor operation and to monitor the influence of electrolysis integration on this process. The substrate flow rate was 125 mL/h, corresponding to the hydraulic retention time of 1.33 days. The organic loading rate in activation was 0.6 kg/(m3·d) COD, and the sludge age was 15 days. The separation of sludge and treated water occurred in a settling tank, from which the settled sludge was pumped back into the activation tank using a peristaltic pump. Excess sludge was removed daily directly from the activation tank.

2.3. Electrodes

The distance between electrodes in the separate tank and in activation models with electrolysis was 5 cm. This distance was chosen based on measurements of the amount of released iron depending on the electrode distance (see Table 1). Iron electrodes used in Reactor I and Reactor II were made of sheet metal rectangular in shape with dimensions of 5 × 6 cm and a thickness of 0.1 cm. The surface area of one electrode was 32.2 cm2, applied voltage was 21 V, and supplied current was 270 mA. Electrolysis occurred twice a day for 15 min. In the comparative model, which operated with the same technological parameters as Reactor II with electrolysis, a commercial reagent—a solution of iron sulfate with the iron content of 11.5% by weight and average density of 1520 kg/m3 (Prefloc, KEMIFLOC, a.s., Přerov, Czech Republic)—was dosed in such a volume that the amount of added iron approximately corresponded to the amount of iron released during electrolysis.
Carbon electrodes used in Reactor III were cylindrical with a diameter of 0.8 cm, and their immersion depth was 3 cm. The surface area of one electrode was 7.54 cm2, supplied current was 82.5 mA, and applied voltage was 21 V. Electrolysis occurred six times per day for 15 min (as will be explained below).
Current switching was automatic, using a timer switch. In the comparative model, operated with the same technological parameters as the model with electrolysis, nothing was added in the first stage except for the model substrate.
The design of the electrolysis switching schedule of 2 × 15 min per day was based on the following reasoning. There are 15 mg/L of phosphorus in the synthetic wastewater; at a flow rate of 3 L/d, this amounts to 45 mg/d or 1.45 mmol/d of phosphorus. Assuming a 1.5-fold excess of the precipitating agent (molar ratio Fe/P-β = 1.5), the required amount of iron for precipitation is 121.5 mg/d. In [1], it is stated that the current supplied to the electrocoagulation system determines the amount of iron released from the electrodes. For iron, this mass electrochemical equivalent is 1041 mg/Ah. With an electrolysis duration of 0.5 h per day and current of 200–270 mA (depending on the degree of fouling), 104.1–140 mg/d of iron is released.
In the comparative model to Reactor II with electrolysis, Prefloc was dosed at 0.35 mL twice a day. This dose corresponds to 122.4 mg/d of iron. Therefore, the theoretical amount of dosed iron was comparable to that in Reactor II with electrolysis using iron electrodes. Electrolysis was started on the 20th day of model operation.

2.4. Scheme and Operation of Laboratory Model

A schematic diagram of the laboratory model with electrolysis and activation process is illustrated in Figure 1. During the operation of the laboratory models, concentrations of COD, P-PO4, N-NH4, N-NO3, and Fe2+/3+ in filtered effluent, concentrations of activated sludge in the models, concentrations of Fe2+/3+ in activated sludge, volume of sludge after 30 min of sedimentation, sludge volume index (SVI), endogenous rX,ox,en, and total rX,ox,tot respiration rate were monitored. All analyses of the monitored parameters were carried out according to the literature [13]. Respirometric measurements were conducted in a closed respirometric chamber according to Drtil et al. [14].

3. Results and Discussion

3.1. Reactor I—Placement of Electrolysis before the Activation Tank

In Reactor I, the influence of electrolysis placed before the activation tank was investigated. Iron electrodes were submerged into a 0.3-L tank and spaced 5 cm apart. Electrolysis was activated twice a day for 15 min each time. Figure 2 illustrates the evolution of iron concentration in the electrolysis tank and the dosing of iron into the activation tank. It can be seen that this dosing is not steady, and after 15 min of iron concentration increase due to electrolysis, iron is gradually washed out by the flow of wastewater into the activation tank. The unevenness of iron concentration over the hydraulic retention time in the activation process was not reflected in the evolution of iron concentration in the effluent from the activation or the sedimentation tank (see Figure 3). Electrolysis was started on the 20th day of reactor operation. In Figure 3, we can observe an immediate increase in iron concentration at the outlet of Reactor III. The concentration of Fe in the activated sludge gradually increased and stabilized at around 950 mg/L. The concentration of Fe at the outlet of Reactor III was below 2 mg/L at the end of the reactor monitoring (Figure 3). The impact of electrolysis on parameters such as COD and P-PO4 in the effluent from the laboratory model was primarily monitored, assuming that these parameters might be affected. Additionally, the influence on sludge sedimentation properties was studied.
The values of COD at the outlet from Reactor I and the comparative model are shown in Figure 4 and Figure 5, respectively. Output concentrations of P-PO4 are also depicted in the same figures. From the COD trends of both models, it is evident that separate electrolysis does not have a significant impact on the output values. This is mainly due to higher efficiencies of COD removal of electrocoagulation—above 50%, for wastewater with high concentrations of insoluble, especially colloidal, particles and high molecular weight organic substances [15]. The synthetic wastewater used contained only simple and easily degradable substances (glucose and sodium acetate), and therefore no contribution to COD removal efficiency was observed for the electrocoagulation process. Nevertheless, the average COD removal efficiency in Reactor I was 90.7%, and it was 90.9% in the comparative model.
However, concentrations of P-PO4 were different. While the average concentration of P-PO4 in the comparative model was 8.9 mg/L (Figure 5), in the model with separate electrolysis, this concentration was 9.4 mg/L before the electrolysis was started, and it dropped to values ranging from 0.3 to 1.07 mg/L with an average of 0.52 mg/L immediately after the electrolysis was initiated (Figure 4). In the comparative model, the decrease in phosphate concentration from 15 mg/L to an average value of 8.9 mg/L was mainly due to assimilation into the newly formed activated sludge. In the model with electrolysis, more than 96.5% efficiency in P-PO4 removal was due to both assimilation and precipitation of phosphates by iron released during the electrolysis from the iron electrode. The average concentration of P-PO4 after the electrolysis was initiated was 0.52 mg/L. The concentrations of iron at the outlet from Reactor I and in its activated sludge are shown in Figure 3. From this figure, phosphate concentrations below 1 mg/L can be seen. However, this does not necessarily imply the optimal amount of released iron for phosphate precipitation. Iron, besides precipitating with phosphorus, also forms Fe(OH)3 precipitates, which become part of the activated sludge. While in the comparative model the initial concentration of activated sludge of 2.1 g/L slightly decreased, reaching 1.52 g/L by the end of operation, it increased to a concentration of 4.05 g/L in Reactor I (Figure 6). Figure 3 shows that iron concentration in the sludge gradually increased, stabilizing at a value of approximately 930 mg/L in the last 20 days of operation. Volatile suspended solids (VSS) content in this sludge was 47%, indicating the accumulation of chemical sludge in the activation tank. By removing excess sludge with a sludge age of 15 days, after approximately 60 days, an equilibrium was reached in iron dissolution by electrolysis, formation of chemical sludge with iron content, and removal and discharge of iron at the outlet of the model. The proportion of activated sludge from the mixture with chemical sludge was 2.4 g, which means that besides the amount of chemical sludge, the amount of activated sludge also slightly increased. Concentration profiles of activated sludge in Reactor I and in the comparative model are shown in Figure 6. Over the entire operating period of the model, approximately 7200 mg of Fe were dissolved, and 6.92 Ah were consumed. These values are derived from the theoretical mass-based electrochemical equivalent of 1041 mg/Ah Fe [1], and it represents total electricity consumption of 145.3 Wh at the applied voltage of 21 V.
Inclusion of electrolysis before activation also had another effect on improving the sedimentation properties of sludge (Figure 7) as the influx of dissolved iron into the activation almost immediately after electrolysis initiation led to a rapid increase in the concentration of activated sludge, especially of its inorganic fraction. However, this was reflected in the sludge volume index (SVI) values only after about 50 days of reactor operation, or 30 days after the start of electrolysis, when the phase interface between sludge and liquid began to form at the top of sedimentation cylinder. While the sludge concentration in Reactor I was increasing, the concentration in the comparative reactor was slightly decreasing (Figure 6). This was reflected in Figure 7 by a slight increase in SVI in the comparative model and a significant decrease in SVI in Reactor I. However, this was not due to the disappearance of filamentous microorganisms but rather due to the weighting effect of iron sludge.
The effect of iron on sludge activity was also assessed by measuring respiration rates, both endogenous and total (endogenous + exogenous), in a closed respirometric chamber using the method outlined in reference [14]. Results of these measurements are presented in Table 2. From these values, it is evident that the presence of iron in the activation process with pre-electrolysis had a positive effect on the activity of activated sludge. The total respiratory rate increased by almost 54%. However, due to the composition of the synthetic wastewater, which contained easily degradable components, this effect was not reflected in the effluent values of COD (Figure 4 and Figure 5). A positive impact of iron on the activity of activated sludge has been reported in various studies [16,17], where the authors reported a 40–50% increase in total respiration rates in the presence of iron. However, information in the scientific literature regarding the effect of iron on respiratory rates of activated sludge is contradictory. Some studies mention a negative effect of iron on the activation process due to a decrease in pH values during the formation of Fe(OH)3 [18,19]. In reference [19], the authors mention a negative effect not only on respiratory rates but also on nitrification rates. Furthermore, no changes in exogenous rates before and after simultaneous dosing of FeCl3 were observed in reference [20]. However, these findings are questionable because when using domestic wastewater, the measured exogenous respiration rate is only 6.3 mg/(gVSS·h) O2.

3.2. Reactor II—Electrolysis with Iron Electrodes Directly in the Activation Tank

In Reactor II, where electrolysis with iron electrodes directly immersed in the activation tank was used, not only the influence of dissolved iron but also the effect of electrical current on the activation process were assumed. The results were compared with a reactor without electrolysis, where Fe2(SO4)3 (Prefloc) dosing was initiated at the same time as the electrolysis in Reactor II—on the 20th day of operation.
Electrolysis in the activation reactor was performed twice daily for 15 min each time, corresponding to the amount of iron required for chemical precipitation. The dose of Prefloc was administered twice daily at 0.35 mL, which is approximately equivalent to the amount of iron released during electrolysis.
Courses of COD and P-PO4 values in Reactor II and in the comparative model are shown in Figure 8 and Figure 9. There were no significant differences in COD values, with the average outlet COD from both reactors of approximately 72 mg/L. Regarding phosphorus removal, improvement was observed in both reactors after the start of electrolysis or Prefloc dosing. In Reactor II, P-PO4 concentrations achieved were in the range of 0.11–0.38 mg/L with an average of 0.27 mg/L, while in the reactor with Prefloc dosing, the concentrations ranged from 0.52 mg/L to 1.2 mg/L with an average of 0.87 mg/L.
Studies on the use of electrocoagulation report more effective phosphorus precipitation [21,22], while in chemical phosphorus precipitation, high removal efficiencies and concentrations in the effluent below 0.5 mg/L P-PO4 were achieved at high molar ratios of Fe/P-β ≥ 2 with electrocoagulation as well as at molar ratios well below β ≤ 1.5 [21].
The concentration of activated sludge in Reactor II and in the comparative reactor with Prefloc dosing is shown in Figure 10. Dry solids content in both activation processes increased and reached nearly identical concentrations of approximately 4 g/L, which, in both cases, was due to a slight increase in biological sludge but mainly due to an increase in the concentration of chemical sludge. The loss by ignition in both sludges was approximately 48% at the end of the reactor monitoring period. The impact of electrocoagulation compared to precipitation is evident from the monitoring of sludge sedimentation properties (Figure 11). In the comparative model with Prefloc dosing, the volume of sludge after 30 min of sedimentation and the sludge volume index followed a similar pattern as in the system with pre-electrolysis—filamentous microorganisms continued to be part of the activated sludge, and the decrease in sediment volume and sludge volume index was caused by chemical sludge loading. In the case of Reactor II, the decrease in sediment volume and the sludge volume index was also caused by changes in sludge morphology, the gradual disappearance of filamentous microorganisms, and the formation of flocculent biomass.
Microscopic observations confirmed a gradual degradation of Sphaerotilus natans fibers and almost complete disappearance of this type of filamentous microorganism, accompanied by the formation of activated sludge flocs.
Even with this reactor configuration, we conducted measurements of activated sludge activity. From the respiration rates provided in Table 2, it is evident that sludge respiration activity was stimulated when Prefloc was dosed, similar to the pre-electrolysis before activation. However, electrocoagulation within the activation, despite the released iron, had a negative impact on sludge activity. Although electrocoagulation in the activation improved sludge sedimentation properties and reduced phosphorus concentration at the outlet, it inhibited sludge activity. This could be due to the removal of filamentous microorganisms, which played a significant role in removing easily degradable substrate. It is possible that sludge activity would recover with a sufficient increase in the proportion of floc-forming microorganisms. We verified nitrification activity of activated sludge by measuring the concentration of N-NH4 and N-NO3 in the effluent from the models. These concentrations are shown in Figure 12.
From the concentration of N-NH4 in the effluent, high nitrification efficiency in both reactors is evident, with average concentrations of N-NH4 of around 1 mg/L in both cases. Differences were observed in the nitrate nitrogen concentration at the output of the models. In the reactor with Prefloc dosing, the effluent concentration of N-NO3 decreased from an average of 17.6 mg/L to an average of 11.7 mg/L after the dosing began. Considering the input concentration of N-NH4 of 40 mg/L, it can be said that, in addition to nitrification, partial simultaneous denitrification occurred at the anoxic core level of sludge flocs. The presence of iron increased the rate of nitrate respiration. Stimulation of nitrate respiration has also been reported by other authors [17]. With an input concentration of phosphate phosphorus of 9 mg/L and Fe2+ dosing, approximately 26% stimulation of nitrate respiration was observed, while with Fe3+dosing, stimulation of approximately 108% was achieved. The molar ratio of Fe/P was 1.5. In the case of Reactor II, the opposite was observed. Before the start of electrolysis, the average concentration of N-NO3 was approximately 16.9 mg/L, and it increased to 27.5 mg/L after the start of electrolysis. It can be concluded that just as electrolysis negatively affected oxygen respiration rates, it also affected nitrate respiration.
The negative impact of electrolysis on activated sludge has also been utilized in studies where electrolytic decomposition was used to produce volatile fatty acids [10] or to reduce sludge quantity and improve dewatering properties [9].
In the next study, we focused on examining the impact of electrolysis on the activation process without considering the release of iron.

3.3. Reactor III: Electrolysis with Carbon Electrodes Directly in Activation

During the operation of Reactor III, an activation model processing synthetic wastewater with submerged carbon electrodes was investigated. The wastewater used was the same as in the previous cases; the electrolysis parameters with carbon electrodes are provided in the experimental section. Due to the different shape of the electrodes, electrical power consumption, or rather, the consumption of electrical energy was chosen as the criterion for comparing the electrolysis parameters; in the case of iron electrodes, this was 2.1–2.84 Wh/d. The electrolysis operated twice a day for 15 min each time. In the case of carbon electrodes, a voltage of 21 V was applied, and the current supplied was 82.5 mA. With a 15-min electrolysis, the energy consumption was 0.433 W. Energy consumption in the same range as with iron electrodes requires a six times longer duration of electrolysis. This means the duration of electrolysis with carbon electrodes needs to be six times 15 min per day. The electrolysis started, as in all cases, on the 20th day of the activation process. The comparative activation was the same as in Reactor I. The values of COD and P-PO4 concentration at the outlet of the comparative model are shown in Figure 5. The trends of these parameters for Reactor III are very similar to those in the comparative reactor. It can be concluded that submerged carbon electrolysis had no impact on the outlet concentrations of COD and P-PO4. Concentrations of N-NH4 and N-NO3 in the effluent from the model with submerged electrolysis and in the comparative reactor were also monitored. N-NH4 concentrations were low, with an average value at the outlet of both reactors of around 1 mg/L, similar to Figure 12. There were no differences between the models in the outlet concentrations of N-NO3, which ranged from 13 to 20 mg/L (Figure 12) in the first 20 days of model operation. The only difference was in the volume of sedimented sludge after 30 min and in the sludge volume index shown in Figure 13. Comparative sludge reached the sediment volume of 1000 mL even before the 20th day, and it maintained this volume throughout the operation due to the presence of filamentous microorganisms. Sludge from the activation with carbon electrodes reached approximately 1000 mL of sediment volume by the 35th day of operation, about 15 days after the electrolysis was initiated. Then it began to gradually decrease until reaching a volume of approximately 550 mL at the end of its operation. The activity of sludge was also measured using respiratory rates (Table 2). Only respiratory rates for Reactor III are provided in Table 2; those in the comparative model were the same as in Reactor I. From these measurements it is evident that electrolysis using carbon electrodes inserted into the activation reactor had no effect on the respiratory activity of sludge. The consistent trend in the N-NO3 concentration at the output of both reactors during the operation indicated that partial simultaneous denitrification occurs at the anoxic core level of sludge flocs and that nitrate respiration of sludge was not affected by electrolysis. This finding contradicts the result obtained with submerged electrolysis using iron electrodes in Reactor II, where the respiratory rate was negatively affected and nitrate concentration at the outlet increased after the electrolysis was switched on (Figure 12). This could be caused by the different current supplied—270 mA for iron electrodes and 82.5 mA for carbon electrodes—although the electrical power input to the electrodes was the same for Reactors II and III.
Table 3 summarizes the effects of individual reactor arrangements of activation with electrolysis on the monitored processes.
Comparison of the results of the electrolysis impact on activation in Table 3 suggests that this influence can be both positive and negative. One important finding is that electrolysis does not directly affect nitrifying microorganisms, which are sensitive to growth conditions and belong to slowly growing autotrophic microorganisms. Another finding, directly relevant to wastewater treatment practice, is the improvement of sludge sedimentation properties. In the case of electrolysis before activation, this is mainly due to the production of heavier inorganic sludge, but in the case of electrolysis in activation, the improvement of sludge sedimentation properties is also caused by the decay of filamentous microorganisms. While the introduction of iron into activation, either from electrolysis or in the form of iron salts, enhances the respiratory rates of activated sludge, the respiratory rate of sludge may decrease due to direct electrolysis. This was evident when using iron electrodes, but when using carbon electrodes, this effect was not as pronounced. Therefore, we believe that reducing respiratory rates will be possible to mitigate through optimizing the electrolysis time and reducing the electrical current between the electrodes. This hypothesis is also supported by monitoring nitrate nitrogen in activation, where it was found that denitrification during activation with direct electrolysis using iron electrodes was not as efficient as in the activation with carbon electrodes. The current between carbon electrodes was substantially lower. In this study, the impact of electrolysis inserted into activation was monitored for the first time. For its practical implementation, it will be necessary to optimize the electrolysis conditions, and only then will it be possible to evaluate the economic aspect of using this technology.

4. Conclusions

Results obtained from the presented study on the combined use of electrolysis and biological wastewater treatment revealed several interesting findings.
Pre-electrolysis using iron electrodes before the activation process improved the removal of phosphorus from wastewater and increased the respiration rates of activated sludge by 54% due to the action of dissolved iron. The presence of heavier and denser iron precipitates in the activated sludge also improved sludge sedimentation.
When evaluating the effect of electrolysis with iron electrodes inserted into the activation reactor, improved respiratory rates (by 38%) and denitrification efficiency in the comparative reactor with Fe2(SO4)3 dosing were observed. The reactor with inserted electrolysis (Fe electrodes) showed a deterioration in both respiration and denitrification rates, but sedimentation properties of the sludge significantly improved with the disappearance of filamentous microorganisms. The achieved sludge volume index in Reactor II was 183 mg/g.
The effect of inserted electrodes on the destruction of filamentous microorganisms was also confirmed when using carbon electrodes. However, the lower current between the carbon electrodes did not inhibit respiration and denitrification rates, nor did it improve sludge sedimentation properties. The achieved sludge volume index in Reactor III was 362 mg/g, and in the comparative model it was 550 mg/L.
It was confirmed that inserted electrolysis using iron or carbon electrodes has no negative impact on the removal of organic pollution from wastewater or on the nitrification process.

Author Contributions

Conceptualization, M.H. methodology, M.H. and R.Z.; validation, M.H. and B.J.; formal analysis, B.J., R.Z. and N.Š.; investigation, B.J., R.Z. and N.Š.; resources, all authors; data curation, M.H. writing—original draft preparation, M.H.; writing—review and editing, M.H.; visualization, B.J. and N.Š. All authors have read and agreed to the published version of the manuscript.

Funding

This research received no external funding.

Data Availability Statement

Data are included within the article.

Conflicts of Interest

The authors declare no conflicts.

References

  1. Chen, G. Electrochemical Technologies in Wastewater Treatment. Sep. Purif. Technol. 2004, 38, 11–41. [Google Scholar] [CrossRef]
  2. Feng, Y.; Yang, L.; Liu, J.; Logan, B.E. Electrochemical Technologies for Wastewater Treatment and Resource Reclamation. Environ. Sci. Water Res. 2016, 2, 800–831. [Google Scholar] [CrossRef]
  3. Hutňan, M.; Drtil, M.; Kalina, A. Anaerobic stabilisation of sludge produced during municipal wastewater treatment by electrocoagulation. J. Hazard. Mater. 2006, 131, 163–169. [Google Scholar] [CrossRef] [PubMed]
  4. Bukhari, A.A. Investigation of the Electrocoagulation Treatment Process for the Removal of Total Suspended Solids and Turbidity from Municipal Wastewater. Bioresour. Technol. 2008, 99, 914–921. [Google Scholar] [CrossRef]
  5. Ensano, B.M.B.; Borea, L.; Naddeo, V.; Belgiorno, V.; de Luna, M.D.G.; Balakrishnan, M.; Ballesteros, M.F.C., Jr. Applicability of the Electrocoagulation Process in Treating Real Municipal Wastewater Containing Pharmaceutical Active Compounds. J. Hazard. Mater. 2019, 361, 367–373. [Google Scholar] [CrossRef] [PubMed]
  6. Boinpally, S.; Kolla, A.; Kainthola, J.; Kodali, R.; Vemuri, J. A State-of-the-Art Review of the Electrocoagulation Technology for Wastewater Treatment. Water Cycle 2023, 4, 26–36. [Google Scholar] [CrossRef]
  7. Kumar, V. A Review on the Feasibility of Electrolytic Treatment of Wastewater: Prospective and Constraints. Arch. Agri. Environ. Sci. 2017, 2, 52–62. [Google Scholar]
  8. Mousset, E.; Trellu, C.; Olvera-Vargas, H.; Pechaud, Y. Electrochemical Technologies Coupled with Biological Treatments. Curr. Opin. Electrochem. Curr. 2021, 26, 100668. [Google Scholar] [CrossRef]
  9. Lu, S.; Li, X.; Tang, G.; Liu, T.; Ke, Y.; Liu, B.; Hua, W. Electrochemical Treatment of Waste Activated Sludge: Volume Reduction Mechanism and Improvement Possibilities. Sep. Purif. Technol. 2022, 300, 121617. [Google Scholar] [CrossRef]
  10. Jafari, M.; Botte, G.G. Electrochemical Valorization of Waste Activated Sludge for Short-Chain Fatty Acids Production. Front. Chem. 2022, 10, 974223. [Google Scholar] [CrossRef] [PubMed]
  11. Mishima, I.; Nakajima, J. Application of Iron Electrolysys to Full-Scale Activated Sludge Process for Phosphorus Removal. J. Water Environ. Technol. 2011, 9, 359–369. [Google Scholar] [CrossRef][Green Version]
  12. Thela, N.; Ikumi, D.; Harding, T.; Basitere, M. Growing an Enhanced Culture of Polyphosphate-Accumulating Organisms to Optimize the Recovery of Phosphate from Wastewater. Water 2023, 15, 2014. [Google Scholar] [CrossRef]
  13. APHA/AWWA/WEF. Standard Methods for the Examination of Water and Wastewater; American Public Health Association: Washington, DC, USA, 2017. [Google Scholar]
  14. Drtil, M.; Bodík, I.; Németh, P. Kinetic constant of nitrification. Water Res. 1993, 27, 35–39. [Google Scholar] [CrossRef]
  15. Mao, Y.; Zhao, Y.; Cotterill, S. Examining Current and Future Applications of Electrocoagulation in Wastewater Treatment. Water 2023, 15, 1455. [Google Scholar] [CrossRef]
  16. Derco, J.; Žarnovský, L.; Kuffa, R.; Liptáková, E. Influence of Iron and Aluminium Salts on Activated Sludge Process During Simultaneous Precipitation of Phosphorus. Pol. J. Environ. Stud. 1996, 5, 23–28. [Google Scholar]
  17. Derco, J.; Kuffa, R.; Urminská, B.; Dudáš, J.; Kušnierová, J. Influence of Phosphorus Precipitation on Wastewater Treatment Processes. In Operations Research—The Art of Making Good Decisions; InTech: Rijeka, Croatia, 2016; pp. 103–132. [Google Scholar]
  18. Mishima, I.; Suzuki, M.; Nakajima, J.; Kaneko, M. Effect of Iron Coagulant on Respiratory Activity of Activated Sludge. Environ. Eng. Res. 2004, 41, 127–136. [Google Scholar]
  19. Philips, S.; Rabaey, K.; Verstraete, W. Impact of Iron Salts on Activated Sludge and Interaction with Nitrite or Nitrate. Bioresour. Technol. 2003, 88, 229–239. [Google Scholar] [CrossRef] [PubMed]
  20. Costa, R.H.R.; Villafranca, B.M.; Voltolini, C.A.; Guimarães, L.B.; Hoffmann, H.; Velho, V.F.; Mohedano, R.A. Effectiveness of Phosphorus Removal in an SBR Using Co-precipitation with Ferric Chloride, and its Effects on Microbial Activity. Braz. J. Chem. Eng. 2019, 36, 785–795. [Google Scholar] [CrossRef]
  21. Stafford, B.; Dotro, G.; Vale, P.; Jefferson, B.; Jarvis, P. Removal of Phosphorus from Trickling Filter Effluent by Electrocoagulation. Environ. Technol. 2014, 35, 3139–3146. [Google Scholar] [CrossRef] [PubMed]
  22. Hashim, K.S.; Al Khaddar, R.; Jasim, N.; Shaw, A.; Phipps, D.; Kot, P.; Pedrola, M.O.; Alattabi, A.W.; Abdulredha, M.; Alawsh, R. Electrocoagulation as a Green Technology for Phosphate Removal from River Water. Sep. Purif. Technol. 2019, 210, 135–144. [Google Scholar] [CrossRef]
Figure 1. Scheme of laboratory model with electrolysis 1—stock solution (synthetic wastewater), 2—peristaltic pump, 3—activated sludge tank, 4—immersed electrodes with voltage source (alternative placement in separate tank), 5—immersed electrodes with voltage source (placement in activation), 6—sedimentation tank, 7—returned sludge, 8—peristaltic pump for sludge recirculation, 9—wastewater effluent.
Figure 1. Scheme of laboratory model with electrolysis 1—stock solution (synthetic wastewater), 2—peristaltic pump, 3—activated sludge tank, 4—immersed electrodes with voltage source (alternative placement in separate tank), 5—immersed electrodes with voltage source (placement in activation), 6—sedimentation tank, 7—returned sludge, 8—peristaltic pump for sludge recirculation, 9—wastewater effluent.
Processes 12 00868 g001
Figure 2. Concentration profile of iron in separate electrolysis.
Figure 2. Concentration profile of iron in separate electrolysis.
Processes 12 00868 g002
Figure 3. Course of Fe2+/3+ in the effluent and in the sludge from Reactor I.
Figure 3. Course of Fe2+/3+ in the effluent and in the sludge from Reactor I.
Processes 12 00868 g003
Figure 4. COD and P-PO4 concentration in effluent from Reactor I.
Figure 4. COD and P-PO4 concentration in effluent from Reactor I.
Processes 12 00868 g004
Figure 5. COD and P-PO4 concentration in effluent from comparative model.
Figure 5. COD and P-PO4 concentration in effluent from comparative model.
Processes 12 00868 g005
Figure 6. Activated sludge concentration in Reactor I and in the comparative model.
Figure 6. Activated sludge concentration in Reactor I and in the comparative model.
Processes 12 00868 g006
Figure 7. Sedimentation properties of activated sludge in Reactor I and in comparative model—sludge volume after 30 min of sedimentation and SVI.
Figure 7. Sedimentation properties of activated sludge in Reactor I and in comparative model—sludge volume after 30 min of sedimentation and SVI.
Processes 12 00868 g007
Figure 8. COD and P-PO4 concentration in effluent from Reactor II.
Figure 8. COD and P-PO4 concentration in effluent from Reactor II.
Processes 12 00868 g008
Figure 9. COD and P-PO4 concentration in effluent from the comparative reactor with Prefloc dosing.
Figure 9. COD and P-PO4 concentration in effluent from the comparative reactor with Prefloc dosing.
Processes 12 00868 g009
Figure 10. Concentration of activated sludge in Reactor II and in the comparative model with Prefloc dosing.
Figure 10. Concentration of activated sludge in Reactor II and in the comparative model with Prefloc dosing.
Processes 12 00868 g010
Figure 11. Sedimentation properties of activated sludge in Reactor II and in the comparative model with Prefloc dosing—sludge volume after 30 min of sedimentation and SVI.
Figure 11. Sedimentation properties of activated sludge in Reactor II and in the comparative model with Prefloc dosing—sludge volume after 30 min of sedimentation and SVI.
Processes 12 00868 g011
Figure 12. Course of N-NH4 and N-NO3 concentrations in effluent from Reactor II and from the comparative model with Prefloc dosing.
Figure 12. Course of N-NH4 and N-NO3 concentrations in effluent from Reactor II and from the comparative model with Prefloc dosing.
Processes 12 00868 g012
Figure 13. Sedimentation properties of activated sludge in Reactor III and in the comparative model—sludge volume after 30 min of sedimentation and SVI.
Figure 13. Sedimentation properties of activated sludge in Reactor III and in the comparative model—sludge volume after 30 min of sedimentation and SVI.
Processes 12 00868 g013
Table 1. Amount of released iron (Fe2+/3+) in mg/L depending on electrodes’ distance.
Table 1. Amount of released iron (Fe2+/3+) in mg/L depending on electrodes’ distance.
Time
[min]
Distance of Electrodes [cm]
235
563.748.321.9
10130.779.643.8
15190.2139.164.7
Table 2. Respiration rates in Reactor I, II, and III and in the comparative models.
Table 2. Respiration rates in Reactor I, II, and III and in the comparative models.
Reactor ModelRespiration PhaseRespiration Rate [mg/(gVSS·h)]
Before Electrolysis80th Day of Operation
Reactor Iendogenous rX,ox,en7.8211.65
total rX,ox,tot63.9298.25
Comparative modelendogenous rX,ox,en7.758.10
total rX,ox,tot62.1265.34
Reactor IIendogenous rX,ox,en7.707.46
total rX,ox,tot67.8247.40
Comparative modelwith Preflocendogenous rX,ox,en7.359.44
total rX,ox,tot64.2788.55
Reactor IIIendogenous rX,ox,en7.838.12
total rX,ox,tot59.6163.16
Table 3. Summarization of influence of electrolysis (EL) on processes in activated slug process in Reactors I, II, and III.
Table 3. Summarization of influence of electrolysis (EL) on processes in activated slug process in Reactors I, II, and III.
Influence on ProcessesReactor I
EL before Activation
– Fe Electrodes
Reactor II
EL in Activation
– Fe Electrodes
Reactor III
EL in Activation
– C Electrodes
Phosphorus removalpositivemore positivenone
Sedimentation propertiespositivemore positivemore positive
Decay of filamentous microorganismsnonepositivepositive
Respiration ratespositivenegativeless positive
Nitrificationnonenonenone
Denitrificationpositivenegativenone
Disclaimer/Publisher’s Note: The statements, opinions and data contained in all publications are solely those of the individual author(s) and contributor(s) and not of MDPI and/or the editor(s). MDPI and/or the editor(s) disclaim responsibility for any injury to people or property resulting from any ideas, methods, instructions or products referred to in the content.

Share and Cite

MDPI and ACS Style

Hutňan, M.; Jankovičová, B.; Zakhar, R.; Šoltýsová, N. Impact of Combined Electrolysis and Activated Sludge Process on Municipal Wastewater Treatment. Processes 2024, 12, 868. https://doi.org/10.3390/pr12050868

AMA Style

Hutňan M, Jankovičová B, Zakhar R, Šoltýsová N. Impact of Combined Electrolysis and Activated Sludge Process on Municipal Wastewater Treatment. Processes. 2024; 12(5):868. https://doi.org/10.3390/pr12050868

Chicago/Turabian Style

Hutňan, Miroslav, Barbora Jankovičová, Ronald Zakhar, and Nikola Šoltýsová. 2024. "Impact of Combined Electrolysis and Activated Sludge Process on Municipal Wastewater Treatment" Processes 12, no. 5: 868. https://doi.org/10.3390/pr12050868

APA Style

Hutňan, M., Jankovičová, B., Zakhar, R., & Šoltýsová, N. (2024). Impact of Combined Electrolysis and Activated Sludge Process on Municipal Wastewater Treatment. Processes, 12(5), 868. https://doi.org/10.3390/pr12050868

Note that from the first issue of 2016, this journal uses article numbers instead of page numbers. See further details here.

Article Metrics

Back to TopTop