Research on Impact Prediction Model for Corn Ears by Integrating Motion Features Using Machine Learning Algorithms
Abstract
1. Introduction
2. Materials and Methods
2.1. Design of Impact Force Detection System for Corn Ear
2.2. Calibration of Strain Pressure Sensor
2.3. Study on Influencing Factors of Impact Force Detection for Corn Ear
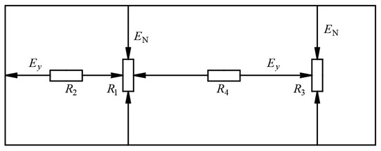
2.3.1. Pressure Sensor Signal Output Law
2.3.2. Research on Test Factors of Impact Force Detection
2.4. Bench Test Design
2.4.1. Test Arrangements
- Differences in moisture content between materials from the same batch were ignored, i.e., each corn ear had a uniform moisture content among themselves;
- Neglect the effect of air resistance on the motion of the material during free fall;
- Neglecting the interference of the surrounding environment on the pressure transducer during the test process.
2.4.2. Test Factor Setting
2.5. Machine Learning Algorithm Introduction for Constructing Impact Regression Models
2.5.1. Machine Learning Algorithm Selection
- (1)
- Multiple Linear Regression (MLR)
- (2)
- Ridge Regression
- (3)
- Random Forest (RF)
- (4)
- Support Vector Regression (SVR)
2.5.2. Indicators for Model Evaluation
3. Results and Analysis
3.1. Correlation Analysis of Maize Motion Parameter and Impact
3.2. Comparative Analysis of Impact Prediction Model Optimisation Based on Machine Learning Algorithms
3.3. Ranking of Importance of Factors Influencing Impact
4. Conclusions
- Compared with MLR, Ridge, and SVR, RF algorithm was more suitable for constructing the impact prediction model of corn ear (average and maximum prediction). The evaluation indexes (SD, RMSE, r) of the average and maximum impact prediction models are as follows: 0.9526, 1.2685, 0.9855; 3.8389, 3.6071, and 0.08510.
- The weight, falling height, and space attitude of corn ear significantly influence the impact force prediction model.
- The weight of the ear has the most significant influence on impact. Falling height has the second effect on the impact. The placement posture of the ear had the most negligible effect on impact.
Author Contributions
Funding
Data Availability Statement
Acknowledgments
Conflicts of Interest
References
- National Bureau of Statistics of China. China Statistical Yearbook; China Statistics Press: Beijing, China, 2023. Available online: https://www.stats.gov.cn/sj/zxfb/202312/t20231211_1945417.html (accessed on 20 May 2024).
- Tao, J. The adjustment of China’s grain cropping structure and its effect on the consumption of water and land resources. J. Nat. Resour. 2019, 34, 14–25. [Google Scholar] [CrossRef]
- Cui, T.; Fan, C.L.; Zhang, D.X.; Yang, L.; LI, Y.B.; Zhao, H.H. Research progress of maize mechanized harvesting technology. Trans. Chin. Soc. Agric. Mach. 2019, 50, 1–13. [Google Scholar] [CrossRef]
- Wang, K.R.; Li, S.K. Research progress on corn mechanical grain harvesting crushing rate. Chin. Agric. Sci. 2017, 50, 2018–2026. [Google Scholar] [CrossRef]
- Piedad, E.J.; Larada, J.I.; Pojas, G.J.; Ferrer, L.V.V. Postharvest classification of banana (Musa acuminata) using tier-based machine learning. Postharvest Biol. Technol. 2018, 145, 93–100. [Google Scholar] [CrossRef]
- Chen, M.; Jin, C.; Ni, Y.; Yang, T.; Zhang, G. Online field performance evaluation system of a grain combine harvester. Comput. Electron. Agric. 2022, 198, 107047. [Google Scholar] [CrossRef]
- Srison, W.; Chuan-Udom, S.; Saengprachatanarug, K. Design factors affecting losses and power consumption of an axial flow corn shelling unit. Songklanakarin J. Sci. Technol. 2016, 38, 591–598. [Google Scholar] [CrossRef]
- Steponavičius, D.; Kemzūraitė, A.; Kiniulis, V.; Zokaitis, K. Analysis of corn ears movement within the threshing crescent using high-speed recording method. J. Meas. Eng. 2017, 5, 240–248. [Google Scholar] [CrossRef]
- Saeng-ong, P.; Chuan-Udom, S.; Saengprachatanarak, K. Effects of guide vane inclination in axial shelling unit on corn shelling performance. Kasetsart J. (Nat. Sci.) 2015, 49, 761–771. [Google Scholar]
- Kiniulis, V.; Steponavičius, D.; Jasinskas, A. Combine harvester threshing cylinder constructive parameters. In Proceedings of the 44th International Symposium on Agricultural Engineering, Opatija, Republic of Croatia, 23–26 February 2016; pp. 143–153. [Google Scholar]
- Hu, B.Y.; Li, Y.M. Simulation Analysis of Ear Collision in Corn Kernel Threshing. Agric. Equip. Technol. 2018, 44, 4–7. [Google Scholar]
- Zhu, X.L.; Chi, R.J.; Du, Y.F.; Deng, X.J.; Zhang, Z.; Dong, N.X. Design and experiment of intelligent control system for low loss threshing of high moisture content corn. Trans. Chin. Soc. Agric. Mach. 2021, 52, 9–18. [Google Scholar]
- Pareek, C.; Singh, N.; Tewari, V.; Dhruw, K.; Singh, D. Classification of broken maize kernels using artificial neural network-assisted image-processing approach. J. Biosyst. Eng. 2023, 48, 55–68. [Google Scholar] [CrossRef]
- Li, X.P.; Zhang, W.T.; Xu, S.D.; Du, Z.; Ma, Y.D.; Ma, F.L.; Liu, J. Low-damage corn threshing technology and corn threshingdevices: A review of recent developments. Agriculture 2023, 13, 1006. [Google Scholar] [CrossRef]
- Li, L.; Xue, J.; Xie, R.; Wang, K.; Ming, B.; Hou, P.; Gao, S.; Li, S. Effects of grain moisture content on mechanical grain harvesting quality of summer maize. Acta Agron. Sin. 2018, 44, 1747–1754. [Google Scholar] [CrossRef]
- Su, Y.; Xu, Y.; Cui, T.; Gao, X.J.; Xia, G.Y.; Li, Y.B.; Qiao, M.N.; Fan, H.F. A combined experimental and DEM approach to optimize the centrifugal maize breakage tester. Powder Technol. 2022, 397, 117008. [Google Scholar] [CrossRef]
- Li, X.P.; Ma, F.; Gao, L.X. High-speed photograph analysis on threshing process of corn seed. Trans. Chin. Soci-Ety Agric. Mach. 2009, 40, 46–49. [Google Scholar]
- Chen, Z.; Wassgren, C.; Ambrose, R.K. Development and validation of a DEM model for predicting compression damage of maize kernels. Biosyst. Eng. 2023, 230, 480–496. [Google Scholar] [CrossRef]
- Geyer, M.O.; Praeger, U.; König, C.; Graf, A.; Truppel, I.; Schlüter, O.; Herold, B. Measuring behavior of an acceleration measuring unit implanted in potatoes. Trans. ASABE 2009, 52, 1267–1274. [Google Scholar] [CrossRef]
- Yu, Y.J.; Li, L.S.; Zhao, J.L.; Wang, X.G. Discrete element simulation based on elastic-plastic damping model of corn kernel-cob bonding force for rotation speed optimization of threshing component. Processes 2021, 9, 1410. [Google Scholar] [CrossRef]
- Sriram, K.; Rakhee, T.; Samrendra, K.S.; Xiao, H.W. Prediction of size and mass of pistachio kernels using random Forest machine learning. J. Food Process Eng. 2020, 43, e13473. [Google Scholar] [CrossRef]
- Liu, X.Z.; Li, M.; Zhang, J.; Chen, R.J.; Fu, H.; Ma, G.M.; Zhou, Y.H.; Zhuag, X.L. The dehydration and mechanical-harvesting of maize grain: Research progress. J. Agric. 2022, 12, 64–68. [Google Scholar] [CrossRef]
- Huang, F.; Hu, J.; Yan, X. Review of fiber-or yarn-based wearable resistive strain sensors: Structural design, fabrication technologies and applications. Textiles 2022, 2, 81–111. [Google Scholar] [CrossRef]
- Yan, T.; Wu, Y.; Yi, W.; Pan, Z. Recent progress on fabrication of carbon nanotube-based flexible conductive networks for resistive-type strain sensors. Sens. Actuators A Phys. 2021, 327, 112755. [Google Scholar] [CrossRef]
- Hong, W.; Jiang, C.; Qin, M.; Song, Z.; Ji, P.; Wang, L.; Tu, K.; Lu, L.; Guo, Z.; Yang, B.; et al. Self-adaptive cardiac optogenetics device based on negative stretching-resistive strain sensor. Sci. Adv. 2021, 7, eabj4273. [Google Scholar] [CrossRef]
- Volokhov, I.V.; Gurin, S.A.; Vergazov, I.R. Study of the properties of high-sensitivity thermally-stable thin-film resistance strain gauges for integral pressure sensors. Meas. Tech. 2016, 59, 80–86. [Google Scholar] [CrossRef]
- Castro, H.F.; Correia, V.; Pereira, N.; Costab, P.; Oliveiraa, J.; Lanceros-Méndez, S. Printed Wheatstone bridge with embedded polymer based piezoresistive sensors for strain sensing applications. Addit. Manuf. 2018, 20, 119–125. [Google Scholar] [CrossRef]
- Li, J.; Bao, R.; Tao, J.; Peng, Y.; Pan, C. Recent progress in flexible pressure sensor arrays: From design to applications. J. Mater. Chem. C 2018, 6, 11878–11892. [Google Scholar] [CrossRef]
- Xing, S.; Cui, T.; Zhang, D.; Yang, L.; He, X.; Li, C.; Dong, J.; Jiang, Y.; Wu, W.; Zhang, C.; et al. Design and optimization for a longitudinal-flow corn ear threshing device of low loss and low energy consumption. Comput. Electron. Agric. 2024, 226, 109–328. [Google Scholar] [CrossRef]
- Liu, L.; Yang, Z.; Ji, J.; Chen, G.; Luo, G.; Chen, W. Development and experimental verification of a modified constitutive model for 3D orthogonal woven composite under bird impact. Compos. Struct. 2023, 303, 116305. [Google Scholar] [CrossRef]
- Dantas da Cunha, R.; Targino, T.G.; Cardoso, C.; Paiva da Costa Ferreira, E.; Freire Júnior, R.C.S.; Daniel Diniz Melo, J. Low velocity impact response of non-traditional double-double laminates. J. Compos. Mater. 2023, 57, 1807–1817. [Google Scholar] [CrossRef]
- Wang, Y.; Zhao, J.; Jiang, L.; Zhang, L.; Raghavan, V.; Wang, J. A comprehensive review on novel synthetic foods: Potential risk factors, detection strategies, and processing technologies. Compr. Rev. Food Sci. Food Saf. 2024, 23, e13371. [Google Scholar] [CrossRef]
- Liu, X.H.; Zang, Z.; Liu, J.Y.; Zhang, M.; Li, H.; Flores, P.; Han, X.Z. Infield Corn Kernel Detection and Counting Based on Multiple Deep Learning Networks. Smart Agric. 2022, 4, 49–60. [Google Scholar] [CrossRef]
- Korkmaz, M. A study over the general formula of regression sum of squares in multiple linear regression. Numer. Methods Partial. Differ. Equ. 2021, 37, 406–421. [Google Scholar] [CrossRef]
- Choi, S.H.; Jung, H.Y.; Kim, H. Ridge Fuzzy Regression Model. Int. J. Fuzzy Syst. 2019, 21, 2077–2090. [Google Scholar] [CrossRef]
- Rhodes, J.S.; Cutler, A.; Moon, K.R. Geometry- and Accuracy-Preserving Random Forest Proximities. IEEE Trans. Pattern Anal. Mach. Intell. 2023, 45, 10947–10959. [Google Scholar] [CrossRef]
- Qiao, M.; Xia, G.; Cui, T.; Xu, Y.; Fan, C.; Su, Y.; Li, Y.; Han, S. Machine learning and experimental testing for prediction of breakage rate of maize kernels based on components contents. J. Cereal Sci. 2022, 108, 103582. [Google Scholar] [CrossRef]
- Qiao, M.; Xia, G.; Cui, T.; Xu, Y.; Gao, X.; Su, Y.; Li, Y.; Fan, H. Effect of moisture, protein, starch, soluble sugar contents and microstructure on mechanical properties of maize kernels. Food Chem. 2022, 379, 132147. [Google Scholar] [CrossRef]
- Zheng, Y.; Ge, Y.; Muhsen, S.; Wang, S.; Elkamchouchi, D.H.; Ali, E.; Ali, H.E. New ridge regression, artificial neural networks and support vector machine for wind speed prediction. Adv. Eng. Softw. 2023, 179, 103426. [Google Scholar] [CrossRef]
- Buteneers, P.; Caluwaerts, K.; Dambre, J.; Verstraeten, D.; Schrauwen, B. Optimized parameter search for large datasets of the regularization parameter and feature selection for ridge regression. Neural Process. Lett. 2013, 38, 403–416. [Google Scholar] [CrossRef][Green Version]
- Carneiro, T.C.; Rocha, P.A.; Carvalho, P.C.; Fernández-Ramírez, L.M. Ridge regression ensemble of machine learning models applied to solar and wind forecasting in Brazil and Spain. Appl. Energy 2022, 314, 118936. [Google Scholar] [CrossRef]
- Mravik, M.; Vetriselvi, T.; Venkatachalam, K.; Sarac, M.; Bacanin, N.; Adamovic, S. Diabetes prediction algorithm using recursive ridge regression L2. Comput. Mater. Contin 2022, 71, 457–471. [Google Scholar] [CrossRef]
- Zhang, S.; Nai, W.; Qiu, Y.; Xu, W.; Yang, Z.; Li, D.; Xing, Y. Ridge regression based on glowworm swarm optimization algorithm with t-distribution parameters. In Proceedings of the 2021 IEEE 11th International Conference on Electronics Information and Emergency Communication (ICEIEC), Beijing, China, 18–20 June 2021; pp. 1–4. [Google Scholar]
- Louis, K.; Ravinesh, C.D.; Vivekananda, B.; Jan, F.A.; Shahbaz, M.; Nguyen, V.P. Artificial intelligence approach for the prediction of Robusta coffee yield using soil fertility properties. Comput. Electron. Agric. 2018, 155, 324–338. [Google Scholar] [CrossRef]
- Samrendra, K.S.; Sriram, K.V.; Rakhee, T. Machine learnt image processing to predict weight and size of rice kernels. J. Food Eng. 2020, 274, 109828. [Google Scholar] [CrossRef]
- Wu, Z.; Chen, J.; Ma, Z.; Li, Y.; Zhu, Y. Development of a lightweight online detection system for impurity content and broken rate in rice for combine harvesters. Comput. Electron. Agric. 2024, 218, 108689. [Google Scholar] [CrossRef]
- Fan, C.; Zhang, D.; Yang, L.; Cui, T.; He, X.; Qiao, M.; Sun, J.; Dong, J. A multi-parameter control method for maize threshing based on machine learning algorithm optimisation. Biosyst. Eng. 2023, 236, 212–223. [Google Scholar] [CrossRef]
- Wan, X.; Wang, W.; Liu, J.; Tong, T. Estimating the sample mean and standard deviation from the sample size, median, range and/or interquartile range. BMC Med. Res. Methodol. 2014, 14, 1–13. [Google Scholar] [CrossRef]
- Xie, W.; Wei, S.; Zheng, Z.; Chang, Z.; Yang, D. Developing a stacked ensemble model for predicting the mass of fresh carrot. Postharvest Biol. Technol. 2022, 186, 111848. [Google Scholar] [CrossRef]
- Xing, S.; Cui, T.; Zhang, D.; Yang, L.; He, X.; Wang, Z.; Dong, J.; Li, C.; Jiang, Y.; Jing, M. Design and experiment of the simulated electronic corn ear based on UWB/IMU technology. Comput. Electron. Agric. 2024, 217, 108567. [Google Scholar] [CrossRef]
- Li, X.; Du, Y.; Liu, L.; Mao, E.; Yang, F.; Wu, J.; Wang, L. Research on the constitutive model of low-damage corn threshing based on DEM. Comput. Electron. Agric. 2022, 194, 106722. [Google Scholar] [CrossRef]
- Zhao, J.; Zhao, H.; Tang, H.; Wang, X.; Yu, Y. Bionic threshing component optimized based on MBD-DEM coupling simulation significantly improves corn kernel harvesting rate. Comput. Electron. Agric. 2023, 212, 108075. [Google Scholar] [CrossRef]
- Portugal, I.; Alencar, P.; Cowan, D. The use of machine learning algorithms in recommender systems: A systematic review. Expert Syst. Appl. 2018, 97, 205–227. [Google Scholar] [CrossRef]
- Xie, W.; Huang, K.; Wei, S.; Yang, D. Extraction and modeling of carrot crack for crack removal with a 3D vision. Comput. Electron. Agric. 2024, 224, 109192. [Google Scholar] [CrossRef]
- Li, Q.; Zhu, H. Performance evaluation of 2D LiDAR SLAM algorithms in simulated orchard environments. Comput. Electron. Agric. 2024, 221, 108994. [Google Scholar] [CrossRef]
- Li, Q.; Yan, Y. Street tree segmentation from mobile laser scanning data using deep learning-based image instance segmentation. Urban For. Urban Green. 2024, 92, 128200. [Google Scholar] [CrossRef]
- Yousefi, S.; Farsi, H.; Kheiralipour, K. Drop test of pear fruit: Experimental measurement and finite element modelling. Biosyst. Eng. 2016, 147, 17–25. [Google Scholar] [CrossRef]
- Du, X.; Li, D.; He, L.; Wu, C.; Lin, L. Fruit motion analysis in process of mechanical vibration harvesting based on electronic fruit technique. Trans. Chin. Soc. Agric. Eng. 2017, 33, 58–64. [Google Scholar] [CrossRef]
- Yu, Y.; Fu, H.; Yu, J. DEM-based simulation of the corn threshing process. Adv. Powder Technol. 2015, 26, 1400–1409. [Google Scholar] [CrossRef]













| Number | Experimental Factors | ||
|---|---|---|---|
| Mass (m/g) | Height (h/mm) | Position | |
| 1 | 286.61 | 30 | Horizontal |
| 2 | 242.66 | ||
| 3 | 242.53 | 40 | |
| 4 | 265.70 | ||
| 5 | 299.30 | Vertical | |
| 6 | 294.35 | 50 | |
| 7 | 260.58 | ||
| 8 | 274.54 | ||
| Source | Sum of Squares | df | F Value | p Value |
|---|---|---|---|---|
| Model | 1205.40 | 8 | 4.19 | 0.0002 ** |
| X1 | 234.79 | 1 | 6.53 | 0.0117 * |
| X2 | 396.06 | 1 | 11.02 | 0.0012 ** |
| X3 | 176.21 | 1 | 4.90 | 0.0285 * |
| X1X2 | 70.87 | 1 | 1.97 | 0.1626 |
| X1X3 | 7.21 | 1 | 0.20 | 0.6550 |
| X2X3 | 58.13 | 1 | 1.62 | 0.2057 |
| X12 | 220.94 | 1 | 6.14 | 0.0144 |
| X22 | 30.65 | 1 | 0.85 | 0.3575 |
| X32 | 0.000 | 0 | ||
| Residual | 4854.13 | 135 | ||
| Cor Total | 6059.53 | 143 |
| Source | Sum of Squares | df | F Value | p Value |
|---|---|---|---|---|
| Model | 3514.32 | 8 | 3.01 | 0.0039 ** |
| X1 | 670.76 | 1 | 4.59 | 0.0340 * |
| X2 | 580.29 | 1 | 3.97 | 0.0483 * |
| X3 | 816.91 | 1 | 5.59 | 0.0195 * |
| X1X2 | 3.26 | 1 | 0.022 | 0.8814 |
| X1X3 | 64.74 | 1 | 0.44 | 0.5068 |
| X2X3 | 21.27 | 1 | 0.15 | 0.7034 |
| X12 | 765.53 | 1 | 5.24 | 0.0237 |
| X22 | 59.77 | 1 | 0.41 | 0.5236 |
| X32 | 0.000 | 0 | ||
| Residual | 19,730.63 | 135 | ||
| Cor Total | 23,244.95 | 143 |
| Algorithm Type | Prediction Model of Average Impact Force | Prediction Model of Maximum Impact Force | ||||
|---|---|---|---|---|---|---|
| SD | RMSE | r | SD | RMSE | r | |
| Obs | 2.1969 | 0 | 1 | 6.2580 | 0 | 1 |
| MLR | 2.6018 | 1.1753 | 0.8935 | 7.1071 | 6.9608 | 0.4634 |
| Ridge | 2.5982 | 1.1719 | 0.8938 | 7.1234 | 6.9790 | 0.4621 |
| RF | 0.9526 | 1.2685 | 0.9855 | 3.8389 | 3.6071 | 0.8510 |
| SVM | 2.6349 | 1.2048 | 0.8912 | 6.9624 | 6.5657 | 0.5110 |
| Hyperparametrization | Mean Impact Prediction Model | Impact Maximum Prediction Model |
|---|---|---|
| max_depth | 5 | 5 |
| min_samples_leaf | 1 | 1 |
| min_samples_split | 2 | 2 |
| n_estimators | 100 | 50 |
Disclaimer/Publisher’s Note: The statements, opinions and data contained in all publications are solely those of the individual author(s) and contributor(s) and not of MDPI and/or the editor(s). MDPI and/or the editor(s) disclaim responsibility for any injury to people or property resulting from any ideas, methods, instructions or products referred to in the content. |
© 2024 by the authors. Licensee MDPI, Basel, Switzerland. This article is an open access article distributed under the terms and conditions of the Creative Commons Attribution (CC BY) license (https://creativecommons.org/licenses/by/4.0/).
Share and Cite
Fan, C.; Wang, W.; Cui, T.; Liu, Y.; Qiao, M. Research on Impact Prediction Model for Corn Ears by Integrating Motion Features Using Machine Learning Algorithms. Processes 2024, 12, 2362. https://doi.org/10.3390/pr12112362
Fan C, Wang W, Cui T, Liu Y, Qiao M. Research on Impact Prediction Model for Corn Ears by Integrating Motion Features Using Machine Learning Algorithms. Processes. 2024; 12(11):2362. https://doi.org/10.3390/pr12112362
Chicago/Turabian StyleFan, Chenlong, Wenjin Wang, Tao Cui, Ying Liu, and Mengmeng Qiao. 2024. "Research on Impact Prediction Model for Corn Ears by Integrating Motion Features Using Machine Learning Algorithms" Processes 12, no. 11: 2362. https://doi.org/10.3390/pr12112362
APA StyleFan, C., Wang, W., Cui, T., Liu, Y., & Qiao, M. (2024). Research on Impact Prediction Model for Corn Ears by Integrating Motion Features Using Machine Learning Algorithms. Processes, 12(11), 2362. https://doi.org/10.3390/pr12112362
