Geophysical Monitoring Technologies for the Entire Life Cycle of CO2 Geological Sequestration
Abstract
1. Introduction
2. Geophysical Monitoring Approaches for CO2 Sequestration
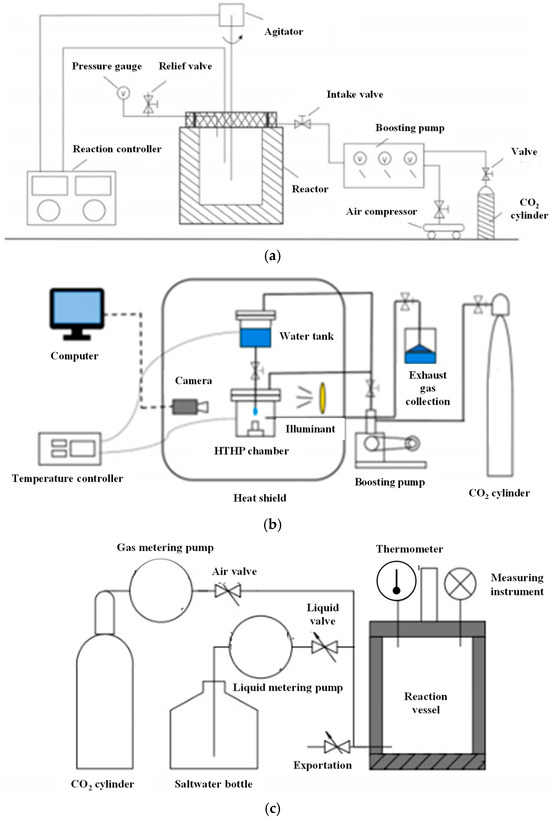
2.1. Rock Physics Simulation Experiments


2.2. Seismic Techniques
2.3. Fiber Optic Technology
2.4. Well-Logging Technology
- A.
- Seismic monitoring can simultaneously track CO2 plume injection across multiple wells along with its distribution range and diffusion path. While it has extensive capabilities, it cannot accurately measure the CO2 injection for individual wells;
- B.
- Logging technology covers the wellbore and surrounding area to detect CO2 concentration and plume distribution in nearby formations around a single well. It is suitable for evaluating sequestration volumes—residual and dissolution—and wellbore integrity; however, its results may be affected by strong reservoir heterogeneity;
- C.
- Fiber optic monitoring also encompasses the wellbore and adjacent areas by tracking real-time temperature and pressure changes due to CO2 injection to determine the injection volume and potential diffusion paths. This technology enhances the detection of wellbore integrity but is primarily used for assessing structural and residual sequestration volumes while being less effective for detecting dissolution or mineralization sequestration.
3. Integration of Geophysical Techniques and Machine Learning Algorithms
4. Discussion and Analysis
4.1. Rock Physics Simulation
4.2. CO2 Geological Sequestration Monitoring at the Site Level
- A.
- Structural and residual sequestration
- B. Dissolution sequestration
- C. Mineralization sequestration
- D. Well integrity
4.3. Monitoring Data Processing:
5. Conclusions
Author Contributions
Funding
Data Availability Statement
Acknowledgments
Conflicts of Interest
References
- Dou, L.; Sun, L.; Lyu, W.; Wang, M.; Gao, F.; Gao, M.; Jiang, H. Trend of global carbon dioxide capture, utilization and storage industry and challenges and countermeasures in China. Pet. Explor. Dev. 2023, 50, 1246–1260. [Google Scholar] [CrossRef]
- Langhelle, O.; Sareen, S.; Silvester, B.R. From CCS to CCU and CCUS—The pitfalls of utilisation and storage. In Making CO2 a Resource; Routledge: London, UK, 2024; pp. 127–142. [Google Scholar]
- Bajpai, S.; Shreyash, N.; Singh, S.; Memon, A.R.; Sonker, M.; Tiwary, S.K.; Biswas, S. Opportunities, challenges, and the way ahead for carbon capture, utilization, and sequestration (CCUS) by the hydrocarbon industry: Towards a sustainable future. Energy Rep. 2022, 8, 15595–15616. [Google Scholar] [CrossRef]
- Wang, Y.; Guo, C.H.; Zhuang, S.R.; Chen, X.J.; Jia, L.Q.; Chen, Z.Y.; Xia, Z.L.; Wu, Z. Major contribution to carbon neutrality by China’s geosciences and geological technologies. China Geol. 2021, 4, 329–352. [Google Scholar] [CrossRef]
- Li, Q.; Li, Q.; Wang, F.; Wu, J.; Wang, Y. The carrying behavior of water-based fracturing fluid in shale reservoir fractures and molecular dynamics of sand-carrying mechanism. Processes 2024, 12, 2051. [Google Scholar] [CrossRef]
- Li, Q.; Li, Q.; Han, Y. A numerical investigation on kick control with the displacement kill method during a well test in a deep-water gas reservoir: A case study. Processes 2024, 12, 2090. [Google Scholar] [CrossRef]
- Liu, Z.X.; Gao, M.; Zhang, X.M.; Liang, Y.; Guo, Y.J.; Liu, W.L.; Bao, J.W. CCUS and CO2 injection field application in abroad and China: Status and progress. Geoenergy Sci. Eng. 2023, 229, 212011. [Google Scholar] [CrossRef]
- Evans, D.J.; Schultz, R.A. Analysis of occurrences at underground fuel storage facilities and assessment of the main mechanisms leading to loss of storage integrity. In ARMA US Rock Mechanics/Geomechanics Symposium; ARMA: Lee’s Summit, MO, USA, 2017; p. ARMA-2017. [Google Scholar]
- Zhang, X.; Feng, Q.; Wang, X.; Ma, J.; Zhang, L.; Yu, B. Prediction of CO2 saturation by using well logging data, in the process of CO2-EOR and geological storage of CO2. Energy Procedia 2017, 114, 4552–4556. [Google Scholar] [CrossRef]
- Sun, Y.; Liu, J.; Xue, Z.; Li, Q.; Fan, C.; Zhang, X. A critical review of distributed fiber optic sensing for real-time monitoring geologic CO2 sequestration. J. Nat. Gas Sci. Eng. 2021, 88, 103751. [Google Scholar] [CrossRef]
- Massarweh, O.; Abushaikha, A.S. CO2 sequestration in subsurface geological formations: A review of trapping mechanisms and monitoring techniques. Earth-Sci. Rev. 2024, 253, 104793. [Google Scholar] [CrossRef]
- Wang, K.; Xu, T.; Wang, F.; Tian, H. Experimental study of CO2–brine–rock interaction during CO2 sequestration in deep coal seams. Int. J. Coal Geol. 2016, 154–155, 265–274. [Google Scholar] [CrossRef]
- Han, S.; Sang, S.; Zhang, J.; Xiang, W.; Xu, A. Assessment of CO2 geological storage capacity based on adsorption isothermal experiments at various temperatures: A case study of No. 3 coal in the Qinshui Basin. Petroleum 2023, 9, 274–284. [Google Scholar] [CrossRef]
- Cui, C.; Yao, Y.; Liu, D.; Sun, X. Decoding wettability in coal-water-CO2 system for enhanced sequestration security. Gas Sci. Eng. 2024, 124, 205285. [Google Scholar] [CrossRef]
- Liu, B.; Zhao, F.; Xu, J.; Qi, Y. Experimental investigation and numerical simulation of CO2–brine–rock interactions during CO2 sequestration in a deep saline aquifer. Sustainability 2019, 11, 317. [Google Scholar] [CrossRef]
- Onstott, T.C.; Ehlmann, B.L.; Sapers, H.; Coleman, M.; Ivarsson, M.; Marlow, J.J.; Niles, P. Paleo-rock-hosted life on Earth and the search on Mars: A review and strategy for exploration. Astrobiology 2019, 19, 1230–1262. [Google Scholar] [CrossRef]
- Liu, Q.; Zhu, D.; Jin, Z.; Tian, H.; Zhou, B.; Jiang, P.; Zhu, H. Carbon capture and storage for long-term and safe sealing with constrained natural CO2 analogs. Renew. Sustain. Energy Rev. 2023, 171, 113000. [Google Scholar] [CrossRef]
- Tan, Y.; Li, Q.; Xu Liang Xu, L.; Xu, L.; Yu, T.; Cao, X. CO2–Brine–rock interaction and sequestration capacity in carbonate reservoirs of the Tahe Oilfield, Xinjiang, China. Green House Gases Sci. Technol. 2022, 12, 642–660. [Google Scholar] [CrossRef]
- McGrail, B.P.; Schaef, H.T.; Spane, F.A.; Horner, J.A.; Owen, A.T.; Cliff, J.B.; Qafoku, Q.; Thompson, C.J.; Sullivan, E.C. Wallula basalt pilot demonstration project: Post-injection results and conclusions. Energy Procedia 2017, 114, 5783–5790. [Google Scholar] [CrossRef]
- Guthrie, G.D., Jr.; Pawar, R.J.; Carey, J.W.; Karra, S.; Harp, D.R.; Viswanathan, H.S. The mechanisms, dynamics, and implications of self-sealing and CO2 resistance in wellbore cements. Int. J. Greenh. Gas Control 2018, 75, 162–179. [Google Scholar] [CrossRef]
- Condor, J.; Asghari, K. Experimental study of stability and integrity of cement in wellbores used for CO2 storage. Energy Procedia 2009, 1, 3633–3640. [Google Scholar] [CrossRef]
- Mito, S.; Xue, Z.; Satoh, H. Experimental assessment of well integrity for CO2 geological storage: Batch experimental results on geochemical interactions between a CO2–brine mixture and a sandstone–cement–steel sample. Int. J. Greenh. Gas Control 2015, 39, 420–431. [Google Scholar] [CrossRef]
- Dalla Vecchia, F.; dos Santos, V.H.J.M.; Schütz, M.K.; Ponzi, G.G.D.; e Stepanha, A.S.D.G.; de Fraga Malfatti, C.; da Costa, E.M. Wellbore integrity in a saline aquifer: Experimental steel-cement interface degradation under supercritical CO2 conditions representative of Brazil’s Parana basin. Int. J. Greenh. Gas Control 2020, 98, 103077. [Google Scholar] [CrossRef]
- Mamoudou, S.; Curtis, M.; Dang, S.; Rai, C. Experimental evaluation of cement integrity on exposure to supercritical CO2 using NMR: Application to geostorage. Heliyon 2024, 10, e24144. [Google Scholar] [CrossRef]
- Hwang, J.; Walk, W.; Baeten, G. Next generation onshore and offshore seismic acquisition technologies. In IPTC 2013: International Petroleum Technology Conference; European Association of Geoscientists & Engineers: Utrecht, The Netherlands, 2013; p. cp-350. [Google Scholar]
- Huh, C.; Kang, S.G.; Park, M.H.; Lee, K.S.; Park, Y.G.; Min, D.J.; Lee, J.S. Latest CO2 transport, storage and monitoring R&D progress in Republic of Korea: Offshore geologic storage. Energy Procedia 2013, 37, 6520–6526. [Google Scholar] [CrossRef]
- Lüth, S.; Bergmann, P.; Huang, F.; Ivandic, M.; Ivanova, A.; Juhlin, C.; Kempka, T. 4D seismic monitoring of CO2 storage during injection and postclosure at the Ketzin pilot site. Energy Procedia 2017, 114, 5761–5767. [Google Scholar] [CrossRef]
- Wang, H.; Ma, J.; Li, L.; Jia, L.; Tan, M.; Cui, S.; Zhang, Y.; Qu, Z. Time-lapse seismic analysis for Gao89 area of CO2-EOR project in SINOPEC Shengli oilfield, China. Energy Procedia 2017, 114, 3980–3988. [Google Scholar] [CrossRef]
- Luo, Q.; Wang, Y.; Chen, M.; Zhang, Y.; Wu, S.; Chang, X.; Zeng, R. Time-lapse VSP monitoring for CO2 injection: A case study in ordos. China. Int. J. Greenh. Gas Control 2018, 75, 41–51. [Google Scholar] [CrossRef]
- Diao, Y.; Zhu, G.; Li, X.; Bai, B.; Li, J.; Wang, Y.; Zhao, X.; Zhang, B. Characterizing CO2 plume migration in multi-layer reservoirs with strong heterogeneity and low permeability using time-lapse 2D VSP technology and numerical simulation. Int. J. Greenh. Gas Control 2020, 92, 102880. [Google Scholar] [CrossRef]
- Wang, H.; Wang, Z.; Ma, J.; Li, L.; Wang, Y.; Tan, M.; Zhang, Y.; Cui, S.; Qu, Z. Effective pressure prediction from 4D Seismic AVO data during CO2-EOR and storage. Int. J. Greenh. Gas Control 2022, 113, 103525. [Google Scholar] [CrossRef]
- Waage, M.; Singhroha, S.; Bünz, S.; Planke, S.; Waghorn, K.A.; Bellwald, B. Feasibility of using the P-Cable high-resolution 3D seismic system in detecting and monitoring CO2 leakage. Int. J. Greenh. Gas Control 2021, 106, 103240. [Google Scholar] [CrossRef]
- Sidenko, E.; Tertyshnikov, K.; Gurevich, B.; Pevzner, R. DAS signature of reservoir pressure changes caused by a CO2 injection: Experience from the CO2CRC Otway Project. Int. J. Greenh. Gas Control 2022, 119, 103735. [Google Scholar] [CrossRef]
- Mawalkar, S.; Brock, D.; Burchwell, A.; Kelley, M.; Mishra, S.; Gupta, N.; Pardini, R.; Shroyer, B. Where is that CO2 flowing? Using distributed temperature sensing (DTS) technology for monitoring injection of CO2 into a depleted oil reservoir. Int. J. Greenh. Gas Control 2019, 85, 132–142. [Google Scholar] [CrossRef]
- Yao, C.; Chen, H.; Onishi, T.; Datta-Gupta, A.; Mishra, S.; Mawalkar, S.; Pasumarti, A. Robust CO2 plume imaging by joint tomographic inversion using distributed pressure and temperature measurements. Int. J. Greenh. Gas Control 2024, 135, 104166. [Google Scholar] [CrossRef]
- Pevzner, R.; Isaenkov, R.; Yavuz, S.; Yurikov, A.; Tertyshnikov, K.; Shashkin, P.; Gurevich, B.; Correa, J.; Glubokovskikh, S.; Wood, T.; et al. Seismic monitoring of a small CO2 injection using a multi-well DAS array: Operations and initial results of Stage 3 of the CO2CRC Otway project. Int. J. Greenh. Gas Control 2021, 110, 103437. [Google Scholar] [CrossRef]
- Li, D.; Peng, S.; Yang, R.; Zheng, J.; Cai, Z.; Zhang, T.; Zhang, W. Joint monitoring of CO2-ECBM based on multiple geophysical methods: A case study of Shizhuang Town, Shanxi Province, China. Int. J. Greenh. Gas Control 2022, 121, 103795. [Google Scholar] [CrossRef]
- Xu, J.; Li, C.; Shi, M.; Wang, X.; Jiang, L.; Yang, M.; Song, Y.C. Monitoring fluid migration in a CO2 storage reservoir by distributed fiber optic strain sensing: A laboratory study. Gas Sci. Eng. 2024, 124, 205270. [Google Scholar] [CrossRef]
- Baumann, G.; Henninges, J.; De Lucia, M. Monitoring of saturation changes and salt precipitation during CO2 injection using pulsed neutron-gamma logging at the Ketzin pilot site. Int. J. Greenh. Gas Control 2014, 28, 134–146. [Google Scholar] [CrossRef]
- Braunberger, J.; Hamling, J.; Gorecki, C.; Miller, H.; Rawson, J.; Walsh, F.; Pasternack, E.; Rowe, W.; Butsch, R.; Steadman, E.; et al. Characterization and time-lapse monitoring utilizing pulsed-neutron well logging: Associated CO2 storage at a commercial CO2 EOR project. Energy Procedia 2014, 63, 3935–3944. [Google Scholar] [CrossRef]
- Song, X.; Wu, W.; Zhang, H.; He, L.; Dong, D.; Fu, X.; Wang, R. Improving the accuracy of CO2 sequestration monitoring in depleted gas reservoirs using the pulsed neutron-gamma logging technique. Int. J. Greenh. Gas Control 2024, 132, 104080. [Google Scholar] [CrossRef]
- Conner, A.; Chace, D.; Abou-Saleh, J. Developing best practices for evaluating fluid saturations with pulsed neutron capture logging across multiple active CO2-EOR fields. Energy Procedia 2017, 114, 3636–3648. [Google Scholar] [CrossRef]
- Hawkes, C.; Gardner, C. Pressure transient testing for assessment of wellbore integrity in the IEAGHG Weyburn–Midale CO2 monitoring and storage project. Int. J. Greenh. Gas Control 2013, 16 (Suppl. S1), S50–S61. [Google Scholar] [CrossRef]
- Nakajima, T.; Xue, Z.; Watanabe, J.; Ito, Y.; Sakashita, S. Assessment of well integrity at Nagaoka CO2 injection site using ultrasonic logging and cement bond log data. Energy Procedia 2013, 37, 5746–5753. [Google Scholar] [CrossRef]
- Duguid, A.; Carey, J.W.; Butsch, R. Well integrity assessment of a 68 year old well at a CO2 injection project. Energy Procedia 2014, 63, 5691–5706. [Google Scholar] [CrossRef]
- Li, D.; Peng, S.P.; Guo, Y.L.; Lu, Y.X.; Cui, X.Q. CO2 storage monitoring based on time-lapse seismic data via deep learning. Int. J. Greenh. Gas Control 2021, 108, 103336. [Google Scholar] [CrossRef]
- Leong, Z.; Zhu, T.; Sun, A. Time-lapse seismic inversion for CO2 saturation with SeisCO2Net: An application to Frio-II site. Int. J. Greenh. Gas Control 2024, 132, 104058. [Google Scholar] [CrossRef]
- Sheng, H.; Wu, X.; Sun, X.; Wu, L. Deep learning for characterizing CO2 migration in time-lapse seismic images. Fuel 2023, 336, 126806. [Google Scholar] [CrossRef]
- Nagao, M.; Yao, C.; Onishi, T.; Chen, H.; Gupta, A.; Mishra, S. An efficient deep learning-based workflow for CO2 plume imaging considering model uncertainties with distributed pressure and temperature measurements. Int. J. Greenh. Gas Control 2024, 132, 104066. [Google Scholar] [CrossRef]
- Yao, C.; Nagao, M.; Gupta, A.; Mishra, S. An efficient deep learning-based workflow for real-time CO2 plume visualization in saline aquifer using distributed pressure and temperature measurements. Geoenergy Sci. Eng. 2024, 239, 212990. [Google Scholar] [CrossRef]
- Lechevallier, A. Physics Lnformed Deep Learning: Applications to Well Opening and Closing Events. Doctoral Dissertation, Sorbonne Université, Paris, France, 2024. [Google Scholar]
- McKenna, J.J.; Gurevich, B.; Urosevic, M.; Evans, B.J. Rock physics—Application to geological storage of CO2. APPEA J. 2003, 43, 567–576. [Google Scholar] [CrossRef]
- Al-Ameri, W.A.; Abdulraheem, A.; Mahmoud, M. Long-term effects of CO2 sequestration on rock mechanical properties. J. Energy Resour. Technol. 2016, 138, 012201. [Google Scholar] [CrossRef]
- Kim, K.; Makhnenko, R.Y. Changes in rock matrix compressibility during deep CO2 storage. Greenh. Gases Sci. Technol. 2021, 11, 954–973. [Google Scholar] [CrossRef]
- Farooqui, M.Y.; Hou, H.; Li, G.; Machin, N.; Neville, T.; Pal, A.; Shrivastva, C.; Wang, Y.; Yang, F.; Yin, C.; et al. Evaluating volcanic reservoirs. Oilfield Rev. 2009, 21, 36–47. [Google Scholar]
- Matter, J.M.; Broecker, W.S.; Stute, M.; Gislason, S.R.; Oelkers, E.H.; Stefánsson, A.; Wolff-Boenisch, D.; Gunnlaugsson, E.; Axelsson, G.; Björnsson, G. Permanent carbon dioxide storage into basalt: The CarbFix pilot project, Iceland. Energy Procedia 2009, 1, 3641–3646. [Google Scholar] [CrossRef]
- Goldberg, D.S.; Takahashi, T.; Slagle, A.L. Carbon dioxide sequestration in deep-sea basalt. Proc. Natl. Acad. Sci. USA 2008, 105, 9920–9925. [Google Scholar] [CrossRef]
- Wolff-Boenisch, D.; Gislason, S.R.; Oelkers, E.H. The effect of crystallinity on dissolution rates and CO2 consumption capacity of silicates. Geochim. Cosmochim. Acta 2006, 70, 858–870. [Google Scholar] [CrossRef]
- Gislason, S.R.; Wolff-Boenisch, D.; Stefansson, A.; Oelkers, E.H.; Gunnlaugsson, E.; Sigurdardottir, H.; Sigfusson, B.; Broecker, W.S.; Matter, J.M.; Stute, M. Mineral sequestration of carbon dioxide in basalt: A pre-injection overview of the CarbFix project. Int. J. Greenh. Gas Control 2010, 4, 537–545. [Google Scholar] [CrossRef]
- Stockmann, G.; Wolff-Boenisch, D.; Gislason, S.R.; Oelkers, E.H. Dissolution of diopside and basaltic glass: The effect of carbonate coating. Mineral. Mag. 2008, 72, 135–139. [Google Scholar] [CrossRef]
- Marini, L. Geological Sequestration of Carbon Dioxide: Thermodynamics, Kinetics, and Reaction Path Modeling; Elsevier: Amsterdam, The Netherlands, 2006. [Google Scholar]
- Gislason, S.R.; Oelkers, E.H. Mechanism, rates, and consequences of basaltic glass dissolution: II. An experimental study of the dissolution rates of basaltic glass as a function of pH and temperature. Geochim. Cosmochim. Acta 2003, 67, 3817–3832. [Google Scholar] [CrossRef]
- Flaathen, T.K. Water-rock interaction during CO2 sequestration in basalt. Ph.D. Dissertation, Université Paul Sabatier-Toulouse III, Toulouse, France, 2009. [Google Scholar]

Disclaimer/Publisher’s Note: The statements, opinions and data contained in all publications are solely those of the individual author(s) and contributor(s) and not of MDPI and/or the editor(s). MDPI and/or the editor(s) disclaim responsibility for any injury to people or property resulting from any ideas, methods, instructions or products referred to in the content. |
© 2024 by the authors. Licensee MDPI, Basel, Switzerland. This article is an open access article distributed under the terms and conditions of the Creative Commons Attribution (CC BY) license (https://creativecommons.org/licenses/by/4.0/).
Share and Cite
Li, C.; Zhang, X. Geophysical Monitoring Technologies for the Entire Life Cycle of CO2 Geological Sequestration. Processes 2024, 12, 2258. https://doi.org/10.3390/pr12102258
Li C, Zhang X. Geophysical Monitoring Technologies for the Entire Life Cycle of CO2 Geological Sequestration. Processes. 2024; 12(10):2258. https://doi.org/10.3390/pr12102258
Chicago/Turabian StyleLi, Chenyang, and Xiaoli Zhang. 2024. "Geophysical Monitoring Technologies for the Entire Life Cycle of CO2 Geological Sequestration" Processes 12, no. 10: 2258. https://doi.org/10.3390/pr12102258
APA StyleLi, C., & Zhang, X. (2024). Geophysical Monitoring Technologies for the Entire Life Cycle of CO2 Geological Sequestration. Processes, 12(10), 2258. https://doi.org/10.3390/pr12102258

