Extended Definition of Conversion and Reaction Extent for a Systematic Development of the Design Equations for Reactor Networks
Abstract
1. Introduction
Objectives and Motivations
2. Methodology of the General Design Approach
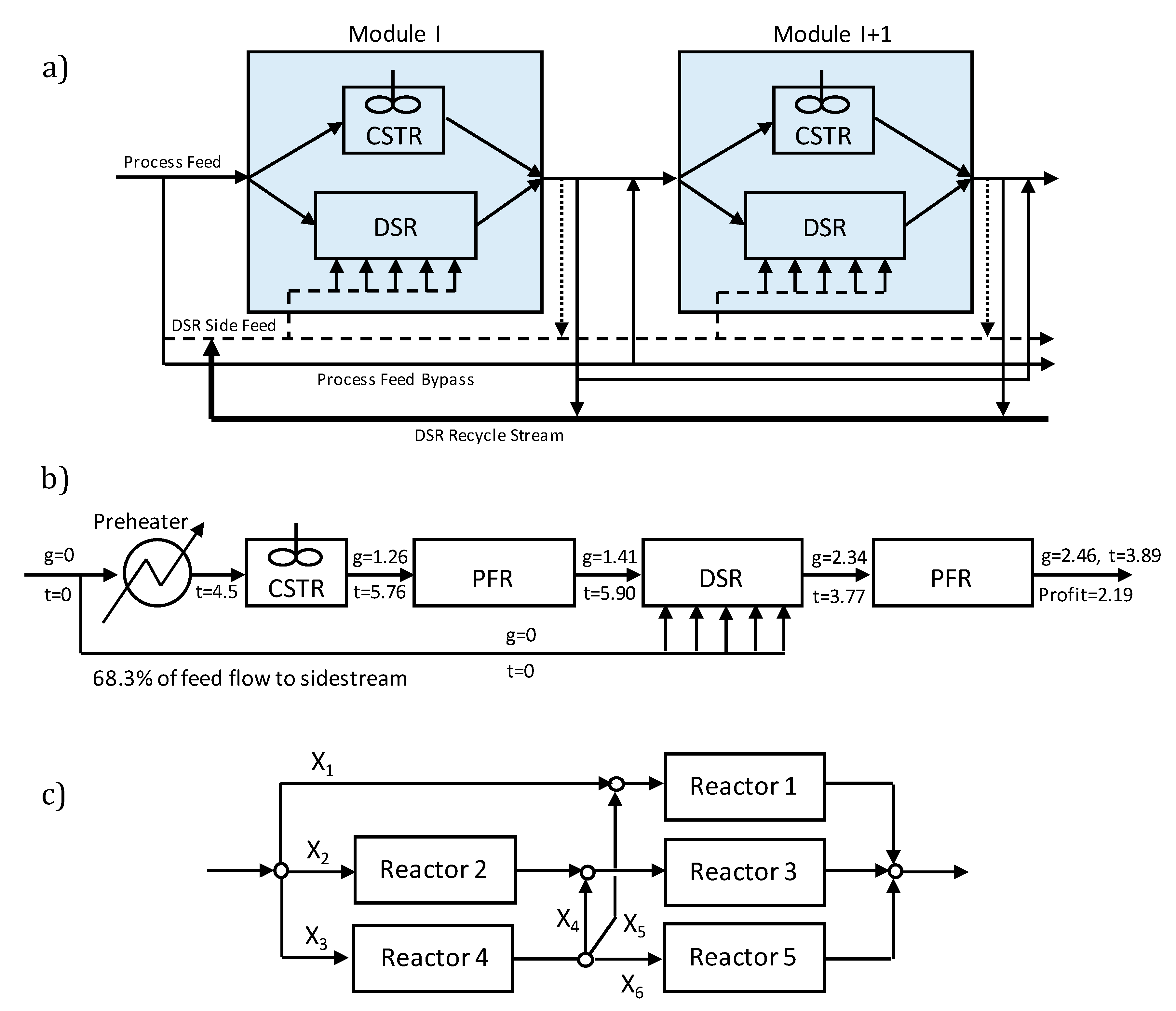
2.1. Reactor Networks
- {n, i} = {Number of Species, Related Index};
- {m, j} = {Number of Reactions, Related Index};
- {r, k} = {Number of Reactors, Related Index};
- {b, l} = {Number of Network Branches, Related Index}.
2.2. General Extension of the Definition of Conversion
2.3. Approach Validation Using Simple Reactor Networks
2.3.1. Series of Reactors in a Row
2.3.2. Reactors in Parallel
2.3.3. Adiabatic-Stage Reactors with Recycle (See Appendix A.2)
Geometrical Interpretation of Mass Balance
3. Application to Other Case Studies of Interest
- Adiabatic-Stage Reactors with Split;
- Adiabatic-Stage Reactors Intercooled/Interheated by Reactants;
- Adiabatic-Stage Reactors with Distributed Interstage Feed.
3.1. Adiabatic-Stage Reactors with Split (See Appendix A.3)
Geometrical Interpretation of Mass Balance
3.2. Adiabatic-Stage Reactors Intercooled/Interheated by Reactants (See Appendix A.4)
3.3. Adiabatic-Stage Reactors with Distributed Interstage Feed (See Appendix A.5)
4. Conclusions
Funding
Data Availability Statement
Conflicts of Interest
Abbreviations
Specific heat, J mol−1 K−1 | |
F | Flow rate, mol s−1 |
H | Molar enthalpy, J mol−1 K−1 |
{n, m, r, b} | Number of: {species, reactions, reactors, network branches} |
rA | Reaction rate (of the key-species A), mol s−1 m−3 |
Rk | Recycle ratio (at the k-th reactors) |
Sk | Split ratio (at the k-th reactors) |
T | Temperature, K |
V | Volume, m3 |
xA | Conversion (of the key-species) |
Greek Symbols | |
θi | Feed ratio, moli molA−1 |
νij | Stoichiometric coefficients |
ξj | Reaction extent for the jth reaction |
Subscripts/Superscripts | |
‘f’ | Final (with respect to a stage with recycle or split) |
{i, j, k, l} | Indices for: {species, reactions, reactors, network branches} |
‘r’ | Reaction (enthalpy of) or number of reactors |
‘r, A’ | Reaction enthalpy expressed per mole of A consumed |
‘ref’ | Reference (temperature) |
‘S’ | Summation (referred to specific heat) |
‘*’ | Refers to the network in the absence of a reaction |
‘0′ | Reference state (enthalpy) |
‘IG’ | Ideal gas |
‘Res’ | Residual quantity (with respect to the ideal-gas state) |
Appendix A. Detailed Development of Design Equations
Appendix A.1. Enthalpy and Flow Rate Expressions
Appendix A.2. Adiabatic-Stage Reactors with Recycle
Appendix A.2.1. Mass Balances
Mass Balance on the Mixing Nodes
Mass Balance on PFR
Mass Balance on CSTR
Appendix A.2.2. Energy Balances
Energy Balance on the Mixing Nodes
Energy Balance on PFR
Energy Balance on CSTR
Appendix A.3. Adiabatic-Stage Reactors with Split
Appendix A.3.1. Mass Balances
Mass Balance on the Mixing Nodes
Mass Balance on PFR
Mass Balance on CSTR
Appendix A.3.2. Energy Balances
Energy Balance on the Mixing Nodes
Energy Balance on PFR
Energy Balance on CSTR
Appendix A.4. Adiabatic-Stage Reactors Intercooled/Interheated by Reactants
Appendix A.4.1. Mass Balances
Mass Balance on the Mixing Nodes
Mass Balance on PFR
Mass Balance on CSTR
Appendix A.4.2. Energy Balances
Energy Balance on the Mixing Nodes
Energy Balance on PFR
Energy Balance on CSTR
Appendix A.5. Adiabatic-Stage Reactors with Distributed Interstage Feed
Appendix A.5.1. Mass Balances
Mass Balance on the Mixing Nodes
Mass Balance on PFR
Mass Balance on CSTR
Appendix A.5.2. Energy Balances
Energy Balance on the Mixing Nodes
Energy Balance on PFR
Energy Balance on CSTR
References
- Missen, R.W.; Mims, C.A.; Saville, B.A. Introduction to Chemical Reaction Engineering and Kinetics; John Wiley & Sons: New York, NY, USA, 1999. [Google Scholar]
- Feinberg, M. Foundations of Chemical Reaction Network Theory; Springer Nature: Cham, Switzerland, 2019. [Google Scholar]
- Ming, D.; Glasser, D.; Hildebrandt, D.; Glasser, B.; Metgzer, M. Attainable Region Theory: An Introduction to Choosing an Optimal Reactor, 1st ed.; John Wiley & Sons, Ltd.: Hoboken, NJ, USA, 2016. [Google Scholar]
- Moser, A.; Manor, P. Bioprocess Technology: Kinetics and Reactors, 1st ed.; Springer: New York, NY, USA, 1988. [Google Scholar]
- Yao, X.; Zhang, Y.; Du, L.; Liu, J.; Yao, J. Review of the applications of microreactors. Renew. Sustain. Energy Rev. 2015, 47, 519–539. [Google Scholar] [CrossRef]
- Rooney, W.C.; Biegler, L.T. Multiperiod reactor network synthesis. Comput. Chem. Eng. 2000, 24, 2055–2068. [Google Scholar] [CrossRef]
- Xie, M.; Freund, H. Fast synthesis of optimal chemical reactor networks based on a universal system representation. Chem. Eng. Process. Process Intensif. 2018, 123, 280. [Google Scholar] [CrossRef]
- Suresh, S.; Sundaramoorthy, S. An Introduction to Catalysis, Kinetics, and Chemical Processes; CRC Press: Boca Raton, FL, USA; Taylor & Francis: New York, NY, USA, 2015. [Google Scholar]
- Levenspiel, O. Chemical Reaction Engineering, 3rd ed.; John Wiley & Sons: New York, NY, USA, 1999. [Google Scholar]
- Fogler, H.S. Essentials of Chemical Reaction Engineering; Pearson Education, Inc.: Boston, MA, USA, 2011. [Google Scholar]
- Smith, J.M. Chemical Engineering Kinetics, 2nd ed.; McGraw-Hill, Inc.: New York, NY, USA, 1970. [Google Scholar]
- Davis, M.E.; Davis, R.J. Fundamentals of Chemical Reaction Engineering, 1st ed.; McGraw-Hill Inc.: New York, NY, USA, 2003. [Google Scholar]
- Froment, G.F.; Bischoff, K.B. Chemical Reactions Analysis and Design; John Wiley & Sons: New York, NY, USA, 1979. [Google Scholar]
- Schmidt, L.D. The Engineering of Chemical Reactions; Oxford University Press, Inc.: New York, NY, USA, 1998. [Google Scholar]
- Hills, C.G., Jr.; Root, T.W. Introduction to Chemical Engineering Kinetics and Reactor Design, 2nd ed.; John Wiley & Sons: New York, NY, USA, 2014. [Google Scholar]
- Harriot, P. Chemical Reactor Design; Marcel Dekker, Inc.: New York, NY, USA, 2003. [Google Scholar]
- Rawlings, J.B.; Ekerdt, J.G. Chemical Reactor Analysis and Design Fundamentals; Nob Hill Publishing: Madison, WI, USA, 2020. [Google Scholar]
- Rase, H.F. Chemical Reactor Design for Process Plants. Volume 2: Case Studies and Design Data; John Wiley & Sons: New York, NY, USA, 1977. [Google Scholar]
- Roberts, G.W. Chemical Reactions and Chemical Reactors, 1st ed.; John Wiley & Sons: New York, NY, USA, 2008. [Google Scholar]
- Aris, R. Elementary Chemical Reactor Analysis; Dover Publications: Mineola, NY, USA, 1969. [Google Scholar]
- Mann, U. Principles of Chemical Reactor Analysis and Design: New Tools for Industrial Chemical Reactor Operations, 2nd ed.; John Wiley & Sons: New York, NY, USA, 2009. [Google Scholar]
- Kramers, K.R.; Westerterp, H. Elements of Chemical Reactor Design and Operation, 1st ed.; Academic Press, Inc.: Cambridge, MA, USA, 1963. [Google Scholar]
- Doraiswamy, L.K.; Uner, D. Chemical Reaction Engineering: Beyond the Fundamentals; CRC Press: Boca Raton, FL, USA, 2013. [Google Scholar]
- Salmi, T.O.; Mikkola, J.-P.; Varna, J.P. Chemical Reaction Engineering and Reactor Technology, 2nd ed.; (Chemical Industries); Heinemann, H., Ed.; CRC Press: Boca Raton, FL, USA, 2019. [Google Scholar]
- Ravi, R.; Vinu, R.; Gummadi, S.N. Coulson and Richardson’s Chemical Engineering: Volume 3A: Chemical and Biochemical Reactors and Reaction Engineering; Chhabra, R., Ed.; Butterworth-Heinemann: Oxford, UK; IchemE: Rugby, UK; Elsevier: Amsterdam, The Netherlands, 2017. [Google Scholar]
- Hayes, R.E.; Mmbaga, J.P. Introduction to Chemical Reactor Analysis, 2nd ed.; CRC Press: Boca Raton, FL, USA, 2012. [Google Scholar]
- Schmal, M. Chemical Reaction Engineering: Essentials, Exercises and Examples; CRC Press: Boca Raton, FL, USA, 2014. [Google Scholar]
- Santacesaria, E.; Tesser, R. The Chemical Reactor from Laboratory to Industrial Plant: A Modern Approach to Chemical Reaction Engineering with Different Case Histories and Exercises; Springer: Berlin/Heidelberg, Germany, 2018. [Google Scholar]
- Rase, H.F. Fixed-Bed Reactor Design and Diagnostics: Gas-Phase Reactions; Butterworth Publishers: Boston, MA, USA, 1990. [Google Scholar]
- Carberry, J.J.; Varma, A. (Eds.) Chemical Reaction and Reactor Engineering (Chemical Industries, Book 26); Marcel Dekker: New York, NY, USA, 1986. [Google Scholar]
- Butt, J.B. Reaction Kinetics and Reactor Design (Chemical Industries Book 79), 2nd ed.; CRC Press: Boca Raton, FL, USA, 2000. [Google Scholar]
- Worstell, J. Adiabatic Fixed-Bed Reactors: Practical Guides in Chemical Engineering, 1st ed.; Elsevier: Oxford, UK, 2014. [Google Scholar]
- Walas, S.M. Chemical Reaction Engineering Handbook of Solved Problems; Gordon & Breach Publishers—Taylor & Francis: London, UK, 1995. [Google Scholar]
- Ghatak, H.R. Reaction Engineering Principles, 1st ed.; CRC Press: Boca Raton, FL, USA; Taylor & Francis: New York, NY, USA, 2016. [Google Scholar]
- Ancheyta, J. Chemical Reaction Kinetics: Concepts, Methods and Case Studies, 1st ed.; John Wiley & Sons, Ltd.: Hoboken, NJ, USA, 2017. [Google Scholar]
- Marchetti, J. Reaction Engineering, Catalyst Preparation, and Kinetics, 1st ed.; CRC Press: Boca Raton, FL, USA, 2021. [Google Scholar]
- Datsevich, L.B. Conventional Three-Phase Fixed-Bed Technologies: Analysis and Critique. Briefs in Applied Sciences and Technology, Book 7, 2012th ed.; Springer: Berlin/Heidelberg, Germany, 2012. [Google Scholar]
- Murzin, D.Y. Chemical Reaction Technology, 1st ed.; De Gruyter: Berlin, Germany, 2015. [Google Scholar]
- Liu, S. Bioprocess Engineering: Kinetics, Sustainability, and Reactor Design, 2nd ed.; Elsevier: Amsterdam, The Netherlands, 2016. [Google Scholar]
- Nauman, B. Handbook of Chemical Reactor Design, Optimization, and Scaleup (McGraw-Hill Professional Engineering), 1st ed.; McGraw-Hill Education: New York, NY, USA, 2001. [Google Scholar]
- Westerterp, K.R. Chemical Reactor Design and Operation, 2nd ed.; John Wiley & Sons, Ltd.: Hoboken, NJ, USA, 1984. [Google Scholar]
- Thoenes, D. Chemical Reactor Development: From Laboratory Synthesis to Industrial Production, 1994th ed.; Springer: Berlin/Heidelberg, Germany, 1994. [Google Scholar]
- Chartrand, G. Introductory Graph Theory; Dover: New York, NY, USA, 1985. [Google Scholar]
- Achenie, L.E.K.; Biegler, L.T. Algorithmic Synthesis of Chemical Reactor Networks using Mathematical Programming. Ind. Eng. Chem. Fund. 1986, 25, 621. [Google Scholar] [CrossRef]
- Achenie, L.E.K.; Biegler, L.T. Developing Targets for the Performance Index of a Chemical Reactor Network. Ind. Eng. Chem. Res. 1988, 27, 1811. [Google Scholar] [CrossRef]
- Balakrishna, S.; Biegler, L.T. A Constructive Targeting Approach for the Synthesis of Isothermal Reactor Networks. Ind. Eng. Chem. Res. 1992, 31, 300. [Google Scholar] [CrossRef]
- Balakrishna, S.; Biegler, L.T. Targeting Strategies for Synthesis and Energy Integration of Nonisothermal Reactor Networks. Ind. Eng. Chem. Res. 1992, 31, 2152. [Google Scholar] [CrossRef]
- Balakrishna, S.; Biegler, L.T. A Unified Approach for the Simultaneous Synthesis of Reaction Energy and Separation Systems. Ind. Eng. Chem. Res. 1993, 32, 1372. [Google Scholar] [CrossRef]
- Lakshmanan, A.; Biegler, L.T. Synthesis of Optimal Chemical Reactor Networks. Ind. Eng. Chem. Res. 1996, 35, 1344–1353. [Google Scholar] [CrossRef]
- Lee, K.Y.; Aris, R. Optimal Adiabatic Bed Reactors for Sulfur Dioxide with Cold Shot Cooling. Ind. Eng. Chem. Process Des. Dev. 1963, 2, 301. [Google Scholar] [CrossRef]
- Malenge, J.P.; Vincent, L.M. Optimal Design of a Sequence of Adiabatic Reactors with Cold Shot Cooling. Ind. Eng. Chem. Process Des. Dev. 1967, 11, 465. [Google Scholar] [CrossRef]
- Soltani, H.; Shafiei, S. Adiabatic reactor network synthesis using coupled genetic algorithm with quasi linear programming method. Chem. Eng. Sci. 2015, 137, 601. [Google Scholar] [CrossRef]
- Carberry, J.J. Chemical and Catalytic Reaction Engineering, 2nd ed.; Dover Publications Inc.: New York, NY, USA, 2001. [Google Scholar]
Stoichiometric Table on the l-th Branch of the Network | ||
---|---|---|
Species i | Non-Reactive Case | Reactive Case |
A (limiting species) | ||
⁝ | ⁝ | ⁝ |
i | ||
⁝ | ⁝ | ⁝ |
Z |
Disclaimer/Publisher’s Note: The statements, opinions and data contained in all publications are solely those of the individual author(s) and contributor(s) and not of MDPI and/or the editor(s). MDPI and/or the editor(s) disclaim responsibility for any injury to people or property resulting from any ideas, methods, instructions or products referred to in the content. |
© 2024 by the author. Licensee MDPI, Basel, Switzerland. This article is an open access article distributed under the terms and conditions of the Creative Commons Attribution (CC BY) license (https://creativecommons.org/licenses/by/4.0/).
Share and Cite
Caravella, A. Extended Definition of Conversion and Reaction Extent for a Systematic Development of the Design Equations for Reactor Networks. Processes 2024, 12, 107. https://doi.org/10.3390/pr12010107
Caravella A. Extended Definition of Conversion and Reaction Extent for a Systematic Development of the Design Equations for Reactor Networks. Processes. 2024; 12(1):107. https://doi.org/10.3390/pr12010107
Chicago/Turabian StyleCaravella, Alessio. 2024. "Extended Definition of Conversion and Reaction Extent for a Systematic Development of the Design Equations for Reactor Networks" Processes 12, no. 1: 107. https://doi.org/10.3390/pr12010107
APA StyleCaravella, A. (2024). Extended Definition of Conversion and Reaction Extent for a Systematic Development of the Design Equations for Reactor Networks. Processes, 12(1), 107. https://doi.org/10.3390/pr12010107