Abstract
This paper proposes a high-efficiency and compact fuel cell–battery hybrid power system without DC/DC converters. Generally, fuel cells supply power to charge lithium batteries or loads using DC/DC converters. The disadvantages of a DC/DC converter are its complex design, poor efficiency, and large volume. Therefore, improvements in the volume, weight, and efficiency are the main objectives of the proposed topology, which is suitable for stable operation in power equipment. This paper proposes a novel topology without DC/DC converters for a fuel cell–battery hybrid forklift system and analyzes, discusses, and verifies it with experimental measurements. Additionally, the proposed topology uses an average charging method to charge the Li-ion battery. The dynamic response of fuel cells is slower than that of Li-ion batteries. By properly configuring the voltages of a fuel cell and a lithium battery, we propose a hybrid system that can maintain a stable output and high efficiency in different operating modes without DC/DC converters. Detailed efficiency calculations and comparisons reveal that the method proposed in this paper achieves an efficiency increase of 5.36% compared with traditional approaches, while maintaining a set charging current. The proposed topology and charging method are verified with experiments on a 10 kW fuel cell–battery system, and the results indicate that the proposed method without DC/DC converters is more suitable for hybrid applications than traditional methods. The proposed system achieves optimal efficiency of 98.27%, surpassing the performance of a traditional hybrid system employing regulated DC/DC converters. Additionally, the system incorporates a mechanism to achieve constant current control, ensuring precise control over the desired charging current. The error in the desired charging current, determined through the average charging method, is 5%.
1. Introduction
A hybrid power system combines fuel cell and lithium-ion battery technologies to achieve superior energy efficiency and overall system performance. The fuel cell serves as the primary energy source, typically providing a stable and continuous energy output and making it well suited for prolonged operational requirements. Meanwhile, the lithium-ion battery functions as an auxiliary device, capable of delivering instantaneous energy support during high-power-demand or startup scenarios to address sudden spikes in energy consumption. This hybrid configuration leverages the strengths of both technologies, with the fuel cell offering high efficiency and stability for extended operation and the lithium-ion battery providing a flexible, high power output to handle sudden, high-energy-demand situations. Through intelligent control system coordination, a hybrid power system can optimize performance while minimizing energy waste, offering a reliable and efficient power solution across various applications. Thanks to technological advancements, batteries have become the main source of power for most electronic devices and equipment, including electrical vehicles, industrial vehicles, electrical tools, and remote controls. The European Union is aiming to reduce its CO2 emissions by at least 55% by 2030. This implies the gradual phasing out of fossil fuel vehicles and the replacement of such vehicles with electronic vehicles or other clean-energy vehicles [1]. Many researchers have studied different parts of fuel cell systems, such as a proton-exchange membranes, catalysts, and stacks [2]. Given the advantages of fuel cells (e.g., their high energy density, high efficiency, and low pollution), recent research has proposed using fuel cell electronic vehicles (FCEVs) as substitutes for fossil fuel vehicles [3]. Most electric vehicles use lithium batteries, which require long charging times and limit vehicles’ ranges. In environments with long operating hours, fuel cells can be quickly refueled and applied in operation, thereby compensating for the shortcomings of lithium batteries. However, fuel cells also have the following disadvantages: (1) because of their unique voltage-to-current relationship, fuel cells have high output voltage variations, and (2) when a fuel cell is subjected to a sudden heavy load, its output voltage may decrease rapidly, which may damage the catalyst that is used.
Most fuel cell systems are supported by lithium batteries [4,5]. When a load is heavy, a lithium battery helps to supply power, and when a load is light, a fuel cell can charge a lithium battery. Because lithium batteries have low levels of internal resistance, a large charging current from a fuel cell may cause lithium battery overcharging. Therefore, converters or other control components must be used to prevent lithium battery overcharging. To prevent catalyst damage caused by a voltage drop when a fuel cell is subjected to a high output load [6], and to improve the efficiency and size of fuel cell systems, this study proposes a highly efficient hybrid power system that uses a fuel cell and a lithium battery and has a simple architecture. A previous comparative study of different topologies, including an analysis and discussion, was performed using Matlab 7.6/Simulink 7.1 [7]. An energy management strategy (EMS) for the fuel cell–battery hybrid system with frequency decoupling and fuzzy control, respectively, was previously proposed [8,9].
In previous research, a buck charger was replaced with a boost charger to achieve a low-output ripple in the system [10]. Additionally, a bi-directional charger/discharger for a fuel cell–battery system with a real-time, rule-based EMS was proposed [11]. However, a DC/DC converter is required for fuel cell–battery hybrid systems [7,8,9,10,11]. The advantages of a hybrid fuel-cell–battery system are listed as follows.
- Efficiency optimization: A fuel cell has high energy density, providing continuous power generation and making them suitable for steady-state operations.
- Rapid response of batteries: The batteries excel at delivering instantaneous power, addressing the limitations of fuel cells in responding to sudden changes in energy demands.
- Extended range: Fuel cells are excellent for long-range operations, and they are ideal for applications requiring an extended range, such as in electric vehicles, where they can sustain continuous operation.
- Battery for short trips: The batteries cater to short-distance travel, ensuring optimal utilization and the preservation of fuel cell efficiency for longer journeys.
- Regenerative braking: The batteries have a regenerative capacity, and, during regenerative braking or periods of excess power, they can efficiently capture and store energy that might otherwise be wasted, contributing to overall system efficiency.
- Reduced fuel consumption: Fuel cells operate under optimal conditions, and, with batteries handling peak power demands, fuel cells can operate consistently at their most efficient levels, reducing the overall fuel consumption and extending the lifespan of the fuel cell.
However, traditional hybrid systems still have some problems to be solved, which are as follows.
- Complexity and cost integration challenges: The seamless integration of fuel cells and batteries involves complex control systems, increasing the overall system complexity.
- Higher initial cost: A hybrid system may be more expensive to manufacture and maintain, impacting the overall cost-effectiveness of the technology.
- Weight and space considerations—increased weight: Combining both fuel cells and batteries can result in a heavier system, potentially affecting the overall weight and performance of the vehicle or application.
- Space requirements: Accommodating both components may pose challenges in terms of space utilization, especially in applications with strict size constraints.
- Limited fuel cell efficiency at low loads—inefficiency under low-power conditions: Fuel cells may operate less efficiently during periods of low power demand, as they are designed for steady-state operation.
- Maintenance challenges—maintenance complexity: The hybrid system introduces additional components, potentially increasing the complexity of maintenance procedures and requiring specialized expertise.
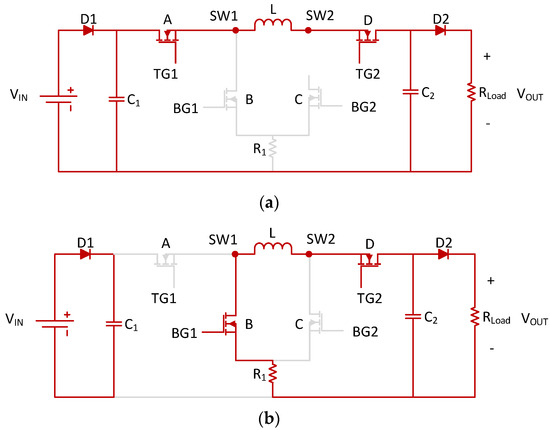
Taking into account the space constraints and high efficiency requirements, this paper proposes an average charging method without DC/DC converters for a fuel cell–battery hybrid forklift system. A traditional hybrid system combining fuel cells and batteries offers a synergistic approach to energy storage and power generation, as shown in Figure 1a–c. All three system topologies use a DC/DC converter to buck or boost the output voltage of the fuel cell to meet the load range. Figure 1c illustrates a simplified topology where the voltage of the energy storage system (ESS) is close to the DC bus voltage. As a result, the battery charger and battery discharger are omitted in the proposed design, leading to a more streamlined configuration. However, the design in Figure 1c lacks the ability to control the charging current, and sustained high currents may result in damage to the lithium battery. Therefore, this paper proposes a new circuit topology, shown in Figure 2, which offers the advantages of high efficiency and compactness.

Figure 1.
Traditional power topologies of fuel cell–battery hybrid systems: (a) BCR and BDR. (b) Bi-directional converter. (c) Battery-clamped system.
Figure 2.
The proposed power topology of the fuel cell–battery hybrid system.
While a fuel cell–battery hybrid system offers notable advantages in terms of efficiency optimization and an extended range, it comes with challenges related to complexity, cost, weight, and space considerations. The successful implementation of such a system requires a careful balance of these factors to maximize the benefits and overcome the associated drawbacks. In this paper, the proposed system, which is shown in Figure 2, is designed and implemented to tackle these disadvantages.
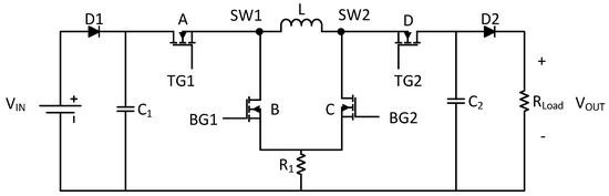
2. The Proposed System Architecture without DC/DC Converters
The block diagram and power topology of the proposed system are presented in Figure 3 and Figure 4, respectively. The fuel cell stack supplies power to the load and balance of plant (BOP) through blocking diode D1, overvoltage switch Q1, and a relay. The lithium battery is charged using the average current control method using switch Q2 and a Hall sensor. The voltage detection circuit, Hall sensor, and microcontroller units (MCUs) are used to ensure the stable and precise charging of the lithium battery, thereby creating a highly efficient fuel cell–battery system without DC/DC converters. The control method without DC/DC converters, proposed in this paper, means that the fuel cell can charge the lithium battery only when the voltage of the fuel cell is greater than the voltage of the lithium battery. In addition, due to the slow response of the fuel cell, the transient must be supplied by the lithium battery.
Figure 3.
Block diagram of the proposed fuel cell–battery hybrid system.
Figure 4.
The power topology of the proposed system.
2.1. Operating Principle
The voltage ranges of the fuel cell and lithium battery are 46–90 V and 33–54 V, respectively. If the voltages of the fuel cell and Li-ion battery are within the normal voltage ranges, the relay is kept on; otherwise, the relay is kept off. The voltage of the fuel cell is inversely proportional to the output power, i.e., the voltage is lower when the fuel cell is operated under heavy-load conditions, and, on the contrary, the voltage is higher when the fuel cell is operated under light-load conditions. To prevent an excessively high voltage of the fuel cell from causing other equipment to operate abnormally, the lithium battery is clamped to the DC bus voltage. The proposed fuel cell–battery hybrid system is designed for four operating modes, detailed below.
Mode 1: Fuel cell voltage (VFuel Cell) > lithium battery voltage (VBat)
The fuel cell supplies power to the load and charges the lithium battery. When the output voltage of the fuel cell battery is low, its output current is high. If the maximum charging current exceeds the specified charging current of the Li-ion battery (1 C current) during charging, switch Q2 is operated in PWM mode to match the average current to the 1 C current, as shown in Figure 5a,b. The proposed control method allows the average current (IAVE) of the Li-ion battery to be maintained at 1 C. However, if the charging current does not exceed 1 C, switch Q2 remains on, as shown in Figure 5b.

Figure 5.
Operating principle. (a) Mode 1: Switch Q2 turned off. (b) Mode 1: Switch Q2 turned on. (c) Mode 2: Fuel cell supplying power to the load. (d) Mode 3: Li-ion battery powering the load. (e) Mode 4: Fuel cell and lithium battery simultaneously supplying power to the load.
Mode 2: VFuel Cell > VBat; VBat > 53 V
When the system is operated in mode 2, after the Li-ion battery is fully charged (>80%), the fuel cell battery supplies power to the load. Switch Q2 is kept off, and Li-ion-battery charging is stopped. The fuel cell directly supplies the load when the output power of the fuel cell is sufficient to supply the load, as shown in Figure 5c.
Mode 3: VFuel Cell < VBat
When the load is heavy and the voltage of the fuel cell (VFuel Cell) is lower than the voltage of the battery (VBat), the Li-ion battery directly powers the load through blocking diode circuit D2, as shown in Figure 5d.
Mode 4: VFuel Cell = VBat
When the load is heavy, the fuel cell produces a low-voltage and high-current output. When VFuel Cell is lower than VBat, the Li-ion battery supplies the energy required for the load. When the Li-ion battery is discharged and VBat is equal to VFuel Cell, the Li-ion battery and fuel cell supply power to the load at the same time, as shown in Figure 5e.
2.2. Average Charging Current Method
In this paper, the charging current of the proposed topology is determined by the fuel cell voltage, Li-ion battery voltage, and battery impedance. Therefore, the charging current is variable, because the proposed system has no DC/DC converters to regulate the bus voltage. A method based on the average charging current of the Li-ion battery is proposed for the fuel cell–battery hybrid system without DC/DC converters. Figure 6 presents the flow chart of the charging process. To maintain the IAVE of each pulse cycle within the range of the 1 C current (I1C), the digital average current control method is applied using a Renesas MCU. The average charging waveform is shown in Figure 7.
Figure 6.
The flow chart of the charging process.
Figure 7.
The waveform of the charging current of the charging process.
The average charging current (IAVE) is determined using Equation (1). The summation of the charging current values of the Li-ion battery is obtained as . The summation is then divided by n, which denotes the number of samples, to obtain IAVE for t1 cycles. Then, the on time (tON(A)) of the previous charging cycle, duty ratio, and IAVE are substituted into Equation (2). The maximum charging current value (IP) of the cycle is obtained. Finally, Equation (3) is used to calculate the on time of the next cycle (tON(B)) and implemented using an MCU to achieve the desired average charging current.
3. Experimental Results
Table 1 lists the specifications of the fuel cell–battery hybrid system in this paper. Figure 8 shows the output voltage and current of a 10 kW fuel cell. The 3D diagram and a photograph of the proposed fuel cell–battery system are shown in Figure 9a,b, respectively. The test platform of the proposed fuel cell–battery system is shown in Figure 10a,b. The charging current of the Li-ion battery was selected as 1 C (34 A) in this experiment.
Table 1.
The specifications of the full cell–battery hybrid system.
Figure 8.
Relative curve of 10 kW fuel cell voltage vs. current.
Figure 9.
The proposed fuel cell–battery system: (a) 3D diagram; (b) photograph.
Figure 10.
The test platform of the proposed hybrid system: (a) overall structure; (b) detailed circuit components.
Figure 11a,b show the key waveforms of the system in two operating modes, mode 1 and mode 2 (i.e., constant charging mode and average charging mode), respectively. Figure 11a shows the constant charging current; Q2 was always kept on because charging current IBAT = 7.25 A < 34 A. The system with an average charging current was operated in mode 2, as shown in Figure 11b. From Figure 11b, we can see that the maximum charging current (IP) was 198.75 A, and tON was 9 ms. Thus, the IAVE of the 50 ms cycle was determined as follows:

Figure 11.
(a) Mode 1: Constant charging mode. (b) Mode 1: Average current of pulse charging mode. (c) Mode 2: Lithium battery charging being halted. (d) Mode 3: Lithium battery supplying power. (e) Mode 4: Fuel cell battery and lithium battery simultaneously supplying power.
From the measured result, we can see that the error of the desired charging current obtained with the average charging method was 5%. Figure 11c–e show the measured waveforms of the proposed system when only the fuel cell powered the load (mode 2), when only the lithium battery powered the load (mode 3), and when both batteries simultaneously powered the load (mode 4); similar approximate output voltages can be seen. From Figure 11a–e, we can observe that the control algorithm proposed in this paper can achieve constant current charging control without the need for a DC/DC converter. Moreover, it can regulate the DC bus voltage to stably supply power to the load.
In addition, for the case where the system was operated in different modes, the measurement waveforms of their switching transients are shown in Figure 12a,b. When the fuel cell supplied power to the load and the Li-ion battery was charging (mode 1), the load suddenly increased, causing the fuel cell voltage to drop below the Li-ion battery voltage. At this time, the lithium battery supplied power to the load (mode 3), and the fuel cell did not supply power until the fuel cell voltage returned to be greater than the Li-ion battery voltage. Figure 12a shows the measured waveforms for the case where the system mode was switched from mode 1 to mode 3. When the fuel cell operation was changed from light-load (mode 2) to heavy-load conditions, the characteristics of the fuel cell caused the current to increase and the voltage to drop, so the fuel cell voltage (VFuel Cell) < the Li-ion battery voltage (VBat), and the Li-ion battery supplied power to the load (mode 3). Figure 12b shows the measured waveforms for the case where the system mode was switched from mode 2 to mode 3. Through the transition of different operational modes, it can be noted that the proposed hybrid system indeed ensures an uninterrupted and stable power supply to the load while simultaneously maintaining high efficiency.

Figure 12.
The waveforms measured while switching (a) from mode 1 to mode 3 and (b) from mode 2 to mode 3.
In the proposed hybrid power system, in response to an instantaneous increase in load to a peak of 667 A (25.6 kW) supplied for 1 s, the system operated in mode 4, where both the fuel cell and lithium battery simultaneously supplied power to the load. The experiment involved using electronic loads (6 kW) connected to six units for a total of 36 kW to test rapid load variations. The actual maximum output of the fuel cell was 10 kW, while the lithium battery output was 22 kW. As shown in Figure 13, the experimental waveform indicates that the lithium battery discharged at a maximum current of 412 A at 36.3 V for 1 s, approximately 15 kW. The fuel cell discharged at a current of approximately 280 A at 37.9 V, yielding about 10.6 kW. From this experiment, it is evident that the system can operate normally under the conditions of an instantaneous heavy load.
Figure 13.
The waveforms measured when the load was 25.6 kW.
Figure 14 shows the relative curve of the load current vs. system efficiency for the proposed system and reveals that the maximum system efficiency achieved was 98.27% and that the average efficiency was 97.17%. From the existing architecture in Figure 1 and the proposed system architecture in Figure 2, it is evident that selecting appropriate output voltages for the fuel cell and Li-ion battery through the load voltage (DC bus) can reduce the number of converters and complex control mechanisms in the hybrid system. This is greatly beneficial for both system efficiency and reliability under different operating conditions. The limitation of the control method introduced in this paper lies in its utilization of an average current charging mechanism. Consequently, charging is only feasible when the fuel cell voltage exceeds that of the Li-ion battery. The fuel cell voltage exhibits nonlinearity concerning its output power. Therefore, it is crucial to select the Li-ion battery voltage within the operational voltage range of the fuel cell. Specifically, the lithium-ion battery can utilize the fuel cell for charging during periods of low capacity.
Figure 14.
Load current vs. system efficiency.
4. Efficiency Calculation
We calculated the efficiency of both the traditional system architecture (shown in Figure 1c) and the proposed system architecture without DC/DC converters presented in this paper (illustrated in Figure 2). Traditional hybrid fuel cell–battery systems typically use boost converters to boost the voltage to around 230 V~300 V. However, in the proposed system, designed for a 48 V output DC bus in a hybrid forklift application, a step-up/-down converter is necessary. Traditional buck–boost converters, which have opposite polarity between the input and output, are challenging to implement in closed-loop systems. A more recent approach involves the use of non-inverted four-switch converters to achieve a decreased or boosted output voltage.
Case 1: Four-switch buck–boost converter
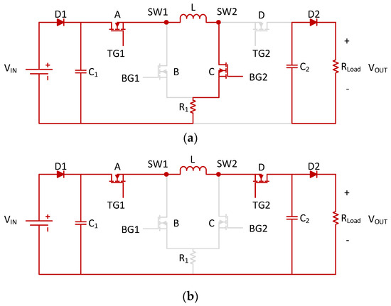
As illustrated in Figure 15 for the battery-clamped hybrid system, considering the system specifications, a DC/DC converter was implemented using a non-inverted four-switch buck–boost converter. The non-inverted four-switch buck–boost converter is shown in Figure 16. An efficiency analysis is reported below. The MOSFET implemented was a VS-FC420SA10 MOSFET. Figure 17 and Figure 18 show the buck mode and boost mode of the non-inverted four-switch buck–boost converter.
Figure 15.
The battery-clamped hybrid system.
Figure 16.
Four-switch buck–boost converter.
Figure 17.
Buck mode of 4-switch buck–boost converter: (a) switches turned on; (b) switches turned off.
Figure 18.
Boost mode of 4-switch buck–boost converter: (a) switches turned on; (b) switches turned off.
The conduction loss () and switching loss () of the MOSFET can be calculated with Equations (4) and (5), respectively.
where is the voltage, is the current, Duty is the duty ratio, is the static drain to source on resistance, is the turn-on delay time, is the turn-off delay time, and is the switching frequency of the converter. Additionally, the loss in the inductor is calculated considering both copper and iron loss. The calculation process is not detailed here; the results are shown in Table 2.
Table 2.
Efficiency of the traditional hybrid system with 4-switch buck–boost converter.
Case 2: The proposed hybrid system
As shown in Figure 4 in Section 2.1, the control method proposed in this paper is designed for four different operating modes. The following analysis was conducted for these four operating modes when the system was operated at a full load. The Q1 implemented was a VS-FC420SA10 MOSFET, and the Q2 implemented was a VS-GP250SA60S IGBT. The diode implemented was a VS-QA300FA17. The power formulae for the power switch conduction loss are shown as follows:
where , , and are the power loss values of the MOSFET, IGBT, and diode, respectively.
The power consumption analysis included the power loss values of the diode, MOSFET, and IGBT at the maximum operating power of 10 kW output in different operating modes. For example, when the hybrid system was operated in mode 1 (see Section 2.1), the power consumption of diode D1 was computed as 131 W with a fuel cell voltage of 46 V during 10 kW operation. The power loss of switch Q1 was determined using the VS-FC420SA10 datasheet, indicating an RDS(ON) value of 1.7 mΩ at 70 °C, resulting in the power loss of 61.44 W, as calculated using Equation (6). The power loss of switch Q2 was determined using the VS-GP250SA60 datasheet, revealing a VCE value of 0.85 V at 125 °C with a 1 C charging current (34 A), resulting in the power loss of 28.9 W, as calculated using Equation (7). The total power consumption for the proposed system was 242.51 W (excluding copper loss). The efficiency of the proposed system operating in mode 1 at 10 kW was calculated to be 97.57%.
However, the measured efficiency was 95.12% when the system operated in mode 1 at 10 kW. The calculated efficiency of 97.57% is higher than the measured value, primarily due to the omission of wire loss in the initial calculation. Similarly, the efficiency of the hybrid system operating in modes 2, 3, and 4 was calculated, and the results are presented in Table 3. From the full-load efficiency calculation, it can be observed that the efficiency increases by at least 5.36% when using different operating modes. The calculation of 5.36% involves comparing the highest efficiency of the traditional architecture with the lowest efficiency of the proposed architecture under various operating modes. This represents a conservative estimate, as the efficiency difference over extended operation in different modes may exceed 5.36%.
Table 3.
Efficiency of the proposed hybrid system.
5. Conclusions
The design and implementation of a 10 kW fuel cell–battery hybrid system without DC/DC converters are reported; the system’s performance was measured with experiments. The average charging method of the hybrid system was implemented using an MCU, and the accuracy was verified. The hybrid system proposed in this paper operates with no DC/DC converters, and both the fuel cell and the Li-ion battery can correctly complete the conversion of the working mode and supply power to the load. When an abnormality is detected, the system immediately turns off all switches to ensure the safety of the system equipment.
The optimal system efficiency of the proposed system is 98.27%, and this result is better than that of the traditional hybrid system with regulated DC/DC converters. The error of the desired charging current obtained with the average charging method is 5%. Hybrid power system equipment must be small in size and highly efficient. From the full-load efficiency calculation, it can be observed that the efficiency increases by at least 5.36% when using different operating modes. The proposed fuel cell–battery hybrid system with the average charging method is more suitable for applications requiring high efficiency, a low cost, and compactness than traditional systems.
Author Contributions
Conceptualization, Y.-K.C.; Methodology, Y.-K.C.; Validation, C.-E.H., C.-J.H., C.-H.L. and Y.-T.S.; Investigation, M.-M.W.; Data curation, M.-M.W.; Writing—original draft, Y.-K.C. All authors have read and agreed to the published version of the manuscript.
Funding
This research received no external funding.
Data Availability Statement
Data are contained within the article.
Conflicts of Interest
Author Min-Min Wu was employed by the company Fego Precision Industrial Co., Ltd. Authors Che-Jung Hsu, Cheng-Huei Lin and Yen-Teh Shih were employed by the company Chung Hsin Electric & Machinery Manufacturing Corp. The remaining authors declare that the research was conducted in the absence of any commercial or financial relationships that could be construed as a potential conflict of interest.
References
- Xiong, H.; Liu, H.; Zhang, R.; Yu, L.; Zong, Z.; Zhang, M.; Li, Z. An energy matching method for battery electric vehicle and hydrogen fuel cell vehicle based on source energy consumption rate. J. Hydrogen Energy 2019, 44, 29733–29742. [Google Scholar] [CrossRef]
- Shang, Z.; Hossain, M.M.; Wycisk, R.; Pintauro, P.N. Poly(phenylene sulfonic acid)-expanded polytetrafluoroethylene composite membrane for low relative humidity operation in hydrogen fuel cells. J. Power Source 2022, 535, 231375. [Google Scholar] [CrossRef]
- Yildiz, A.; Özel, M.A. A comparative study of energy consumption and recovery of autonomous fuel-cell hydrogen–electric vehicles using different powertrains based on regenerative braking and electronic stability control system. Appl. Sci. 2021, 11, 2515. [Google Scholar] [CrossRef]
- Jarvis, L.P.; Cygan, P.J.; Roberts, M.P. Fuel cell/lithium-ion battery hybrid for manportable applications. In Proceedings of the Seventeenth Annual Battery Conference on Applications and Advances, Long Beach, CA, USA, 18 January 2002; pp. 69–72. [Google Scholar]
- Magno, M.; Benini, L.; Giuffrida, R.; Leonardi, S.; Brunelli, D. A portable hybrid hydrogen fuel cell-battery power unit for wireless sensor network. In Proceedings of the 2014 International Symposium on Power Electronics, Electrical Drives, Automation and Motion, Ischia, Italy, 18–20 June 2014; pp. 173–178. [Google Scholar]
- Mogorosi, K.; Oladiran, M.; Rakgati, E. Mathematical Modelling and Experimental Investigation of a Low Temperature Proton Exchange Membrane Fuel Cell. Energy Power Eng. 2020, 12, 653–670. [Google Scholar] [CrossRef]
- Bauman, J.; Kazerani, M. A Comparative Study of Fuel-Cell–Battery, Fuel-Cell–Ultracapacitor, and Fuel-Cell–Battery–Ultracapacitor Vehicles. IEEE Trans. Veh. Technol. 2008, 57, 760–769. [Google Scholar] [CrossRef]
- Tao, F.; Zhu, L.; Fu, Z.; Si, P.; Sun, L. Frequency Decoupling-Based Energy Management Strategy for Fuel Cell/Battery/Ultracapacitor Hybrid Vehicle Using Fuzzy Control Method. IEEE Access 2020, 8, 166491–166502. [Google Scholar] [CrossRef]
- Garcia, P.; Fernandez, L.M.; Garcia, C.A.; Jurado, F. Energy Management System of Fuel-Cell-Battery Hybrid Tramway. IEEE Trans. Ind. Electron. 2010, 57, 4013–4023. [Google Scholar] [CrossRef]
- Tran, V.-L.; Tran, N.-T.; Yu, S.-H.; Park, Y.; Choi, W. Design of a Nonisolated Fuel Cell Boost Charger for Lithium Polymer Batteries with a Low Output Ripple. IEEE Trans. Energy Convers. 2015, 30, 605–614. [Google Scholar] [CrossRef]
- Yuan, H.-H.-B.; Zou, W.-J.; Jung, S.; Kim, Y.-B. A Real-Time Rule-Based Energy Management Strategy with Multi-Objective Optimization for a Fuel Cell Hybrid Electric Vehicle. IEEE Access 2022, 10, 102618–102628. [Google Scholar] [CrossRef]
Disclaimer/Publisher’s Note: The statements, opinions and data contained in all publications are solely those of the individual author(s) and contributor(s) and not of MDPI and/or the editor(s). MDPI and/or the editor(s) disclaim responsibility for any injury to people or property resulting from any ideas, methods, instructions or products referred to in the content. |
© 2024 by the authors. Licensee MDPI, Basel, Switzerland. This article is an open access article distributed under the terms and conditions of the Creative Commons Attribution (CC BY) license (https://creativecommons.org/licenses/by/4.0/).