Study on Variable Stress Corrosion Susceptibility of Four Typical High-Strength Sucker Rods in High-Salinity Well Fluids
Abstract
:1. Introduction
2. Experimental Design
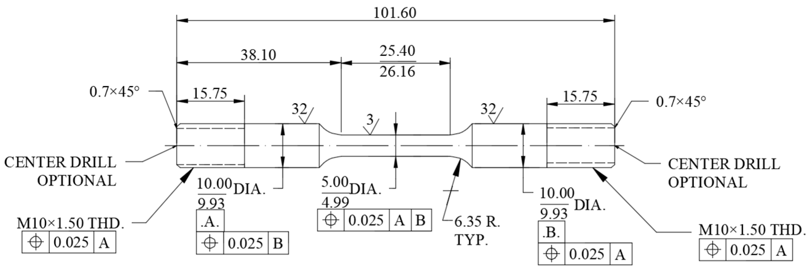
2.1. Experimental Equipment and Materials
2.2. Evaluation Method for Stress Corrosion Test of the Sucker Rods
2.3. Design of the Corrosive Medium Concentration
3. Analysis of Experimental Results
3.1. Corrosion Analysis
3.2. Tensile Test Results
3.3. Stress Corrosion Sensitivity Analysis
4. Conclusions
- (1)
- The stress corrosion resistance of a sucker rod is not necessarily related to the tensile strength of the sucker rod. The elongation loss and absorbed work loss of the grade H ultra-high-strength 4330 sucker rod after stress corrosion in the Cl− and HCO3− solution are greater than those of the grade D high-strength 4142 and 20CrMoA sucker rods, so the stress corrosion resistance of the grade H ultra-high-strength sucker rod is not necessarily superior to that of the grade D high-strength sucker rod.
- (2)
- The class H ultra-high-strength 4330 sucker rod is not suitable for high-Cl−-concentration well conditions, but it is suitable for operation under alkaline conditions with the coexistence of corrosive media such as HCO3− and Cl−. Under the condition of high salinity with strong corrosivity, the stress corrosion cracking susceptibility of the 30CrMoA rod is lower, so it is more stable. For the grade D high-strength sucker rods, the 20CrMoA rod is less susceptible to stress corrosion than the 4142 rod, and the 20CrMoA rod is more stable.
- (3)
- In high-salinity well fluid, with an increase in use strength, the stress corrosion cracking susceptibility of high-strength sucker rods increases. Among them, the grade D high-strength 4142 and 20CrMoA sucker rods are more affected by stress corrosion when the service strength is greater than 75% σb.
- (4)
- The test results described by the weight-loss-based corrosion rate and plastic loss may be contradictory to the determination of the corrosion susceptibility of the material under working conditions.
Author Contributions
Funding
Data Availability Statement
Acknowledgments
Conflicts of Interest
References
- Zhang, J.J. Analysis and Research on the Factors Influencing the Breaking of Sucker Rods in Ultra-Deep Wells in Tahe Oilfield. Master’s Thesis, Southwest Petroleum University, Chengdu, China, 2016. [Google Scholar]
- Wang, S.L.; Zheng, Z.Y. Domestic and Foreign Application of the Super-Strength Sucker Rod. Oil Field Equip. 2008, 4, 24–27. [Google Scholar]
- Wang, Y.H. Application of HY grade ultra high strength sucker rod in Wennan Oilfield. Energy Conserv. Pet. Petrochem. Ind. 2019, 9, 63–65. [Google Scholar]
- Liang, H.; Li, X.M. Analysis on failure mechanism of sucker rod pumping system. Mater. Res. Appl. 2014, 1219, 1–3. [Google Scholar] [CrossRef]
- Wang, L.; Tian, Y.; Yu, X.Y.; Wang, C.; Yao, B.W.; Wang, S.H.; Philip, H.W.; Wang, X.; Yang, Z.Z.; Wang, Y.H.; et al. Advances in improved/enhanced oil recovery technologies for tight and shale reservoirs. Fuel 2017, 210, 425–435. [Google Scholar] [CrossRef]
- Fan, S.; Liang, Y.; Wang, L.Y.; Lei, Y.; Shi, H.X. Allowable Stress Calculation and Fatigue Life Prediction for H-Class Sucker Rods. Pet. Drill. Tech. 2017, 45, 88–92. [Google Scholar]
- He, Y.J. Corrosion Fatigue Behavior of High Strength Sucker Rod in High Water Conditions. Master’s Thesis, China University of Petroleum (East China), Qingdao, China, 2017. [Google Scholar]
- Li, Y. The Research with Corrosion Resistance to Stress of Sucker Rod in High Water Conditions. Master’s Thesis, China University of Petroleum (East China), Qingdao, China, 2014. [Google Scholar]
- Wang, Z.Q.; Huang, X.G.; Guo, Y.S.; Pei, Z.H. Corrosion Behavior of Super High Strength Steel FG20 in High-Sulfur Oilfield Water with Different pH Values. Mater. Mech. Eng. 2020, 44, 42–46. [Google Scholar]
- Yao, X.F.; Tian, W.; Xie, F.Q. Corrosion Behavior of Super 13Cr Tubing Steel in Cl− Solution and Electrochemical Characteristics of Corrosion Film on Its Surface. Mater. Mech. Eng. 2019, 43, 12–16. [Google Scholar]
- SY/T 5029-2006; Sucker Rods. Industry Standard-Petroleum. Yumen Oilfield Branch Machinery Factory: Jiuquan, China, 2007.
- Dong, Z.D.; Tong, Z.; Zhou, H.Y.; Wang, H.M.; Zheng, W.Y.; Sun, X.R.; Ding, H. Service Failure of Sucker Rods and Development of Sucker Rod Steels: A Review. Mater. Rev. 2021, 35, 19161–19169. [Google Scholar]
- Li, D.J.; Wang, W.; Pang, B.; Lin, W.; Li, W.Z.; Ji, L.; Feng, Y.R. Influence factors on corrosion fatigue life of sucker rods used in coalbed methane well. Trans. Mater. Heat Treat. 2017, 38, 121–127. [Google Scholar]
- Yang, H.; Zhong, W.H.; Liu, Q.; Ma, T.W.; Shang, Z.X. Cause analysis and integrated prevention for breakage & drop out of the sucker rod string. Petrochem. Ind. Technol. 2015, 22, 155. [Google Scholar]
- Li, D.G.; Fen, Y.R.; Bai, Z.Q.; Zhu, J.W.; Zheng, M.S. Influence of temperature, chloride ions, and chromium element on the electronic property of passive film formed on carbon steel in bicarbonate/carbonate buffer solution. Electrochim. Acta 2007, 52, 7877–7884. [Google Scholar] [CrossRef]
- Han, Z.Y.; Huang, X.G. Investigations on corrosion behaviors of super-strength sucker rod FG20 steel in high SO42− environment. J. Mater. Res. Technol. 2019, 8, 788–794. [Google Scholar]
- Hao, L.L. Analysis of the Failure of Sucker Rods and Research on Its Residual Life. Master’s Thesis, Daqing Petroleum Institute, Daqing, China, 2008. [Google Scholar]
- Lin, H.; Xu, J.; Fan, B.T.; Zhang, Y.C.; Wang, G.P.; Huo, H.B.; Yin, Q.S. Mechanical Properties of L80 Steel in CO2/H2S Environment. Surf. Technol. 2016, 45, 91–96. [Google Scholar]
- Tian, G.; Yi, Y.G.; Han, X.; Cai, L.L.; Yu, H.Y.; Zeng, D.Z. Corrosion Law and Corrosion Prediction of Sucker Rod in CO2 Composite Steam Flooding Production Well. Corros. Prot. 2021, 42, 21–26. [Google Scholar]
- Yuan, W.; Huang, F.; Zhao, X.Y.; Fan, L.X.; Liu, J. Sulfide Stress Corrosion Susceptibility and Hydrogen Trapping Efficiency of the Welded Joint of X70 MS Pipeline Steel. Surf. Technol. 2020, 49, 34–44. [Google Scholar]
- Zhang, J.; Li, L.T.; Huang, Z.J. Strain Corrosion Sensibility of Duplex Stainless Steel in Environment with Low H2S and High CO2 Pressure. Surf. Technol. 2016, 45, 96–101. [Google Scholar]
- Zhao, J.; Xie, F.; Gong, K.; Wang, D.; Wang, X.F.; Zhang, M.L.; Wang, Y. Stress Corrosion Cracking Behavior of X70 Pipeline Steel Under the Action of Sulfate Reducing Bacteria. Surf. Technol. 2017, 46, 108–114. [Google Scholar]
- Song, D.D.; Jia, Y.J.; Tu, X.H.; Li, W. Effect of Cl− on Stress Corrosion of Cold Deformed 316L Austenitic Stainless Steel in H2S Environment. Surf. Technol. 2020, 49, 23–27. [Google Scholar]
- Song, C.L.; Li, Y.P.; Wu, F.; Luo, J.H.; Li, L.F.; Li, G.S. Failure Analysis of the Crack and Leakage of a Crude Oil Pipeline under CO2-Steam Flooding. Processes 2023, 11, 1567. [Google Scholar] [CrossRef]
- Chang, Z.L.; Yue, X.Q.; Li, Y.; Zhang, L.; Geng, H.L.; Lu, M.X. Stress Corrosion Cracking Sensitivity of Super 13Cr Tubing in Different Completion Fluid Environments. Corros. Prot. 2018, 39, 549–554. [Google Scholar]
- Landim, R.V.; Castro, J.T.P.D.; Altoé, G.; Meggiolaro, M.A.; Velasco, J.A.C. Notch sensitivity and short crack tolerance in a super 13Cr stainless steel under sulfide stress corrosion cracking conditions. Corros. Rev. 2022, 41, 0010. [Google Scholar] [CrossRef]
- Santos, E.A.; Giorgetti, V.; Souza Junior, C.A.; Marcomini, J.B.; Sordi, V.L.; Rovere, C.A. Stress corrosion cracking and corrosion fatigue analysis of API X70 steel exposed to a circulating ethanol environment. Int. J. Press. Vessel. Pip. 2022, 200, 104846. [Google Scholar] [CrossRef]
- Zhong, Y.P.; Zhou, C.; Chen, S.Y.; Wang, R.Y. Effects of temperature and pressure on stress corrosion cracking behavior of 310S stainless steel in chloride solution. Chin. J. Mech. Eng. 2017, 30, 200–206. [Google Scholar] [CrossRef]
- Ghosh, R.; Venugopal, A.; Narayanan, P.R.; Sharma, S.C.; Venkitakrishnan, P.V. Environmentally assisted cracking resistance of Al–Cu–Li alloy AA2195 using slow strain rate test in 3.5% NaCl solution. Trans. Nonferrous Met. Soc. China 2017, 27, 241–249. [Google Scholar] [CrossRef]
- Gumerov, A.K.; Gumerov, A.K.; Khasanova, A.R. Stress corrosion cracking in pipelines. Conf. Ser. Mater. Sci. Eng. 2020, 952, 012046. [Google Scholar] [CrossRef]
- Fu, A.Q.; Long, Y.; Liu, H.T.; Zhao, M.F.; Xie, J.F.; Su, H.; Li, X.P.; Yuan, J.T.; Lei, X.W.; Yin, C.X.; et al. Stress corrosion cracking behavior of super 13Cr tubing in phosphate packer fluid of high-pressure high-temperature gas well. Eng. Fail. Anal. 2022, 139, 106478. [Google Scholar] [CrossRef]
- Park, S.; Kim, J.G.; Seol, J.B.; Sung, H. Ultrastrong and stress corrosion cracking-resistant martensitic steels. Acta Mater. 2022, 239, 118291. [Google Scholar] [CrossRef]
- Jaewoong, P.; Sung, K.J. Real-time monitoring of stress corrosion cracking in 304 L stainless steel pipe using acoustic emission. J. Nucl. Mater. 2022, 571, 154009. [Google Scholar]
- Van der Merwe, J.W.; du Toit, M.; Klenam, D.E.; Bodunrin, M.O. Prediction of stress-corrosion cracking using electrochemical noise measurements: A case study of carbon steels exposed to H2O-CO-CO2 environment. Eng. Fail. Anal. 2023, 144, 106948. [Google Scholar] [CrossRef]
- Stechyshyn, M.S.; Skyba, M.Y.; Stechyshyna, N.M.; Martynyuk, A.V. Stress–Corrosion Wear of Nitrided Steels in Acid Media. Mater. Sci. 2022, 58, 274–280. [Google Scholar] [CrossRef]
- Merson, E.D.; Poluyanov, V.A.; Myagkikh, P.N.; Merson, D.L.; Vinogradov, A. Kinetics, stages and fracture modes of stress-corrosion cracking in ZK60 and AZ31 alloys. Mater. Lett. 2023, 334, 133702. [Google Scholar] [CrossRef]
- Fujii, T.; Sawada, T.; Shimamura, Y. Nucleation of stress corrosion cracking in aluminum alloy 6061 in sodium chloride solution: Mechanical and microstructural aspects. J. Alloys Compd. 2023, 938, 168583. [Google Scholar] [CrossRef]
- Ren, S.; Wang, X.; Young, D.; Mohamed-Said, M.; Santos, B.; He, Y.; Singer, M. Impact of residual cementite on inhibition of CO2 corrosion of mild steel. Corros. Sci. 2023, 222, 111382. [Google Scholar] [CrossRef]
- Zhao, X.H.; Liu, J.L.; Yao, B.S.; Li, C.; Xia, X.; Fu, A.Q. Corrosion Behavior of Tubing in High-Salinity Formation Water Environment Containing H2S/CO2 in Yingzhong Block. Coatings 2023, 13, 1342. [Google Scholar] [CrossRef]
- Ahuir-Torres, J.I.; Kotadia, H.R.; Öpoz, T.T.; Sharp, M.C. A Study on the Corrosion Behaviour of Laser Textured Pure Aluminium in Saltwater. Processes 2023, 11, 721. [Google Scholar] [CrossRef]
- Ma, F.P.; Zeng, Q.; Lu, X.Y.; Wu, T.; Lu, X.; Zhang, T.Y.; Feng, X.G. Electrochemical Study of Stainless Steel Anchor Bolt Corrosion Initiation in Corrosive Underground Water. Processes 2021, 9, 1553. [Google Scholar] [CrossRef]
- Sun, D.X.; Li, L.; Wang, D.N.; Ren, S.; Xie, F.; Wu, M. Numerical study on stress corrosion of X70 pipeline with the combined action of pits by sulfate-reducing bacteria and constant load. Mater. Des. 2023, 228, 111832. [Google Scholar] [CrossRef]
- NACE TM0177-2016; Standard Test Method: Laboratory Testing of Metals for Resistance to Sulfide Stress Cracking and Stress Corrosion Cracking in H2S Environments. NACE International: Houston, TX, USA, 2005.
- ISO 6892-1:2019; Metallic Materials—Tensile Testing—Part 1: Method of Test at Room Temperature. General Administration of Quality Supervision, Inspection and Quarantine of the People’s Republic of China, Standardization Administration of the People’s Republic of China: Beijing, China, 2011.


















| Sample Material | Diameter/mm | Tensile Strength (σb)/MPa |
|---|---|---|
| 4330 | 4.961 | 1007 |
| 30CrMoA | 4.957 | 1055 |
| 20CrMoA | 4.903 | 850 |
| 4142 | 4.957 | 892 |
| No. | ρ(Cl−) (mg/L) | ρ(HCO3−) (mg/L) |
|---|---|---|
| 1 | 5000 | 0 |
| 2 | 10,000 | 0 |
| 3 | 15,000 | 0 |
| 4 | 20,000 | 0 |
| 5 | 25,000 | 0 |
| 6 | 15,000 | 200 |
| 7 | 15,000 | 400 |
| 8 | 15,000 | 600 |
| 9 | 15,000 | 800 |
| 10 | 15,000 | 1000 |
| Test Number | ρ(Cl−)/mg/L | ρ(HCO3−)/mg/L | 4330 | 30CrMoA | 4142 | 20CrMoA | ||||
|---|---|---|---|---|---|---|---|---|---|---|
| Elongation Loss/% | Absorbed Work Loss/% | Elongation Loss/% | Absorbed Work Loss/% | Elongation Loss/% | Absorbed Work Loss/% | Elongation Loss/% | Absorbed Work Loss/% | |||
| 1 | 5000 | 0 | 13.88 | 19.40 | 7.49 | 8.21 | 0.15 | 2.27 | 10.89 | 11.04 |
| 2 | 10,000 | 0 | 14.08 | 20.36 | 9.09 | 11.31 | 4.05 | 5.71 | 6.83 | 3.45 |
| 3 | 15,000 | 0 | 25.65 | 32.02 | 7.99 | 10.95 | 6.27 | 8.78 | 8.38 | 8.92 |
| 4 | 20,000 | 0 | 41.51 | 47.98 | 13.38 | 16.79 | 9.63 | 11.04 | 5.30 | 3.75 |
| 5 | 25,000 | 0 | 45.90 | 53.21 | 15.47 | 17.50 | 38.73 | 41.97 | 3.91 | 4.58 |
| 6 | 15,000 | 200 | 47.54 | 34.95 | 18.00 | 12.32 | 3.47 | 6.18 | 6.43 | 3.33 |
| 7 | 15,000 | 400 | 35.60 | 24.00 | 15.42 | 10.84 | 7.39 | 9.58 | 3.74 | 2.21 |
| 8 | 15,000 | 600 | 2.25 | 1.37 | 12.34 | 10.00 | 46.20 | 54.73 | 8.00 | 8.63 |
| 9 | 15,000 | 800 | 1.75 | 1.05 | 11.85 | 8.53 | 1.37 | 1.59 | 5.60 | 7.53 |
| 10 | 15,000 | 1000 | 1.02 | 3.05 | 7.66 | 7.68 | 14.64 | 17.83 | 9.15 | 9.64 |
Disclaimer/Publisher’s Note: The statements, opinions and data contained in all publications are solely those of the individual author(s) and contributor(s) and not of MDPI and/or the editor(s). MDPI and/or the editor(s) disclaim responsibility for any injury to people or property resulting from any ideas, methods, instructions or products referred to in the content. |
© 2023 by the authors. Licensee MDPI, Basel, Switzerland. This article is an open access article distributed under the terms and conditions of the Creative Commons Attribution (CC BY) license (https://creativecommons.org/licenses/by/4.0/).
Share and Cite
Zhang, F.; Li, J.; Zhu, H.; Jing, C.; Wang, B.; Qi, Y. Study on Variable Stress Corrosion Susceptibility of Four Typical High-Strength Sucker Rods in High-Salinity Well Fluids. Processes 2023, 11, 2762. https://doi.org/10.3390/pr11092762
Zhang F, Li J, Zhu H, Jing C, Wang B, Qi Y. Study on Variable Stress Corrosion Susceptibility of Four Typical High-Strength Sucker Rods in High-Salinity Well Fluids. Processes. 2023; 11(9):2762. https://doi.org/10.3390/pr11092762
Chicago/Turabian StyleZhang, Fenna, Jia Li, Hongying Zhu, Chuankai Jing, Bin Wang, and Yaoguang Qi. 2023. "Study on Variable Stress Corrosion Susceptibility of Four Typical High-Strength Sucker Rods in High-Salinity Well Fluids" Processes 11, no. 9: 2762. https://doi.org/10.3390/pr11092762
APA StyleZhang, F., Li, J., Zhu, H., Jing, C., Wang, B., & Qi, Y. (2023). Study on Variable Stress Corrosion Susceptibility of Four Typical High-Strength Sucker Rods in High-Salinity Well Fluids. Processes, 11(9), 2762. https://doi.org/10.3390/pr11092762
