An Electro-Hydraulic-Load-Sensitive System on the Basis of Torque Open-Loop Control
Abstract
:1. Introduction
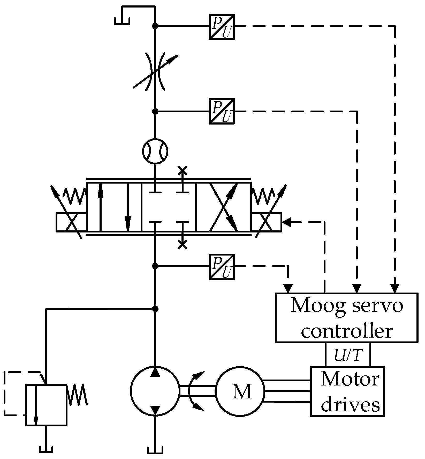
2. System Operation Principle
3. System Characterization
3.1. Operating Characteristics
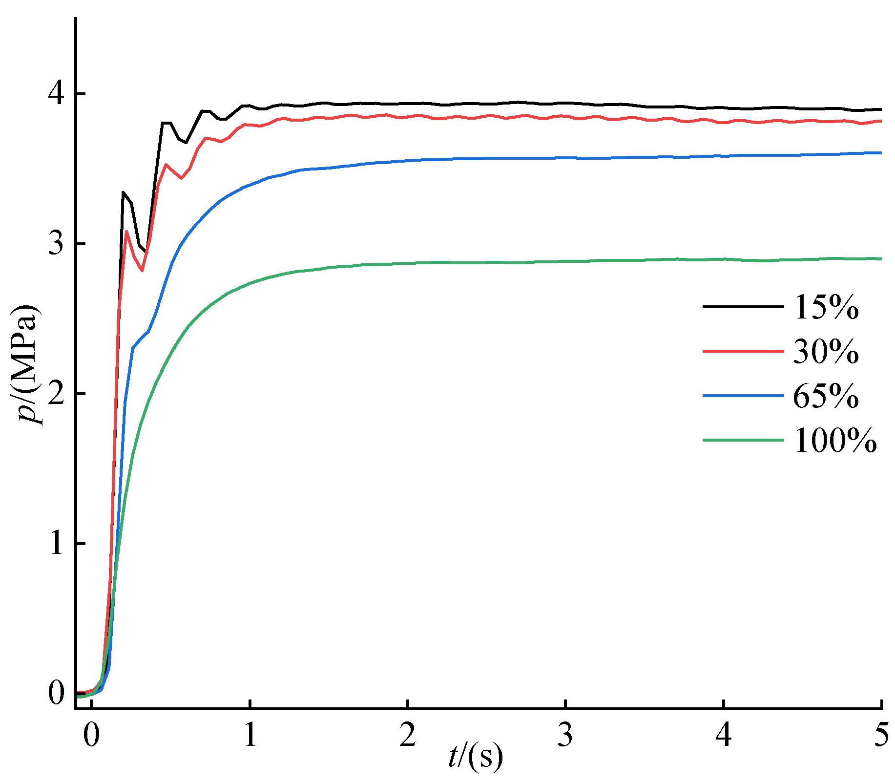
3.1.1. System Flow Characteristics
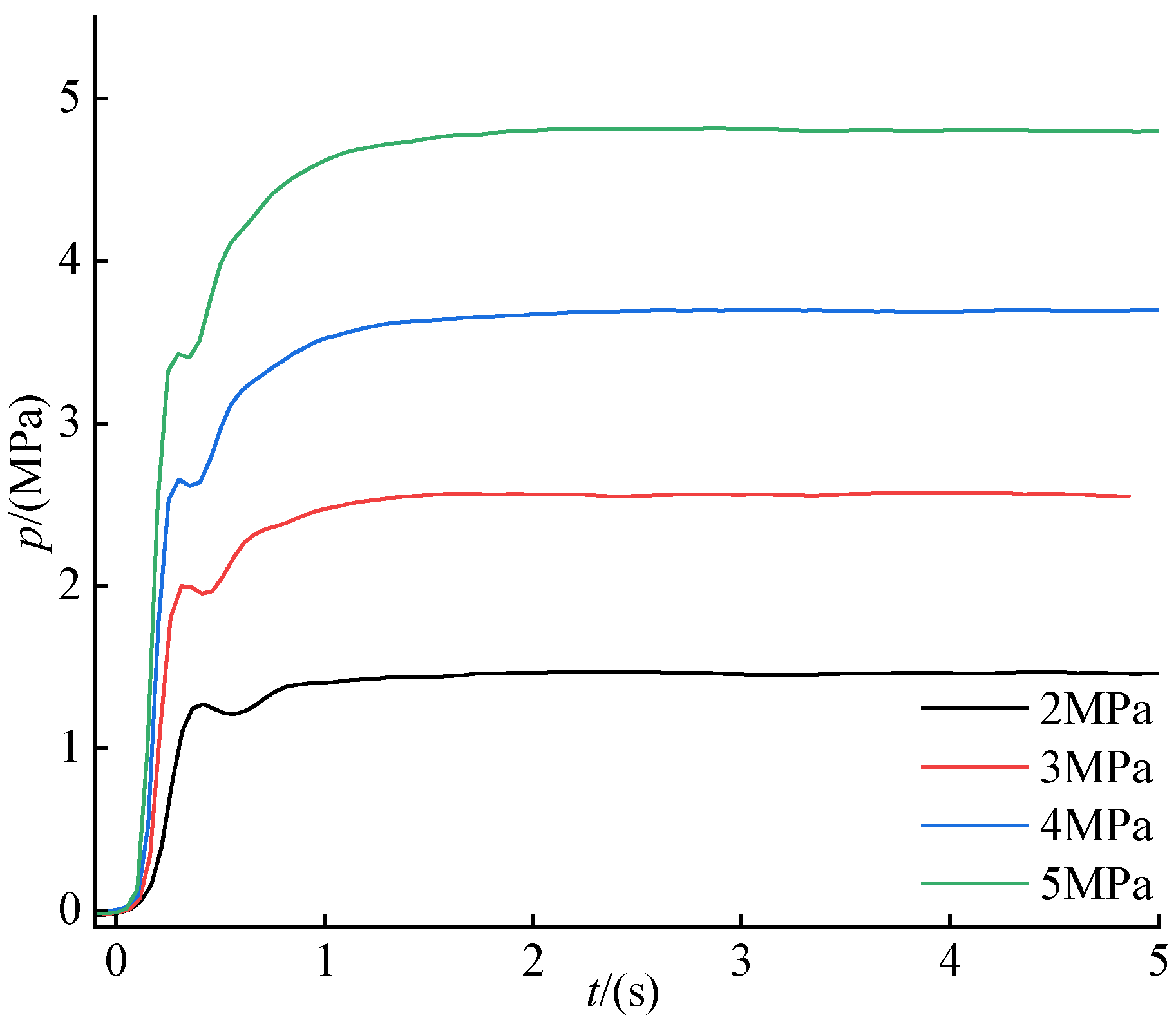
3.1.2. Pressure Control Characteristics of the System
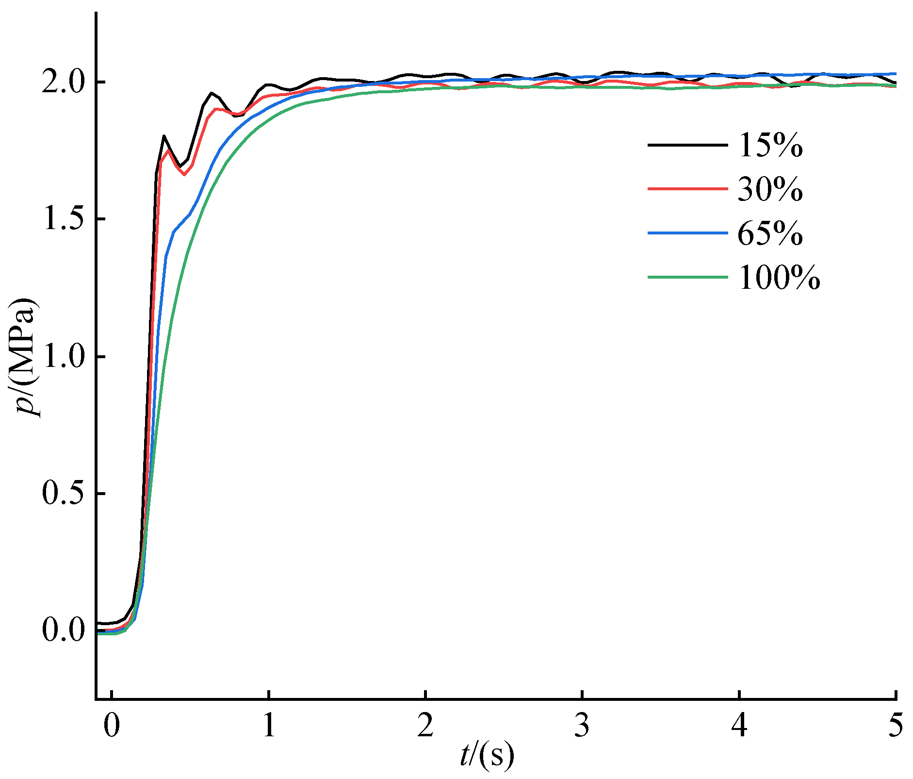
3.2. System Characteristics of Energy Consumption
4. Control Strategy
5. Simulation Modeling
5.1. Construction of Simulation Model
5.2. Simulation Analysis
6. Experimental Research
6.1. Test Platform
6.2. Experimental Analysis
6.3. Experimental Verification
7. Conclusions
- The suggested system controls the output pressure of the hydraulic pump in an open loop by directly controlling the torque of the servo motor. The system has a simple structure, can basically achieve stable pressure margin control, and has good load sensitivity characteristics. Under a wide range of various flow conditions, the response rise time of the system pressure margin is within 0.7 s. However, when the system pressure is small or the load flow is small, there will be certain pressure fluctuations.
- The proposed system can realize variable pressure margin control according to the current signal of the proportional directional valve. The real pressure margin of the system can change linearly in response to the control command during the control procedure, and the load flow changes smoothly, while taking into account the energy usage in low-flow situations and the response requirements in high-flow situations.
- The deviation in system pressure control increases with hydraulic pump speed or with a reduction in the pressure differential between intake and output. By adopting the torque compensation method based on off-line data and speed prediction, the deviation of system pressure margin can be controlled within 2%.
Author Contributions
Funding
Institutional Review Board Statement
Informed Consent Statement
Data Availability Statement
Conflicts of Interest
References
- Lin, T.; Lin, Y.; Ren, H.; Chen, H.; Li, Z.; Chen, Q. A Double Variable Control Load Sensing System for Electric Hydraulic Excavator. Energy 2021, 223, 119999. [Google Scholar] [CrossRef]
- Zhao, X.; Zhao, D.; Wang, J.; Chen, X.; Yang, H.; Tang, H. Suppression of Unloading Pressure Shock in Load Sensitive System of Constant Displacement Pump. Trans. Chin. Soc. Agric. Mach. 2020, 51, 407–417. [Google Scholar]
- Chen, Q.; Cai, S.; Li, X.; Lin, T. Power Train System Control of Electric Loader Based on Positive Flow System. Appl. Sci. 2022, 12, 6032. [Google Scholar] [CrossRef]
- Li, R.; Sun, Q.; Ding, X.; Zhang, Y.; Yuan, W.; Wu, T. Review of Flow-Matching Technology for Hydraulic Systems. Processes 2022, 10, 2482. [Google Scholar] [CrossRef]
- Banaszek, A. Methodology of Flow Rate Assessment of Submerged Hydraulic Ballast Pumps on Modern Product and Chemical Tankers with Use of Neural Network Methods. Procedia Comput. Sci. 2021, 192, 1894–1903. [Google Scholar] [CrossRef]
- Banaszek, A.; Urbanski, T. The Flow Calculation Algorithm of Submerged Hydraulic Cargo Pumps Working with Reduced Pump Speed on Modern Product and Chemical Tankers. Procedia Comput. Sci. 2020, 176, 2868–2877. [Google Scholar] [CrossRef]
- Xia, X.; Hou, L.; Wang, S. Modeling and Analysis on Energy Consumption of Loader’ s Variable-displacement Hydraulic System. Mech. Des. 2022, 39, 19–25. [Google Scholar]
- Elaoud, A.; Chehaidbi, S.; Ben, A.; Hajtaieb, E. Flow Model of Pure Water in a Pipeline. Int. Rev. Mech. Eng. 2013, 7, 224–230. [Google Scholar]
- Kwon, Y.C.; Lee, K.S.; Kim, S.H.; Koo, B.K. Development of the HPM System to Improve Efficiency of the Hydraulic Excavator. J. Drive Control 2019, 16, 1–8. [Google Scholar]
- Ding, X.; Jing, L.; Li, G. Energy Efficiency of Electro-hydraulic Load Sensing Independent Metering Multi-mode Switching Control System. Trans. Chin. Soc. Agric. Mach. 2021, 52, 433–442. [Google Scholar]
- Wu, J.; Wang, F.; Xu, B.; Sun, Z. Characteristics Study of Electro-hydraulic Load-sensing Control System for Mobile Machines. Proc. Inst. Mech. Eng. Part D J. Automob. Eng. 2022, 237, 09544070221105386. [Google Scholar] [CrossRef]
- Jiao, Z.; Li, Z.; Shang, Y.; Wu, S.; Song, Z.; Pan, Q. Active Load Sensitive Electro-hydrostatic Actuator on More Electric Aircraft: Concept, Design, and Control. IEEE Trans. Ind. Electron. 2021, 69, 5030–5040. [Google Scholar] [CrossRef]
- Xu, B.; Ding, X.; Zhang, J. Experimental Research on Individual Metering System of Mobile Machinery Based on Coordinate Control of Pump and Valves. J. Zhejiang Univ. Eng. Sci. 2015, 49, 93–101. [Google Scholar]
- Yang, H.; Liu, W.; Xu, B.; Zhu, X. Characteristics Analysis of Electro-hydraulic Flow Matching Control System of Excavator. J. Mech. Eng. 2012, 48, 156–163. [Google Scholar] [CrossRef]
- Cheng, M.; Yu, J.; Ding, X.; Cai, L. Electrohydraulic Load Sensing System via Compound Control of Flow Feedforward and Pressure Feedback. J. Mech. Eng. 2018, 54, 262–270. [Google Scholar] [CrossRef]
- Ge, L.; Yang, F.; Quan, L.; Zhang, H.; Yan, Z. Pressure Controlling Performance of Constant Displacement Electro-hydraulic Power Source Based on Direct Torque Control. J. Mech. Eng. 2022, 58, 453–460. [Google Scholar]
- Lin, T.; Lin, Y.; Ren, H.; Chen, H.; Chen, Q.; Li, Z. Development and Key Technologies of Pure Electric Construction Machinery. Renew. Sustain. Energy Rev. 2020, 132, 110080. [Google Scholar] [CrossRef]
- Huang, X.; Huang, Q.; Cao, H.; Wang, Q.; Yan, W.; Cao, L. Battery Capacity Selection for Electric Construction Machinery Considering Variable Operating Conditions and Multiple Interest Claims. Energy 2023, 275, 127454. [Google Scholar] [CrossRef]
- Liu, H.; Zhang, X.; Quan, L.; Zhang, H. Research on Energy Consumption of Injection Molding Machine Driven by Five Different Types of Electro-hydraulic Power Units. J. Clean. Prod. 2020, 242, 118355. [Google Scholar] [CrossRef]
- Mu, H.; Luo, Y.; Luo, Y.; Chen, L. Simulation Study on Variable Pressure Margin Energy Recovery of Electric Loader Actuator. Electronics 2022, 11, 4215. [Google Scholar] [CrossRef]
- Wang, B.; Hao, Y.; Quan, L.; Wang, X.; Ge, L.; Zhao, B. Research on Characteristics of Electro-hydraulic Servo System by Sub-chamber Independent Variable-speed Pumps Control. J. Mech. Eng. 2020, 56, 235–243. [Google Scholar]
- Li, Z.; Lin, Y.; Chen, Q.; Wu, K.; Lin, T.; Ren, H.; Gong, W. Control Strategy of Speed Segmented Variable Constant Power Powertrain of Electric Construction Machinery. Appl. Sci. 2022, 12, 9734. [Google Scholar] [CrossRef]
- Qu, S.; Fassbender, D.; Vacca, A.; Busquets, E. A High-efficient Solution for Electro-hydraulic Actuators with Energy Regeneration Capability. Energy 2021, 216, 119291. [Google Scholar] [CrossRef]
- Yuan, D.; Yu, C.; Wang, F.; He, J.; Ai, C. Variable Speed Electro-hydraulic Flow Matching Control of Truck Crane. Mech. Electr. Eng. 2022, 39, 1168–1174. [Google Scholar]
- Liang, T.; Zhang, X.; Quan, L.; Zhao, E. Characteristics of Pump and Valve Dual-source Collaborative Drive Multi-actuator System. J. Xi’an Jiaotong Univ. 2022, 56, 1–11. [Google Scholar]
- Guo, T.; Wu, B.; Lin, T.; Chen, H.; Chen, Q. Closed-Circuit Pump-Controlled Electro-Hydraulic Steering System for Pure Electric Wheel Loader. Appl. Sci. 2022, 12, 5740. [Google Scholar] [CrossRef]
- Fu, S.; Wang, L.; Lin, T. Control of Electric Drive Powertrain Based on Variable Speed Control in Construction Machinery. Autom. Constr. 2020, 119, 103281. [Google Scholar] [CrossRef]
- Li, Z.; Yue, L.; Yang, J. Research on the Control of Variable Speed Load Sensitive Import and Export Independent Control System. J. Beijing Univ. Aeronaut. Astronaut. 2022, 48, 1–18. [Google Scholar]
- Liu, H.; Wang, C.; Guo, X.; Zhao, B.; Huo, P. Active Disturbance Rejection Control Method for Position Servo System Based on Electro-hydraulic Load Sensing. J. Beijing Univ. Aeronaut. Astronaut. 2020, 46, 2131–2139. [Google Scholar]
- Cheng, M.; Zhang, J.; Xu, B.; Ding, R. An Electrohydraulic Load Sensing System Based on Flow/Pressure Switched Control for Mobile Machinery. ISA Trans. 2020, 96, 367–375. [Google Scholar] [CrossRef]
- Casoli, P.; Scolari, F.; Vescovini, C.M.; Rundo, M. Energy Comparison Between a Load Sensing System and Electro-hydraulic Solutions Applied to a 9-ton Excavator. Energies 2022, 15, 2583. [Google Scholar] [CrossRef]
- Banaszek, A.; Petrović, R.; Andjelković, M.; Radosavljević, M. Efficiency of a Twin-Two-Pump Hydraulic Power Pack with Pumps Equipped in Constant Pressure Regulators with Different Linear Performance Characteristics. Energies 2022, 15, 8100. [Google Scholar] [CrossRef]























| Parameter | Units | Value |
|---|---|---|
| Displacement of fixed displacement pump | mL/r | 6.3 |
| Maximum output torque | N∙m | 14.5 |
| Setting pressure of safety valve | MPa | 15 |
| Hydraulic cylinder diameter/rod diameter | mm | 50/35 |
| Rated pressure drop of proportional valve | MPa | 7 |
| Rated flow rate of proportional valve | L/min | 19 |
Disclaimer/Publisher’s Note: The statements, opinions and data contained in all publications are solely those of the individual author(s) and contributor(s) and not of MDPI and/or the editor(s). MDPI and/or the editor(s) disclaim responsibility for any injury to people or property resulting from any ideas, methods, instructions or products referred to in the content. |
© 2023 by the authors. Licensee MDPI, Basel, Switzerland. This article is an open access article distributed under the terms and conditions of the Creative Commons Attribution (CC BY) license (https://creativecommons.org/licenses/by/4.0/).
Share and Cite
Li, Y.; Yu, C.; Chen, G.; Yang, M.; Zhang, Y.; Wang, F. An Electro-Hydraulic-Load-Sensitive System on the Basis of Torque Open-Loop Control. Processes 2023, 11, 2618. https://doi.org/10.3390/pr11092618
Li Y, Yu C, Chen G, Yang M, Zhang Y, Wang F. An Electro-Hydraulic-Load-Sensitive System on the Basis of Torque Open-Loop Control. Processes. 2023; 11(9):2618. https://doi.org/10.3390/pr11092618
Chicago/Turabian StyleLi, YanWen, Cong Yu, Gexin Chen, Mingkun Yang, Yuhang Zhang, and Fei Wang. 2023. "An Electro-Hydraulic-Load-Sensitive System on the Basis of Torque Open-Loop Control" Processes 11, no. 9: 2618. https://doi.org/10.3390/pr11092618
APA StyleLi, Y., Yu, C., Chen, G., Yang, M., Zhang, Y., & Wang, F. (2023). An Electro-Hydraulic-Load-Sensitive System on the Basis of Torque Open-Loop Control. Processes, 11(9), 2618. https://doi.org/10.3390/pr11092618

