Effect of Crude Oil and Nitrogen Gas Flow Rates on the Time Taken for Flow Initiation of Waxy Crude Oil
Abstract
1. Introduction
2. Materials and Methods
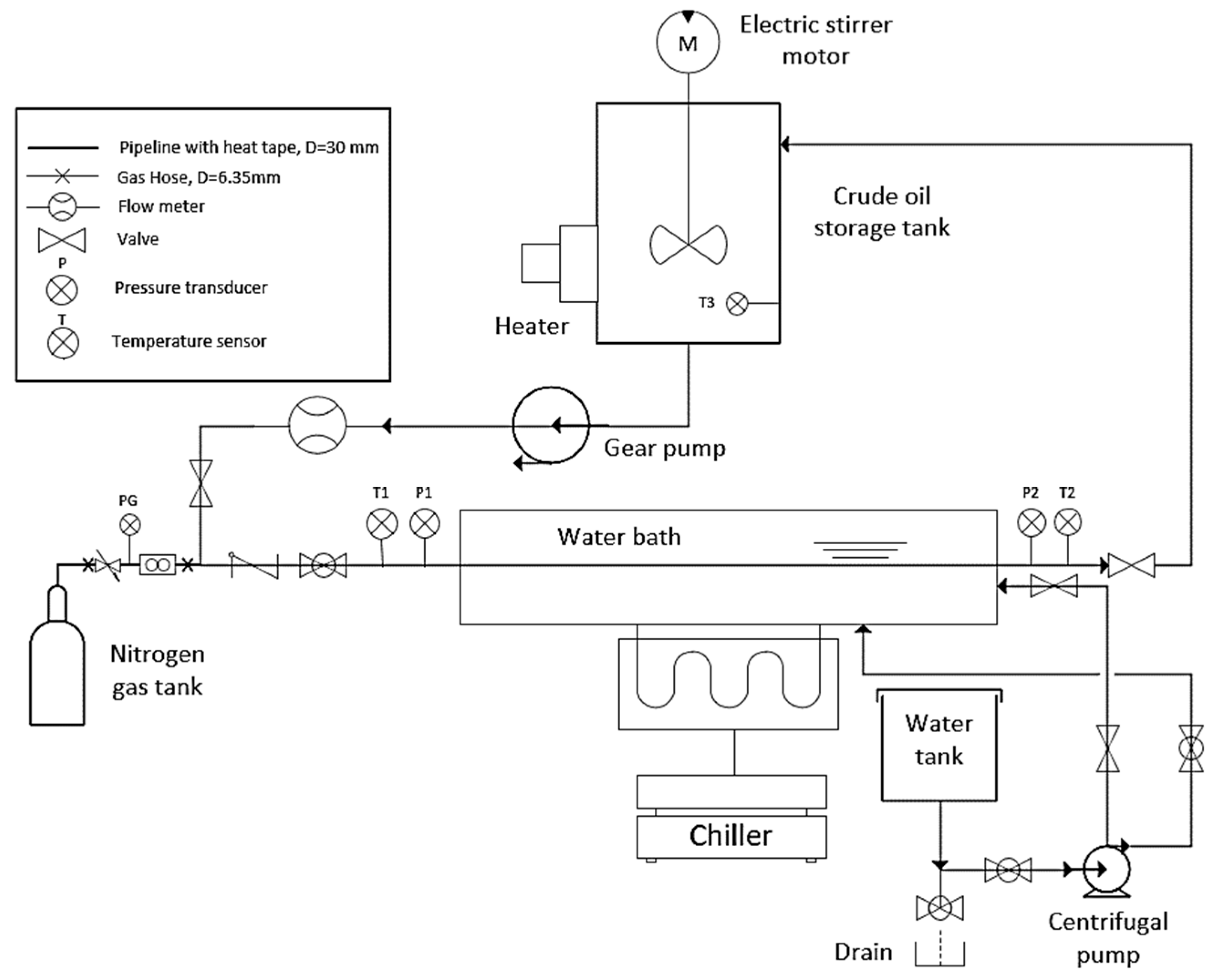
2.1. Materials and Equipment
2.2. Experimental Techniques
2.3. Description of Experimental Design
3. Results and Discussion
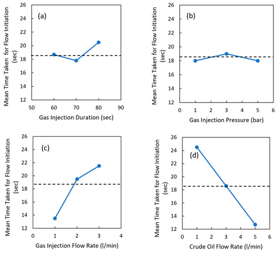
3.1. Effect of Crude Oil Flow Rate on Time Taken for Flow Initiation
3.2. Model Summary for Time Taken for Flow Initiation
3.3. Correlation between Input Factors and Time Taken for Flow Initiation
4. Conclusions
Author Contributions
Funding
Data Availability Statement
Acknowledgments
Conflicts of Interest
References
- Elkatory, M.R.; Soliman, E.A.; El Nemr, A.; Hassaan, M.A.; Ragab, S.; El-Nemr, M.A.; Pantaleo, A. Mitigation and Remediation Technologies of Waxy Crude Oils’ Deposition within Transportation Pipelines: A Review. Polymers 2022, 14, 3231. [Google Scholar] [CrossRef] [PubMed]
- Chala, G.T.; Sulaiman, S.A.; Japper-Jaafar, A. Flow start-up and transportation of waxy crude oil in pipelines-A review. J. Non-Newton. Fluid Mech. 2018, 251, 69–87. [Google Scholar] [CrossRef]
- Huang, Z.; Zheng, S.; Fogler, H.S. Wax Deposition: Experimental Characterizations, Theoretical Modeling, and Field Practices; CRC Press: Boca Raton, FL, USA, 2016. [Google Scholar]
- Guo, T.; Qin, H.D.; Jiang, B. The research of mooring system of FPSO and its application. Appl. Mech. Mater. 2013, 437, 423–426. [Google Scholar] [CrossRef]
- Oh, K.; Jemmett, M.; Deo, M. Yield behavior of gelled waxy oil: Effect of stress application in creep ranges. Ind. Eng. Chem. Res. 2009, 48, 8950–8953. [Google Scholar] [CrossRef]
- Bai, C.; Zhang, J. Effect of carbon number distribution of wax on the yield stress of waxy oil gels. Ind. Eng. Chem. Res. 2013, 52, 2732–2739. [Google Scholar] [CrossRef]
- IJeomah, C.E.; Dandekar, A.Y.; Chukwu, G.A.; Khataniar, S.; Patil, S.L.; Baldwin, A.L. Measurement of wax appearance temperature under simulated pipeline (dynamic) conditions. Energy Fuels 2008, 22, 2437–2442. [Google Scholar] [CrossRef]
- Oh, K.; Deo, M.D. Yield behavior of gelled waxy oil in water-in-oil emulsion at temperatures below ice formation. Fuel 2011, 90, 2113–2117. [Google Scholar] [CrossRef]
- Piroozian, A.; Hemmati, M.; Ismail, I.; Manan, M.A.; Bayat, A.E.; Mohsin, R. Effect of emulsified water on the wax appearance temperature of water-in-waxy-crude-oil emulsions. Thermochim. Acta 2016, 637, 132–142. [Google Scholar] [CrossRef]
- Misra, S.; Baruah, S.; Singh, K. Paraffin Problems in Crude Oil Production And Transportation: A Review. SPE Prod. Fac. 1995, 10, 50–54. [Google Scholar] [CrossRef]
- Tiwary, R.; Mehrotra, A.K. Deposition from wax− solvent mixtures under turbulent flow: Effects of shear rate and time on deposit properties. Energy Fuels 2009, 23, 1299–1310. [Google Scholar] [CrossRef]
- Zuo, J.Y.; Zhang, D.D.; Ng, H.-J. An improved thermodynamic model for wax precipitation from petroleum fluids. Chem. Eng. Sci. 2001, 56, 6941–6947. [Google Scholar] [CrossRef]
- Rukthong, W.; Weerapakkaroon, W.; Wongsiriwan, U.; Piumsomboon, P.; Chalermsinsuwan, B. Integration of computational fluid dynamics simulation and statistical factorial experimental design of thick-wall crude oil pipeline with heat loss. Adv. Eng. Softw. 2015, 86, 49–54. [Google Scholar] [CrossRef]
- Diodjo, M.T.; Belec, L.; Aragon, E.; Perrin, F.; Bonnaudet, M.; Lanarde, L.; Meyer, M.; Joliff, Y. Numerical modelling of pipe internal stresses induced during the coating process–Influence of pipe geometric characteristics on stress state. Mater. Des. 2013, 52, 429–440. [Google Scholar] [CrossRef]
- Creek, J.; Lund, H.J.; Brill, J.P.; Volk, M. Wax deposition in single phase flow. Fluid Phase Equilibria 1999, 158, 801–811. [Google Scholar] [CrossRef]
- Wang, W.; Huang, Q.; Wang, C.; Li, S.; Qu, W.; Zhao, J.; He, M. Effect of operating conditions on wax deposition in a laboratory flow loop characterized with DSC technique. J. Therm. Anal. Calorim. 2015, 119, 471–485. [Google Scholar] [CrossRef]
- Theyab, M. Wax deposition process: Mechanisms, affecting factors and mitigation methods. Open Access J. Sci 2018, 2, 112–118. [Google Scholar] [CrossRef]
- Japper-Jaafar, A.; Bhaskoro, P.T.; Sean, L.L.; Sariman, M.Z.; Nugroho, H. Yield stress measurement of gelled waxy crude oil: Gap size requirement. J. Non-Newton. Fluid Mech. 2015, 218, 71–82. [Google Scholar] [CrossRef]
- Vinay, G.; Wachs, A.; Frigaard, I. Start-up of Gelled Waxy Crude Oil Pipelines: A New Analytical Relation to Predict the Restart Pressure. In Proceedings of the Asia Pacific Oil and Gas Conference & Exhibition, Jakarta, Indonesia, 4–6 August 2009. [Google Scholar]
- Ajienka, J.; Ikoku, C. Criteria for the design of waxy crude oil pipelines: Maximum pump (horsepower) pressure requirement. J. Pet. Sci. Eng. 1995, 13, 87–94. [Google Scholar] [CrossRef]
- Borghi, G.-P.; Correra, S.; Merlini, M.; Carniani, C. Prediction and scaleup of waxy oil restart behavior. In Proceedings of the International Symposium on Oilfield Chemistry, Houston, TX, USA, 5–7 February 2003. [Google Scholar]
- Chang, C.; Boger, D.V.; Nguyen, Q.D. The yielding of waxy crude oils. Ind. Eng. Chem. Res. 1998, 37, 1551–1559. [Google Scholar] [CrossRef]
- El-Gendy, H.; Alcoutlabi, M.; Jemmett, M.; Deo, M.; Magda, J.; Venkatesan, R.; Montesi, A. The propagation of pressure in a gelled waxy oil pipeline as studied by particle imaging velocimetry. AIChE J. 2012, 58, 302–311. [Google Scholar] [CrossRef]
- Perkins, T.; Turner, J. Starting behavior of gathering lines and pipelines filled with gelled Prudhoe Bay oil. J. Pet. Technol. 1971, 23, 301–308. [Google Scholar] [CrossRef]
- Margarone, M.; Borghi, G.-P.; Correra, S. One dimensional modelling and experimental validation of gelled waxy oil restart. In Proceedings of the North Africa Technical Conference and Exhibition, Cairo, Egypt, 14–17 February 2010. [Google Scholar]
- Aiyejina, A.; Chakrabarti, D.P.; Pilgrim, A.; Sastry, M. Wax formation in oil pipelines: A critical review. Int. J. Multiph. Flow 2011, 37, 671–694. [Google Scholar] [CrossRef]
- Abedi, B.; Miguel, M.J.P.; de Souza Mendes, P.R.; Mendes, R. Startup flow of gelled waxy crude oils in pipelines: The role of volume shrinkage. Fuel 2021, 288, 119726. [Google Scholar] [CrossRef]
- Elsharkawy, A.M.; Al-Sahhaf, T.A.; Fahim, M.A.; Al-Zabbai, W. Determination and prediction of wax deposition from Kuwaiti crude oils. In Proceedings of the Latin American and Caribbean Petroleum Engineering Conference, Caracas, Venezuela, 21–23 April 1999. [Google Scholar]
- Valinejad, R.; Nazar, A.R.S. An experimental design approach for investigating the effects of operating factors on the wax deposition in pipelines. Fuel 2013, 106, 843–850. [Google Scholar] [CrossRef]
- El-Gamal, I.M.; Khidr, T.T.; Ghuiba, F.M. Nitrogen-based copolymers as wax dispersants for paraffinic gas oils. Fuel 1998, 77, 375–385. [Google Scholar] [CrossRef]
- Struchkov, I.; Roschin, P.; Litvin, V.; Ol’hovskaya, V.; Kalinin, E. Investigations of temperature and dilution effect on rheological properties of waxy crude oil. J. Pet. Explor. Prod. Technol. 2020, 10, 755–767. [Google Scholar] [CrossRef]
- Sulaiman, S.A.; Biga, B.K.; Chala, G.T. Injection of non-reacting gas into production pipelines to ease restart pumping of waxy crude oil. J. Pet. Sci. Eng. 2017, 152, 549–554. [Google Scholar] [CrossRef]
- Hussain, H.H.; Sulaiman, S.A.; Chala, G.T.; Husin, H. The Effect of Gas Injection Duration on the Restart Pressure of Waxy Crude Oil Pipeline. In Proceedings of the 3rd Asia Pacific International Conference on Industrial Engineering and Operations Management, Johor Bahru, Malaysia, 13–15 September 2022. [Google Scholar]
- Samarghandi, M.R.; Ansari, A.; Dargahi, A.; Shabanloo, A.; Nematollahi, D.; Khazaei, M.; Nasab, H.Z.; Vaziri, Y. Enhanced electrocatalytic degradation of bisphenol A by graphite/β-PbO2 anode in a three-dimensional electrochemical reactor. J. Environ. Chem. Eng. 2021, 9, 106072. [Google Scholar] [CrossRef]
- Araujo, P.W.; Brereton, R.G. Experimental design III. Quantification. TrAC Trends Anal. Chem. 1996, 15, 156–163. [Google Scholar] [CrossRef]
- Lundstedt, T.; Seifert, E.; Abramo, L.; Thelin, B.; Nyström, Å.; Pettersen, J.; Bergman, R. Experimental design and optimization. Chemom. Intell. Lab. Syst. 1998, 42, 3–40. [Google Scholar] [CrossRef]
- Behera, S.K.; Meena, H.; Chakraborty, S.; Meikap, B.C. Application of response surface methodology (RSM) for optimization of leaching parameters for ash reduction from low-grade coal. Int. J. Min. Sci. Technol. 2018, 28, 621–629. [Google Scholar] [CrossRef]
- Junyi, K.; Hasan, N. Review of the Factors that Influence the Condition of Wax Deposition in Subsea Pipelines. Int. J. Eng. Mater. Manuf. 2018, 3, 1–8. [Google Scholar] [CrossRef]
- Ekeh, M.K.; Hikmat, S.S.A.S.; Abu, A.M.Y. Influencing factors governing paraffin wax deposition during crude production. Int. J. Phys. Sci. 2010, 5, 2351–2362. [Google Scholar]
- Cabanillas, J.; Leiroz, A.; Azevedo, L. Paraffin deposition in laminar channel flow, in the presence of suspended crystals. In Proceedings of the 19th International Congress of Mechanical Engineering, Brasilia, Brazil, 5–8 November 2007; pp. 5–9. [Google Scholar]
- Mahto, V.; Kumar, A. Effect of several parameters on wax deposition in the flow line due to Indian waxy crude oil. Int. J. Appl. Eng. Res. Dev. 2013, 3, 1–10. [Google Scholar]
- Sulaiman, S.A.; Chala, G.T.; Zainur, M.Z. Experimental investigation of compressibility of waxy crude oil subjected to static cooling. J. Pet. Sci. Eng. 2019, 182, 106378. [Google Scholar] [CrossRef]
- Frigaard, I.; Vinay, G.; Wachs, A. Compressible displacement of waxy crude oils in long pipeline startup flows. J. Non-Newton. Fluid Mech. 2007, 147, 45–64. [Google Scholar] [CrossRef]
- Cawkwell, M.; Charles, M. An improved model for start-up of pipelines containing gelled crude oil. J. Pipelines 1987, 7, 41–52. [Google Scholar]
- Margarone, M.; Bennardo, A.; Busto, C.; Correra, S. Waxy oil pipeline transportation through cold flow technology: Rheological and pressure drop analyses. Energy Fuels 2013, 27, 1809–1816. [Google Scholar] [CrossRef]
- Umar, H.; Sulaiman, S. Parametric optimisation through the use of Box-Behnken design in the Co-gasification of oil palm trunk and frond for syngas production. Fuel 2022, 310, 122234. [Google Scholar] [CrossRef]
- Rahman, N.; Nasir, M. Effective removal of acetaminophen from aqueous solution using Ca (II)-doped chitosan/β-cyclodextrin composite. J. Mol. Liq. 2020, 301, 112454. [Google Scholar] [CrossRef]
- Nachiyar, G.V.; Surendra, T.; Kalaiselvi, V.; Rajagopal, R.; Kuppusamy, P.; Basavegowda, N.; Roopan, S.M. Box–Behnken response surface methodology design for amaranth dye degradation using gold nanoparticles. Optik 2022, 267, 169633. [Google Scholar] [CrossRef]
- Chala, G.T.; Sulaiman, S.A.; Japper-Jaafar, A.; Kamil Wan Abdullah, W.A.; Mior Mokhtar, M.M. Gas void formation in statically cooled waxy crude oil. Int. J. Therm. Sci. 2014, 86, 41–47. [Google Scholar] [CrossRef]





| Chemical Properties | Data |
|---|---|
| WAT (°C) | 38.5 |
| PPT (°C) | 36.0 |
| Density (kgm−3) | 850 |
| Specific gravity | 0.85 |
| Dynamic viscosity (Pa.s) | 0.002 |
| Parameters | Lower | Middle | Upper |
|---|---|---|---|
| Time taken for gas injection, s | 60 | 70 | 80 |
| Gas injection pressure, bar | 1 | 3 | 5 |
| Gas injection flow rate, L/min | 1 | 2 | 3 |
| Crude oil flow rate, L/min | 1 | 3 | 5 |
| Parameter | p-Value | f-Value |
|---|---|---|
| Gas injection duration | 0.502 | 0.48 |
| Gas injection pressure | 1.000 | 0 |
| Gas injection flow rate | 0.011 | 9.11 |
| Crude oil flow rate | 0.001 | 19.93 |
Disclaimer/Publisher’s Note: The statements, opinions and data contained in all publications are solely those of the individual author(s) and contributor(s) and not of MDPI and/or the editor(s). MDPI and/or the editor(s) disclaim responsibility for any injury to people or property resulting from any ideas, methods, instructions or products referred to in the content. |
© 2023 by the authors. Licensee MDPI, Basel, Switzerland. This article is an open access article distributed under the terms and conditions of the Creative Commons Attribution (CC BY) license (https://creativecommons.org/licenses/by/4.0/).
Share and Cite
Hussain, H.H.; Sulaiman, S.A.; Chala, G.T.; Husin, H. Effect of Crude Oil and Nitrogen Gas Flow Rates on the Time Taken for Flow Initiation of Waxy Crude Oil. Processes 2023, 11, 1414. https://doi.org/10.3390/pr11051414
Hussain HH, Sulaiman SA, Chala GT, Husin H. Effect of Crude Oil and Nitrogen Gas Flow Rates on the Time Taken for Flow Initiation of Waxy Crude Oil. Processes. 2023; 11(5):1414. https://doi.org/10.3390/pr11051414
Chicago/Turabian StyleHussain, Haizatul Hafizah, Shaharin Anwar Sulaiman, Girma Tadesse Chala, and Hazlina Husin. 2023. "Effect of Crude Oil and Nitrogen Gas Flow Rates on the Time Taken for Flow Initiation of Waxy Crude Oil" Processes 11, no. 5: 1414. https://doi.org/10.3390/pr11051414
APA StyleHussain, H. H., Sulaiman, S. A., Chala, G. T., & Husin, H. (2023). Effect of Crude Oil and Nitrogen Gas Flow Rates on the Time Taken for Flow Initiation of Waxy Crude Oil. Processes, 11(5), 1414. https://doi.org/10.3390/pr11051414

